楼底板浇筑技术交底 模板.docx

上传人:p** 文档编号:332512 上传时间:2023-06-02 格式:DOCX 页数:4 大小:59.81KB
下载 相关 举报
楼底板浇筑技术交底 模板.docx_第1页
第1页 / 共4页
楼底板浇筑技术交底 模板.docx_第2页
第2页 / 共4页
楼底板浇筑技术交底 模板.docx_第3页
第3页 / 共4页
楼底板浇筑技术交底 模板.docx_第4页
第4页 / 共4页
亲,该文档总共4页,全部预览完了,如果喜欢就下载吧!
资源描述

《楼底板浇筑技术交底 模板.docx》由会员分享,可在线阅读,更多相关《楼底板浇筑技术交底 模板.docx(4页珍藏版)》请在第壹文秘上搜索。

1、技术交底记录表C2-1资料编号00-00-C2-013工程名称某某华贸成(五期)发展工程交底日期202*年1月10日施工单位青建总承包公司股份公司分项工程名称基础底板交底提要华贸成25#住宅底板碎浇筑交底内容交底内容:交底内容:一、施工准备:1.1、 材料:商品混凝:C40S8。混凝土到现场后,由试验员对坍落度进行测定。如不合格立即由项目部管理人员签认后退场,不能用在本工程上。1.2、 主要机具:1台56m臂汽车泵、铁锹、振捣棒(10根50振捣棒,其中4根备用;6根30振捣棒,其中2根备用)、木抹子、铁抹子、刮杠、塑料布、绝缘手套、绝缘鞋等。1.3、 项目部旁站人员:周洪强、田玉柱、石洪亮,旁

2、站领导:某光聪外施队值班人员:某志、徐什军、徐家庆旁站人员须戴好袖标。二、作业条件:2.1、 浇筑前铺好人行马道,以便人员行走,准备好所有机具,并检查其是否可用或漏电,若有坏掉的马上换上备用机具或现场修理。由专职电工检查电源等关键部位。2.2、 底板的标高控制线已完成,并做好标记,保证底板的标高。2.3、 底板内的垃圾、木片、刨花、锯屑、泥土和钢筋上的油污等杂物,应清除干净。2.4、 工程部人员熟悉现场情况,协调车辆进出,维持现场秩序,施工队应在每个出入口设一名调度人员,作业面及各地泵应具备有效的联系方法,全场设一名总调度员。2.5、 浇筑前,要作好劳动力和材料的准备工作,保证施工的顺利进行。

3、2.6、 开盘时间前一小时内各有关人员须做好各项准备待命。2.7、 安全人员做好现场工人安全教育,并检查泵管等存在安全隐患的部位,排除不安全因素。夜间打灰要有足够的低压照明设备。2.8、 需浇筑底板的模板、钢筋、预埋件及管线等全部安装完毕,经检查符合设计要求,并办完隐检手续以及会签记录并报旁站监理通知书。2.9、 工长根据要求作好安全交底,混凝土浇灌申请书已被批准。2.10、 浇筑混凝土之前后浇带施工缝检查合格。2.11、 做好防雨雪的准备,了解当天天气情况。三、旅工工艺:工艺流程:慵工布置If幅凝土运输底板浇则_gg3.1、施工布置及碎运输:3.1.K底板碎共需约680方,通过与生产部门协商

4、,现场设1台56米汽车泵进行浇筑。3.1.2、现场泵管连接完成,布料杆就位。3.1.2、 现场协调:按照碎施工业务流程所示顺序进行施工,搅拌站1名专职调度员与项目部现场协调人员配合,保证浇筑的连续进行,每个泵车旁要有两人负责税的发放。3.1.3、 浇筑顺序要求:按照从东向西顺序浇筑,最前面一排是负责泵管和振捣人员,第二排是刮杠兼拉线,第三排是搓平人员,初凝后上抹平及拉毛人员,最后是钢筋、模板二次校位和成品保护人员。各负其职,流水施工。审核人交底人接受交底人技术交底记录表C2-1资料编号(X)-OO-C2-O11工程名称某某华贸成(五期)发展工程交底日期202*年1月10日施工单位青建总承包公司

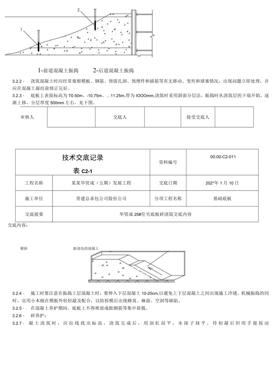
5、股份公司分项工程名称基础底板交底提要华贸成25#住宅底板碎浇筑交底内容交底内容:3.1.4、 浇筑期间现场负责:由项目部栋号人员负责现场浇筑指挥,外施队管理人员配合指挥,佩戴袖标。3.1.5、浇筑底板电梯井地坑时,先浇筑地坑底层混凝土,待底层混凝土沉实之后,再浇筑上层混凝土,间隔时间不大于2小时。3.2、 底板浇筑及要求3.2.1、 使用振捣棒应快插慢拔,插点均匀,逐点移动,顺序进行,作到振捣密实。用振捣器顺浇筑方向拖拉振捣,根据碎泵送时自然形成一个坡度的实际情况,在每个浇筑带的前、后布置两道振动棒。第一道布置在碎卸料点,主要解决上部碎的捣实。由于下铁钢筋局部节点间距密,第二道钢筋布置在碎坡脚

6、处,确保下部碎的密实(见下图)。随着硅浇筑工作的向前进,振动器也相应跟上,以确保整个高度的碎质量,不允许有漏振的现象发生,振捣时间1520秒,振捣半径W50cm01-前道混凝土振捣2-后道混凝土振捣3.2.2、 浇筑混凝土时应经常观察模板、钢筋、预留孔洞、预埋件和插筋等有无移动、变形和堵塞情况,出现问题立即处理,并应在混凝土凝结前修正完好。3.2.3、 底板上表面标高为T0.50m、-10.75m、11.25m,厚为IOOOmm,浇筑时采用斜面分层法,振捣时从浇筑层的下端开始,逐渐上移,分层厚度500mm左右,见下图。审核人交底人接受交底人技术交底记录表C2-1资料编号00-00-C2-011

7、工程名称某某华贸成(五期)发展工程交底日期202*年1月10日施工单位青建总承包公司股份公司分项工程名称基础底板交底提要华贸成25#住宅底板碎浇筑交底内容交底内容:模拆新浇包的混凝土3.2.4、 施工时要注意在振捣上层混凝土时,要伸入下层混凝土10-20cm,以避免上下层混凝土之间出现施工冷缝。机械振捣的同时,宜用小木槌在模板外轻轻敲及配合,以防拆模后出现蜂窝、麻面、空洞等缺陷。3.2.5、 在混凝土养护期间,底板上不得堆放成批钢筋等集中荷载。3.2.6、 碎养护:3.2.7、 凝土浇筑时,应拉线找出标高,浇筑完成后,用刮杠刮平,木抹子抹平,待初凝后但用手能按动时再用木抹子抹一遍,然后用毛刷顺

8、着南北方向拉毛,强度未达到严禁上人。在拉毛过程中,在墙体根部15Cin范围内抹平压光,确保竖向结构支模平整。3.2.8梁柱核心区等构件相交部位,应作为振捣作业的重点,保证该处能密实。3.2.9 混凝土浇筑施工时,应随班配备看筋工和看模板工,随时检查模板及钢筋情况,出现问题立即停止浇筑。3.2.10 施工中使用的润管砂浆和冲洗泵管的污水,应集中收集到料斗中,再吊离作业面。3.2.11 施工中应注意保护水电等专业预埋线管、线盒等,注意保护预埋件的位置。浇筑混凝土时前应在墙体、柱子钢筋的根部缠上塑料布,防止溅上灰泥浆;或在浇筑完毕后用抹布将钢筋上的灰浆擦掉。3.2.12施工时严禁用振捣棒直接接触钢筋

9、及模板。3.2.13 混凝土中严禁加水,当混凝土塌落度不符合要求时应通知项目部,如出现私自加水情况每次罚款10000元。3.2.14 现场备足塑料布和够两层用的草帘被。审核人交底人接受交底人安全生产十项注意事项:一、工作前穿戴好规定的劳动防护品,检查设备及作业场地,做到安全可靠。二、不违章作业,并监督制止他人违章作业。三、不准擅自开动别人操作的机械,电器开关设备。登高作业应戴好安全带、安全帽、并有专人监护、防止坠落,严禁向下乱抛工具和设备零件。四、不准随便拆除各种安全防护装置、信号标志、仪表及专指示器等。保持设备齐全有效灵敏可靠。五、不准随意启动设备。机器设备停机检查或修理时,应切断电源并悬挂警示牌,取牌人应是挂牌人。开机时发出信号,听到回音确定安全后才能开机。六、不准吊装物及下行人。多人操作起重搬运要统一指挥,密切配合。不准超负荷使用机器。七、不在易燃物品附近吸烟动火,不乱扔垃圾。八、不在厂内无证驾驶机动车辆,机动车进出车间转弯必须鸣号减速。车辆行驶中严禁爬上跳下。九、工作时精力集中,不准打闹、赤脚、赤膊、穿拖鞋和高跟鞋。十、上班时间不准怠工、滋事、脱岗或擅离职守。有事请假经领导批准后方可离开岗位。

展开阅读全文
相关资源
猜你喜欢
相关搜索

当前位置:首页 > 建筑/环境 > 桩基础

copyright@ 2008-2023 1wenmi网站版权所有

经营许可证编号:宁ICP备2022001189号-1

本站为文档C2C交易模式,即用户上传的文档直接被用户下载,本站只是中间服务平台,本站所有文档下载所得的收益归上传人(含作者)所有。第壹文秘仅提供信息存储空间,仅对用户上传内容的表现方式做保护处理,对上载内容本身不做任何修改或编辑。若文档所含内容侵犯了您的版权或隐私,请立即通知第壹文秘网,我们立即给予删除!