表5.30.10 检测与控制节能工程 检验批质量验收记录.docx

上传人:p** 文档编号:333360 上传时间:2023-06-02 格式:DOCX 页数:3 大小:21.06KB
下载 相关 举报
表5.30.10 检测与控制节能工程 检验批质量验收记录.docx_第1页
第1页 / 共3页
表5.30.10 检测与控制节能工程 检验批质量验收记录.docx_第2页
第2页 / 共3页
表5.30.10 检测与控制节能工程 检验批质量验收记录.docx_第3页
第3页 / 共3页
亲,该文档总共3页,全部预览完了,如果喜欢就下载吧!
资源描述

《表5.30.10 检测与控制节能工程 检验批质量验收记录.docx》由会员分享,可在线阅读,更多相关《表5.30.10 检测与控制节能工程 检验批质量验收记录.docx(3页珍藏版)》请在第壹文秘上搜索。

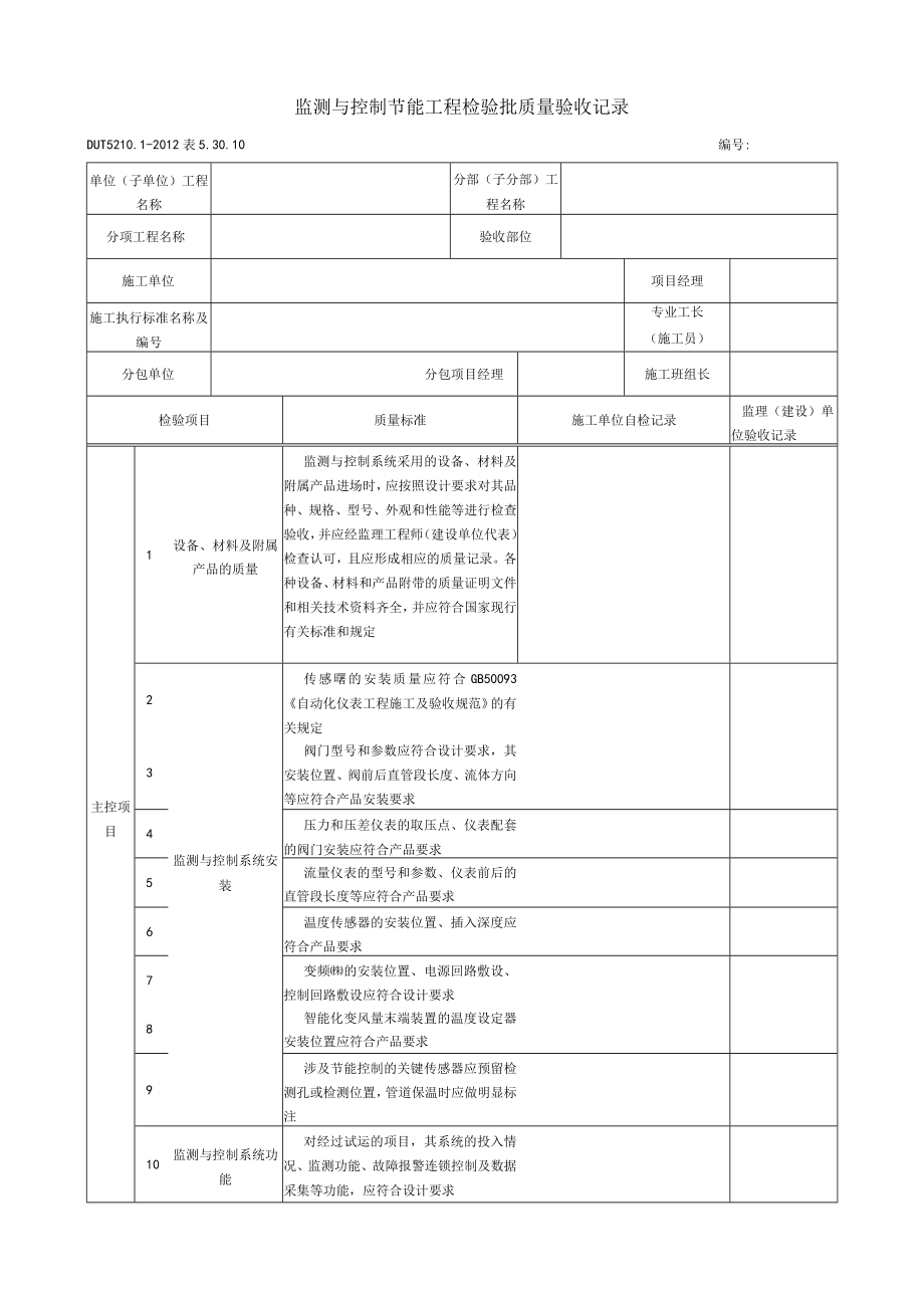
1、监测与控制节能工程检验批质量验收记录单位(子单位)工程名称分部(子分部)工程名称分项工程名称验收部位施工单位项目经理施工执行标准名称及编号专业工长(施工员)分包单位分包项目经理施工班组长检验项目质量标准施工单位自检记录监理(建设)单位验收记录1设备、材料及附属产品的质量监测与控制系统采用的设备、材料及附属产品进场时,应按照设计要求对其品种、规格、型号、外观和性能等进行检查验收,并应经监理工程师(建设单位代表)检查认可,且应形成相应的质量记录。各种设备、材料和产品附带的质量证明文件和相关技术资料齐全,并应符合国家现行有关标准和规定2传感曙的安装质量应符合GB50093自动化仪表工程施工及验收规范

2、的有关规定主控项目3监测与控制系统安装阀门型号和参数应符合设计要求,其安装位置、阀前后直管段长度、流体方向等应符合产品安装要求4压力和压差仪表的取压点、仪表配套的阀门安装应符合产品要求5流量仪表的型号和参数、仪表前后的直管段长度等应符合产品要求6温度传感器的安装位置、插入深度应符合产品要求7变频的安装位置、电源回路敷设、控制回路敷设应符合设计要求8智能化变风量末端装置的温度设定器安装位置应符合产品要求9涉及节能控制的关键传感器应预留检测孔或检测位置,管道保温时应做明显标注10监测与控制系统功能对经过试运的项目,其系统的投入情况、监测功能、故障报警连锁控制及数据采集等功能,应符合设计要求编号:D

3、UT5210.1-2012表5.30.1011空调与采暖的冷热源、空调水系统的监测控制系统应成功运行,控制及故障报警功能应符合设计要求12通风与空调监测控制系统的控制功能及故障报警功能应符合设计要求13监测与计量装置的检测计量数据应准确,并符合系统对测量准确度的要求14供配电的监测与数据采集系统应符合设计要求16照明自动控制系统的功能应符合设计要求,当设计无要求时应实现下列控制功能:(1)大型公共建筑的公用照明区应采用集中控制,并应按照建筑使用条件和天然采光状况采取分区、分组控制措施,并按需要采用调光或降低照度的控制措施。(2)旅馆的每间(套)客房应设置节能控制型开关。(3)居住建筑有天然采光

4、的楼梯间、走道的般照明应采用节能自熄开关。应按下列方式控制:所控灯列与侧窗平行:(4)房间或场所设有两列或多列灯具时,电教室、会议室、多功能厅、报告厅等场所,按靠近或远离讲台分组16综合控制系统应对以下项目进行功能检测,检测结果应满足设计要求:(1)建筑能源系统的协调控制。(2)采暖、通风与空调系统的优化监控17建筑能源管理系统的能耗数据采集与分析功能,设备管理和运行管理功能,优化能源调度功能,数据集成功能应符合设计要求一般项目1系统的可靠性、实时性、可维护性能控制设备的有效性,执行器动作应与控制系统的指令一致,控制系统性能稳定,符合设计要求2控制系统的采样速度、操作响应时间、报警反应速度应符合设计要求3冗余设备的故障检测正确性及其切换时间和切换功能应符合设计要求4应用软件的在线编程(组态)参数修改、下载功能、设备及网络故障自检测功能应符合设计要求5控制器的数据存储能力和所占存储容量应符合设计要求6故障检测与诊断系统的报警和显示功能应符合设计要求7设备启动和停止功能及状态显示应正确8被控设备的顺序控制和连锁功能应可靠9应具备自动控制/远程控制/现场控制模式下的命令冲突检测功能10人机界面及可视化检查备注施工单位检查结果项目专业质量检查员:项目专业技术负责人:年月日监理(建设)单位验收结论专业监理工程师:(建设单位项目专业技术负责人)年月日

展开阅读全文
相关资源
猜你喜欢
相关搜索

当前位置:首页 > 建筑/环境 > 建筑节能

copyright@ 2008-2023 1wenmi网站版权所有

经营许可证编号:宁ICP备2022001189号-1

本站为文档C2C交易模式,即用户上传的文档直接被用户下载,本站只是中间服务平台,本站所有文档下载所得的收益归上传人(含作者)所有。第壹文秘仅提供信息存储空间,仅对用户上传内容的表现方式做保护处理,对上载内容本身不做任何修改或编辑。若文档所含内容侵犯了您的版权或隐私,请立即通知第壹文秘网,我们立即给予删除!