电梯物联网基础信息数据元格式和数据归集、终端信息采集表、电梯故障原因分类.docx

上传人:p** 文档编号:340150 上传时间:2023-08-03 格式:DOCX 页数:8 大小:41.02KB
下载 相关 举报
电梯物联网基础信息数据元格式和数据归集、终端信息采集表、电梯故障原因分类.docx_第1页
第1页 / 共8页
电梯物联网基础信息数据元格式和数据归集、终端信息采集表、电梯故障原因分类.docx_第2页
第2页 / 共8页
电梯物联网基础信息数据元格式和数据归集、终端信息采集表、电梯故障原因分类.docx_第3页
第3页 / 共8页
电梯物联网基础信息数据元格式和数据归集、终端信息采集表、电梯故障原因分类.docx_第4页
第4页 / 共8页
电梯物联网基础信息数据元格式和数据归集、终端信息采集表、电梯故障原因分类.docx_第5页
第5页 / 共8页
电梯物联网基础信息数据元格式和数据归集、终端信息采集表、电梯故障原因分类.docx_第6页
第6页 / 共8页
电梯物联网基础信息数据元格式和数据归集、终端信息采集表、电梯故障原因分类.docx_第7页
第7页 / 共8页
电梯物联网基础信息数据元格式和数据归集、终端信息采集表、电梯故障原因分类.docx_第8页
第8页 / 共8页
亲,该文档总共8页,全部预览完了,如果喜欢就下载吧!
资源描述

《电梯物联网基础信息数据元格式和数据归集、终端信息采集表、电梯故障原因分类.docx》由会员分享,可在线阅读,更多相关《电梯物联网基础信息数据元格式和数据归集、终端信息采集表、电梯故障原因分类.docx(8页珍藏版)》请在第壹文秘上搜索。

1、附录A(规范性)基础信息数据元格式和数据归集A.1基础数据元A.1.1数据类型标准中的数据类型取值宜符合Aj的要求。表A.1数据类型取值数据类型类型代码取值方式字符型C通过单个或多个中文文字、字母、数字和特殊数字等组合表达的值的类型数值型n通过从“0”到“9”数字形式表达的值的类型日期型D通过YYYYMMDD的形式表达的值的类型,符合GB/T7408时间型T通过hhmmss的形式表达的值的类型,符合GB/T7408布尔型B是/否,onoff,true/false二进制流Bf数据、音频等二进制流文件格式A.1.2数据分类电梯应急处置数据至少包含电梯、使用单位、维保单位、二级救援机构、应急处置等基

2、本信息。A.1.3数据内容A.1.3.1电梯基本信息包含表.2的信息表A.2电梯基本信息项目数据类型代码数据长度必填必传信息说明电梯救援识别码n6*注册代码Alp25*电梯安装地址Alp200*每个汉字或全角字符占两个字符维保类型n2*四选一:原厂维保(对应数字1);授权委托(对应数字2):第三方维保(对应数字3):使用维保单位(对应数字4)维保单位统一社会信用代码ALP100*每个汉字或全角字符占两个字符维保负责人ALP20*每个汉字或全角字符占两个字符维保负责人手机n12*每个汉字或全角字符占两个字符使用单位统一社会信用代码Alp100*每个汉字或全角字符占两个字符使用单位内部编码Alp2

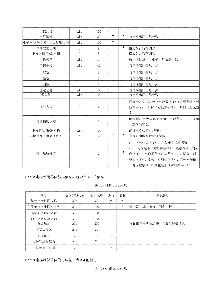
3、0电梯产权单位lp100*制造单位统一社会信用代码Alp100*制造许可证编号Alp20电梯品牌Alp100出厂编号Alp20*与电梯出厂信息一致电梯安装单位统一社会信用代码Alp100*电梯安装日期D8*格式为:YYYYMMDD电梯大修/改造日期D8格式为:YYYYMMDD电梯类型Alp14按电梯目录,与电梯出厂信息一致电梯型号Alp40与电梯出厂信息一致层数n3与电梯出厂信息一致站数n3与电梯出厂信息一致门数n3与电梯出厂信息一致额定速度AlpIO与电梯出厂信息一致载重量Alp10与电梯出厂信息一致拖动方式n2四选一:交流双速(对应数字1):调压调速(对应数字2):变频(对应数字3):其他

4、(对应数字4);电梯使用状态n2可选项,至少应包括在用(对应数字1)、停用(对应数字2)电梯检验/枪测机构Alp100最近一次检验/检测机构电梯所在省市县(区)n6*直接采用国家行政划代码使用场所分类n2*住宅(对应数字1)、办公楼宇(对应数字2)、商场超市(对应数字3)、宾馆饭店(对应数字4)、交通场所(对应数字5)、医院(对应数字6)、学校(对应数字7)、文体娱场馆(对应数字8)和其他场所(对应数字9)A.1.3.2电梯使用单位基本信息应包含表A.3的信息表A.3使用单位信息项目数据类型代码数据长度必填必传信息说明统一社会信用代码Alp30*使用单位(小区)名称Alp100*每个汉字或全角

5、符占两个字符小区所属地产品牌Alp100物业公司所属品牌AIP100办公地址Alp200宜详细填写所在道路、门牌号码等信息主要负责人Alp20职守电话n12*电梯安全管理员Alp20电梯管理员电话n12*A.1.3.3电梯维保单位信息应包含表A.4的信息表A.4维保单位信息项目数据类型代码数据长度必填必传信息说明单位名称Alp100*注册地址Alp200宜详细填写所在道路、门牌号码等信息办公地址Alp200宜详细填写所在道路、门牌号码等信息统一信用代码n30*许可证编号Alp200值守电话Alp20主要负责人Alp20主要负责人手机n12维保负责人lp20维保负责人手机n12应急救援负责人Al

6、p20应急救援负责人手机n12A.1.3.4电梯救援机构信息应包含表A.5的信息表A.5救援机构信息项目数据类型代码数据长度必填必传信息说明统一社会信用代码n30*名称Alp100*办公地址Alp200宜详细填写所在道路、门牌号码等信息负责人Alp20负责人手机n12应急救援负责人Alp20应急救援负责人手机n12所属单位Alp100A.1.3.5电梯应急处置信息应包含表A.6的信息表A.6应急处置信息项目数据类型代码数据长度必填必传信息说明注册代码Alp25*接警时间D+T15*格式为:YYYYMMDDhhmmss派遣时间D+T15*系统派单时间,格式为:YYYYMMDDhhmmss维保单位

7、响应成功时间D+T15*维保单位响应时间,格式为:YYYYMMDDhhmmss维保响应单位Alp100*维保单位响应人员Alp20维保单位相应人员手机n12*救援机构响应成功时间D+T15*救援机构响应时间,格式为:YYYYMMDDhhmmss救援机构响应单位Alp100*救援机构救援机构响应人员Alp20救援机构响应人员手机n12*响应人员到达时间D+T15*响应人到达现场时间,格式为:YYYYMMDDhhunss解救成功时间D+T15*被困人员获救时间,格式为:YYYYMMDDhhnmss电梯事件类型描述n2*可选项,分为:人员伤亡(对应数字1)、困人(对应数字2)、非困人故障(对应数字3

8、)、其他(对应数字4)、依严重程度依次选择其中一项。维保单位名称Alp100维修完成时间D+T15格式为:YYYYMMDDhhmmss维保单位统一社会信用代码n20*A.2数据统计A.2.1应急处置A.2.1.1应按规定周期统计分析电梯应急处置结果。A.2.1.2结果应包含电梯应急处置的总量、电梯困人事故发生数量、电梯故障发生的数量和解救被困的人数A.2.1.3结果还应分析救援到达现场的平均用时和救援平均用时A.2.2安全隐患A.2.2.1按行政区、使用场所统计分析规定周期内的电梯困人事故数量、故障发生数量、困人处置率及故障处置率。A.2.2.2按同一使用单位统计电梯困人数量、故障发生数量、筛

9、选出高发困人故障的使用单位A.2.2,3按同一部电梯统计电梯困人数量、故障发生数量,筛选出高发困人故障的电梯A.2.3应急救援A.2.3.1按规定周期统计分析应急救援结果A.2.3.2结果应包含按规定时间到达救援现场的次数和比率、超过规定时间到达救援现场的次数和比率及超过规定时间到达的电梯维保单位及电梯的基本信息A.2.3.3结果应包含各维保单位从事应急救援的5s出动次数及比例,各救援站从事应急救援的成功出动次数及比例A.2.4故障A.2.4.1按规定周期统计分析电梯发生困人、故障的情况A.2.4.2分析情况应按电梯生产单位、维保单位、使用年限等进行统计困人发生数量和困人率,非困人故障发生数量

10、和非困人故障率A.2.5故障原因分析对电梯发生故隙的原因按附录C进行分类统计分析A.3数据归集A.3.1基本要求A.3.1.1归集方式数据归集过程中应以JSon格式或标准XML文件进行,传输方式数据归集宜采用WebSerViCe技术方式或基于http协议的微服务方式实现。A.3.1.2数据接口功能数据接口提供的功能应包括电梯数据、电梯应急处置结果、电梯故障分析结果的上传。A.3.1.3数据归集的通信方式数据归集宜采用基于https协议上的WebSerViee技术或基于https协议的微服务方式进行不同应用间的数据交换。A.3.1.4安全性要求数据交换报文头中应增加鉴权消息报文,以实现对调用方的

11、安全认证。A.3.2消息结构A.3.2.1请求消息当请求次数超过三次不成功时,需有人工查询失败原因、处理后再进行请求。A.3.2.2响应消息当消息响应不成功时,请求方式应重新发送数据。附录B(规范性)电梯物联网终端信息采集表电梯物联网终端采集信息与格式见表B.1。表B.1电梯物联网终端采集信息与格式属性标识符数据范围/单位备注数据生成时间YYY.MM.DDHH.MM.SS终端的当前时间*轿厢运行状态Run-Status0:停止1:运行轿厢实际状态,停止即待机或断电*轿厢运行方向Run-DireAtion0:无方向1:上行2:卜行轿厢实际运行状态,非轿厢内指示方向*电梯当前楼层Aar-Posit

12、ionInt:层电梯物理楼层位置*关门到位Alose-Door-StatusTrue:关门到位Fslse:无关门到位电梯轿门开关门状态累计运行次数Total-Aounter-ValueInt:次从启动至停车为一次累计运行时间Total-Runing-TimeInt:h上下运行时间长度*最大加速度Max-AccFloat:m/sJ电梯加速度段的最大值*最大减速度Max-DccFloat:m/s2电梯减速度段的最大值*最大加加速度Max-jerkFloat:m/s3电梯加速度变化率的最大值*最大振动峰峰值Max-PeaktoPeakVibrationFloatig被单一交零点分开的两个符号相反的峰值的绝对值之和的最大值*A95振动峰峰值A95-PeaktoPeakVibrationFloatig95%采样数据的振动峰峰值小于或等于的值*制动距离BrakingDistanceFloatim电梯轿厢在紧急制动后从制动点到制停点的距离*电梯设备代

展开阅读全文
相关资源
猜你喜欢
相关搜索

当前位置:首页 > 论文 > 论文指导/设计

copyright@ 2008-2023 1wenmi网站版权所有

经营许可证编号:宁ICP备2022001189号-1

本站为文档C2C交易模式,即用户上传的文档直接被用户下载,本站只是中间服务平台,本站所有文档下载所得的收益归上传人(含作者)所有。第壹文秘仅提供信息存储空间,仅对用户上传内容的表现方式做保护处理,对上载内容本身不做任何修改或编辑。若文档所含内容侵犯了您的版权或隐私,请立即通知第壹文秘网,我们立即给予删除!