建筑工程21种工种理论、技能操作基本要求.docx

上传人:p** 文档编号:348560 上传时间:2023-08-05 格式:DOCX 页数:42 大小:144.92KB
下载 相关 举报
建筑工程21种工种理论、技能操作基本要求.docx_第1页
第1页 / 共42页
建筑工程21种工种理论、技能操作基本要求.docx_第2页
第2页 / 共42页
建筑工程21种工种理论、技能操作基本要求.docx_第3页
第3页 / 共42页
建筑工程21种工种理论、技能操作基本要求.docx_第4页
第4页 / 共42页
建筑工程21种工种理论、技能操作基本要求.docx_第5页
第5页 / 共42页
建筑工程21种工种理论、技能操作基本要求.docx_第6页
第6页 / 共42页
建筑工程21种工种理论、技能操作基本要求.docx_第7页
第7页 / 共42页
建筑工程21种工种理论、技能操作基本要求.docx_第8页
第8页 / 共42页
建筑工程21种工种理论、技能操作基本要求.docx_第9页
第9页 / 共42页
建筑工程21种工种理论、技能操作基本要求.docx_第10页
第10页 / 共42页
亲,该文档总共42页,到这儿已超出免费预览范围,如果喜欢就下载吧!
资源描述

《建筑工程21种工种理论、技能操作基本要求.docx》由会员分享,可在线阅读,更多相关《建筑工程21种工种理论、技能操作基本要求.docx(42页珍藏版)》请在第壹文秘上搜索。

1、1-焊工理论知识培训基本要求项目内容职业道德职业守则遵纪守法、爱岗敬业、团结协作、精益求精。基础知识1、识图知识(1)常用零部件的画法及代号标注(2)简单装配图的识读知识(3)焊接装配图的识读知识(4)焊缝符号和焊接方法代号的表示方法2、化学基本知识3、常用金属材料与金属热处理知识4、焊接基础知识(1)焊接方法的分类(2)常用焊接方法的基本原理(3)焊接工艺技术要领(4)焊接接头种类、坡口形式及坡口尺寸(5)焊接变形及反变形的相关知识5、焊接材料知识6、电工基本知识7、各类焊接设备基本知识安全生产常识1、劳动保护知识2、安全技术操作规程3、安全卫生和环境保护知识相关法律、法规知识1、劳动法相关

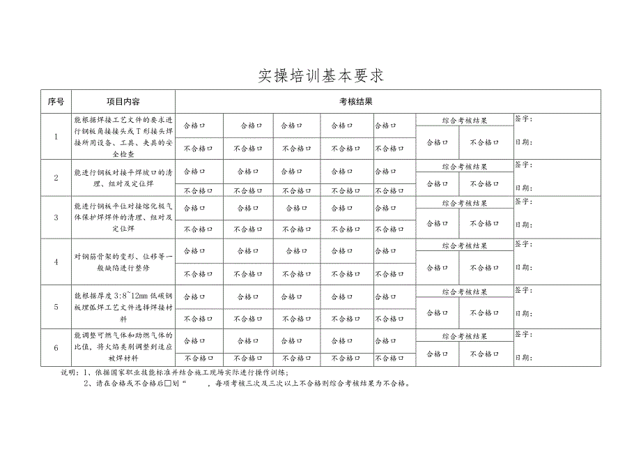
2、知识2、建筑法相关知识3、其他有关法律、法规及技术标准基本常识实操培训基本要求序号项目内容考核结果1能根据焊接工艺文件的要求进行钢板角接接头或T形接头焊接所用设备、工具、夹具的安全检查合格口合格口合格口合格口合格口综合考核结果签字:日期:合格口不合格口不合格口不合格口不合格口不合格口不合格口2能进行钢板对接平焊坡口的清理、组对及定位焊合格口合格口合格口合格口合格口综合考核结果签字:日期:合格口不合格口不合格口不合格口不合格口不合格口不合格口3能进行钢板平位对接熔化极气体保护焊焊件的清理、组对及定位焊合格口合格口合格口合格口合格口综合考核结果签字:日期:合格口不合格口不合格口不合格口不合格口不合

3、格口不合格口4对钢筋骨架的变形、位移等一般缺陷进行整修合格口合格口合格口合格口合格口综合考核结果签字:日期:合格口不合格口不合格口不合格口不合格口不合格口不合格口5能根据厚度3:812mm低碳钢板埋弧焊工艺文件选择焊接材料合格口合格口合格口合格口合格口综合考核结果签字:日期:合格口不合格口不合格口不合格口不合格口不合格口不合格口6能调整可燃气体和助燃气体的比值,将火焰类别调整到适应被焊材料合格口合格口合格口合格口合格口综合考核结果签字:日期:合格口不合格口不合格口不合格口不合格口不合格口不合格口说明:1、依据国家职业技能标准并结合施工现场实际进行操作训练;2、请在合格或不合格后划“,每项考核三

4、次及三次以上不合格则综合考核结果为不合格。2-砌筑工理论知识培训基本要求项目内容职业道德职业守则遵纪守法、爱岗敬业、团结协作、精益求精。基础知识1、识图与构造知识(D一般建筑工程施工图的识读(2)砌筑工程各部位的构造2、力学与砌筑材料知识(1)建筑力学的基本概念(2)砌筑工程的受力状况简介(3)砌筑工程(4)常用砌筑材料的种类、性能、识别及质量要求和使用方法3、砌筑工具、设备知识(1)砌筑工具、设备的种类、性能(2)常用砌筑工具、设备的使用与维护方法安全生产常识1、劳动保护知识2、安全技术操作规程3、环境保护知识相关法律、法规知识1、劳动法相关知识2、建筑法相关知识3、其他有关法律、法规及技术

5、标准基本常识实操培训基本要求序号项目内容考核结果1能正确选择砌筑材料、胶结材料和屋面材料及常用工具合格合格合格口合格合格口综合考核结果签字:日期:合格不合格口不合格口不合格口不合格口不合格口不合格口2能按施工图放线,垫层标高修正、摆底、收退(放脚)、正墙检查、抹防潮层等完成基础砌筑合格口合格口合格口合格口合格口综合考核结果签字:日期:合格不合格口不合格口不合格口不合格口不合格口不合格口3能砌墙垛、门窗垛、封山、出檐合格合格合格口合格合格口综合考核结果签字:日期:合格不合格口不合格口不合格口不合格口不合格口不合格口4能正确进行各种砖石基础大放脚的组砌合格口合格口合格合格口合格口综合考核结果签字:

6、日期:合格不合格口不合格口不合格口不合格口不合格口不合格口5能砍、磨各种异形砖块合格口合格口合格口合格口合格口综合考核结果签字:日期:合格口不合格口不合格口不合格口不合格口不合格口不合格口6能按设计和施工工艺要求铺砌乱石路面合格口合格合格口合格口合格口综合考核结果签字:日期:不合格口不合格口不合格口不合格口不合格口合格不合格口说明:1、依据国家职业技能标准并结合施工现场实际进行操作训练;2、请在合格或不合格后划“,每项考核三次及三次以上不合格则综合考核结果为不合格。3-钢筋工理论知识培训基本要求项目内容职业道德职业守则遵纪守法、爱岗敬业、团结协作、精益求精。基础知识1、识图知识(1)识图和建筑

7、构造的基本知识(2)识读钢筋混凝土结构图例符号(3)常规钢筋混凝土构件的钢筋结构施工图。2、钢筋常识(1)品种、性能、规格、型号知识。(2)验收与保管知识3、常用钢筋加工的机具使用和保养知识4、建筑力学和钢筋混凝土结构常识安全生产常识1、劳动保护常识2、环境保护常识3、急救常识相关法律、法规知识1、劳动法相关知识2、建筑法相关知识3、其他有关法律、法规及技术标准基本常识实操培训基本要求序号项目内容考核结果1能够根据配料单或图纸要求进行钢筋品种、规格的辨认及简单加工成型,包括:除锈、调直、切割等合格口合格口合格口合格口合格口综合考核结果签字:日期:合格口不合格口不合格口不合格口不合格口不合格口不

8、合格口2规范使用常用的工具、量具合格口合格口合格口合格口合格口综合考核结果签字:日期:合格口不合格口不合格口不合格口不合格口不合格口不合格口3按施工图或配料单的要求,对一般基础、梁、板、墙、柱和楼梯的钢筋进行绑扎合格口合格口合格口合格口合格口综合考核结果签字:日期:合格口不合格口不合格口不合格口不合格口不合格口不合格口4对钢筋骨架的变形、位移等一般缺陷进行整修合格口合格口合格口合格口合格口综合考核结果签字:日期:合格口不合格口不合格口不合格口不合格口不合格口不合格口5按规范要求对绑扎成型的钢筋骨架放置保护层垫块合格口合格口合格口合格口合格口综合考核结果签字:日期:合格口不合格口不合格口不合格口

9、不合格口不合格口不合格口6按质量验收要求进行质量自检,填写验收单合格口合格口合格口合格口合格口综合考核结果签字:日期:不合格口不合格口不合格口不合格口不合格口合格口不合格口说明:1、依据国家职业技能标准并结合施工现场实际进行操作训练;2、请在合格或不合格后口划,每项考核三次及三次以上不合格则综合考核结果为不合格。4-架子工理论知识培训基本要求项目内容职业道德职业守则遵纪守法、爱岗敬业、团结协作、精益求精。基础知识1、建筑识图与房屋构造基础知识2、建筑力学基础知识(1)力的概念(2)平面汇交力系3、架料和搭架工具、机具、设备知识4、常见脚手架构造知识(1)多立杆脚手架基本构造(2)斜道基本构造(

10、3)门式脚手架基本构造(4)吊挂架基本构造(5)高层脚手架基本构造(6)棚仓的基本构造(7)井架的基本构造5、常见脚手架受力分析(1)多立杆脚手架受力分析(2)门式架脚手架受力分析(3)吊挂架脚手架受力分析(4)悬挑架脚手架受力分析6、脚手架安全操作规程安全生产常识(1)劳动保护常识(2)环境保护常识相关法律、法规知识(1)劳动法相关知识(2)建筑法相关知识(3)其他有关法律、法规及技术标准基本常识实操培训基本要求序号项目内容考核结果1能正确选择、使用碗扣式钢管脚手架的杆件、配件合格口合格合格合格合格综合考核结果签字:日期:合格口不合格口不合格口不合格口不合格口不合格口不合格口2能搭拆组合式平

11、台脚手架合格合格口合格口合格合格口综合考核结果签字:日期:合格口不合格口不合格口不合格口不合格口不合格口不合格口3能正确铺设各类材质的脚手板合格口合格口合格口合格合格口综合考核结果签字:日期:合格口不合格口不合格口不合格口不合格口不合格口不合格口4能正确搭拆、张挂、拆除安全网合格口合格口合格口合格合格口综合考核结果签字:日期:合格口不合格口不合格口不合格口不合格口不合格口不合格口5能正确安装、拆除吊挂架的提升设施合格合格合格口合格口合格口综合考核结果签字:日期:合格口不合格口不合格口不合格口不合格口不合格口不合格口6能对常用安全设施进行安全检查验收合格口合格口合格口合格合格综合考核结果签字:日

12、期:合格口不合格口不合格口不合格口不合格口不合格口不合格口说明:1、依据国家职业技能标准并结合施工现场实际进行操作训练;2、请在合格或不合格后口划“,每项考核三次及三次以上不合格则综合考核结果为不合格。5-混凝土工理论知识培训基本要求项目内容职业道德职业守则遵纪守法、爱岗敬业、团结协作、精益求精。基础知识1、建筑材料知识(1)砂、石子的种类、性能、适用范围。(2)水泥的种类、性能及适用范围(3)搅拌混凝土用水的基本要求2、房屋构造知识房屋建筑与构筑物的组成3、混凝土基本知识(1)混凝土的分类和特点(2)组成混凝土的材料(3)混凝土的技术性能(4)混凝土级配的一般知识(5)混凝土拌制的一般要求4、混凝土工程的冬期、雨期施工知识(1)混凝土结构工程冬期施工(2)混凝土结构工程雨期施工(3)冬、雨期施工的安全技术安全生产常识1、劳动保护常识2、环境保护常识相关法律、法规知识1、劳动法相关知识2、建筑法相关知识3、其他有关法律、法规及技术标准基本常识实操培训基本要求序号项目内容考核结果1能够按

展开阅读全文
相关资源
猜你喜欢
相关搜索

当前位置:首页 > 建筑/环境 > 安全文明施工

copyright@ 2008-2023 1wenmi网站版权所有

经营许可证编号:宁ICP备2022001189号-1

本站为文档C2C交易模式,即用户上传的文档直接被用户下载,本站只是中间服务平台,本站所有文档下载所得的收益归上传人(含作者)所有。第壹文秘仅提供信息存储空间,仅对用户上传内容的表现方式做保护处理,对上载内容本身不做任何修改或编辑。若文档所含内容侵犯了您的版权或隐私,请立即通知第壹文秘网,我们立即给予删除!