重大危险源辨识与风险评价表.docx

上传人:p** 文档编号:350806 上传时间:2023-08-05 格式:DOCX 页数:6 大小:34.23KB
下载 相关 举报
重大危险源辨识与风险评价表.docx_第1页
第1页 / 共6页
重大危险源辨识与风险评价表.docx_第2页
第2页 / 共6页
重大危险源辨识与风险评价表.docx_第3页
第3页 / 共6页
重大危险源辨识与风险评价表.docx_第4页
第4页 / 共6页
重大危险源辨识与风险评价表.docx_第5页
第5页 / 共6页
重大危险源辨识与风险评价表.docx_第6页
第6页 / 共6页
亲,该文档总共6页,全部预览完了,如果喜欢就下载吧!
资源描述

《重大危险源辨识与风险评价表.docx》由会员分享,可在线阅读,更多相关《重大危险源辨识与风险评价表.docx(6页珍藏版)》请在第壹文秘上搜索。

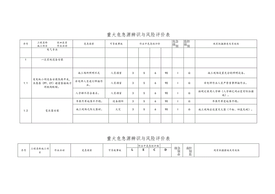
1、重大危急源辨识与风险评价表序号工程名称佐皿在召施工项目作业活动危急因素可导致事故作业中危急性评价急别危级控别监级现有把握措意及有效性电气专业1一次系统设备安装1.1发电机小间设备安装隔离开关,互感器(PT、CT)避雷器接地刀闸铁构配制。施工场所照明不足人员损害35690I施工现场设置充分的照明设备。非电焊人员进行焊接作业。人员损害35690I非电焊作业人员严禁重事焊接作业。人字梯不符合要求。人员损害35690I按规定使用人字梯(人字梯之间必需有防拉措施)。1.2变压器安装吊装外罩起落不平稳。设备损坏35690I吊装外罩需起落平稳。施工现场无防火器材。火灾35690I施工现场应设置灭火器(干粉、

2、四氯化碳)。重大危急源辨识与风险评价表序号工程名称施工项目作业活动危急因素可导致事故作业中危急性评面急别命级控别监袁现有把握措施及有效性LECD1.5钢芯铝绞线,架设、设备引线安装。操作卷扬机人没经培训。人员损害,设备损坏35690I卷扬机操作手需经专业培训后持证上岗。测量设备引线不实行防范措施。人员损害35690I测量设备引线长度时,施工人员必需实行防范措施。2厂用系统设备安装2.1厂用380V/6KV配电间设备安装,380V厂用配电盘,6KV配电盘,厂用变压器。动力盘把握盘在安装地点拆箱不准时清理。人员损害35690I盘柜拆箱后马上将箱板等杂物清理洁净。盘撬动就位时人力不足。人员损害356

3、90I盘撬动就位时人员应充分,指挥应统一,狭窄处应防止挤伤。重大危急源辨识与风险评价表序号工程名称施工项目作业活动危急因素可导致事故作业中危急性评价急别命级控别监级现有把握措施及有效性3二次线系统网控楼设备安装,升压站继电小间,机炉把握室,把握盘,爱护屏,操作屏,信号屏,微机屏.盘座基础槽钢切割违章操作。人员损害35690I用无齿锯切割盘座槽钢时先检查锯片是否裂开。施工电源不是三相五线制。触电64490I按用电管理条例施工电源必需接受三相五线制。提升架运盘超载.人员损害设备损坏677294I用提升“龙门架”吊运盘柜时,龙门架内不能站人超载。汽车吊吊装配电盘吊车故障。人员损害设备损坏677294

4、I用汽车吊吊运配电柜时应先检查吊车机械状况。重大危急源辨识与风险评价表序号工程名称施工项目作业活动危急因素可导致事故作业中危急性评仞急别危级控别监皴现有把握措施及有效性LECD4电缆敷设(全厂),动力电缆,直流电缆,电缆架安装,电缆头制作(动力,直流)O电缆沟内的照明不是36V1,触电35690I电缆沟内照明必需用36V电压。电缆沟内照明不足。人员损害35690I电缆沟内照明必需充分牢靠。电缆盘运输中滚动。人员损害35690I电缆盘在车上用木方等垫实垫平并绑扎坚固。重大危急源辨识与风险评价表序号工程名称施工项目作业活动危急因素可导致*故作业中危急性评价急别命级控别监级现有把握措施及有效性LEC

5、D5电缆敷设(全厂),动力电缆,直流电缆,电缆架安装,电缆头制作(动力,直流)。电缆敷设伤人。人员损害35690I电缆盘禁止从车上直接推下,电缆轴人工滚动防止伤人。制作电缆头引发火灾。火灾35690I电缆盘应架设坚固由专人指挥电缆通道应清理洁净。电缆桥架及电缆管安装绝缘不好。触电(感电)35690I无杂物积水照明充分,进入带电区敷设应办理工作票,设专人紧身衣护,正确使用喷灯,带电盘内制做电缆头防止触电,电缆桥架焊接坚固,按要求接地,测试良好牢靠。重大危急源辨识与风险评价表序号工程名称施工项目作业活动危急因素可导致事故作业中危急性评价急别危级控别肚级现有把握措施及有效性LECD7电气试验,调整及

6、启动带电。试验人员不了解被试验设备。人员损害36590I试验人员应充分了解被试验设备和所用试验设备仪器的性能,严禁使用有缺陷及有可能危及人身和设备平安的设备。对与已运行设备有联系的系统,进行调试不办理工作票。人员损害36590I进行系统调试前应全面了解系统设备状态,对与已运行设备有联系的系统进行调试,应办理工作票,要设专人监护。通电试验过程中试验人员中途离开。人员损害36590I通电试验过程中试验人员不得中途离开。试验室没有良好的接地。人员损害36590I试验室应有良好的接地线,试验台上及台前应铺橡胶绝缘垫。高压试验设备外壳没有接地。人员损害36590I高压试验设备(试验变压器、把握台、西林电

7、桥、试油机等)外壳必需接地。被试设备的金属外壳没有接地。人员损害36590I接地线使用截面积不小于4刖2的多胶软线接地,必需良好牢靠严禁接在自来水管暖气管易燃气体管道及铁轨等非正规的接地体上。现场高压试验区没设遮拦,商压试验没有监护人监护操作。人员损害36590I现场高压试验区设遮拦,并挂“止步高压危急”牌,高压试验时应派人监护。电气设备耐压试验前不做绝缘电阻测量。人员损害36590I电气设备在进行耐压试验前,应先测定绝缘电阻,用摇表测定绝缘电阻时被试设备应的确与电源断开。重大危急源辨识与风险评价表序号工程名称德工项目作业活动危急因素可导致事故作业中危急性评价急别命级控别监级现有把握措施及有效

8、性LECD8电气试验,调整及启动带电。直流高压试验后的高压电机电容器、电缆没有放电,电气设备及电气系统的安装。人员损害36590I试验中防止带电体与人接触,试验后被试设备需放电,直流高压试验后的高压电机、电容器、电缆等,应先用带电阻的接地棒或临时代用的放电电阻,然后在直接接地或短路放电。调试工作全部完成后没有按操作程序进行启动。人员损害36590I通电及启动前应做好下列工作,通道及出口畅通,隔离设施完善,孔洞堵严,沟道板盖完整,屋面无漏雨,照明充分完善,有适于电器灭火的灭火器,盘门锁好,警告标志明显齐全,接地符合要求,开关设备处于断开位置。IV热控安装取样装置及测温原件安装,管路敷设,防爆,防中毒,防酸碱等损害。在已充压的设备上开孔不办理工作票。人员损害558200I在已充压的设备上或管道上开孔安装取样装置或感测原件等,应办理工作票,并实行措施,严禁无牢靠措施施工。使用大型电钻或板钻无防滑措施。人员损害35690I使用大型电钻或板钻在管道上或联箱上钻孔时钻架必需有足够的强度,并固定坚固还应有防止滑钻的措施。丝扣连接的高、中压插入式温度计用固定板手紧固用力过猛。人员损害35690I丝扣连接的高、中压插入式温度计应用固定板手紧固,操作时应稳用力,不得过猛。

展开阅读全文
相关资源
猜你喜欢
相关搜索

当前位置:首页 > 金融/证券 > 期货

copyright@ 2008-2023 1wenmi网站版权所有

经营许可证编号:宁ICP备2022001189号-1

本站为文档C2C交易模式,即用户上传的文档直接被用户下载,本站只是中间服务平台,本站所有文档下载所得的收益归上传人(含作者)所有。第壹文秘仅提供信息存储空间,仅对用户上传内容的表现方式做保护处理,对上载内容本身不做任何修改或编辑。若文档所含内容侵犯了您的版权或隐私,请立即通知第壹文秘网,我们立即给予删除!