建筑项目模板拆除工程质量检验标准.docx

上传人:p** 文档编号:366866 上传时间:2023-08-06 格式:DOCX 页数:1 大小:15.55KB
下载 相关 举报
建筑项目模板拆除工程质量检验标准.docx_第1页
第1页 / 共1页
亲,该文档总共1页,全部预览完了,如果喜欢就下载吧!
资源描述

《建筑项目模板拆除工程质量检验标准.docx》由会员分享,可在线阅读,更多相关《建筑项目模板拆除工程质量检验标准.docx(1页珍藏版)》请在第壹文秘上搜索。

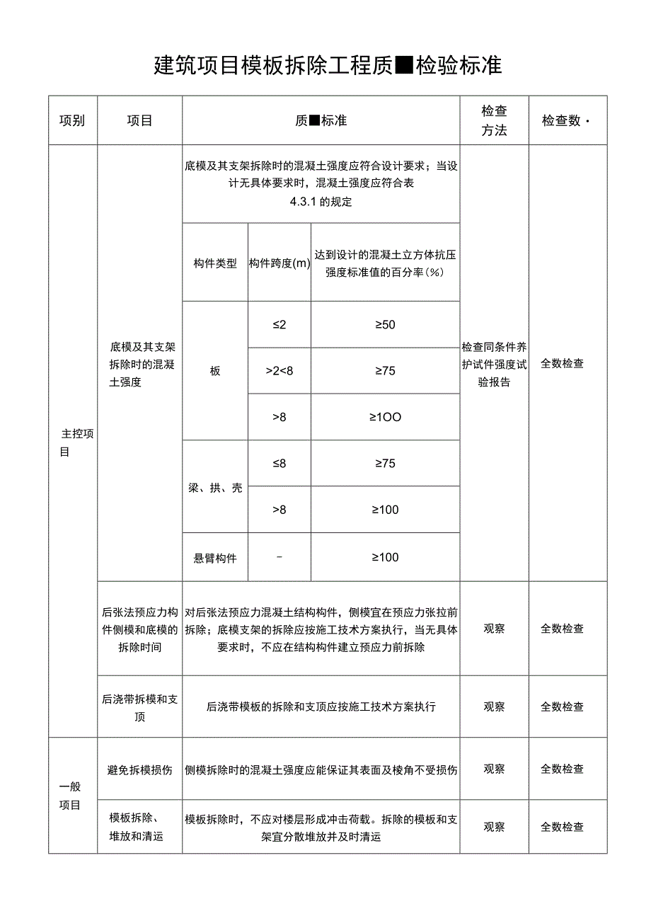
建筑项目模板拆除工程质检验标准项别项目质标准检查方法检查数主控项目底模及其支架拆除时的混凝土强度底模及其支架拆除时的混凝土强度应符合设计要求;当设计无具体要求时,混凝土强度应符合表4.3.1的规定检查同条件养护试件强度试验报告全数检查构件类型构件跨度(m)达到设计的混凝土立方体抗压强度标准值的百分率()板250281OO梁、拱、壳8758100悬臂构件-100后张法预应力构件侧模和底模的拆除时间对后张法预应力混凝土结构构件,侧模宜在预应力张拉前拆除;底模支架的拆除应按施工技术方案执行,当无具体要求时,不应在结构构件建立预应力前拆除观察全数检查后浇带拆模和支顶后浇带模板的拆除和支顶应按施工技术方案执行观察全数检查一般项目避免拆模损伤侧模拆除时的混凝土强度应能保证其表面及棱角不受损伤观察全数检查模板拆除、堆放和清运模板拆除时,不应对楼层形成冲击荷载。拆除的模板和支架宜分散堆放并及时清运观察全数检查

展开阅读全文
相关资源
猜你喜欢
相关搜索

当前位置:首页 > 建筑/环境 > 设计及方案

copyright@ 2008-2023 1wenmi网站版权所有

经营许可证编号:宁ICP备2022001189号-1

本站为文档C2C交易模式,即用户上传的文档直接被用户下载,本站只是中间服务平台,本站所有文档下载所得的收益归上传人(含作者)所有。第壹文秘仅提供信息存储空间,仅对用户上传内容的表现方式做保护处理,对上载内容本身不做任何修改或编辑。若文档所含内容侵犯了您的版权或隐私,请立即通知第壹文秘网,我们立即给予删除!