第四章技术标准和要求.docx

上传人:p** 文档编号:367532 上传时间:2023-08-06 格式:DOCX 页数:2 大小:31.64KB
下载 相关 举报
第四章技术标准和要求.docx_第1页
第1页 / 共2页
第四章技术标准和要求.docx_第2页
第2页 / 共2页
亲,该文档总共2页,全部预览完了,如果喜欢就下载吧!
资源描述

《第四章技术标准和要求.docx》由会员分享,可在线阅读,更多相关《第四章技术标准和要求.docx(2页珍藏版)》请在第壹文秘上搜索。

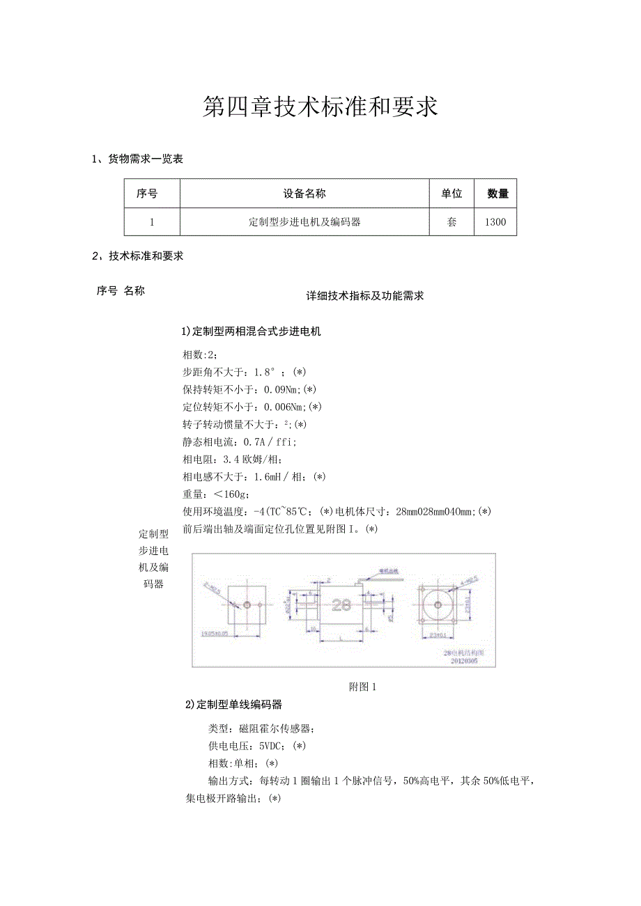
1、序号 名称定制型步进电机及编码器附图1第四章技术标准和要求1、货物需求一览表序号设备名称单位数量1定制型步进电机及编码器套13002、技术标准和要求详细技术指标及功能需求1)定制型两相混合式步进电机相数:2;步距角不大于:1.8;(*)保持转矩不小于:0.09Nm;(*)定位转矩不小于:0.006Nm;(*)转子转动惯量不大于:2;(*)静态相电流:0.7Affi;相电阻:3.4欧姆/相;相电感不大于:1.6mH相;(*)重量:160g;使用环境温度:-4(TC85;(*)电机体尺寸:28mm028mm04Omm;(*)前后端出轴及端面定位孔位置见附图I。(*)2)定制型单线编码器类型:磁阻霍

2、尔传感器;供电电压:5VDC;(*)相数:单相;(*)输出方式:每转动1圈输出1个脉冲信号,50%高电平,其余50%低电平,集电极开路输出;(*)3)附项材质:固为转动速度:重量:3000RPM;(*)总;度:-4085;(*):寸:D28mm0小于25mm。(*)J型步进电机及编码器于一体,按要求的结构尺寸组装,按:连线。(*)占能测试(包括主要指标参数、环境温度范围)满足单体各:提供出厂测试报告(全检)。(*)备注tOuTIA和OUTIB是同一箓俎;OuTZA和OUT2B是同一绕组;12GD(AJSiQJl9CPA(日期SMBBOCT2B,白衣危机;V,:禽.媾玛QSIJA密电机1绿-J4CXTTiA(黄电机3IP:一OUTlB打电机!一碌附图23、质保及售后服务要求3.1质保1年,1年内有损坏的免费更换;3.2需提供详细的售后服务方案。上述技术要求和其他要求,仅作为报价人编制报价文件和参加谈判时之参考。通过谈判,最终确定符合采购需求的技术指标及相关要求。

展开阅读全文
相关资源
猜你喜欢
相关搜索

当前位置:首页 > 建筑/环境 > 建筑规范

copyright@ 2008-2023 1wenmi网站版权所有

经营许可证编号:宁ICP备2022001189号-1

本站为文档C2C交易模式,即用户上传的文档直接被用户下载,本站只是中间服务平台,本站所有文档下载所得的收益归上传人(含作者)所有。第壹文秘仅提供信息存储空间,仅对用户上传内容的表现方式做保护处理,对上载内容本身不做任何修改或编辑。若文档所含内容侵犯了您的版权或隐私,请立即通知第壹文秘网,我们立即给予删除!