检验指导书(SIP样板).docx

上传人:p** 文档编号:375789 上传时间:2023-08-06 格式:DOCX 页数:1 大小:19.61KB
下载 相关 举报
检验指导书(SIP样板).docx_第1页
第1页 / 共1页
亲,该文档总共1页,全部预览完了,如果喜欢就下载吧!
资源描述

《检验指导书(SIP样板).docx》由会员分享,可在线阅读,更多相关《检验指导书(SIP样板).docx(1页珍藏版)》请在第壹文秘上搜索。

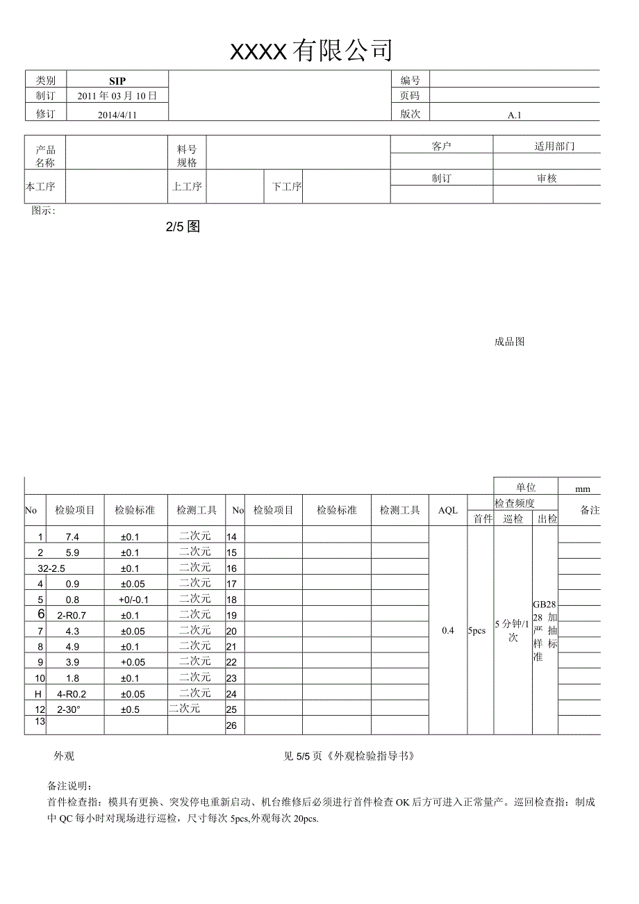
XXXX有限公司类别SIP编号制订2011年03月10日页码修订2014/4/11版次A.1产品名称料号规格客户适用部门本工序上工序下工序制订审核图示:2/5图成品图单位mmNo检验项目检验标准检测工具No检验项目检验标准检测工具AQL检查频度备注首件巡检出检17.40.1二次元140.45pcs5分钟/1次GB2828加严抽样标准25.90.1二次元1532-2.50.1二次元1640.90.05二次元1750.8+0/-0.1二次元1862-R0.70.1二次元1974.30.05二次元2084.90.1二次元2193.9+0.05二次元22101.80.1二次元23H4-R0.20.05二次元24122-300.5二次元251326外观见5/5页外观检验指导书备注说明:首件检查指:模具有更换、突发停电重新启动、机台维修后必须进行首件检查OK后方可进入正常量产。巡回检查指:制成中QC每小时对现场进行巡检,尺寸每次5pcs,外观每次20pcs.

展开阅读全文
相关资源
猜你喜欢
相关搜索

当前位置:首页 > 论文 > 论文指导/设计

copyright@ 2008-2023 1wenmi网站版权所有

经营许可证编号:宁ICP备2022001189号-1

本站为文档C2C交易模式,即用户上传的文档直接被用户下载,本站只是中间服务平台,本站所有文档下载所得的收益归上传人(含作者)所有。第壹文秘仅提供信息存储空间,仅对用户上传内容的表现方式做保护处理,对上载内容本身不做任何修改或编辑。若文档所含内容侵犯了您的版权或隐私,请立即通知第壹文秘网,我们立即给予删除!