施工机具安全检查评分表.docx

上传人:p** 文档编号:375961 上传时间:2023-08-06 格式:DOCX 页数:2 大小:19.09KB
下载 相关 举报
施工机具安全检查评分表.docx_第1页
第1页 / 共2页
施工机具安全检查评分表.docx_第2页
第2页 / 共2页
亲,该文档总共2页,全部预览完了,如果喜欢就下载吧!
资源描述

《施工机具安全检查评分表.docx》由会员分享,可在线阅读,更多相关《施工机具安全检查评分表.docx(2页珍藏版)》请在第壹文秘上搜索。

1、施工机具安全检查评分表序号检查项目扣分标准应得分数扣减分数实得分数1圆盘锯圆盘锯安装后未履行验收程序,扣5分未设置锯盘护罩、分料器、防护挡板安全装置和传动部位未设置防护罩,每处扣3分未做保护接零或未设置漏电保护器,扣10分未设置安全作业棚,扣6分采用倒顺开关、闸刀开关控制,各扣5分无人操作时未切断电源,扣3分使用多功能木工机具,扣10分102钢筋机械钢筋机械安装后未履行验收程序,扣5分未做保护接零或未设置漏电保护器,扣10分钢筋加工区未设置作业棚,钢筋对焊作业区未采取防止火花飞溅措施或冷拉作业区未设置防护栏板,每处扣5分传动部位未设置防护罩,扣5分103电焊机电焊机安装后未履行验收程序,扣5分

2、未做保护接零或未设置漏电保护器,扣10分未设置二次空载降压保护器,扣10分一次线长度超过规定或未进行穿管保护,扣3分二次线未采用防水橡皮护套铜芯软电缆,扣10分二次线长度超过规定或绝缘层老化,扣3分电焊机未设置防雨罩或接线柱未设置防护罩,扣5分104龙门吊龙门吊安装后未履行验收程序,扣5分未设置夹轨器、尾端止挡或停止作业时未夹轨,每处扣3分。龙门吊轨道地基下沉、轨道松动的,扣5分门吊钢结构严重变型、锈蚀的,各部位连接螺栓、销轴连接紧固不到位,轨道接头处间隙超过标准规定,每处扣5分安全保护装置(起升高度限制器、起重量限制器、起重小车行程限位器、大车行程限位器、防碰撞限位器等)未安装或不灵敏,每处

3、扣5分105架桥机架桥机安装后未履行验收程序,扣5分安全保护装置(起升高度限制器、起重量限制器、运行行程限位器、桥机横移限位器、起升机构制动器、主梁纵移电机制动器、缓冲器、止挡等)未安装或不灵敏,每处扣5分桥机前、中横移轨道支撑不牢靠,前、中横移轨道水平度、平行度超标,每处扣5分桥机钢结构严重变形锈蚀,各部销轴螺栓连接紧固不牢,每处扣5分桥机液压系统漏油、油缸内卸缩缸等,扣5分106道路施工机械沥青摊铺机或压路机司机无证驾验,各扣5分沥青混合料摊铺斗铲作业时未设置安全警戒,扣5分倒车卸料无专人指挥,扣5分各类浇捣、振平、振实机械未按规定做保护接零,无漏电保护器,每台扣2分混凝土切割作业违反操作

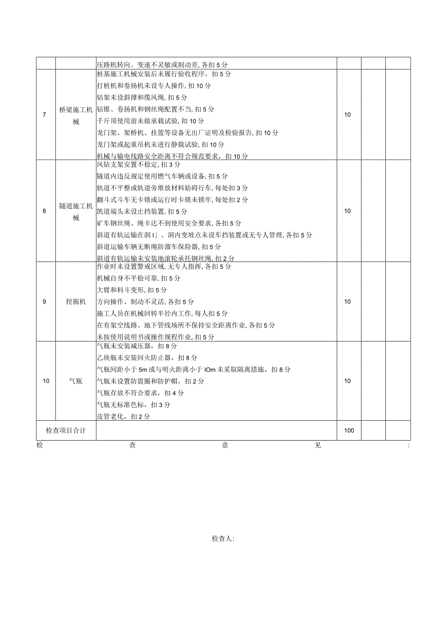
4、规程,扣5分10压路机转向、变速不灵敏或制动差,各扣5分7桥梁施工机械桩基施工机械安装后未履行验收程序,扣5分打桩机和卷扬机未设专人操作,扣10分钻架未设斜撑和缆风绳,扣5分钻锥、卷扬机和钢丝绳配置不当,扣5分千斤顶使用前未做承载试验,扣10分龙门架、架桥机、挂篮等设备无出厂证明及检验报告,扣10分龙门架或起重吊机未进行静载试验,扣10分机械与输电线路安全距离不符合规范要求,扣10分108隧道施工机械风钻支架安置不稳定,扣3分隧道内违反规定使用燃气车辆或设备,扣5分轨道不平整或轨道旁堆放材料妨碍行车,每处扣3分翻斗式斗车无卡锁或运行时卡锁未锁牢,每处扣2分凯道端头未设止挡装置,扣5分矿车钢丝绳

5、、绳卡达不到使用安全要求,各扣5分斜道有轨运输在洞I、洞内变坡点未设车挡装置或无专人管理,各扣5分斜道运输车辆无断绳防溜车保险器,扣5分斜道有轨运输未安装地滚轮承托钢丝绳,扣2分109挖掘机作业时未设置警戒区域,无专人指挥,各扣5分机械自身不平稳可靠,扣5分大臂和料斗变形,扣5分方向操作、制动不灵活,各扣5分施工人员在机械回转半径内工作,每人扣5分在有架空线路、地下管线场所不保持安全距离作业,各扣5分未按使用说明书或操作规程作业,扣5分1010气瓶气瓶未安装减压器,扣8分乙块瓶未安装回火防止器,扣8分气瓶间距小于5m或与明火距离小于IOm未采取隔离措施,扣8分气瓶未设置防震圈和防护帽,扣2分气瓶存放不符合要求,扣4分气瓶无标准色标,扣3分皮管老化,扣2分10检查项目合计100检查意见:检查人:

展开阅读全文
相关资源
猜你喜欢
相关搜索

当前位置:首页 > 建筑/环境 > 施工组织

copyright@ 2008-2023 1wenmi网站版权所有

经营许可证编号:宁ICP备2022001189号-1

本站为文档C2C交易模式,即用户上传的文档直接被用户下载,本站只是中间服务平台,本站所有文档下载所得的收益归上传人(含作者)所有。第壹文秘仅提供信息存储空间,仅对用户上传内容的表现方式做保护处理,对上载内容本身不做任何修改或编辑。若文档所含内容侵犯了您的版权或隐私,请立即通知第壹文秘网,我们立即给予删除!