生活垃圾焚烧厂项目主厂房工程施工总体概况.docx

上传人:p** 文档编号:376798 上传时间:2023-08-06 格式:DOCX 页数:10 大小:37.10KB
下载 相关 举报
生活垃圾焚烧厂项目主厂房工程施工总体概况.docx_第1页
第1页 / 共10页
生活垃圾焚烧厂项目主厂房工程施工总体概况.docx_第2页
第2页 / 共10页
生活垃圾焚烧厂项目主厂房工程施工总体概况.docx_第3页
第3页 / 共10页
生活垃圾焚烧厂项目主厂房工程施工总体概况.docx_第4页
第4页 / 共10页
生活垃圾焚烧厂项目主厂房工程施工总体概况.docx_第5页
第5页 / 共10页
生活垃圾焚烧厂项目主厂房工程施工总体概况.docx_第6页
第6页 / 共10页
生活垃圾焚烧厂项目主厂房工程施工总体概况.docx_第7页
第7页 / 共10页
生活垃圾焚烧厂项目主厂房工程施工总体概况.docx_第8页
第8页 / 共10页
生活垃圾焚烧厂项目主厂房工程施工总体概况.docx_第9页
第9页 / 共10页
生活垃圾焚烧厂项目主厂房工程施工总体概况.docx_第10页
第10页 / 共10页
亲,该文档总共10页,全部预览完了,如果喜欢就下载吧!
资源描述

《生活垃圾焚烧厂项目主厂房工程施工总体概况.docx》由会员分享,可在线阅读,更多相关《生活垃圾焚烧厂项目主厂房工程施工总体概况.docx(10页珍藏版)》请在第壹文秘上搜索。

1、生活垃圾焚烧厂项目主厂房工程施工总体概况1.l工程建设概况序号项目内容1工程名称南宫生活垃圾焚烧厂项目(主厂房)2总建筑面积17338m23工程地址市大兴区青玄店镇南大红门村4建设单位巾巾政市容管理委员会5代建单位中国航空规划建设发展有限公司6设计单位市巾政工程设计研究总院7监理单位兴电国际工程管理公司8施工总承包单位城建远东建设投资集团有限公司9质量监督单位市公用工程质量监督站10开竣工时间2014.3.302015.8.2011合同工期2013.5.102015.8.20(830日历天)12资金来源政府投资13质量标准合同要求:合格创优标准:“结构长城杯”1.2建筑设计概况序号项目内容项目

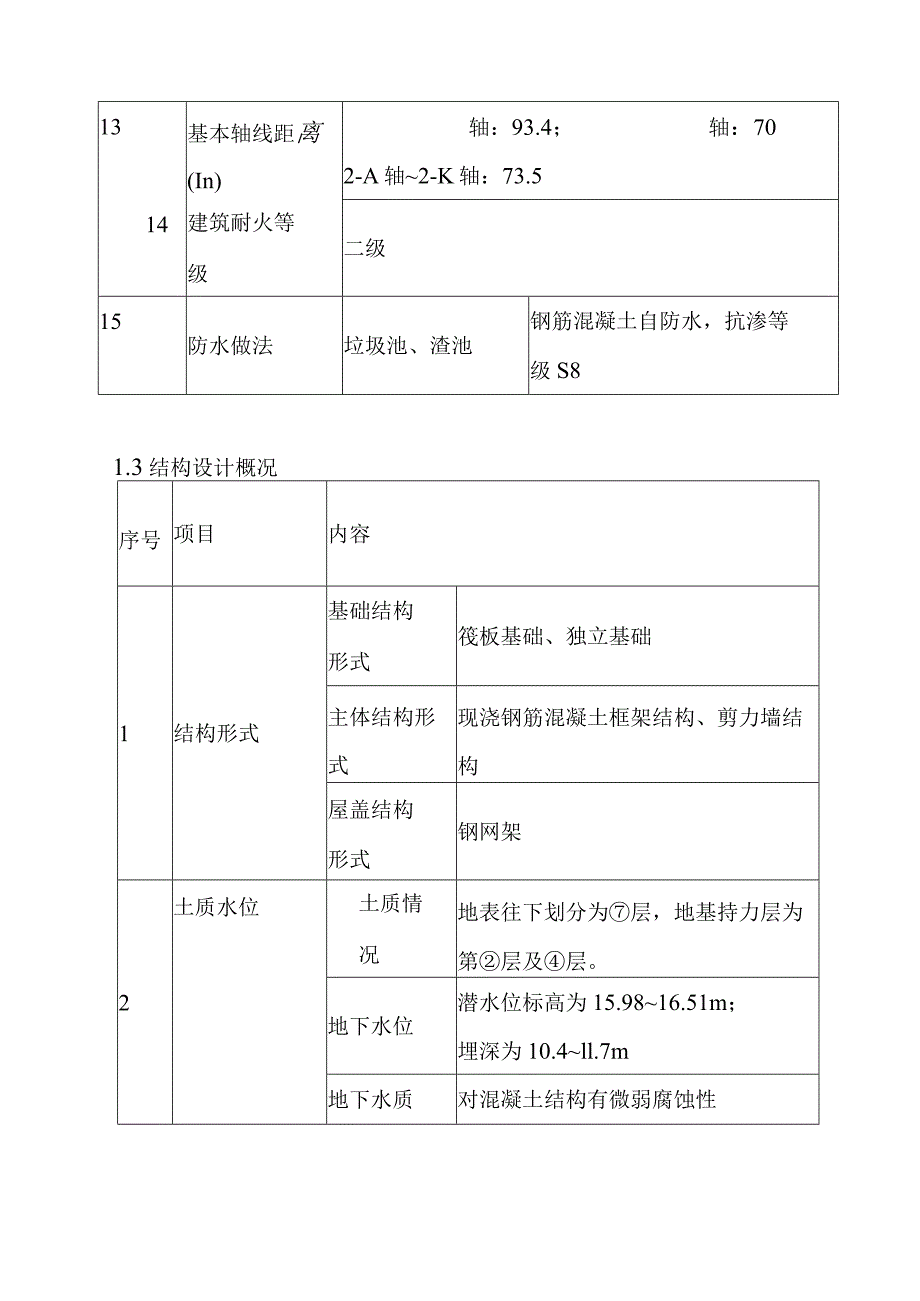
2、内容1建筑用途垃圾焚烧、处理等主要设备厂房2建筑特点占地面积大、层局较局,且层局尺寸较多、构件断面尺寸大3建筑面积(m2)17338占地面积(m2)10004地上层数地上一层(局部三层)0.000高29.600程5建筑层高(m)烟气净化间34.0炉渣坑18.0引风机室10.0低压配电间5.3渣吊配电室4.06室内外高差(m)0.39建筑总高(Itt)45.5010檐口高度(In)44.5011基底标高(m)-1.50、-8.950、-10.5012最大基坑深度(m)10.5013基本轴线距离(In)轴:93.4;轴:702-A轴2-K轴:73.514建筑耐火等级二级15防水做法垃圾池、渣池钢筋

3、混凝土自防水,抗渗等级S81.3结构设计概况序号项目内容1结构形式基础结构形式筏板基础、独立基础主体结构形式现浇钢筋混凝土框架结构、剪力墙结构屋盖结构形式钢网架2土质水位土质情况地表往下划分为层,地基持力层为第层及层。地下水位潜水位标高为15.9816.51m;埋深为10.4ll.7m地下水质对混凝土结构有微弱腐蚀性3建筑物地基钢筋混凝土灌注桩基础地基持力层层粉质粘土、层重粉质粘土综合承载力标准值20Kpa、160KPa4混凝土强度等级基础混凝土垫层C15基础底板C30(S8)独立基础C30地下墙体C30(S8)地上墙体C30底板后浇带C35(S8)梁、板、柱C30圈梁、构造柱、过梁C305抗

4、震等级工程抗震烈度8度垃圾池及卸料大厅框架结构一级剪力墙二级炉渣坑及配电室框架结构二级剪力墙二级6建筑物安全等级二级7钢筋类别I级钢筋HPB300级11I级钢筋HRB400E级8钢筋接头形式机械连接,16滚轧直螺纹套筒连接搭接绑扎钢筋直径V169结构断面尺寸基础底板厚度(mm)垃圾池1000炉渣坑950基础承台尺寸(mm)180018003400X2400、3400X8700墙体厚度(mm)垃圾池600、900炉渣坑400、800柱断面尺寸(mm)400X600、400X800、500X500、5001400600600600X800、700X700、800X800、800X1200、9001

5、4501000X1800梁断面尺寸(mm)300450300600300X650、300X700、400800400X900、800X800、1000X1500楼板厚度(mm)120、200、30010楼梯结构形式全现浇板式楼梯11建筑沉降观测由建设单位指定测量单位1.4专业设计概况系统名称设计要求系统做法管线类别给排水上水水压为0.25MPa螺纹连接M、去-3r钢塑复合下水生活污水排水量承插粘接内螺旋中空降噪型热水水压为0.25MPa螺纹连接4tU、+J-r钢塑复合消防消防消火栓用水量为15L/S工作水压为0.40MPa喷淋喷水强度消火栓采用焊接钢管焊接内外热镀锌消火栓采用焊接钢管喷淋采用排

6、烟厨房排有油烟机及油烟净化管道采用法兰连接采用镀锌钢板、土日敝一勿U0虻1#+为KZ+前士昌敝饶Q9,出售伏土六lx沈R七代友U缶木g工nroc风空调冷负荷为523.97KW法兰连接、螺纹连接、热镀锌钢管、UPVC给调厨房、卫生间、管道采用法采用镀锌暖通风淋浴间均做机兰连接钢板燃械通风采暖采用钢制柱形散热器采用上供上回或下供下热镀锌钢管电死11立底;吊工口由口以6白;卜TX7-I-cron给山石工11Bk116白、卜TXJI-相拉的凿气如金一来吐壬语什任珈计由十1Omm启宙匕立由11l夕凿出4工PDkncronp.JT访#W版近士来年后就nron1. 5施工条件1.5. 1自然条件:1.6.

7、1.1自然特征南宫生活垃圾焚烧厂位于市大兴区赢海镇与青云镇交界处的南宫垃圾堆肥厂东侧。地貌属于永定河冲洪积平原,地形比较平坦。地区属暖温带半湿润半干旱季风气候,受季风影响,形成春季干旱多风、夏季炎热多雨、秋季秋高气爽、冬季寒冷干燥四季分明的气候特点。最冷月平均最低温度-9.9C。最热月平均最高温度30.8oCo年平均温度11.5o年总降雨量550.9mm最大降雨量169.2mmo夏季最多风向及频率SSW13%o冬季最多风向及频率NNE10%o基本风压0.45kNm2o基本雪压0.4kN/m2o最大冻土深度80cmo1.5.1.2地质水文条件拟建场地在勘察深度35.OOm范围内的地层划分为人工填

8、土层、新近沉积层及一般第四纪冲洪积层,划分如下:表层为人工堆积之粉质粘土素填土层;人工堆积层以下为新近沉积层,包括粘质粉土层,地基承载力标准值fka=110130kPa,粉质粘土1层,地基承载力标准值fka=90HOkPa;新近沉积层以下为一般第四纪冲洪积层,包括粉质粘土层,地基承载力标准值fka=110130kPa粘质粉土1层,地基承载力标准值fka=160180kPa、粉砂2层,地基承载力标准值fka=160180kPa.粉质粘土层,地基承载力标准值fka=140160kPa粘质粉土1层,地基承载力标准值fka=160180kPa粉砂2层,地基承载力标准值fka=18020OkPa、粘质粉

9、土层,地基承载力标准值fka=200-230kPa粉质粘土1层,地基承载力标准值fka=180200kPa、粘土2层,地基承载力标准值fka=160180kPa粉质粘土层,地基承载力标准值fka=18020OkPa、粘质粉土1层,地基承载力标准值fka=210230kPa粉砂2层,地基承载力标准值fka=160180kPa、粉质粘土层,地基承载力标准值fka=180200kPa粘土1层,地基承载力标准值fka=18(T200kPa、粉砂2层,地基承载力标准值fka=240260kPao钻探深度范围内观测到一层地下水,静止水位标高为15.3216.Hm(静止水位埋深IL50IL90m),地下水类

10、型为潜水。拟建场地历年最高地下水位曾接近自然地面,近35年最高地下水位标高在21.OOm左右。该场地内潜水对混凝土结构及钢筋混凝土结构中的钢筋具有微腐蚀性。该场地内地下水位以上土层对混凝土结构及钢筋混凝土结构中的钢筋均具有微腐蚀性。该场地抗震设防烈度为8度,设计基本地震加速度值为020g,设计地震分组为第一组,场地类别为11I类。在抗震设防烈度为8度,地下水位按自然地面下LOnI考虑,场地地基土不液化。拟建场地地基土的标准冻结深度为0.80mo1.5.2施工条件:1、本工程距离主干道很近,施工现场运输方便。2、现场设钢筋加工区、木工加工区。主体结构施工期间,设3台塔吊负责主要材料的垂直运输。装

11、修期间,根据现场情况设汽车吊,负责装修材料的垂直运输。3、施工现场设备、机械、材料等资源的合理组织和调配是质量及工期完成的保障,施工中提前计划好,并强化管理。1.6工程特点与难点1.7. 1工期紧该工程计划2014年3月30日开工,计划2015年8月20日前竣工,总工期518天。阶段时间内的材料资源、人力资源投入大,交叉施工作业面广。试运期间的设备分包项目较多,施工期间提前组织协调分包入场及交接工作,进场后工期纳入总包管理范围,严格按总包制定的计划实施。1.8. 2场区地面积大现场规划用地面积82133m2,建筑基底面积17584.49而。场区面积大,给现场管理带来一定的困难。1. 6.3层高

12、较高该工程为工业用建筑,单层层高较高,其中主厂房烟气净化间层高34m、炉渣坑层高18.0m、引风机室层高14m,单层层高较高,给模板施工及混凝土浇筑造成一定的难度。1.6. 4结构构件断面尺寸大本工程柱、梁截面尺寸较大,柱最大断面尺寸100OX1800mm,如何保证结构的截而尺寸是施工中应该重点控制的问题。1.6.5现场回填土方量大现场自然地坪低于设计室外地坪0.6mO.8m,场区及建筑物房心回填土方量大。1.6.6专业交叉施工多专业安装与专业安装、专业安装与土建施工的穿插。在结构施工期间,垃圾焚烧设备、环保设备、电气、给排水等预留洞口及小型量很大,要保证后续施工避免剔凿,对预留洞口、设备基础的位置、数量必须提前计划,组织好实施,在浇注碎前必须严格按计划检查。后期设备安装调试施工中,室内土建装修将与通风、给排水、消防、设备调试、弱电等各专业交叉施工。因此,总包方对各专业之间的协调和管理是本工程的一个重点。1.6.7该工程的特殊重要性和业主的要求决定了该工程严格的质量标准,如何通过严格的程序控制和过程控制,实施“过程精品”,把该工程建造成一流的艺术精品,是本工程的核心任务。

展开阅读全文
相关资源
猜你喜欢
相关搜索

当前位置:首页 > 建筑/环境 > 施工组织

copyright@ 2008-2023 1wenmi网站版权所有

经营许可证编号:宁ICP备2022001189号-1

本站为文档C2C交易模式,即用户上传的文档直接被用户下载,本站只是中间服务平台,本站所有文档下载所得的收益归上传人(含作者)所有。第壹文秘仅提供信息存储空间,仅对用户上传内容的表现方式做保护处理,对上载内容本身不做任何修改或编辑。若文档所含内容侵犯了您的版权或隐私,请立即通知第壹文秘网,我们立即给予删除!