钢板桩围堰施工作业指导书.docx

上传人:p** 文档编号:377412 上传时间:2023-08-06 格式:DOCX 页数:6 大小:57.92KB
下载 相关 举报
钢板桩围堰施工作业指导书.docx_第1页
第1页 / 共6页
钢板桩围堰施工作业指导书.docx_第2页
第2页 / 共6页
钢板桩围堰施工作业指导书.docx_第3页
第3页 / 共6页
钢板桩围堰施工作业指导书.docx_第4页
第4页 / 共6页
钢板桩围堰施工作业指导书.docx_第5页
第5页 / 共6页
钢板桩围堰施工作业指导书.docx_第6页
第6页 / 共6页
亲,该文档总共6页,全部预览完了,如果喜欢就下载吧!
资源描述

《钢板桩围堰施工作业指导书.docx》由会员分享,可在线阅读,更多相关《钢板桩围堰施工作业指导书.docx(6页珍藏版)》请在第壹文秘上搜索。

1、钢板桩围堰施工作业指导书1.目的明确钢板桩围堰施工作业的工艺流程、操作要点和相应的工艺标准,指导、规范板桩围堰施工。2 .编制依据(1)高速铁路桥涵工程施工技术规程(Q/CR9603-2022)(2)高速铁路桥涵工程施工质量验收标准(TB10752-2022)(3)铁路混凝土工程施工技术指南(铁建设2022241号)(4)铁路混凝土工程施工质量验收标准(TB10424-2022)(5) UXX标施工图设计文件3 .合用范围和特点合用于XXX标基础承台施工和深开挖基坑设计提供的钢板桩围堰施工方案。采用常规施工办法包括土、石围堰、草袋围堰等均不能解决基础承台基坑排水问题,使承台碎无法灌注,所以水中

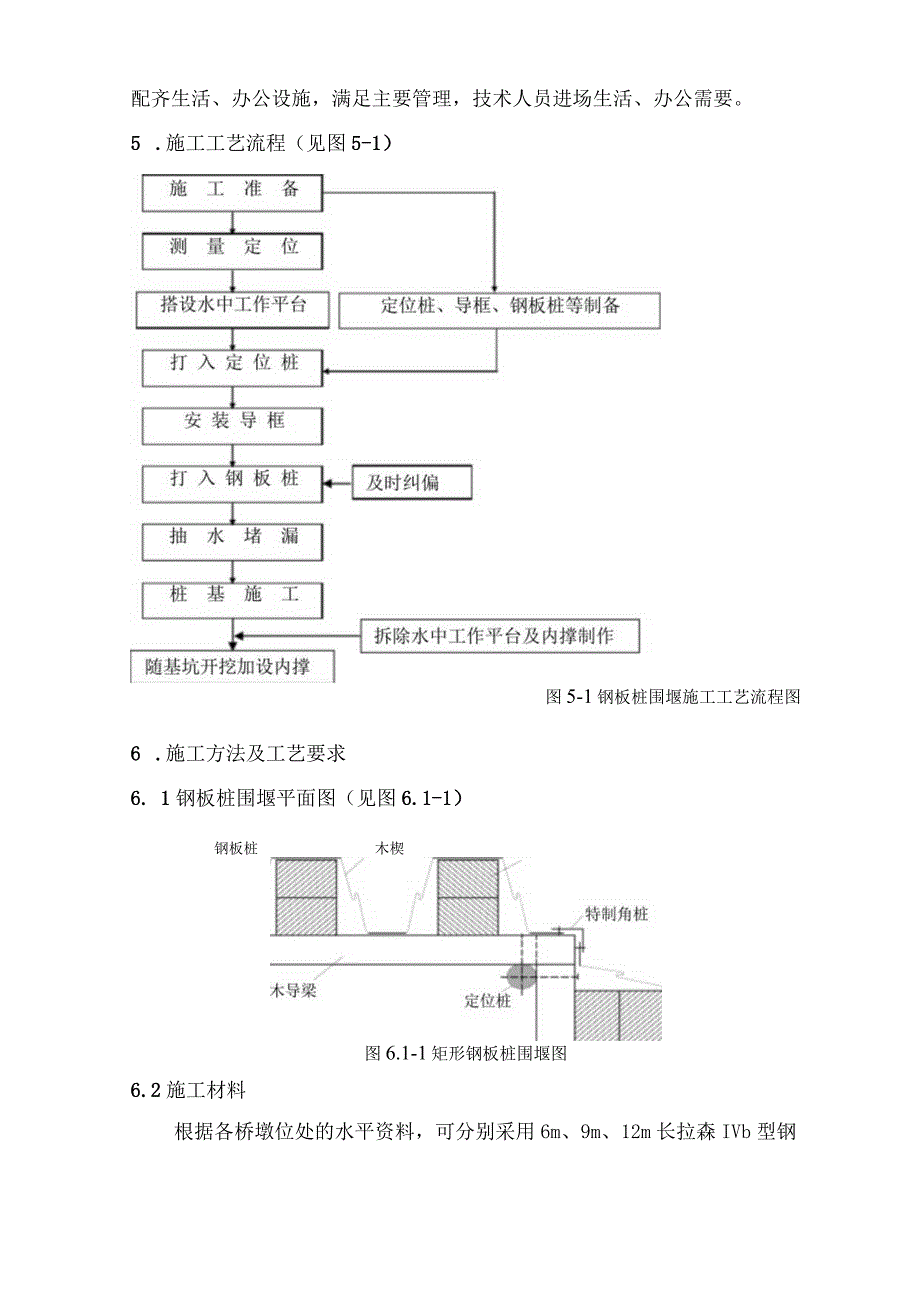
2、基础承台施工采用钢板桩围堰方案。钢板桩围堰适应较大的深水河床,具有挡水性能好、同时可拆除反复利用。4 .作业准备4.1 内业技术准备开工前组织技术人员认真学习实施性施工组织设计、阅读、审核施工图纸,澄清有关技术问题,熟悉规范和技术标准。制定施工安全保证措施,提出应急预案。对施工人员进行技术交底,对参加施工人员进行上岗前技术培训,考核合格后持证上岗。4 .2外业技术准备施工作业层中所涉及的各种外部技术数据采集。修筑生活房屋,配齐生活、办公设施,满足主要管理,技术人员进场生活、办公需要。5 .施工工艺流程(见图5-1)图5-1钢板桩围堰施工工艺流程图6 .施工方法及工艺要求6. 1钢板桩围堰平面图

3、(见图6.1-1)钢板桩木楔图6.1-1矩形钢板桩围堰图6.2施工材料根据各桥墩位处的水平资料,可分别采用6m、9m、12m长拉森IVb型钢板桩。6.3施工方法钢板桩围堰施工之前,应对打桩设备(起吊设备、振动下沉设备等)进行全面检查,确保施工所需设备运转良好。钢板桩运至工地后,应进行检查、分类、编号及登记。进行锁口、顺直度、扭曲、破损等项目检查。锁口检查可用一块长L52m符合类型、规格的钢板桩作标准桩,将所有同类型的钢板桩用卷扬机或者绞车拉动标准桩作锁口通过检查。卷扬机或者绞车的牵引力不大于5kN,或者以23人能拉动通过为宜。钢板桩、钢管桩围堰采用振动下沉方式施工,用60KW振动锤、2台汽车吊

4、(或者履带吊)作为施工主要机械设备。施工时,一台吊车吊起钢板桩喂料,另一台吊车吊起振动锤夹持钢板桩上端振动下沉。钢板桩上挂置拉绳,喂料吊车吊起钢板桩后,人工拉绳和扶桩对位,阴阳扣对位后吊车慢慢下落吊勾,钢板桩依靠自重下插卡入以打钢板桩,靠自重不能继续下沉后,悬挂振动锤吊车转臂至待振钢板桩处,人工拉绳摆动振动锤夹持钢板桩上端振动下沉,直至到设计标高。施工示意图如下:悬索型桩架1一履带吊车;2振动锤;3一钢板桩钢板桩采用逐块插打,自上游开始,在下游合拢,每边由一角插至另一角。6. 4钢板桩围堰施工机具(1) 60KW震动锤(2) 25t汽车吊或者履带吊2台(3) 12-15m长臂挖掘机1台(4)抽

5、水机68台(7) 板桩施工注意事项(1)钢板桩进场时必须严格做锁口通过检查,检查使用绞车或者卷扬机拉动钢板桩平车,从桩头至桩尾进行。(2)凡钢板桩有弯曲、破损、锁口不合的均应整修,按具体情况分别用冷弯、热敲、焊补、钾补、割除或者接长,整修必须符合相关技术标准。(3)钢板桩插打前,在钢板桩锁口内应涂黄油锯木灰混合物,以有效堵漏。(4)插打钢板桩时要严格控制好桩的垂直度,特别是第一根桩要从两个相互垂直方向同时控制,确保垂直不偏。插打一块或者几块桩稳定后即与导框联系,如与内外导框之间有间隙,应用桑、槐等硬木塞紧。(5)钢板桩的合拢位置应选择在下游一侧中间位置,以便于合拢口的防水堵漏工作顺利开展。(6

6、)钢板桩插打完毕抽水清基时应根据施工技术交底,及时加设内支撑,保证整个钢板桩体系稳定符合设计要求,保证施工安全。(7)对于钢板桩成桩以后的渗漏水,区分情况,分别对待。如果漏水较小,采用沿钢板桩接缝位置撒下粉细砂夹锯末等,使其依靠水压吸入缝中达到止水目的。若漏水较大,则采取填塞棉絮等办法来达到止水目的。(8)施打钢板桩时,应随时检查其位置是否正确,桩身是否垂直,不符合要求时,应即将纠正或者拔出重新施打。(9)钢板桩吊起后,人工扶持并插入前一块钢板桩的锁口后,若下插艰难,应采取以下措施:将桩吊起插入锁口后,快速放松吊桩绳借桩身自重急速下插。用锤压桩下插,必要时可加以低锤慢打。用倒链或者滑车组固定于

7、已插好的桩上进行绞拉。(8) 板桩的拔除及整理在拔除钢板桩之前,在采取预加固的情况下,可将水下内支撑拆除。拔桩设备使用25t汽车吊以及自带夹具的振动锤进行,如遇或者预计阻力较大,可采取减少拔桩阻力措施:(1)在打入钢板桩前,将钢板桩与水下碎的接触范围内打磨光滑;(2)稍加锤击使钢板桩与水下砂脱离粘结;(3)先拆除外导框,向围堰内注水,使堰内水位高出堰外r1. 5m,利用堰内水压力抵消堰外挤压力使桩壁与水下砂脱离。(4)对于变形较大、难以拔出的桩,利用人工沿河床底进行水下切割。(5)拔出的钢板桩应清刷干净、修补整理、涂刷防锈油。在运输堆放时,不使碰撞,防止弯曲变形,堆放场地应坚实平整,堆放时应按

8、板桩类型、长度分别编号、登记、堆放整齐。9.施工安全措施(1)教育干部、工人要坚固树立“安全第一”的思想。工程开工前,要针对不同工种、不同作业内容制订安全措施。安全措施、机械操作规程要挂牌到工地、机房,使干部和职工自觉遵章守纪。(2)架子队设安全检查员1名,工班设安全监督员1名,安全生产要列入队领导议事日程。每月随生产计划向工班下达安全措施,每周一为安全生产日,每天上班前进行安全讲话,进行安全教育,检查安全情况,制(3)加强对施工操作人员的安全教育,教育内容为安全生产的规程、规定,以及以往发生事故的案例。教育的重点项目是高空作业、机械运转、水上水下作业、用电管理等,使大家熟悉施工生产、熟练操作

9、、具有预防事故发生的能力。(4)定期或者不定期地对施工现场、机械设备、施工人员进行安全检查。施工过程中要坚持“三检制”(自检、互检、交接检)。发现问题及时采取处理措施。每次检查的重点是反违章、除隐患。(5)严禁双层作业。无法避免时,应上下交替施工,并没专人进行防护。上层不住手时,下层不许进入现场;下层人员没有彻底撤出时,上层不许施工,以确保人身安全。(6)主要机具、电器运输设备等定机定人,严格执行交接班制度。起吊设备起吊时,严禁起吊超过规定分量的物件,不得用来运送人员。起重吊装用的钢丝绳,时常进行检查,发现破损,及时更新。(7)施工场内作业人员,必须戴安全帽,高空作业人员必须系安全绳。(8)严把材料进场关,把不合格材料包括暂时辅助用料坚决杜绝在工地之外。

展开阅读全文
相关资源
猜你喜欢
相关搜索

当前位置:首页 > 建筑/环境 > 设计及方案

copyright@ 2008-2023 1wenmi网站版权所有

经营许可证编号:宁ICP备2022001189号-1

本站为文档C2C交易模式,即用户上传的文档直接被用户下载,本站只是中间服务平台,本站所有文档下载所得的收益归上传人(含作者)所有。第壹文秘仅提供信息存储空间,仅对用户上传内容的表现方式做保护处理,对上载内容本身不做任何修改或编辑。若文档所含内容侵犯了您的版权或隐私,请立即通知第壹文秘网,我们立即给予删除!