传感器应用技术实操练习17 :压电式传感器测振动.docx

上传人:p** 文档编号:379641 上传时间:2023-08-06 格式:DOCX 页数:5 大小:147.28KB
下载 相关 举报
传感器应用技术实操练习17 :压电式传感器测振动.docx_第1页
第1页 / 共5页
传感器应用技术实操练习17 :压电式传感器测振动.docx_第2页
第2页 / 共5页
传感器应用技术实操练习17 :压电式传感器测振动.docx_第3页
第3页 / 共5页
传感器应用技术实操练习17 :压电式传感器测振动.docx_第4页
第4页 / 共5页
传感器应用技术实操练习17 :压电式传感器测振动.docx_第5页
第5页 / 共5页
亲,该文档总共5页,全部预览完了,如果喜欢就下载吧!
资源描述

《传感器应用技术实操练习17 :压电式传感器测振动.docx》由会员分享,可在线阅读,更多相关《传感器应用技术实操练习17 :压电式传感器测振动.docx(5页珍藏版)》请在第壹文秘上搜索。

1、实操练习17:压电式传感器测振动一、测试目的:了解压电传感器的原理和测量振动的方法。二、基本原理:压电式传感器是一和典型的发电型传感器,其传感元件是压电材料,它以压电材料的压电效应为转换机理实现力到电量的转换。压电式传感器可以对各种动态力、机械冲击和振动进行测量,在声学、医学、力学、导航方面都得到广泛的应用。1、压电效应:具有压电效应的材料称为压电材料,常见的压电材料有两类压电单晶体,如石英、酒石酸钾钠等;人工多晶体压电陶瓷,如钛酸钢、错钛酸铅等。压电材料受到外力作用时,在发生变形的同时内部产生极化现象,它表面会产生符号相反的电荷。当外力去掉时,又重新回复到原不带电状态,当作用力的方向改变后电

2、荷的极性也随之改变,如图17-1(a)、(b)、(C)所示。这种现象称为压电效应。图171压电效应2、压电晶片及其等效电路多晶体压电陶瓷的灵敏度比压电单晶体要高很多,压电传感器的压电元件是在两个工作面上蒸镀有金属膜的压电晶片,金属膜构成两个电极,如图172(a)所示。当压电晶片受到力的作用时,便有电荷聚集在两极上,一面为正电荷,一面为等量的负电荷。这种情况和电容器十分相似,所不同的是晶片表面上的电荷会随着时间的推移逐渐漏掉,因为压电晶片材料的绝缘电阻(也称漏电阻)虽然很大,但毕竟不是无穷大,从信号变换角度来看,压电元件相当于一个电荷发生器。从结构上看,它又是一个电容器。因此通常将压电元件等效为

3、一个电荷源与电容相并联的电路如17-2(b)所示。其中a=QCao式中,Ca为压电晶片受力后所呈现的电压,也称为极板上的开路电压;Q为压电晶片表面上的电荷;Ca为压电晶片的电容。实际的压电传感器中,往往用两片或两片以上的压电晶片进行并联或串联。压电晶片并联时如图172(C)所示,两晶片正极集中在中间极板上,负电极在两侧的电极上,因而电容量大,输出电荷量大,时间常数大,宜于测量缓变信号并以电荷量作为输出。压电式加速度传感器(d)图17-2压电晶片及等效电路压电传感器的输出,理论上应当是压电晶片表面上的电荷Q。根据图172(b河知测试中也可取等效电容Ca上的电压值,作为压电传感器的输出。因此,压电

4、式传感器就有电荷和电压两种输出形式。3、压电式加速度传感器图17-2(d)是压电式加速度传感器的结构图。图中,M是惯性质量块,K是压电晶片。压电式加速度传感器实质上是一个惯性力传感器。在压电晶片K上,放有质量块M。当壳体随被测振动体一起振动时,作用在压电晶体上的力尸=M当质量M一定时,压电晶体上产生的电荷与加速度。成正比。4、压电式加速度传感器和放大器等效电路压电传感器的输出信号很弱小,必须进行放大,压电传感器所配接的放大器有两种结构形式:一种是带电阻反馈的电压放大器,其输出电压与输入电压(即传感器的输出电压)成正比;另一种是带电容反馈的电荷放大器,其输出电压与输入电荷量成正比。电压放大器测量

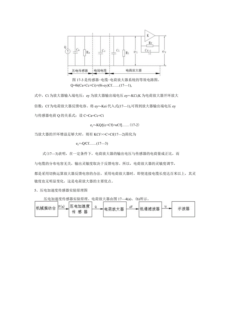
5、系统的输出电压对电缆电容CC敏感。当电缆长度变化时,G就变化,使得放大器输入电压6变化,系统的电压灵敏度也将发生变化,这就增加了测量的困难。电荷放大器则克服了上述电压放大器的缺点。它是一个高增益带电容反馈的运算放大器。当略去传感器的漏电阻Ra和电荷放大器的输入电阻Ri影响时,有图17-3是传感器-电缆-电荷放大器系统的等效电路图。Q=i(Ca+Cc+Ci)+(i-ey)Cf(171),式中,Ci为放大器输入端电压:ey为放大器输出端电压ey=-KCi;K为电荷放大器开环放大倍数;Cf为电荷放大器反馈电容。将ey=-Kei代入式(171),可得到放大器输出端电压ey与传感器电荷Q的关系式:设C=

6、Ca+Cc+Ciey=-KQ(c+Cf)+Cf(17-2)当放大器的开环增益足够大时,则有KCfC+Cf(172)简化为ey=-QCf(173)式(173)表明,在一定条件下,电荷放大器的输出电压与传感器的电荷量成正比,而与电缆的分布电容无关,输出灵敏度取决于反馈电容。所以,电荷放大器的灵敏度调节,都是采用切换运算放大器反馈电容的办法。采用电荷放大器时,即使连接电缆长度达百米以上,其灵敏度也无明显变化,这是电荷放大器的主要优点。5、压电加速度传感器实验原理图压电加速度传感器实验原理、电荷放大器由图174(a)、(b)所示。三、需用器件与单元:主机箱15V直流稳压电源、低频振荡器;压电传感器、压

7、电传感器实验模板、移相器/相敏检波器/漉波器模板;振动源、双踪示波器。四、测试步骤:1、按图175所示将压电传感器安装在振动台面上(与振动台面中心的磁钢吸合),振动源的低频输入接主机箱中的低频振荡器,其它连线按图示意接线。直流稳压电源幅度压电引线振动台应变片压电传松花AC DC源珞动其它传期翘安奘支架I IHz 2 30M主机箱低频输入应变临出相敏检波器O压 决O低通滤波器接 示 波图17-5压电传感器振动实验安装、接线示意图2、将主机箱上的低频振荡器幅度旋钮逆时针转到底(低频输出幅度为零),调节低频振荡器的频率在68Hz左右。检查接线无误后合上主机箱电源开关。再调节低频振荡器的幅度使振动台明显振动(如振动不明显可调频率)。3、用示波器的两个通道正确选择双踪示波器的“触发”方式及其它(TIME/DIV:在50mS20S范围内选择;V0LTS/D1V:0.5V50mV范围内选择)设置同时观察低通漉波器输入端和输出端波形;在振动台正常振动时用手指敲击振动台同时观察输出波形变化。4、改变低频振荡器的频率(调节主机箱低频振荡器的频率),观察输出波形变化。实验完毕,关闭电源。

展开阅读全文
相关资源
猜你喜欢
相关搜索

当前位置:首页 > 论文 > 自然科学论文

copyright@ 2008-2023 1wenmi网站版权所有

经营许可证编号:宁ICP备2022001189号-1

本站为文档C2C交易模式,即用户上传的文档直接被用户下载,本站只是中间服务平台,本站所有文档下载所得的收益归上传人(含作者)所有。第壹文秘仅提供信息存储空间,仅对用户上传内容的表现方式做保护处理,对上载内容本身不做任何修改或编辑。若文档所含内容侵犯了您的版权或隐私,请立即通知第壹文秘网,我们立即给予删除!