运行及维护须由专业技术人员操作操作前必须仔细阅读产品使用说明书!!!高频开关电源说明书材料.docx

上传人:p** 文档编号:385430 上传时间:2023-08-06 格式:DOCX 页数:6 大小:54.06KB
下载 相关 举报
运行及维护须由专业技术人员操作操作前必须仔细阅读产品使用说明书!!!高频开关电源说明书材料.docx_第1页
第1页 / 共6页
运行及维护须由专业技术人员操作操作前必须仔细阅读产品使用说明书!!!高频开关电源说明书材料.docx_第2页
第2页 / 共6页
运行及维护须由专业技术人员操作操作前必须仔细阅读产品使用说明书!!!高频开关电源说明书材料.docx_第3页
第3页 / 共6页
运行及维护须由专业技术人员操作操作前必须仔细阅读产品使用说明书!!!高频开关电源说明书材料.docx_第4页
第4页 / 共6页
运行及维护须由专业技术人员操作操作前必须仔细阅读产品使用说明书!!!高频开关电源说明书材料.docx_第5页
第5页 / 共6页
运行及维护须由专业技术人员操作操作前必须仔细阅读产品使用说明书!!!高频开关电源说明书材料.docx_第6页
第6页 / 共6页
亲,该文档总共6页,全部预览完了,如果喜欢就下载吧!
资源描述

《运行及维护须由专业技术人员操作操作前必须仔细阅读产品使用说明书!!!高频开关电源说明书材料.docx》由会员分享,可在线阅读,更多相关《运行及维护须由专业技术人员操作操作前必须仔细阅读产品使用说明书!!!高频开关电源说明书材料.docx(6页珍藏版)》请在第壹文秘上搜索。

1、运行及维护须由专业技术人员操作,操作前必须仔细阅读产品使用说明书!高频开关电源说明书材料:目录一、 概述21、 高频开关电源正常的使用条件22、 注意事项2二、 高频开关电源使用说明书351、 高频开关电源的工作原理方框图22、 高频开关电源的技术指标33、 普通风冷高频开关电源的安装操作步骤54、 远程控制箱操作界面及调试操作步骤5三、售后服务网封底一、 概述尊敬的客户:感谢您信赖本公司的电源产品!本公司一直以推行性价比高的产品为宗旨。公司在延长产品寿命、增强产品的环境适应性、降低故障率等方面取得了卓越的成绩。本公司以客户的利益为前提,以客户的成功为荣耀,以创造双赢价值为公司主导方向,不断创

2、新。本公司是一家专业产销大功率高频开关电源的公司。为了您更好地使用电源的产品,请仔细地阅读以下内容。1、 高频开关电源正常使用条件条件类型正常使用条件使用环境环境温度40eC环境湿度空气相对湿度才90%海拔高度1500米输入电源单相电源输入220V(允许误差范围-10%15),5060Hz三相电源输入380V(允许误差范围-25%12%),5060Hz设备运行温度-30C40C其它要求运行地点无导电爆炸尘埃,无腐蚀金属和破坏绝缘的气体及蒸汽。2、注意事项1) 厂房应设有防雷击设施;设备外壳可靠接地。2) 风冷电源定期清理通风散热系统灰尘,水冷电源注意保证水质。3) 注意接线牢固。4) 设备具有

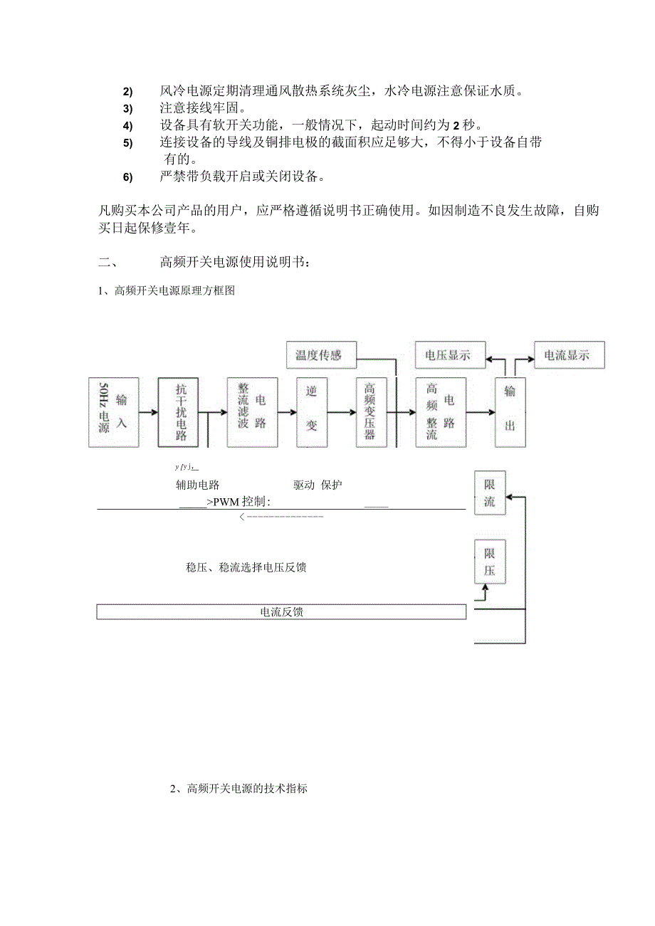
3、软开关功能,一般情况下,起动时间约为2秒。5) 连接设备的导线及铜排电极的截面积应足够大,不得小于设备自带有的。6) 严禁带负载开启或关闭设备。凡购买本公司产品的用户,应严格遵循说明书正确使用。如因制造不良发生故障,自购买日起保修壹年。二、 高频开关电源使用说明书:1、高频开关电源原理方框图y yj,辅助电路驱动 保护PWM控制:稳压、稳流选择电压反馈电流反馈2、高频开关电源的技术指标条件类型正常使用特点输入电源(请参照机器输出规格表)输入电压AC380VAC220V,5060Hz输入电流输入电源为三相时:I=(输出(电压X电流)0.9660输入电源为单相时:I=(输出(电压X电流)0.922

4、0额定输出(请参照机器输出规格表)客户要求的输出电压电流控制精度1%保护形式缺相,输入电源过压、欠压,输出过流,过热保护调节方式Pwm控制输出频率35KHz(5KHz)限流值1.05IeLIIe(Ie为额定电流值)限压值LlVe1.2Ve(Ve为额定电流值)输出波形i脉动型或平滑型电源结构电路结构全桥、半桥控制接口远程操作箱、PLC接口,845通讯接口(订货时请说明)3、普通风冷式高频开关电源安装调试步骤安装操作步骤如下(以1500A/6V风冷高频开关电源为例)1、 首先检查以下条件:机器总电源开关处于“关”状态,远程控制箱上的启动开关打至“关”,“输出调节”逆时针调至最小,选择所需要的“稳压

5、/稳流”功能。2、 连接好输出铜排,注意正负极性。水冷电源接好输入输出水道,将供水开关打开。3、 将电源线接好,把电源总开关打至“开”状态。4、 检查机器上的风机风向是否为机箱上标识方向;若不是,请调换三相电源的顺序。(水冷电源无此选项)5、 将远程控制箱上的启动开关打至“开”;选择所需要的“稳压/稳流”功能。6、 将远程控制箱上的“输出调节”或UI调节慢慢地顺时针调节。7、 读取电压、电流值,远程控制箱上的电压表和电流表上可以读取连续变化的数值,直至所需的电压或电流值。8、 关机时请按以下顺序操作:先将远程控制箱上的“输出调节”或UI调节逆时针调至最小,再把上面的的启动开关打至“关”,最后把

6、电源总开关打至“关二4、远程控制箱的操作界面及调试操作,普通控制箱请将时间和复位功能忽略。以时间继电器分类数显表系列调试操作模拟表系列调试操作一段时间表箱1、前两步的操作同上。2、机器正常工作前请先将时间设置好。3、可以根据客户的需要选择“自动/手动”功能。当选择“手动”时间继电器不工作。4、当选择“自动”时,时间继电器的时间设置范围是0-99.99小时;时间继电器上“H”代表小时,代表分钟,S*代表秒数。5、在设定的工作时间内,可通过“UI调节”调节至所需的电压、电流。6、时间继电器完成所设置的工作时间段后,机器会停止工作,只要按下复位开关可重复工作。7、“稳压/稳流”功能的选择与关机器的顺

7、序与“普通表箱”的操作步骤一样。操作同左O0OO.J?HM6(99?回复位开关叵5、常见故障巾也明及处理故障检查处理方法开机电源指示灯不亮,风机不转。电源是否接好,开关是否闭合,三相电源是否缺相。接好电源,闭合开关。工作指示灯亮,其它指示灯灭,风机正常运转,不能工作。开机操作是否正确。按正确操作顺序重新启动。工作过程中,有输出电压,没有输出电流,各指示灯正常。检查电源输出端与主负载端连接是否牢固。重新连接工作过程中,突然没有电压电流,工作指示亮,电源故障指示灯灭,过流故障指示灯亮。1 .工作电流过载2 .输出正、负极短路3 .检查风机是否正常工作4 .检查高频整流元件有无损坏1 .重新开机,调

8、小工作电流2 .排除正负极间隔的短路,然后重新开机3 .排除风机故障,清扫通风系统4 .更换同型号元件工作过程中没有电压、电流,工作指示灯亮,过流故障指示灯灭,电源故障指示灯亮。1.检查三相电源的电压是否在250V430V范围内。2.检查三相电源是否有缺相现象,是否空气开关缺相。1.将电压限至250V-430V范围内。2.如果开关缺相,请更换开关。工作过程中没有电压、电流,工作指示灯灭。1 .检查远控箱连线有无松动、断线2 .检查远控箱上的开关是否损坏1.连接好断线2.更换远控箱了的小开关4、远程控制箱的操作界面及调试操作,普通控制箱请将时间和复位功能忽略。以时间继电器分类数显表系列调试操作模

9、拟表系列调试操作一段时间表箱8、前两步的操作同上。9、机器正常工作前请先将时间设置好。10、 可以根据客户的需要选择“自动/手动”功能。当选择“手动”时间维电器不工作。11、 当选择“自动”时,时间继电器的时间设置范围是099.99小时;时间继电器上“H”代表小时,代表分钟,“S”代表秒数。12、 在设定的工作时间内,可通过“UI调节”调节至所需的电压、电流。13、 时间继电器完成所设置的工作时间段后,机器会停止工作,只要按下复位开关可重复工作。14、 “稳压/稳流”功能的选择与关机器的顺序与“普通表箱”的操作步骤一样。操作同左OO。O0,StRKM6Q位开火回Ii位开关回5、常见故障出总明及

10、处理故障检查处理方法开机电源指示灯不亮,风机不转。电源是否接好,开关是否闭合,三相电源是否缺相。接好电源,闭合开关。工作指示灯亮,其它指示灯灭,风机正常运转,不能工作。开机操作是否正确。按正确操作顺序重新启动。工作过程中,有输出电压,没有输出电流,各指示灯正常。检查电源输出端与主负载端连接是否牢固。重新连接工作过程中,突然没有电压电流,工作指示亮,电源故障指示灯灭,过流故障指示灯亮。1 .工作电流过载2 .输出正、负极短路3 .检查风机是否正常工作4 .检查高频整流元件有无损坏1 .重新开机,调小工作电流2 .排除正负极间隔的短路,然后重新开机3 .排除风机故障,清扫通风系统4 .更换同型号元

11、件工作过程中没有电压、电流,工作指示灯亮,过流故障指示灯灭,电源故障指示灯亮。1 .检查三相电源的电压是否在250V430V范围内。2 .检查三相电源是否有缺相现象,是否空气开关缺相。1.将电压限至250V-430V范围内。2.如果开关缺相,请更换开关。工作过程中没有电压、电流,工作指示灯灭。1 .检查远控箱连线有无松动、断线2 .检查远控箱上的开关是否损坏1 .连接好断线2 .更换远控箱了的小开关随着电镀技术的不断提升与发展,永恒成电源设备有限公司生产的表面处理电源以不断提高的产品稳定性及与电化学的完美结合,为您打造高品质电镀工件奠定坚实的基础,在激烈的竞争中脱颖而出;永恒电源在电镀行业上的技术可靠性及生产效率,处于同行业中领先水平。永恒电源,是绿色表面处理电源的专业供应商;是清洁环保节能生产的必备设备.销售部地址:工业区8栋90号生产厂址:深圳市宝安区沙井街道沙四东宝工业区E栋全国免费服务电话:4008075525公司电话:传真:技术支持:15814472696刘生邮箱:

展开阅读全文
相关资源
猜你喜欢
相关搜索

当前位置:首页 > IT计算机 > 计算机原理

copyright@ 2008-2023 1wenmi网站版权所有

经营许可证编号:宁ICP备2022001189号-1

本站为文档C2C交易模式,即用户上传的文档直接被用户下载,本站只是中间服务平台,本站所有文档下载所得的收益归上传人(含作者)所有。第壹文秘仅提供信息存储空间,仅对用户上传内容的表现方式做保护处理,对上载内容本身不做任何修改或编辑。若文档所含内容侵犯了您的版权或隐私,请立即通知第壹文秘网,我们立即给予删除!