Ⅱ、Ⅲ级围岩技术交底书.docx

上传人:p** 文档编号:389090 上传时间:2023-08-06 格式:DOCX 页数:8 大小:70.16KB
下载 相关 举报
Ⅱ、Ⅲ级围岩技术交底书.docx_第1页
第1页 / 共8页
Ⅱ、Ⅲ级围岩技术交底书.docx_第2页
第2页 / 共8页
Ⅱ、Ⅲ级围岩技术交底书.docx_第3页
第3页 / 共8页
Ⅱ、Ⅲ级围岩技术交底书.docx_第4页
第4页 / 共8页
Ⅱ、Ⅲ级围岩技术交底书.docx_第5页
第5页 / 共8页
Ⅱ、Ⅲ级围岩技术交底书.docx_第6页
第6页 / 共8页
Ⅱ、Ⅲ级围岩技术交底书.docx_第7页
第7页 / 共8页
Ⅱ、Ⅲ级围岩技术交底书.docx_第8页
第8页 / 共8页
亲,该文档总共8页,全部预览完了,如果喜欢就下载吧!
资源描述

《Ⅱ、Ⅲ级围岩技术交底书.docx》由会员分享,可在线阅读,更多相关《Ⅱ、Ⅲ级围岩技术交底书.docx(8页珍藏版)》请在第壹文秘上搜索。

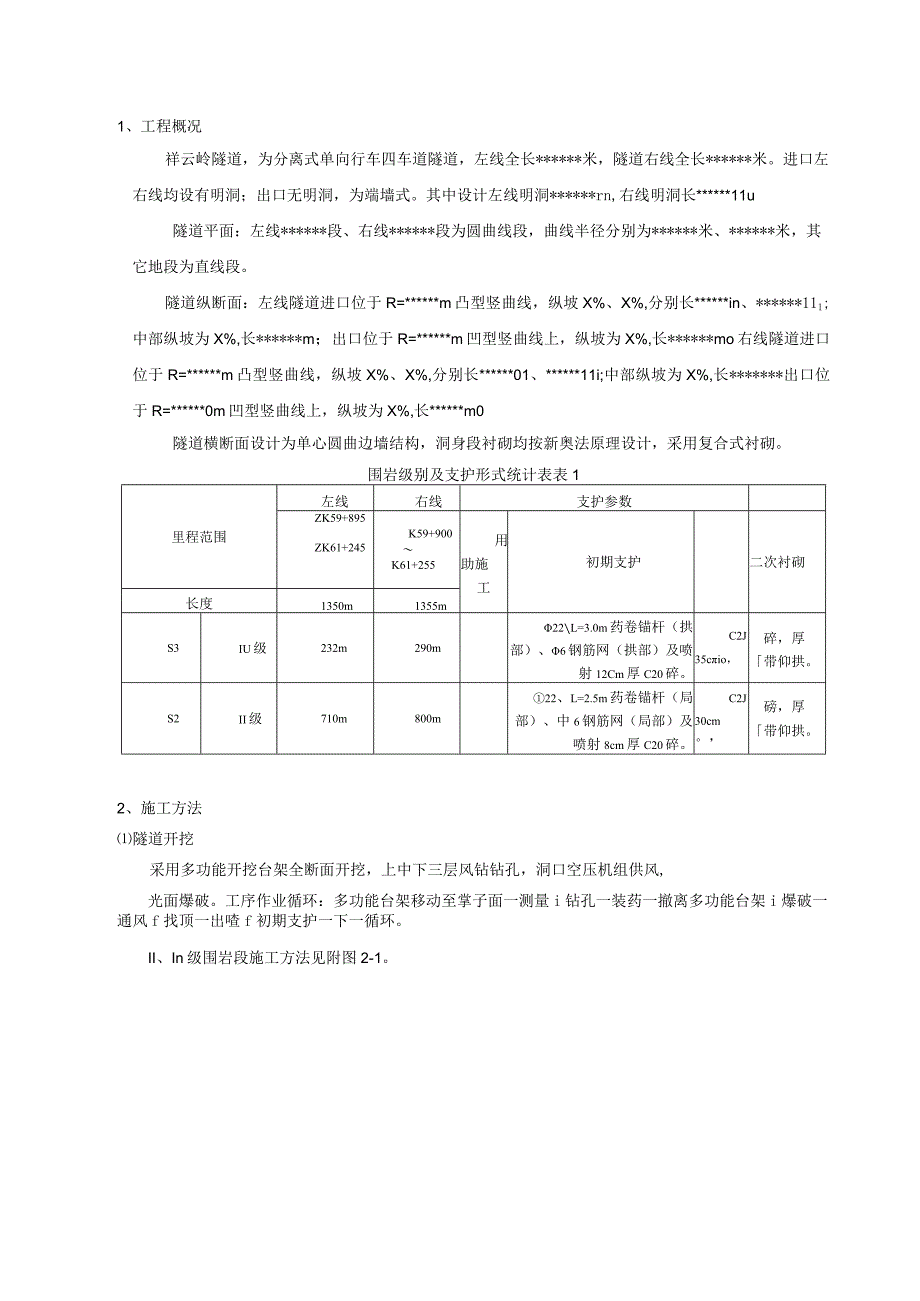
1、II、11I级围岩技术交底书编号:隧技交044*隧道工程分部(分项)工程开挖及初期支护施工II、In级围岩图纸名称(图号)交底内容及附图1、工程概况祥云岭隧道,为分离式单向行车四车道隧道,左线全长*米,隧道右线全长*米。进口左右线均设有明洞;出口无明洞,为端墙式。其中设计左线明洞*rn,右线明洞长*11u隧道平面:左线*段、右线*段为圆曲线段,曲线半径分别为*米、*米,其它地段为直线段。隧道纵断面:左线隧道进口位于R=*m凸型竖曲线,纵坡X%、X%,分别长*in、*111;中部纵坡为X%,长*m;出口位于R=*m凹型竖曲线上,纵坡为X%,长*mo右线隧道进口位于R=*m凸型竖曲线,纵坡X%、X

2、%,分别长*01、*11i;中部纵坡为X%,长*出口位于R=*0m凹型竖曲线上,纵坡为X%,长*m0隧道横断面设计为单心圆曲边墙结构,洞身段衬砌均按新奥法原理设计,采用复合式衬砌。围岩级别及支护形式统计表表1里程范围左线右线支护参数ZK59+895ZK61+245K59+900K61+255用助施工初期支护二次衬砌长度1350m1355mS3IU级232m290m22L=3.0m药卷锚杆(拱部)、6钢筋网(拱部)及喷射12Cm厚C20碎。C2J35cio,碎,厚带仰拱。S2II级710m800m22、L=2.5m药卷锚杆(局部)、中6钢筋网(局部)及喷射8cm厚C20碎。C2J30cm。,磅,

3、厚带仰拱。2、施工方法隧道开挖采用多功能开挖台架全断面开挖,上中下三层风钻钻孔,洞口空压机组供风,光面爆破。工序作业循环:多功能台架移动至掌子面一测量i钻孔一装药一撤离多功能台架i爆破一通风f找顶一出喳f初期支护一下一循环。II、In级围岩段施工方法见附图2-1。A、爆破设计类型根据本隧道的地质特性和设计要求,爆破设计采用光面爆破。B、火工器材的选择炸药:2号岩石硝铉炸药(规格:32mm)。雷管:带塑料导爆管脚线的115段非电亳秒雷管。C、掏槽型式和堵孔开挖掏槽型式采用直眼掏槽,为确保循环进尺,掏槽眼和底板眼超深于掘进眼1020cmO利用炮泥堵塞炮眼,炮眼堵塞长度不小于20cm。D、爆破布置见

4、示意图I-T剖面 掏梢孔详图()E、装药结构周边眼采用空气柱间隔不偶合装药型式,借助传爆线实现空气间隔装药。F、爆破要求炮眼利用率在90%以上,光爆的半壁炮眼留痕率在80%以上,平均线性超挖不大于IOem,最大不超过15cm,相邻两循环炮眼衔接台阶不大于IOcmo超欠挖控制标准按设计要求采取光面爆破、提高钻眼精度、控制药量,提高作业人员技术水平,将超挖控制在允许范围内。不同围岩地质条件下的允许超挖值规定见下表3-1。允许超挖值(单位:cm)表4-1开挖部位11N级拱部平均15;最大25边墙平均10装硝及运输隧道弃硝采用无轨运输,装硝采用反向挖掘机配合侧卸式装载机装硝;出磴采用自卸汽车运输至弃硝

5、场。初期支护施工顺序工序简要:初喷i挂钢筋网一施作锚杆f复喷喷射碎开挖完后,立即进行砂初喷,初喷厚度46cm;待锚杆施作完成后进行碎复喷,复喷厚度达到设计要求,码采用20号碎,粗骨料为0.51.0cm的碎石,细骨料为级配良好的中粗砂,在洞外用强制拌合机拌合,自卸汽车运输,混凝土喷射机喷射碎。施工通风隧道采用无轨运输,为不使内燃机车的废气向工作面聚集,采用压入式通风,选择HokW通风机,供风能力为5200072000m3h,通风管选择120Onlnl拉链式软风管。随着隧道贯通后,以自然通风为主。施工期间做到洞内有害气体含量小于规范要求。施工监控量测超前地质预报超前地质预报工作作为开挖施工的重要工

6、序之一。从超前预报中获取详实可靠的地质信息,如围岩类别、塌方掉块范围等进行信息反馈;为正确地选择施工方法、支护措施提供依据,指导施工,确保本隧道按期、安全、优质建成。本隧道超前地质预报以工程地质法为主,必要时采取钻孔测试和物探法。a、工程地质法:采用洞内地质素描;作地下、地面岩性、构造和地下水沟的相关描绘;详细连续记录隧道开挖面上的岩性特征、构造特性、水文地质特征、围岩构造和变形特征,并指导和配合其它方法进行不同距离的超前预报。b.超前钻孔测试:利用钻孔台车并适当加长钻杆,通过观测记录钻速,冲洗液及岩屑,岩粉的变化,进行分析判断,预报短距离的地质灾害问题。c.物探法:采用地震反射法、地质雷达,

7、等综合物探法,深测学子面前方50In以内的不良地质问题。监控量测本隧道监测项目a.地质及初期支护观测:定性和预测开挖面前方的地质条件是十分重要的。开挖面附近初期支护状态的观察和裂缝描述,对直接判断围岩的稳定性和初期支护的可靠性检验也是不可少的。在施工期间及时填写工作面状态记录表及围岩类别判定表。监测仪器:地质罗盘仪等。b.地表下沉监测:隧道洞口地段属浅埋段。隧道开挖后围岩难以自稳成拱,地表易沉陷,为了确保洞口浅埋段的施工安全,有必要对隧道施工引起的地表沉陷进行监测。布点原则为:在隧道上方对应地表纵向每隔一定距离(520m)布设一个测点,同时在横向布设一些主断面,以了解地表下沉的横向影响范围。监

8、测仪器为:精密水准仪,水准尺等。c.拱顶下沉及收敛监测:在施工过程中选择拱顶下沉及洞径收敛量测,通过监测数据的反馈与分析,及时调整支护参数的施工方法,做到安全、快速、优质施工。测点布置:沿隧道纵向在拱顶和边墙中布设测点,测点间距视围岩条件、埋深而定。V级围岩取5IOnbIV级围岩取1020m,InII级围岩取2050m。监测仪器:精密水准仪、水准尺、钢尺、收敛计等。d.锚杆抗拔:为检验锚杆锚固效果和锚杆强度,评价初期支护的稳定性,必须进行锚杆抗拔力检验。测点布置:每IOm或300根设一个断面,每个断面至少做3根。监测仪器:电测锚杆、锚杆拉拔仪。e.监测数据的整理与反馈施工期间,每次监测后及时根

9、据监测数据绘制拱顶下沉、水平位移等随时间及工作面距离的时态曲线,以便发现了解其变化趋势,并根据开挖面的状况,拱顶下沉、水平位移量大小和变化速率,综合判断围岩和初期支护结构的稳定性,及时反馈。f.制定管理标准监测人员应根据工程的实际情况,制定出变位等级管理标准指导施工,变位管理等级可参照变位管理等级表。Un的确定:Un的确定应考虑围岩级别、隧道埋置深度等因素并结合现场条件选择,本工程拟选择拱顶下沉与水平收敛等结构变位见表。选择好管理等级标准和允许变位值后,可根据表3-2、3-3进行信息管理。变位管理等级表表5-1管理等级管理位移施工动态IIIUI)(Un3可正常施工IIU3u.23un应采取特殊

10、措施表中:Un允许变位值,Uo实测变位值结构允许相对位移表()表52埋深围岩级别300m11、IIl0.10-0.300.20-0.500.40-1.20IV0.15-0.500.401.200.80-2.00V0.20-0.800.60-1.601.003.00表中:相对位移指实测位移值与两点间距之比或拱顶下沉实测值与隧道宽度之比。3、安全质量保证措施隧道开挖严格按照设计要求进行施工,严格控制超挖,杜绝欠挖。隧道超挖部分采用同标号喷射混凝土回填。针对不同的围岩类别,选取不同的施工开挖及支护方案,确保开挖支护安全。成立沉降观测小组,作好隧道开挖监控量测工作,特别是对浅埋段、避车道段、IV、V级

11、围岩类别段,要适当加密沉降观测点的布置,加强沉降监控工作,并及时作好信息反馈,以便及时指导施工工作。严格按配合比进行配料,施工时准确计量。喷射混凝土要求内实外光,无下垂、无空洞现象。仰拱底部中间排水沟要求按设计标高施做,保证底部排水顺畅。喷射混凝土施工过程中,按设计要求埋设环向、纵向排水管。坚持三级测量复核制。施工测量放线要反复校核,确保中线、水平及结构尺寸、位置正确。超前导管施作采用风钻钻眼,人工安装,严格按设计方向、角度进行操作,确保导管施工质量符合设计要求。导管与结构拱架要焊接,连成整体。施工过程中,注意按设计要求开挖消防等各种设备洞室。QD喷射混凝土2h后进行洒水养护,养护时间不得少于7天。施工人员必须穿戴好个人安全防护用品,全体作业人员必须戴好安全帽。全体参加施工的人员必须培训上岗,爆破工等特种作业人员执证上岗,非机电操作人员不准操作机电设备。(M)开挖爆破作业必须由专职安全员在场监督,在确保周边危险范围以内无人员、机械的情况下,方可引爆炸药。各机械设备操作必须严格按照操作规程进行施工。本交底与设计图纸配合使用,如有疑问与工程部联系。其它未尽事项,以项目经理部下发的相关文件为准。交底人姓名复核人姓名日期日期接收人姓名项目总工姓名日期日期工区接收人姓名工班接受人姓名见交底签到表日期日期参考格式,项目具体完善。

展开阅读全文
相关资源
猜你喜欢
相关搜索

当前位置:首页 > 建筑/环境 > 安全文明施工

copyright@ 2008-2023 1wenmi网站版权所有

经营许可证编号:宁ICP备2022001189号-1

本站为文档C2C交易模式,即用户上传的文档直接被用户下载,本站只是中间服务平台,本站所有文档下载所得的收益归上传人(含作者)所有。第壹文秘仅提供信息存储空间,仅对用户上传内容的表现方式做保护处理,对上载内容本身不做任何修改或编辑。若文档所含内容侵犯了您的版权或隐私,请立即通知第壹文秘网,我们立即给予删除!