双钢筋叠合板钢筋绑扎施工工艺技术交底.docx

上传人:p** 文档编号:397192 上传时间:2023-08-06 格式:DOCX 页数:4 大小:26.11KB
下载 相关 举报
双钢筋叠合板钢筋绑扎施工工艺技术交底.docx_第1页
第1页 / 共4页
双钢筋叠合板钢筋绑扎施工工艺技术交底.docx_第2页
第2页 / 共4页
双钢筋叠合板钢筋绑扎施工工艺技术交底.docx_第3页
第3页 / 共4页
双钢筋叠合板钢筋绑扎施工工艺技术交底.docx_第4页
第4页 / 共4页
亲,该文档总共4页,全部预览完了,如果喜欢就下载吧!
资源描述

《双钢筋叠合板钢筋绑扎施工工艺技术交底.docx》由会员分享,可在线阅读,更多相关《双钢筋叠合板钢筋绑扎施工工艺技术交底.docx(4页珍藏版)》请在第壹文秘上搜索。

1、工程名称交底部位工程编号日期交底内容:双钢筋叠合板钢筋绑扎1范围本工艺标准适用于多层和高层各种民用建筑叠合楼板或屋面板的钢筋绑扎。对条件适合的工业建筑亦可采用。2施工准备2.1 材料及主要机具:2.1.1 钢筋:钢筋的级别、直径必须符合设计要求,应无老锈和油污。钢筋要有出厂质量证明书及复试报告。2.1.2 1.2绑扎铁丝:2022号火烧丝。2.1.3 垫块:用水泥浆制成50mm50mm,厚度等于保护层设计厚度。2.1.4 主要机具:电焊机、钢筋扳子、钢筋钩等。2.2 作业条件:2.2.1 叠合板已吊装完毕,梁钢筋已绑扎完毕,叠合层模板已安装完毕,墙体伸出的搭接筋等已按图纸要求检查整修完毕,并将

2、其锈皮及水泥浆等污垢清理干净。以上诸项已分别办完隐检或预检手续。2.2.2 加工成型的叠合层钢筋进场,按设计要求检查其规格、型状、尺寸和数量是否正确,并按施工平面图中指定的位置,按规格、部位和编号分别加设垫木堆放。3操作工艺3.1 工艺流程:清理板面及板缝,并整理板甩出的筋一绑扎板缝筋绑扎吊环双向筋一绑扎支座负弯短筋质量检验3.2 清理叠合板面及板缝的杂物,按图纸要求整理叠合底板的甩出筋,见图4-25。图4-253.3 绑扎拼接板缝5通长筋。为用5冷拔低碳钢丝平焊成型的双钢筋,绑扎板缝配筋的级别分为IV级,按图纸设计执行,绑扎拼板缝的要求见图4-25。3.4 绑扎吊环双向筋时,沿吊环的两个方向

3、均用通长的8筋双向连接,伸入邻跨400mm,端头加180钩。与吊环直交向穿越吊环,另一向置直交筋下并与之绑扎,如图4-26(三拼为例)。图4-263.5 绑扎支座负弯矩筋,其保护层保证不大于20mm,其与架立筋每扣均绑扎,负弯矩筋下加设钢筋马凳,以保证负弯矩筋正确的空间位置。4质量标准4.1保证项目:交底部位工程名称工程编号日期1.1.1 钢筋的品种和质量必须符合设计要求和有关标准的横露检查检验方法:检查出厂质量证明书和试验报告。1.1.2 冷拔低碳钢筋的机械性能必须符合设计要求和施工规范的规定。检验方法:检查出厂质量证明书,试验报告和冷拔记录。1.1.3 钢筋的表面必须清洁,带有颗粒状或片状

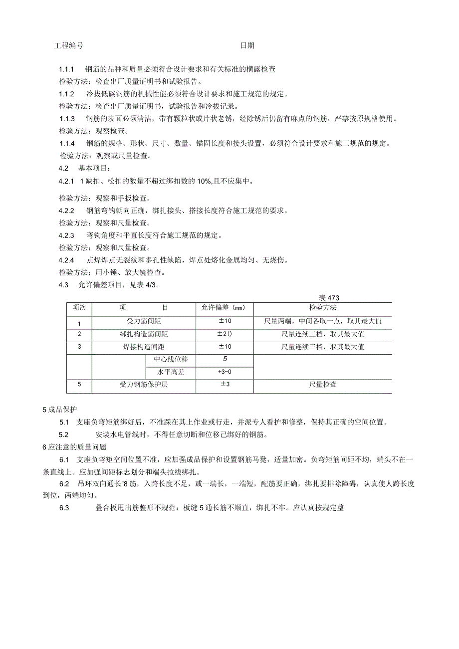
4、老锈,经除锈后仍留有麻点的钢筋,严禁按原规格使用。检验方法:观察检查。1.1.4 钢筋的规格、形状、尺寸、数量、锚固长度和接头设置,必须符合设计要求和施工规范的规定。检验方法:观察或尺量检查。4.2 基本项目:4.2.1 1缺扣、松扣的数量不超过绑扣数的10%,且不应集中。检验方法:观察和手扳检查。4.2.2 钢筋弯钩朝向正确,绑扎接头、搭接长度符合施工规范的要求。检验方法:观察和尺量检查。4.2.3 弯钩角度和平直长度符合施工规范的规定。检验方法:观察和尺量检查。4.2.4 点焊焊点无裂纹和多孔性缺陷,焊点处熔化金属均匀、无烧伤。检验方法;用小锤、放大镜检查。4.3 允许偏差项目,见表4/3

5、。表473项次项目允许偏差(mm)检验方法1受力筋间距10尺量两端,中间各取一点,取其最大值2绑扎构造筋间距2()尺量连续三档,取其最大值3焊接构造间距10尺量连续三档,取其最大值中心线位移5水平高差+3-05受力钢筋保护层3尺量检查5成品保护5.1 支座负弯矩筋绑好后,不准踩在其上作业或行走,并派专人看护和修整,保持其正确的空间位置。5.2 安装水电管线时,不得任意切断和位移己绑好的钢筋。6应注意的质量问题6.1 支座负弯矩空间位置不准,应加强成品保护和设置钢筋马凳,适量加密。负弯矩筋间距不均,端头不在一条直线上。应加强间距标志划分和端头拉线绑扎。6.2 吊环双向通长”8筋,入跨长度不足,或

6、一端长,一端短,配筋要正确,绑扎要排除障碍,认真使人跨长度到位,两端均匀。6.3 叠合板甩出筋整形不规范:板缝5通长筋不顺直,绑扎不牢。应认真按规定整工程名称交底部位工程编号日期形,坚持合理的多7质量记录本工艺标准尽7.1 钢筋质7.2 钢筋(7.3 钢筋隐7.4 钢筋分7.5 钢筋分扎顺序。Z具备以下质量记录:量合格证或试验报告单。原材、焊接)试验报告。卜佥记录。项工程技术交底。项工程质量检验评定。技术负责人:交底人:接交人:施工现场安全施工注意事项:1、施工人员进入施工现场前,必须要进行施工安全、消防知识的教育和考核工作,对考核不合格的职工,禁止进入施工现场参加施工。2、进入施工现场必须戴

7、好安全帽,系好帽带,并正确使用个人劳动防护用品.3、严格执行操作规程,不得违章指挥和违章作业,对违章作业的指令有权拒绝并有责任制止他人违章作业。4、施工作业时必须正确穿戴个人防护用品,进入施工现场必须戴安全帽。不许私自用火,严禁酒后操作。5、穿拖鞋、高跟鞋、赤脚或赤膊不准进入施工现场。6、穿硬底鞋不得进行登高作业。7、在高空、钢筋、结构上作业时,一定要穿防滑鞋.8、现场用电,一定要有专人管理,同时设专用配电箱,严禁乱接乱拉,采取用电挂牌制度,尤其杜绝违章作业,防止人身、线路,设备事故的发生。9、电钻、电锤、电焊机等电动机具用电、配电箱必须要有漏电保护装置和良好的接地保护地线,所有电动机具和线缆

8、必须定期检查,保证绝缘良好,使用电动机具时应穿绝缘鞋,戴绝缘手套。10、工地施工照明用电,必须使用36伏以下安全电压,所有电器机具在不使用时,必须随时切断电源,防止烧坏设备.11、在用喷灯、电焊机以及必要生火的地方,要填写用火申请登记和设专人看管,随带消防器材等,保证消防措施的落实。施焊时,特别注意检查下方有无易燃物,并做好相应的防护,用完后要检查,确认无火后再离开.12、未经安全教育培训合格不得上岗,非操作者严禁进入危险区域;特种作业必须持特种作业资格证上岗。13、凡2m以上的高处作业无安全设施,必须系好安全带;安全带必须先挂牢后再作业。14、高处作业材料和工具等物件不得上抛下掷.15、从事高空作业人员要定期体验。凡患有高血压、心脏病、贫血症、癫痫病以及不适于高空作业的人员,不得从事高空作业。

展开阅读全文
相关资源
猜你喜欢
相关搜索

当前位置:首页 > 建筑/环境 > 建筑材料生产技术

copyright@ 2008-2023 1wenmi网站版权所有

经营许可证编号:宁ICP备2022001189号-1

本站为文档C2C交易模式,即用户上传的文档直接被用户下载,本站只是中间服务平台,本站所有文档下载所得的收益归上传人(含作者)所有。第壹文秘仅提供信息存储空间,仅对用户上传内容的表现方式做保护处理,对上载内容本身不做任何修改或编辑。若文档所含内容侵犯了您的版权或隐私,请立即通知第壹文秘网,我们立即给予删除!