防水混凝土施工工艺技术交底.docx

上传人:p** 文档编号:399088 上传时间:2023-08-06 格式:DOCX 页数:4 大小:31.36KB
下载 相关 举报
防水混凝土施工工艺技术交底.docx_第1页
第1页 / 共4页
防水混凝土施工工艺技术交底.docx_第2页
第2页 / 共4页
防水混凝土施工工艺技术交底.docx_第3页
第3页 / 共4页
防水混凝土施工工艺技术交底.docx_第4页
第4页 / 共4页
亲,该文档总共4页,全部预览完了,如果喜欢就下载吧!
资源描述

《防水混凝土施工工艺技术交底.docx》由会员分享,可在线阅读,更多相关《防水混凝土施工工艺技术交底.docx(4页珍藏版)》请在第壹文秘上搜索。

1、工程名称交底部位工程编号日期交底内容:防水混凝土施工1范围本工艺标准适用于一般民用及工业建筑的地下室防水,推荐刚性防水做法;UEA补偿收缩混凝土刚性防水施工工艺。2施工准备2.1 材料及主要机具:2.1.1 水泥:采用425号硅酸盐水泥、普通硅酸盐水泥,或矿渣硅酸盐水泥,严禁使用过期、受潮、变质的水泥。2.1.2 砂:宜用中砂,含泥量不得大于3%。2.1.3 石:宜用卵石,最大粒径不宜大于40mm,含泥量不大于1%,吸水率不大于L5%。2.1.4 水:饮用水或天然洁净水。2.1.5 U.E.AU.E.A膨胀剂:其性能应符合行业标准混凝土膨胀剂(JC47692),其掺量应符合设计要求及有关的规定

2、,与其它外加剂混合使用时,应经试验试配后使用。2.1.6 主要机具:混凝土搅拌机、翻斗车、手推车、振捣器、溜槽、串桶、铁板、铁锹、吊斗,计算器具磅秤等。2.2 作业条件:2.2.1 钢筋、模板上道工序完成,办理隐检、预检手续。注意检查固定模板的铁丝、螺栓是否穿过混凝土墙,如必须穿过时,应采取止水措施。特别是管道或预埋件穿过处是否已做好防水处理。木模板提前浇水湿润,并将落在模板内的杂物清理干净。2.2.2 根据施工方案,做好技术交底。2.2.3 材料需经检验,由试验室试配提出混凝土配合比,试配的抗渗等级应按设计要求提高0.2MPao2.2.4 如地下水位高,地下防水工程施工期间继续做好降水,排水

3、。3操作工艺3.1工艺流程作业准备一混凝土搅拌一运输一混凝土浇筑一养护3.2混凝土搅拌:搅拌投料顺序:I石子Ifl砂If水泥fUEA膨胀剂Ifl水.投料先干拌0.5Imin再加水。水分三次加入,加水后搅拌12min(比普通混凝土搅拌时间延长0.5min)混凝土搅拌前必须严格按试验室配合比通知单操作,不得擅自修改。散装水泥、砂、石车车过磅,在雨季,砂必须每天测定含水率,调整用水量。现场搅拌坍落度控制68cm,泵送商品混凝土坍落度控制1416cm。3.3 运输:混凝土运输供应保持连续均衡,间隔不应超过L5h,夏季或运距较远可适当掺入缓凝剂,一般掺入2.5%。3%。木钙为宜。运输后如出现离析,浇筑前

4、进行二次拌合。3.4 混凝土浇筑:应连续浇筑,宜不留或少留施工缝。3.4.1 底板一般按设计要求不留施工缝或留在后浇带上。3.4.2 墙体水平施工缝留在高出底板表面不少于20Omm的墙体上,墙体如有孔洞,施工缝距孔洞边缘不宜少于300mm,施工缝形式宜用凸缝(墙厚大于30Cm)或阶梯缝、平直缝加金属止水片(墙厚小于30cm),施工缝宜做企口缝并用B.W止水条处理垂直施工缝宜与后浇带、变形工程名称交底部位工程编号日期缝相结合。1.1.3 在施工缝上浇筑混凝土前,应将混凝土表面凿毛,清除杂物,冲净并湿润,再铺一层23cm厚水泥砂浆(即原配合比去掉石子)或同-配合比的减石子混凝土,浇筑第一步其高度为

5、40cm,以后每步浇筑5060cm,严格按施工方案规定的顺序浇筑。混凝土自高处自由倾落不应大于2m,如高度超过3m,要用串桶、溜槽下落。1.1.4 应用机械振捣,以保证混凝土密实,振捣时间一般IOS为宜,不应漏振或过振,振捣延续时间应使混凝土表面浮浆,无气泡,不下沉为止。铺灰和振捣应选择对称位置开始,防止模板走动,结构断面较小,钢筋密集的部位严格按分层浇筑、分层振捣的要求操作,浇筑到最上层表面,必须用木抹找平,使表面密实平整。3.5 养护:常温(2025C)浇筑后6IOh苫盖浇水养护,要保持混凝土表面湿润,养护不少于14do3.6 冬期施工:水和砂应根据冬施方案规定加热,应保证混凝土入模温度不

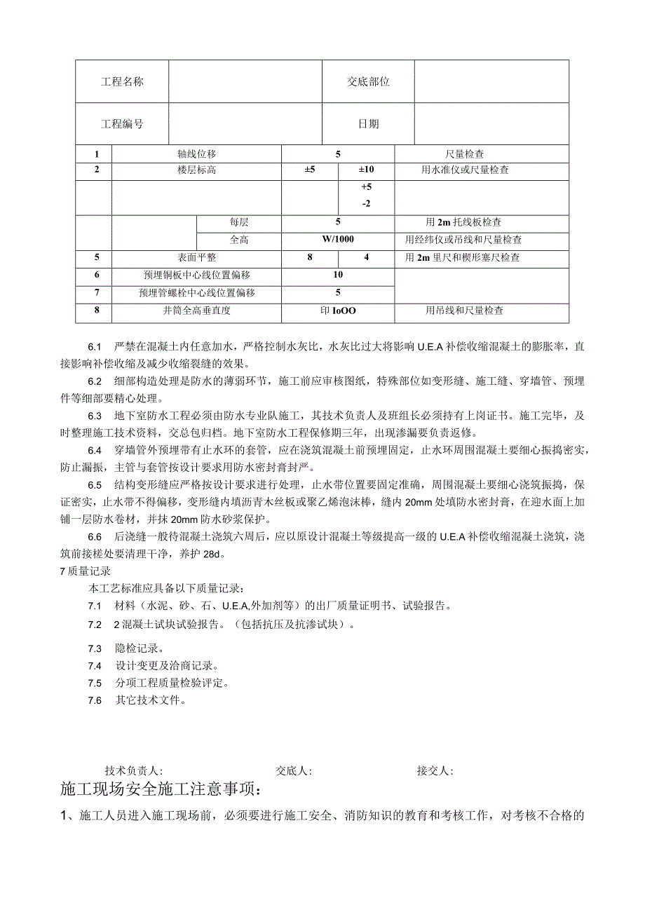
6、低于5,采用综合蓄热法保温养护,冬期施工掺入的防冻剂应选用经认证的产品。拆模时混凝土表面温度与环境温度差不大于15o4质量标准4.1 保证项目:4.1.1 防水混凝土的原材料、外加剂及预埋件必须符合设计要求和施工规范有关标准的规定,检查出厂合格证、试验报告。4.1.2 防水混凝土的抗渗等级和强度必须符合设计要求,检查配合比及试块试验报告。抗渗试块500n以下留两组,一组标养,一组同条件养护,养护期28d,每增250500加增留两组。4.1.3 施工缝、变形缝、止水片、穿墙管、支摸铁件设置与构造须符合设计要求和施工规范的规定,严禁有渗漏。4.2 基本项目:混凝土表面平整,无露筋、蜂窝等缺陷,预埋

7、件位置正确。4.3 允许偏差项目,见表31。5成品保护5.1 为保护钢筋、模板尺寸位置正确,不得踩踏钢筋,并不得碰撞、改动模板、钢筋。5.2 在拆模或吊运其它物件时,不得碰坏施工缝处企口,及止水带。5.3 保护好穿墙管、电线管、电门盒及预埋件等,振捣时勿挤偏或使预埋件挤入混凝土内。6应注意的质量问题:表37允许偏差(mm)高层框架高层大模工程名称交底部位工程编号日期1轴线位移5尺量检查2楼层标高510用水准仪或尺量检查+5-2每层5用2m托线板检查全高W/1000用经纬仪或吊线和尺量检查5表面平整84用2m里尺和楔形塞尺检查6预埋铜板中心线位置偏移107预埋管螺栓中心线位置偏移58井筒全高垂直

8、度印IoOO用吊线和尺量检查6.1 严禁在混凝土内任意加水,严格控制水灰比,水灰比过大将影响U.E.A补偿收缩混凝土的膨胀率,直接影响补偿收缩及减少收缩裂缝的效果。6.2 细部构造处理是防水的薄弱环节,施工前应审核图纸,特殊部位如变形缝、施工缝、穿墙管、预埋件等细部要精心处理。6.3 地下室防水工程必须由防水专业队施工,其技术负责人及班组长必须持有上岗证书。施工完毕,及时整理施工技术资料,交总包归档。地下室防水工程保修期三年,出现渗漏要负责返修。6.4 穿墙管外预埋带有止水环的套管,应在浇筑混凝土前预埋固定,止水环周围混凝土要细心振捣密实,防止漏振,主管与套管按设计要求用防水密封膏封严。6.5

9、 结构变形缝应严格按设计要求进行处理,止水带位置要固定准确,周围混凝土要细心浇筑振捣,保证密实,止水带不得偏移,变形缝内填沥青木丝板或聚乙烯泡沫棒,缝内20mm处填防水密封膏,在迎水面上加铺一层防水卷材,并抹20mm防水砂浆保护。6.6 后浇缝一般待混凝土浇筑六周后,应以原设计混凝土等级提高一级的U.E.A补偿收缩混凝土浇筑,浇筑前接槎处要清理干净,养护28d。7质量记录本工艺标准应具备以下质量记录:7.1 材料(水泥、砂、石、U.E.A,外加剂等)的出厂质量证明书、试验报告。7.2 2混凝土试块试验报告。(包括抗压及抗渗试块)。7.3 隐检记录。7.4 设计变更及洽商记录。7.5 分项工程质

10、量检验评定。7.6 其它技术文件。技术负责人:交底人:接交人:施工现场安全施工注意事项:1、施工人员进入施工现场前,必须要进行施工安全、消防知识的教育和考核工作,对考核不合格的职工,禁止进入施工现场参加施工。2、进入施工现场必须戴好安全帽,系好帽带,并正确使用个人劳动防护用品.3、严格执行操作规程,不得违章指挥和违章作业,对违章作业的指令有权拒绝并有责任制止他人违章作业。4、施工作业时必须正确穿戴个人防护用品,进入施工现场必须戴安全帽。不许私自用火,严禁酒后操作。5、穿拖鞋、高跟鞋、赤脚或赤膊不准进入施工现场。6、穿硬底鞋不得进行登高作业。7、在高空、钢筋、结构上作业时,一定要穿防滑鞋.8、现

11、场用电,一定要有专人管理,同时设专用配电箱,严禁乱接乱拉,采取用电挂牌制度,尤其杜绝违章作业,防止人身、线路,设备事故的发生。9、电钻、电锤、电焊机等电动机具用电、配电箱必须要有漏电保护装置和良好的接地保护地线,所有电动机具和线缆必须定期检查,保证绝缘良好,使用电动机具时应穿绝缘鞋,戴绝缘手套。10、工地施工照明用电,必须使用36伏以下安全电压,所有电器机具在不使用时,必须随时切断电源,防止烧坏设备.11、在用喷灯、电焊机以及必要生火的地方,要填写用火申请登记和设专人看管,随带消防器材等,保证消防措施的落实。施焊时,特别注意检查下方有无易燃物,并做好相应的防护,用完后要检查,确认无火后再离开.12、未经安全教育培训合格不得上岗,非操作者严禁进入危险区域;特种作业必须持特种作业资格证上岗。13、凡2m以上的高处作业无安全设施,必须系好安全带;安全带必须先挂牢后再作业。14、高处作业材料和工具等物件不得上抛下掷.15、从事高空作业人员要定期体验。凡患有高血压、心脏病、贫血症、癫痫病以及不适于高空作业的人员,不得从事高空作业。

展开阅读全文
相关资源
猜你喜欢
相关搜索

当前位置:首页 > 建筑/环境 > 防水建筑

copyright@ 2008-2023 1wenmi网站版权所有

经营许可证编号:宁ICP备2022001189号-1

本站为文档C2C交易模式,即用户上传的文档直接被用户下载,本站只是中间服务平台,本站所有文档下载所得的收益归上传人(含作者)所有。第壹文秘仅提供信息存储空间,仅对用户上传内容的表现方式做保护处理,对上载内容本身不做任何修改或编辑。若文档所含内容侵犯了您的版权或隐私,请立即通知第壹文秘网,我们立即给予删除!