建设工程第三方工程质量、安全巡查指标.docx

上传人:p** 文档编号:401980 上传时间:2023-08-07 格式:DOCX 页数:32 大小:95.91KB
下载 相关 举报
建设工程第三方工程质量、安全巡查指标.docx_第1页
第1页 / 共32页
建设工程第三方工程质量、安全巡查指标.docx_第2页
第2页 / 共32页
建设工程第三方工程质量、安全巡查指标.docx_第3页
第3页 / 共32页
建设工程第三方工程质量、安全巡查指标.docx_第4页
第4页 / 共32页
建设工程第三方工程质量、安全巡查指标.docx_第5页
第5页 / 共32页
建设工程第三方工程质量、安全巡查指标.docx_第6页
第6页 / 共32页
建设工程第三方工程质量、安全巡查指标.docx_第7页
第7页 / 共32页
建设工程第三方工程质量、安全巡查指标.docx_第8页
第8页 / 共32页
建设工程第三方工程质量、安全巡查指标.docx_第9页
第9页 / 共32页
建设工程第三方工程质量、安全巡查指标.docx_第10页
第10页 / 共32页
亲,该文档总共32页,到这儿已超出免费预览范围,如果喜欢就下载吧!
资源描述

《建设工程第三方工程质量、安全巡查指标.docx》由会员分享,可在线阅读,更多相关《建设工程第三方工程质量、安全巡查指标.docx(32页珍藏版)》请在第壹文秘上搜索。

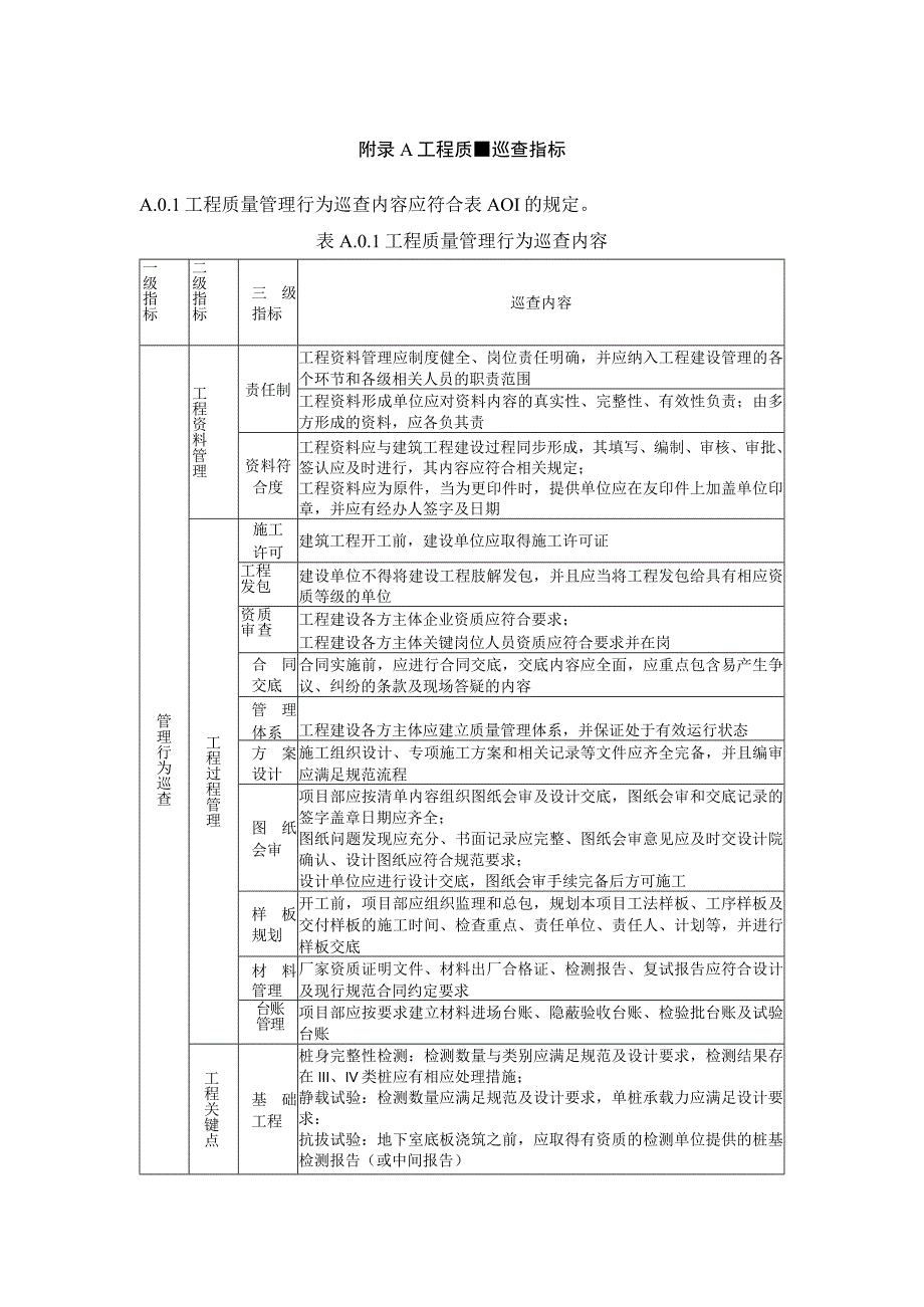
1、附录A工程质巡查指标A.0.1工程质量管理行为巡查内容应符合表AOI的规定。表A.0.1工程质量管理行为巡查内容一级指标二级指标三级指标巡查内容管理行为巡查工程资料管理责任制工程资料管理应制度健全、岗位责任明确,并应纳入工程建设管理的各个环节和各级相关人员的职责范围工程资料形成单位应对资料内容的真实性、完整性、有效性负责;由多方形成的资料,应各负其责资料符合度工程资料应与建筑工程建设过程同步形成,其填写、编制、审核、审批、签认应及时进行,其内容应符合相关规定;工程资料应为原件,当为更印件时,提供单位应在友印件上加盖单位印章,并应有经办人签字及日期工程过程管理施工许可建筑工程开工前,建设单位应取

2、得施工许可证程包工发建设单位不得将建设工程肢解发包,并且应当将工程发包给具有相应资质等级的单位质查资审工程建设各方主体企业资质应符合要求;工程建设各方主体关键岗位人员资质应符合要求并在岗合同交底合同实施前,应进行合同交底,交底内容应全面,应重点包含易产生争议、纠纷的条款及现场答疑的内容管理体系工程建设各方主体应建立质量管理体系,并保证处于有效运行状态方案设计施工组织设计、专项施工方案和相关记录等文件应齐全完备,并且编审应满足规范流程图纸会审项目部应按清单内容组织图纸会审及设计交底,图纸会审和交底记录的签字盖章日期应齐全;图纸问题发现应充分、书面记录应完整、图纸会审意见应及时交设计院确认、设计图

3、纸应符合规范要求;设计单位应进行设计交底,图纸会审手续完备后方可施工样板规划开工前,项目部应组织监理和总包,规划本项目工法样板、工序样板及交付样板的施工时间、检查重点、责任单位、责任人、计划等,并进行样板交底材料管理厂家资质证明文件、材料出厂合格证、检测报告、复试报告应符合设计及现行规范合同约定要求账理台管项目部应按要求建立材料进场台账、隐蔽验收台账、检验批台账及试验台账工程关键点基础工程桩身完整性检测:检测数量与类别应满足规范及设计要求,检测结果存在III、IV类桩应有相应处理措施;静载试验:检测数量应满足规范及设计要求,单桩承载力应满足设计要求:抗拔试验:地下室底板浇筑之前,应取得有资质的

4、检测单位提供的桩基检测报告(或中间报告)后浇带止水措施施工质量、模板支设、隐蔽前钢筋绑扎及剔凿质量陷蔽验收记录应齐全,降蔽工程验收记录应附影像资料,且影像资料能反映质量情况浇凝结工里现混土构移险浇筑(地下室及地上主体)前隐蔽验收记录应齐全,隐蔽工程验收记录应附影像资料,且影像资料能反映质量情况施工单位应对现场满足龄期要求的结构混凝土强度进行自测并记录钢筋工程重大部位钢筋工程(钢筋连接、钢筋规格、型号、数量,钢筋间距、保护层厚度,预留预埋及定位)隐蔽验收记录应齐全,隐蔽工程验收记录应附影像资料,且影像资料能反映质量情况砌筑工程砌筑节点隐蔽验收记录应齐全,隐蔽工程验收记录应附影像资料,且影像资料能

5、反映质量情况配混土构程装式凝结工装配式工程重大质量问题的处理方案和验收记录,预制构件安装和后浇混凝土部位的隐蔽工程检查验收文件,外墙防水施工质量检验记录等应齐全,签字应规范全面,且隐蔽工程验收记录应附影像资料结、墙程钢构幕工幕墙、钢结构高强螺栓拉拔试验资料应齐全,且应附影像资料采光顶、金属屋面天沟蓄水试验记录及影像资料应齐全,签字应规范全面防水工程防水工程隐蔽验收记录应齐全且应附影像资料,影像资料能反映质量情况,签字应规范全面地下室顶板、屋面、卫生间防水施工后闭水试验,验收记录及影像资料应齐全,签字应规范全面外窗工程外窗安装及塞缝隐蔽验收记录应齐全,隐蔽工程验收记录应附影像资料,且影像资料能反

6、映质量情况外墙工程外墙孔、洞隐蔽验收记录应齐全,隐蔽工程验收记录应附影像资料,且影像资料能反映质量情况室内装修工程抹灰工序验收,验收记录及影像资料应齐全,影像资料能反映质量情况,签字应规范全面地暖管隐蔽验收记录应齐全且应附影像资料,影像资料能反映质量情况,签字应规范全面天花封板前隐蔽验收记录应齐全且应附影像资料,影像资料能反映质量情况,签字应规范全面管道打压试验、通球试验、烟道漏烟测试记录应齐全,并与现场实际情况相符安装工程大型设备基础及其预埋件等重要工程隐蔽验收记录应齐全且应附影像资料,影像资料能反映质量情况,签字应规范全面管理A.0.2工程质量现场实体巡查内容应符合表A.0.2的规定。表A

7、.0.2工程质量现场实体巡查内容一级指标二级指标三级指标四级指标巡查内容巡查判定原则相关依据工程质量现场实体巡查建筑材料、构配件地基基础工程地下室防水防水材料产品合格证、产品性能检测报告和材料进场检验报告应符合要求地下防水工程质量验收规范(GB50208-2011)第4315条钢筋工程钢筋原材钢筋原材检测检验报告应合格混凝土结构工程施工质量验收规范(GB502042015)第5.2节钢筋加工接头试件抽检检测检验报告应合格混凝土结构工程施工质量验收规范GB50204-2015第5.4.2节钢筋连接钢筋焊接材料、机械连接材料产品合格证书、出厂检验报告、验收记录应齐全,应按规范要求进场复验,复验应符

8、合设计和规范要求钢筋焊接及验收规范(JGJ18-2012)第3.0.6条;钢筋机械连接技术规程(JGJl07-2016)第7.0.1条装配式混凝土结构工程预制构件的组成材料、配套材料预制构件的混凝土强度构件混凝土强度应符合设计要求混凝土结构工程施工质量验收规范GB50204-2015附录C、附录H灌浆套筒、灌浆料、座浆料产品合格证书或质量证明文件、出厂检验报告、型式检验报告应齐全,应按规范要求进场复验,复验应符合规范规定和设计要求混凝土结构工程施工质量验收规范GB50204-2015第9.3.2条;装配式混凝土结构技术规程JGJ1-2014第4.2.1、4.2.2条夹心外墙板中内外叶墙板的拉结

9、件产品合格证书、出厂检验报告、型式检验报告应齐全,应按规范要求进场复验,复验应符合规范规定和设计要求装配式混凝土结构技术规程(JGJI-2014)第4.2.7条钢结构工程钢材、配套材料钢板、型材和管材钢材产品合格证书、质量证明文件应齐全;应按规范要求进场更验,复验应符合要求钢结构工程施工质量验收标准(GB50205-2020)第4.2条、4.3条钢铸件、拉索、拉杆、锚具产品合格证书、质量证明文件应齐全;应按规范要求进场复验,复验应符合要求钢结构工程施工质量验收标准(GB50205-2020)第4.6、4.7条压型金属板产品合格证书、质量证明文件应齐全;应按规范要求进场复验,复验应符合要求钢结构

10、工程施工质量验收标准(GB50205-2020)第4.9条防腐、防火涂层防腐涂装材料产品合格证书、质量证明文件应齐全;应按规范要求进场复验,复验应符合要求钢结构工程施工质量验收标准(GB50205-2020)第4.11节防火涂装材料产品合格证书、质量证明文件应齐全;应按规范要求进场复验,复验应符合要求钢结构工程施工质量验收标准(GB50205-2020)第4.11节砌体结构工程砌体材料、砂浆砌体材料产品合格证、性能型式检验报告、进场复试报告应符合要求,现场不应出现断砖现象砌体结构工程施工质量验收规范(GB50203-2011)第3.0.1条砌筑砂浆的强度抗压强度试验组数、强度应合格,墙体的砂浆

11、强度应符合设计要求砌体结构工程施工质量验收规范(GB50203-2011)第4.0.12条屋面工程屋面的防水、保温材料防水材料产品的合格证书、性能检验报告应齐全;应按规范要求进场复验,兔验应符合规范规定和设计要求屋面工程质量验收规范(GB50207-2012)第3.0.6、3.0.7条屋面保温材料产品的合格证书、性能检验报告应齐全;应按规范要求进场复验,复验应符合规范规定和设计要求屋面工程质量验收规范(GB50207-2012)第3.0.6、3.0.7、5.1.7条外窗工程外窗材料和性能外窗的组成材料产品的合格证书、进场检验或产品性能检验报告应齐全或符合要求建筑装饰装修施工质量验收标准(GB5

12、0210-2018)第6.1.2、6.1.3条外窗的性能产品性能检验报告应齐全,应按规范要求进场复验,复验应符合规范规定和设计要求,性能检验报告与进场性能复试报告级别应相同建筑装饰装修施工质量验收标准(GB50210-2018)第6.1.2、6.1.3条外墙工程外墙防水外墙防水材料产品的合格证书、产品性能检验报告应齐全;应规范要求进场更验,复验应符合规范规定和设计要求,材料进场验收记录应齐全建筑外墙防水工程技术规程(JGJ/T235-2(HD第4.1.1、建筑装饰装修工程质量验收标准(GB50210-2018)第5.1.2条外墙外保温外墙外保温系统的组成材料产品的合格证书、产品性能检验报告应齐

13、全;应规范要求进场复验,复验应符合规范规定和设计要求,材料进场验收记录应齐全建筑节能工程施工质量验收标准(GB50411系统的组成材料和性能-2019)第4.2.1、4.2.2、4.2.4条外墙外保温系统型式检验报告系统型式试验报告齐全;试验报告应含耐候性检验内容;满足两年有效期;施工现场使用的材料与型式检验报告的材料应相符建筑节能工程施工质量验收标准(GB50411-2019)第4.2.3条外墙外保温节点构造外保温板(层)的厚度外保温板厚度应符合规范及设计要求建筑节能工程施工质量验收标准(GB50411-2019)第4.2.7条保温板材与基层之间及各构造层之间的粘接或连接粘结强度试验报告、锚

14、固力现场拉拔试验报告应符合要求,现场实体检测应满足设计要求建筑节能工程施工质量验收标准(GB5041I-2019)第4.2.7条外墙面装饰材料外墙涂饰材料产品的合格证书、产品性能检验报告、有害物质限量检验报告应齐全,进场验收记录齐全建筑装饰装修工程质量验收标准(GB50210-2018)第12.2.1条外墙饰面破产品的合格证书、性能检验报告等报告应齐全;应按规范要求进场复验,复验应符合规范规定和设计要求,进场验收记录应齐全建筑装饰装修施工质量验收规范GB50210-2018第10.3.1条外墙饰面板产品的合格证书、性能检验报告应齐全;需复验的应按照规范要求进场复验,复验应符合规范规定和设计要求;进场验收记录应齐全建筑装饰装修工程质量验收标准(GB50210-2018)第9.1.2、9.1.3条幕墙工程幕墙的组幕墙的材料、构件、组件、紧固件及附件。产品的合格证书、性能检验报告应齐全;需复验的应按照规范要求进场复验,到验应符合规范规建筑装饰装修施工质量验收标准成材料和性能

展开阅读全文
相关资源
猜你喜欢
相关搜索

当前位置:首页 > 建筑/环境 > 建筑制度

copyright@ 2008-2023 1wenmi网站版权所有

经营许可证编号:宁ICP备2022001189号-1

本站为文档C2C交易模式,即用户上传的文档直接被用户下载,本站只是中间服务平台,本站所有文档下载所得的收益归上传人(含作者)所有。第壹文秘仅提供信息存储空间,仅对用户上传内容的表现方式做保护处理,对上载内容本身不做任何修改或编辑。若文档所含内容侵犯了您的版权或隐私,请立即通知第壹文秘网,我们立即给予删除!