表R08钢结构工程安全和功能检验资料核查及主要功能抽查记录.docx

上传人:p** 文档编号:403065 上传时间:2023-08-07 格式:DOCX 页数:1 大小:17.04KB
下载 相关 举报
表R08钢结构工程安全和功能检验资料核查及主要功能抽查记录.docx_第1页
第1页 / 共1页
亲,该文档总共1页,全部预览完了,如果喜欢就下载吧!
资源描述

《表R08钢结构工程安全和功能检验资料核查及主要功能抽查记录.docx》由会员分享,可在线阅读,更多相关《表R08钢结构工程安全和功能检验资料核查及主要功能抽查记录.docx(1页珍藏版)》请在第壹文秘上搜索。

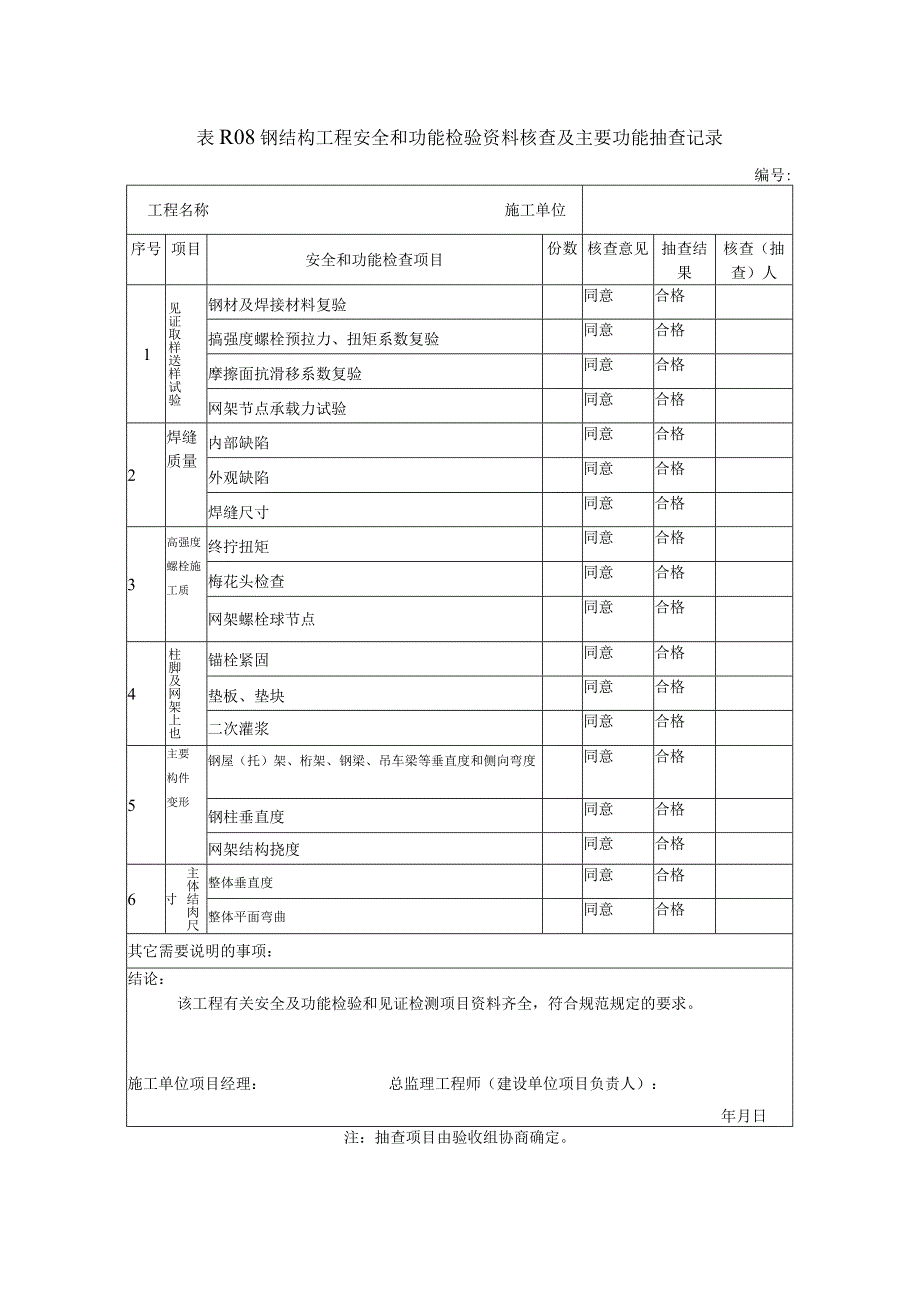
表R08钢结构工程安全和功能检验资料核查及主要功能抽查记录编号:工程名称施工单位序号项目安全和功能检查项目份数核查意见抽查结果核查(抽查)人1见证取样送样试验钢材及焊接材料复验同意合格搞强度螺栓预拉力、扭矩系数复验同意合格摩擦面抗滑移系数复验同意合格网架节点承载力试验同意合格2焊缝质量内部缺陷同意合格外观缺陷同意合格焊缝尺寸同意合格3高强度螺栓施工质终拧扭矩同意合格梅花头检查同意合格网架螺栓球节点同意合格4柱脚及网架上也锚栓紧固同意合格垫板、垫块同意合格二次灌浆同意合格5主要构件变形钢屋(托)架、桁架、钢梁、吊车梁等垂直度和侧向弯度同意合格钢柱垂直度同意合格网架结构挠度同意合格6主体结肉尺寸整体垂直度同意合格整体平面弯曲同意合格其它需要说明的事项:结论:该工程有关安全及功能检验和见证检测项目资料齐全,符合规范规定的要求。施工单位项目经理:总监理工程师(建设单位项目负责人):年月日注:抽查项目由验收组协商确定。

展开阅读全文
相关资源
猜你喜欢
相关搜索

当前位置:首页 > 建筑/环境 > 钢结构

copyright@ 2008-2023 1wenmi网站版权所有

经营许可证编号:宁ICP备2022001189号-1

本站为文档C2C交易模式,即用户上传的文档直接被用户下载,本站只是中间服务平台,本站所有文档下载所得的收益归上传人(含作者)所有。第壹文秘仅提供信息存储空间,仅对用户上传内容的表现方式做保护处理,对上载内容本身不做任何修改或编辑。若文档所含内容侵犯了您的版权或隐私,请立即通知第壹文秘网,我们立即给予删除!