常见铸钢件的热处理工艺参数参考.docx

上传人:p** 文档编号:408330 上传时间:2023-08-10 格式:DOCX 页数:5 大小:29.41KB
下载 相关 举报
常见铸钢件的热处理工艺参数参考.docx_第1页
第1页 / 共5页
常见铸钢件的热处理工艺参数参考.docx_第2页
第2页 / 共5页
常见铸钢件的热处理工艺参数参考.docx_第3页
第3页 / 共5页
常见铸钢件的热处理工艺参数参考.docx_第4页
第4页 / 共5页
常见铸钢件的热处理工艺参数参考.docx_第5页
第5页 / 共5页
亲,该文档总共5页,全部预览完了,如果喜欢就下载吧!
资源描述

《常见铸钢件的热处理工艺参数参考.docx》由会员分享,可在线阅读,更多相关《常见铸钢件的热处理工艺参数参考.docx(5页珍藏版)》请在第壹文秘上搜索。

1、奥氏体不锈钢铸件固溶热处理奥氏体不锈钢热处理的主要作用是使铸造态析出的碳化物固溶到钢的奥氏体基体中,改善铸件的耐腐蚀性能。对于应用在容易产生晶间腐蚀和点腐蚀场合的奥氏体不锈钢铸件,正确的固溶处理十分重要。固溶处理对铸件的力学性能没有影响,但铸件热处理温度过高或保温时间过长,铸件,特别是小铸件的薄壁处,可能产生晶粒粗大,力学性能有所降低。表1奥氏体不锈钢铸件固溶热处理工艺参数牌号对应美国AISI固溶温度。C保温时间出炉冷却条件备注OCrl8Ni9ZG07Crl9Ni9304105060分钟/25mm空冷或水冷00Crl9Ni10ZG03Cr18Ni10304L105060分钟/25mm空冷或水冷

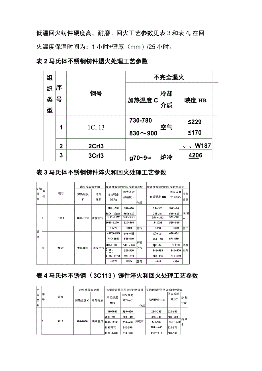
2、2Cr25Ni20310109360分钟/25mm水冷或喷水冷却0Cr17Ni12Mo2ZG07Cr19Ni316108060分钟/25空冷或水冷11Mo2mm00Cr17Ni12316L108060分空冷或水Mo2ZG03Cr1钟/25冷9Ni11Mo2mm904115水冷或喷0-11水冷却75904L115水冷或喷0-11水冷却7500Cr14Ni14C4没找到Si4相关资料马氏体不锈钢(ICrI31C门3Ni3Cr13)铸件的热处理退火:马氏体不锈钢铸件开箱后,应立即放入已经升温到退火温度的热处理炉中进行退火处理,铸件在炉内的保温时间为每25mm壁厚保温1小时。退火工艺参数见表2o铸件从

3、炉中取出后,立即趁热切除冒口和浇口。淬火:淬火工艺参数见表3和表4o淬火加热速度为每小时50100,大型铸件和壁厚差别大、结构复杂的铸件升温速度要慢。升到淬火温度后的保温时间为每25mm壁厚保温1小时。回火:铸件回火应在淬火后立即进行。高温回火铸件耐蚀性好,低温回火铸件硬度高,耐磨。回火工艺参数见表3和表4e在回火温度保温时间为:1小时+壁厚(mm)/25小时。表2马氏体不锈钢铸件退火处理工艺参数组织类型序号钢号不完全退火加热温度C冷却介质映度HB11C13730-780830900空气22917022Crl3g709炉冷、W18733Crl34206表3马氏体不锈钢铸件淬火和回火处理工艺参数

4、%织类别件号铜号谆火或固溶处理技强度选择的回火或时效规位按硬度选择的回火或时她规范加热阻度冷却介质抗拉强度MPa回火或时致温度.介质布氏硬度HB回火或B寸ttfiSa冷却介质氏体I10131000-1050油或空气780980580-650254-3025W)90滴或水88O-10O56(h-620285-341560620011W5SO-5SO3543625M580108012705205603417M520S601270388300空T22Cr!3980-1050油或空气1370OSO空气4451470514350空气铁素体不锈钢(Cr24Cr26Cr28)铸件的热处理含铝1630%的铁素

5、体不锈钢铸件在通常情况下都可以在铸造状态下使用,不需要热处理。铁素体不锈钢铸件可以进行退火处理,退火处理后铸件的耐腐蚀性能和机械加工性能有所提高。铁素体不锈钢铸件退火处理工艺是把铸件缓慢加热到820850保温,保温时间是每25mm壁厚保温1小时,保温终了后出炉空冷。铁素体不锈钢铸件在高于850。C保温后快冷,会发生敏化,容易产生晶间腐蚀。铁素体不锈钢在370540。C之间长时间保温,会产生所谓475C脆性。含铭高的Cr28不锈钢在700800之间长时间保温,会因有。相析出而变脆。铁素体奥氏体双相不锈钢(CD4MCu)铸件热处理工艺固溶处理:加热到10631120C保温,保温时间是每25mm壁厚

6、保温1小时,保温终了后出炉水淬。碳钢(ZG2545)铸件的热处理ZG25碳钢铸件一般采用正火处理,工艺为:铸件快速加热到870900保温,保温时间是每25mm壁厚保温3040分钟,保温终了后出炉空冷。对于复杂铸件,为降低残余应力,减小铸件加工后变形,可以在正火后进行回火,即把铸件加热到550650C保温,然后出炉空冷。含碳量为0.40.5%的铸钢件可以采用正火处理,即快速加热到820840C保温,保温时间是每25mm壁厚保温3040分钟,保温终了后出炉空冷;对于力学性能要求比较高的铸件应采用调质处理工艺,即淬火加回火处理,工艺为先把铸件快速加热到830保温,保温时间是每25mm壁厚保温30-4

7、0分钟,保温终了后出炉水淬,淬火后尽快进行回火处理,即把铸件加热到450630C保温,然后出炉空冷,回火温度低,铸件强度高,回火温度高,铸件硬度低,加工性能好。大型复杂碳钢铸件应当先进行正火,然后在进行调质处理。低合金钢铸件(40Cr35CrMo)热处理低合金钢铸件一般可以采用正火加回火处理工艺,对于强度要求高的铸件可以采用淬火加回火的调质处理工艺,对于在淬火中容易变形或开裂的铸件,可以采用先正火,然后再调质处理。40Cr铸件的正火加回火处理工艺为:正火:夬速力口热至J83O85OC保温,保温时间是每25mm壁厚保温30-40分钟,保温终了后出炉空冷,回火:加热到520680C保温,然后出炉空冷。40Cr铸件的调质处理工艺为:淬火:快速加热到830850C保温,保温时间是每25mm壁厚保温3040分钟,保温终了后出炉水冷,回火:淬火后立即进行回火,把铸件加热到52068O0C保温,然后出炉空冷。35CrM。铸件的正火加回火处理工艺为:正火:快速加热到860880C保温,保温时间是每25mm壁厚保温3040分钟,保温终了后出炉空冷,回火:加热到550600C保温,然后出炉空冷。35CrMo铸件的调质处理工艺为:淬火:快速加热到850880保温,保温时间是每25mm壁厚保温3040分钟,保温终了后出炉水冷,回火淬火后立即进行回火把铸件加热到590-610保温,然后出炉空冷。

展开阅读全文
相关资源
猜你喜欢
相关搜索

当前位置:首页 > 行业资料 > 金属学与金属工艺

copyright@ 2008-2023 1wenmi网站版权所有

经营许可证编号:宁ICP备2022001189号-1

本站为文档C2C交易模式,即用户上传的文档直接被用户下载,本站只是中间服务平台,本站所有文档下载所得的收益归上传人(含作者)所有。第壹文秘仅提供信息存储空间,仅对用户上传内容的表现方式做保护处理,对上载内容本身不做任何修改或编辑。若文档所含内容侵犯了您的版权或隐私,请立即通知第壹文秘网,我们立即给予删除!