项目质量管理工作标准.docx

上传人:p** 文档编号:410738 上传时间:2023-08-10 格式:DOCX 页数:3 大小:26.89KB
下载 相关 举报
项目质量管理工作标准.docx_第1页
第1页 / 共3页
项目质量管理工作标准.docx_第2页
第2页 / 共3页
项目质量管理工作标准.docx_第3页
第3页 / 共3页
亲,该文档总共3页,全部预览完了,如果喜欢就下载吧!
资源描述

《项目质量管理工作标准.docx》由会员分享,可在线阅读,更多相关《项目质量管理工作标准.docx(3页珍藏版)》请在第壹文秘上搜索。

1、项目质量管理工作标准任务名称节点任务程序及管理点时限相关资料编制项目质:责任制/管理制度E2D3C4任务程序一、质量管理规章制度;二、项目质量要求文件;三、工程承包合同四、信誉评价文件令项目经理组织建立项目质量保证体系和质量责任制;7个工作日项目综合部门根据项目质量要求,将其分解至相关部门、人员,编制质量责任制并报项目经理审批;7个工作日项目安质部门编制项目质量管理的各项规章制度并报项目经理审批;7个工作日指挥部或项目部依照铁路、公路质量信誉评价或业主的质量评比有关规定及公司相关办法制定信誉评价措施;7个工作日令项目经理对工程质量全面负责,分管生产的项目副经理对工程质量负直接领导贲任,项目总工

2、对工程质量管理负技术领导责任,并按各自的职责对其承建的工程项目质量负终身责任;令各作业队(班组)设立质检员,负责本作业队(班组)日常质量的监控及与项目安质部门的沟通。管理点令项目质量责任制及管理制度的确定;项目质量保证体系建设。工量常查制施质日检控D5F5G5任务程序一、项目质量管理规章制度;二、施工承包合同:三、工程质量监督管理办法项目工程部门负贲组织施工及生产和技术管理工作,包括对技术资料的收集、保管及试验,并进行各项技术交底和现场监控等:随时令项目安质部门在施工过程中负责监督工程质量监视、测量、改进全过程的规范化运行;随时令项目物资设备部门负责对进场物资的检验及采购中不合格品的处置等过程

3、实施监控:随时令项目各作业队(班组)应按照项目部的制度和要求执行质量操作标准。随时管理点施工过程中质量的检查、监督、控制。月度质量检查C6D6F6G6D7任务程序一、质量责任制;二、质量管理规章制度;三、工程质量监督管理办法令项目安质部门负贲每月定期组织质量检查活动,各相关部门积极配合、参加:每月5日前每月的质量检查活动由项目部相关领导带队;令各施工作业队(班组)需积极配合检查活动,如实报告阶段内生产质量的情况;随时项目安质部门负责如实填写检查单,并报告项目总工程师、主管生产的副经理、项目经理。1个工作日管理点月度质量检查的组织。任务名称节点任务程序及管理点时限相关资料1:题置质问处D8H8H

4、9D9DlOHlO任务程序一、施工技术文件;二、质量责任制;三、质量管理规章制度令如在各项检查中发现一般性质量问题或质量隐患,项目安质部门直接向被检单位或部门下达工程质量检查通知书;1个工作日e相关单位或部门按质量检查通知书的要求进行整改,并将整改结果反馈至项目安质部门:按规定时限项目安质部门负责对相关单位或部门的整改情况进行检查、监督、指导、验证,并将相关情况上报项目部有关领导:按规定时限如在各项检查中发现不合格品,项目安质部门和相关单位、部门按照不合格品的规定处理。管理点检查中发现的质量问题及不合格品的处理。正防施纠预措FllBllF12H12任务程序质量有关规定令不合格品多次出现后或质量

5、通病发生后影响较大时,应根据不合格品性质制定纠正预防措施:令如属一般或轻微不合格品的纠正措施,由项目工程部门根据监督检查、信息反馈后所掌握的不合格品信息,确定纠正措施方案;1个工作日如构成工程质量事故,由项目或上级总工程帅主持,工程部起草纠正措施方案;3个工作日e纠正预防措施方案经相关领导审批后,制定部门确定实施计划、规定实施负责人和完成时间:1个工作日相关单位、部门严格实施纠正预防措施,并及时与制订部门及相关领导沟通、反馈;按规定时限措施制订部门按纠正措施进行检查、指导。随时管理点令纠正预防措施的制订与实施。量故报质事上B13C13D13H13任务程序质量事故有关规定令发生质量事故按规定报告

6、;按规定时限事故单位应出具事故快报,填写工程质量事故报告表逐级报告至关单位和部门:按规定时限令因工程质量事故造成人身伤亡时还应按国家和相关行业有关安全规定进行调查处理:e分包工程或外协施工队发生的工程质量事故,由总承包方负责上报,并纳入该企业事故统计。管理点质量事故的上报程序。量故理质事处A14B14C14D14任务程序质量事故有关规定根据质量事故的严重程度,由上级或相关单位(部门)依权限组织事故处理;依情况定各相关领导、部门、人员积极参与事故的调查处理,研究制订质量事故处理措施;依情况定质量事故处理措施经领导审批后,相关单位、部门严格执行,各级安质部门和工程部门严格进行检查、监督,并将处理结

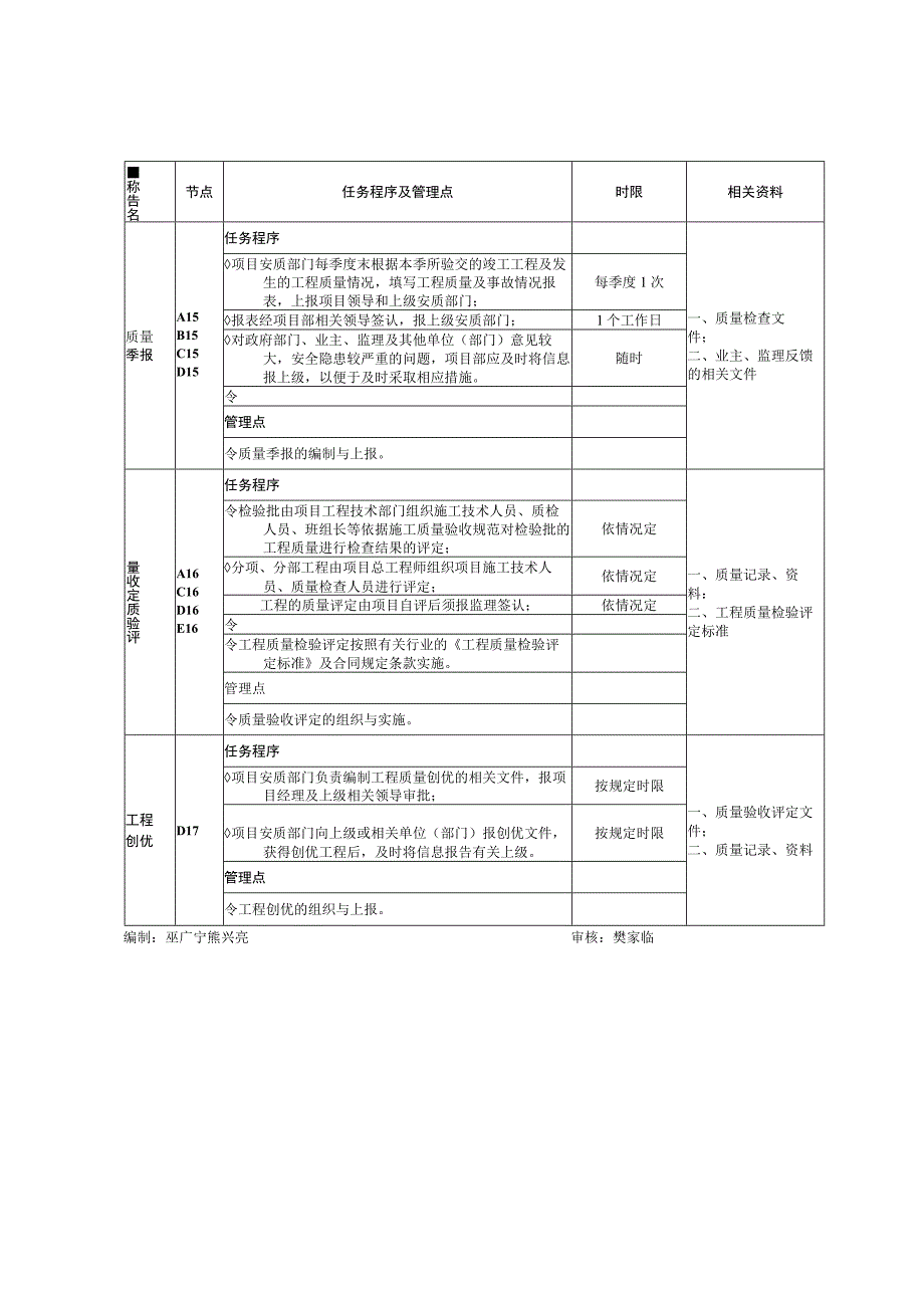
7、果上报有关领导。按规定时限管理点令组织处理质量事故。称告名节点任务程序及管理点时限相关资料质量季报A15B15C15D15任务程序一、质量检查文件;二、业主、监理反馈的相关文件项目安质部门每季度末根据本季所验交的竣工工程及发生的工程质量情况,填写工程质量及事故情况报表,上报项目领导和上级安质部门;每季度1次报表经项目部相关领导签认,报上级安质部门;1个工作日对政府部门、业主、监理及其他单位(部门)意见较大,安全隐患较严重的问题,项目部应及时将信息报上级,以便于及时采取相应措施。随时令管理点令质量季报的编制与上报。量收定质验评A16C16D16E16任务程序一、质量记录、资料:二、工程质量检验评

8、定标准令检验批由项目工程技术部门组织施工技术人员、质检人员、班组长等依据施工质量验收规范对检验批的工程质量进行检查结果的评定;依情况定分项、分部工程由项目总工程师组织项目施工技术人员、质量检查人员进行评定;依情况定工程的质量评定由项目自评后须报监理签认;依情况定令令工程质量检验评定按照有关行业的工程质量检验评定标准及合同规定条款实施。管理点令质量验收评定的组织与实施。工程创优D17任务程序一、质量验收评定文件;二、质量记录、资料项目安质部门负责编制工程质量创优的相关文件,报项目经理及上级相关领导审批;按规定时限项目安质部门向上级或相关单位(部门)报创优文件,获得创优工程后,及时将信息报告有关上级。按规定时限管理点令工程创优的组织与上报。编制:巫广宁熊兴亮审核:樊家临

展开阅读全文
相关资源
猜你喜欢
相关搜索

当前位置:首页 > 管理/人力资源 > 质量管理

copyright@ 2008-2023 1wenmi网站版权所有

经营许可证编号:宁ICP备2022001189号-1

本站为文档C2C交易模式,即用户上传的文档直接被用户下载,本站只是中间服务平台,本站所有文档下载所得的收益归上传人(含作者)所有。第壹文秘仅提供信息存储空间,仅对用户上传内容的表现方式做保护处理,对上载内容本身不做任何修改或编辑。若文档所含内容侵犯了您的版权或隐私,请立即通知第壹文秘网,我们立即给予删除!