2020年运动服装产品质量省级监督抽查实施细则-改6.15.docx

上传人:p** 文档编号:411029 上传时间:2023-08-11 格式:DOCX 页数:3 大小:24KB
下载 相关 举报
2020年运动服装产品质量省级监督抽查实施细则-改6.15.docx_第1页
第1页 / 共3页
2020年运动服装产品质量省级监督抽查实施细则-改6.15.docx_第2页
第2页 / 共3页
2020年运动服装产品质量省级监督抽查实施细则-改6.15.docx_第3页
第3页 / 共3页
亲,该文档总共3页,全部预览完了,如果喜欢就下载吧!
资源描述

《2020年运动服装产品质量省级监督抽查实施细则-改6.15.docx》由会员分享,可在线阅读,更多相关《2020年运动服装产品质量省级监督抽查实施细则-改6.15.docx(3页珍藏版)》请在第壹文秘上搜索。

1、2020年XX省运动服装产品质量省级监督抽查实施细则SCSG-ZY-11820201抽样方法以随机抽样的方式在被抽样生产者、销售者的待销产品中抽取。抽查样品基数满足抽样数量即可。随机数一般可使用随机数表、骰子或扑克牌等方法产生。各类运动服装抽样数量见表晨表1抽样数量产品种类抽样数量泳装分体式泳衣或泳裤:10件/条/套(其中备样4件/条/套)其他:5件/条/套(其中备样2件/条/套)泳帽8件/条/套(其中备样3件/条/套)其它运动服装短裤、背心:3件/条/套(其中备样1件/条/套)其他:2件/条/套(其中备样1件/条/套)注:若样品面积过小,可适当增加抽样数量,但不得超过检验、复检的合理需要。2

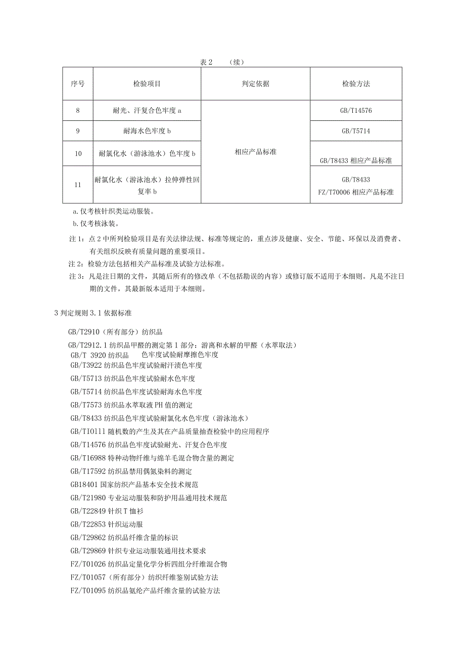
2、检验依据主要涵盖T恤衫、泳装、泳帽等针织运动服和机织运动服装产品,不适于羽绒服装,不适用于儿童及婴幼儿服装。检验项目分类见表2。表2检验项目序号检验项目判定依据检验方法1纤维成分及含量GB/T29862相应产品标准GB/T2910FZ/T01057等2甲醛含量GB18401相应产品标准GB/T2912.13PH值GB/T75734可分解致癌芳香胺染料GB/T17592GB/T233445耐水色牢度GB/T57136耐汗渍色牢度GB/T39227耐摩擦色牢度GB/T3920表2(续)序号检验项目判定依据检验方法8耐光、汗复合色牢度a相应产品标准GB/T145769耐海水色牢度bGB/T57141

3、0耐氯化水(游泳池水)色牢度bGB/T8433相应产品标准11耐氯化水(游泳池水)拉伸弹性回复率bGB/T8433FZ/T70006相应产品标准a.仅考核针织类运动服装。b.仅考核泳装。注1:点2中所列检验项目是有关法律法规、标准等规定的,重点涉及健康、安全、节能、环保以及消费者、有关组织反映有质量问题的重要项目。注2:检验方法包括相关产品标准及试验方法标准。注3:凡是注日期的文件,其随后所有的修改单(不包括勘误的内容)或修订版不适用于本细则。凡是不注日期的文件,其最新版本适用于本细则。3判定规则3.1依据标准GB/T2910(所有部分)纺织品GB/T2912.1纺织品甲醛的测定第1部分:游离

4、和水解的甲醛(水萃取法)GB/T 3920纺织品色牢度试验耐摩擦色牢度GB/T3922纺织品色牢度试验耐汗渍色牢度GB/T5713纺织品色牢度试验耐水色牢度GB/T5714纺织品色牢度试验耐海水色牢度GB/T7573纺织品水萃取液PH值的测定GB/T8433纺织品色牢度试验耐氯化水色牢度(游泳池水)GB/TIOlll随机数的产生及其在产品质量抽查检验中的应用程序GB/T14576纺织品色牢度试验耐光、汗复合色牢度GB/T16988特种动物纤维与绵羊毛混合物含量的测定GB/T17592纺织品禁用偶氮染料的测定GB18401国家纺织产品基本安全技术规范GB/T21980专业运动服装和防护用品通用技

5、术规范GB/T22849针织T恤衫GB/T22853针织运动服GB/T29862纺织品纤维含量的标识GB/T29869针织专业运动服装通用技术要求FZ/T01026纺织品定量化学分析四组分纤维混合物FZ/T01057(所有部分)纺织纤维鉴别试验方法FZ/T01095纺织品氨纶产品纤维含量的试验方法FZ/TOllOl纺织品纤维含量的测定物理法FZ/T30003麻棉混纺产品定量分析方法显微投影法FZ/T70006针织物拉伸弹性回复率试验方法FZ/T73013针织泳装FZ/T73050针织泳帽FZ/T81007单、夹服装FZ/T81021机织泳装相关的法律、行政法规、部门规章、规范性文件。经中国国家

6、标准化管理委员会的企业标准信息公共服务平台公示现行有效的企业标准和产品明示质量要求。3.2判定原则经检验,检验项目全部合格,判定为被抽查产品合格;检验项目中任一项或一项以上不合格,判定为被抽查产品不合格。若被检产品明示的质量要求高于本细则中检验项目依据的标准要求时,应按被检产品明示的质量要求判定。若被检产品明示的质量要求低于本细则中检验项目依据的强制性标准要求时,应按照强制性标准要求判定。若被检产品明示的质量要求低于或包含细则中检验项目依据的推荐性标准要求时,应以被检产品明示的质量要求判定,但应在检验报告备注中进行说明。若被检产品明示的质量要求缺少本细则中检验项目依据的强制性标准要求时,应按照强制性标准要求判定。若被检产品明示的质量要求缺少本细则中检验项目依据的推荐性标准要求时,该项目不参与判定,但应在检验报告备注中进行说明。若被检产品未提供纤维成分和含量,则判定纤维含量项目不符合。

展开阅读全文
相关资源
猜你喜欢
相关搜索

当前位置:首页 > 行业资料 > 纺织服装

copyright@ 2008-2023 1wenmi网站版权所有

经营许可证编号:宁ICP备2022001189号-1

本站为文档C2C交易模式,即用户上传的文档直接被用户下载,本站只是中间服务平台,本站所有文档下载所得的收益归上传人(含作者)所有。第壹文秘仅提供信息存储空间,仅对用户上传内容的表现方式做保护处理,对上载内容本身不做任何修改或编辑。若文档所含内容侵犯了您的版权或隐私,请立即通知第壹文秘网,我们立即给予删除!