管理图表应用规定.docx

上传人:p** 文档编号:414966 上传时间:2023-08-12 格式:DOCX 页数:5 大小:59.69KB
下载 相关 举报
管理图表应用规定.docx_第1页
第1页 / 共5页
管理图表应用规定.docx_第2页
第2页 / 共5页
管理图表应用规定.docx_第3页
第3页 / 共5页
管理图表应用规定.docx_第4页
第4页 / 共5页
管理图表应用规定.docx_第5页
第5页 / 共5页
亲,该文档总共5页,全部预览完了,如果喜欢就下载吧!
资源描述

《管理图表应用规定.docx》由会员分享,可在线阅读,更多相关《管理图表应用规定.docx(5页珍藏版)》请在第壹文秘上搜索。

1、1.条形图:用来比较两笔以上的量测资料,而以长条的长度表示数值的大小,作为比较的基楚。1. 1形图型态:1.1 .1将长条水平摆置的横式长形图。1.2 .2将长条垂直摆置的直式条形图,此型态较常被使用。1.3 条形图制作应注意要项:1.3.1 纵轴与横轴长度比例设在1:12之间,可形成较好的平衡。1.3.2 各长条排列顺序,如有特别的意义,则按此特别的意义,则按此特别顺序排列,若无特别的意义,则按长度的大小顺序排列,其他项目则置于最后。1.3.3 基线应设定于零处,否则容易引起误解。如果每笔资料间的差异很大,则长条的中间部份可省略,而代之以波浪形的中断线表示。1.3.4 如果在垂直线上标示刻度

2、,一定要将刻度线标示于垂直线的内侧,而刻度数字则标示于垂直线的左侧。1.3.5 图中长条的宽度应一致,长条间距约为宽度的一半。1.3.6 制作直式条形图时,单位应标示于纵轴的上方,如果制作横式条形图,则单位应标示于基线的上方,至于正确位置,可在水平轴线的中央或右端。1.3.7 原则上,避免将数字与刻度线或区域线交叉运用。(例)各主要车辆制造图内外销比例(%)输出比例 内销比例(%)2.折线图:用来表示因时间而变化的各项资料的相对变化情形,不可比较单一项目的变化,亦可将变化量显示在同一张图上。审制核定2.1 折线图制作应注意事项:2.1.1 纵轴与横轴长度比例设在1:2,可形成较好的平衡。2.1

3、.2 原则上,水平基线应设置于0,但如果只是以超势为研究分析的主体,则基线可置于任一适当值。2.1. 3最好不要从纵轴方向加入中断线。2.1.4横轴上必要资料(如日期、时间等)应标示于刻度线正下方。1.1.1 5刻度符号应标示于纵轴及横轴的内侧。2.1.6 测量单位应书写于纵轴左外侧数字的上方。2.1.7 当数条折线同时表示在同一图表上时,应运用不同的标示方法或颜色等,以利区分。2.1.8 整条折线应以连接点连成折线,不可造成中断或间隙。2.1.9 为使图表容易识别,原则上,应避免将数字与刻度线交叉表示。(例子)(%)43不良率21O89101112(月)装配每月不良率的推移3.圆形图:用来表

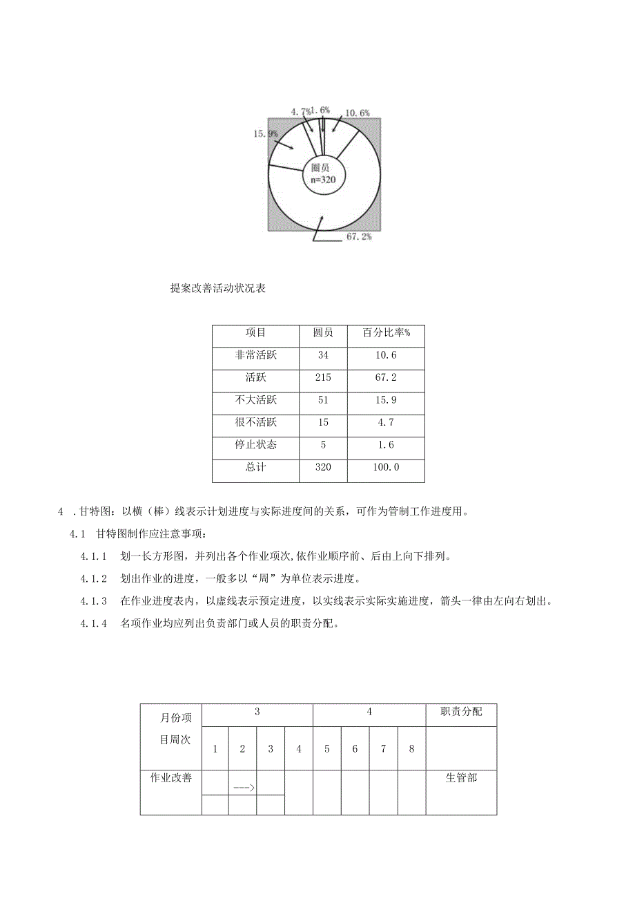
4、示单位量对整体的比例。将所收集的数据按不同的目的分类,再按各项目所占的比例分别标示于整个圆形上,使可由图上观察出各项目的相对关系。3. 1圆形图制作应注意事项:3.1.1 先在12点钟方向,由圆心作一基线,然后依各项目所占比例大小,沿顺时钟方向读出半径线,作为每一项目的分界线。3.1.2 项目的次序安排应按所占比例大小顺序排列。3.1.3 列为“其他”的项目须摆在最后。3.1.4 分类项目不要过细,以免难于辨认。3.1.5 1.5将特别需要标明的部份以阴影或色彩表示,较小面积项目则以较浓的阴影或色彩表示,至于“其他”的部份则不需任何特殊阴影或色彩表示。3.1.6 圆形图一般作成如圆圈饼状,至于

5、内圈大小虽没有一定的格式,但为了容易观察起见,一般将内圈置于半径三分之一处较宜。(例)提案改善活动状况表项目圆员百分比率%非常活跃3410.6活跃21567.2不大活跃5115.9很不活跃154.7停止状态51.6总计320100.04 .甘特图:以横(棒)线表示计划进度与实际进度间的关系,可作为管制工作进度用。4.1 甘特图制作应注意事项:4.1.1 划一长方形图,并列出各个作业项次,依作业顺序前、后由上向下排列。4.1.2 划出作业的进度,一般多以“周”为单位表示进度。4.1.3 在作业进度表内,以虚线表示预定进度,以实线表示实际实施进度,箭头一律由左向右划出。4.1.4 名项作业均应列出

6、负责部门或人员的职责分配。月份项目周次34职责分配12345678作业改善生管部检具研发中心布置研究研发中心材料研究研发中心作业标准化-研发中心5 .计划评核术一箭头图:以圆圈与箭头两种符号表示活动进行或工作步骤推展的顺序,拟定最适当的H程计划,有效地管理该计划进度的方法。5.1 箭头图制作应注意事项:5.1.1 列举必要非做不可的作业,并记下来。5.1.2 实线箭号:表示实施计划时所需。虚线箭号:表示假想的作业,亦即模拟作业。圆圈记号:称为结合点,画在作业的起点与终点的位置,表示作业与作业的接点。圆圈记号内之数字:称为结合点号码,籍着起点与终点之对数,可表示某某作业。5.1.3 实线上方记入作业天数(日程),实线下方记入作业项目。5.1.4 同一时刻在同一地方实施的相同作业,不可在一个箭头图上两个以上。作业的关联不可以成为环状,因为这样的话,作业应一直绕图纸无法前进了。5.1.5最好不要用不必要的模拟作业,以免使图形变得更复杂。5.L6箭头图尽可能不要交叉,箭头方向一律由左向右。5.1.7出发点与最终点应分别集中在一个结合点,如此图形将比较容易看懂。

展开阅读全文
相关资源
猜你喜欢
相关搜索

当前位置:首页 > 办公文档 > 统计图表

copyright@ 2008-2023 1wenmi网站版权所有

经营许可证编号:宁ICP备2022001189号-1

本站为文档C2C交易模式,即用户上传的文档直接被用户下载,本站只是中间服务平台,本站所有文档下载所得的收益归上传人(含作者)所有。第壹文秘仅提供信息存储空间,仅对用户上传内容的表现方式做保护处理,对上载内容本身不做任何修改或编辑。若文档所含内容侵犯了您的版权或隐私,请立即通知第壹文秘网,我们立即给予删除!