第7章 采购物品的验收、结算与库存管理.docx

上传人:p** 文档编号:426448 上传时间:2023-08-21 格式:DOCX 页数:14 大小:51.38KB
下载 相关 举报
第7章 采购物品的验收、结算与库存管理.docx_第1页
第1页 / 共14页
第7章 采购物品的验收、结算与库存管理.docx_第2页
第2页 / 共14页
第7章 采购物品的验收、结算与库存管理.docx_第3页
第3页 / 共14页
第7章 采购物品的验收、结算与库存管理.docx_第4页
第4页 / 共14页
第7章 采购物品的验收、结算与库存管理.docx_第5页
第5页 / 共14页
第7章 采购物品的验收、结算与库存管理.docx_第6页
第6页 / 共14页
第7章 采购物品的验收、结算与库存管理.docx_第7页
第7页 / 共14页
第7章 采购物品的验收、结算与库存管理.docx_第8页
第8页 / 共14页
第7章 采购物品的验收、结算与库存管理.docx_第9页
第9页 / 共14页
第7章 采购物品的验收、结算与库存管理.docx_第10页
第10页 / 共14页
亲,该文档总共14页,到这儿已超出免费预览范围,如果喜欢就下载吧!
资源描述

《第7章 采购物品的验收、结算与库存管理.docx》由会员分享,可在线阅读,更多相关《第7章 采购物品的验收、结算与库存管理.docx(14页珍藏版)》请在第壹文秘上搜索。

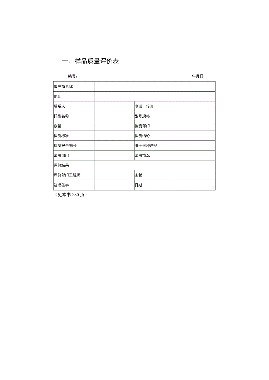
1、联系微信客服1225791460进同步更新群采购物品的验收、结算与库存管理表格一、样品质量评价表编号:年月日供应商名称地址联系人电话,传真样品名称型号规格数量检测部门检测标准检测结论检测报告编号用于何种产品试用部门试用情况评价结果评价部门工程师主管经理签字日期(见本书280页)二、货物采购环境表序号货物采购环境采购环境容量总和备注编号型号名称需求量单位供应商I供应商Il比例价格期限合同比例价格期限合同1234567891011121314合计制订人*开发人员质量管理人员认证人员批准日期会签工艺人员采购计划制订人员订单提交人员日期采购认证编号制订部门任务来源说明来源部门三、物料订购跟催表编号:跟

2、催员:分类:跟催员:订购日期订购单号料号(规格)数量单价总价供应商(编号)计划进料日期实际进料日期123审核人:审批人:四、催货通知单制单人:日期:年月日贵公司与本公司签订的下列合同已到期,至今尚未交货,请于收到本通知后一周内办理为荷!此致敬礼公司到期未交货物料一览表订约日期合同编号物料名称与规范数量单位约定交货日期备注注本单一式三联,一联送生产部门,一联送仓储部转请购部门,一联存查。五、采购物品验收表编号:日期:年月日编号名称订货数量规格符合单位实收数量单价总价是否是否分批交货口是口否会计科目供应商合计检查验收结果检查主管检查员抽样:一不良全数:一个不良总经理成本合计库房采购主管核算主管收料

3、主管制单六、物品检验报告单编号:日期:年月日订单编号商号供应商代码验收日期借方科目贷方科目入库单位需求日期交货日期件号品名规格厂牌单位收货数单价金额拒收数拒收数现状本订单未交量再交不交合计打卡(1)(2)人民币(大写):_佰_拾_万_仟_佰拾元整发票号码使用单位用途备注收货主管验收人员检查人员制单人员七、物品质量控制表供应商交易情况采购物品采购发货检验批抽总抽质量A类B类不良品C类不良品退货二良品单号名称数量批数批数检率检率水平记录备注编号:填表人:日期:年月日八、预付款申请表申请时间:年月日申请部门申请人付款类别口定金(尚未开发票)分批交货暂支款付款金额说明审核:财务部:总经理:(见本书28

4、7页)九、付款申请表申请表编号:申请时间:企业名称:地址:电话:收款单位名称:地址:电话:序号材料编码名称型号描述合同编号合同数单位单价入库数量金额备注合计总金额(大写)_佰_拾_万_仟_佰_拾_元_角一分特别说明后付单据其他说明付款申请人采购经理审核总经理审批财务部审批十、现金采购申请表单位:申请时间:采购物品:支票号码:联系电话:支票汇款汇票现金用途金额供货单位全称开户银行账号申请人财务部门意见总经理审批十一、委托付款申请表项目名称申请单位单位领导签名:年月日立项申请表编号(盖章)采购编号项目合同总金额元人民币(大写):佰拾一万仟佰拾元角分付款期数共()期本次为第()期委托付款金额元人民币(大写):_佰_拾_万_仟_佰_拾_元_角_分收款单位开户银行银行账号退回采购单位剩余金额元人民币(大写):佰拾一万仟佰拾元角分收款单位开户银行银行账号本次申请支付金额合计元人民币(大写):佰拾一万仟佰拾元角分采购经理审批意见签名:日期:财务经理审批意见签名:日期:总经理审批意见签名:日期:十二、货款结算表供应商:合同号:日期:年月日收货单号:验收单号:品种规格结算规格换算

展开阅读全文
相关资源
猜你喜欢
相关搜索

当前位置:首页 > 论文 > 管理论文

copyright@ 2008-2023 1wenmi网站版权所有

经营许可证编号:宁ICP备2022001189号-1

本站为文档C2C交易模式,即用户上传的文档直接被用户下载,本站只是中间服务平台,本站所有文档下载所得的收益归上传人(含作者)所有。第壹文秘仅提供信息存储空间,仅对用户上传内容的表现方式做保护处理,对上载内容本身不做任何修改或编辑。若文档所含内容侵犯了您的版权或隐私,请立即通知第壹文秘网,我们立即给予删除!