XX220kV变电站工程110kV电流互感器招标技术条件书.docx

上传人:p** 文档编号:429931 上传时间:2023-08-27 格式:DOCX 页数:12 大小:56.16KB
下载 相关 举报
XX220kV变电站工程110kV电流互感器招标技术条件书.docx_第1页
第1页 / 共12页
XX220kV变电站工程110kV电流互感器招标技术条件书.docx_第2页
第2页 / 共12页
XX220kV变电站工程110kV电流互感器招标技术条件书.docx_第3页
第3页 / 共12页
XX220kV变电站工程110kV电流互感器招标技术条件书.docx_第4页
第4页 / 共12页
XX220kV变电站工程110kV电流互感器招标技术条件书.docx_第5页
第5页 / 共12页
XX220kV变电站工程110kV电流互感器招标技术条件书.docx_第6页
第6页 / 共12页
XX220kV变电站工程110kV电流互感器招标技术条件书.docx_第7页
第7页 / 共12页
XX220kV变电站工程110kV电流互感器招标技术条件书.docx_第8页
第8页 / 共12页
XX220kV变电站工程110kV电流互感器招标技术条件书.docx_第9页
第9页 / 共12页
XX220kV变电站工程110kV电流互感器招标技术条件书.docx_第10页
第10页 / 共12页
亲,该文档总共12页,到这儿已超出免费预览范围,如果喜欢就下载吧!
资源描述

《XX220kV变电站工程110kV电流互感器招标技术条件书.docx》由会员分享,可在线阅读,更多相关《XX220kV变电站工程110kV电流互感器招标技术条件书.docx(12页珍藏版)》请在第壹文秘上搜索。

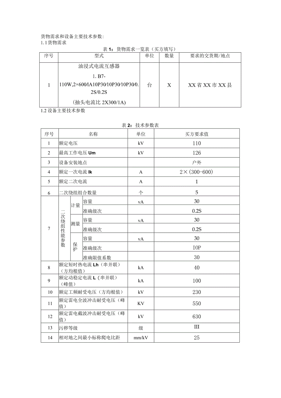
1、XX22OkV变电站工程IlOkV电流互感器技术条件书XX省电力勘测设计院工程设计证书:X部电力行业甲级第Xj号工程勘察证书:X部综合类甲级笫Xj号工程咨询证书:国家发改委工咨甲X号202X年X月X日XX货物需求和设备主要技术参数:1.l货物需求表1:货物需求一览表(买方填写)序号型式单位数量要求的交货期/地点1油浸式电流互感器1.B7-110W,2600lA10P3010P3010P300.2S/0.2S(抽头电流比2X300/1A)台XXX省XX市XX县1.2设备主要技术参数表2:技术参数表序号名称单位买方要求值1额定电压kV1102最高工作电压UmkV1263设备安装地点户外4额定一次电

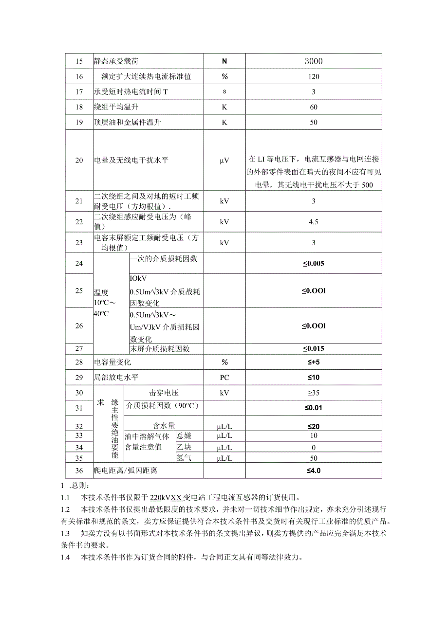
2、流IkA2(300-600)5额定二次电流A16二次绕组组合数量个57二次绕组性能参数计量容量vA30准确级次0.2S测量容量vA30准确级次0.2S保护容量vA30准确级次IOP准确限值系数308额定短时热电流Lh(串并联)(方均根值)kA409额定动稳定电流L(串并联)(峰值)kA10010额定工频耐受电压(方均根值)kV23011额定雷电全波冲击耐受电压(峰值)KV55012额定雷电截波冲击耐受电压(峰值)kV63013污秽等级级III14相对地之间最小标称爬电比距mm/kV2515静态承受载荷N300016额定扩大连续热电流标准值%12017承受短时热电流时间TS318绕组平均温升K6

3、019顶层油和金属件温升K5020电晕及无线电干扰水平V在LI等电压下,电流互感器与电网连接的外部零件表面在晴天的夜间不应有可见电晕,其无线电干扰电压不大于50021二次绕组之间及对地的短时工频耐受电压(方均根值).kV322二次绕组感应耐受电压为(峰值)kV4.523电容末屏额定工频耐受电压(方均根值)kV324温度1040一次的介质损耗因数0.00525IOkV0.5Um3kV介质战耗因数变化0.OOl260.5Um3kVUm/VJkV介质损耗因数变化0.OOl27末屏介质损耗因数0.01528电容量变化%+529局部放电水平PC1030缘主性要绝油要能求击穿电压kV3531介质损耗因数(

4、90C)0.0132含水量L/L2033油中溶解气体含量注意值总嫌L/L1034乙块L/L035氢气L/L5036爬电距离/弧闪距离4.01 .总则:1.1 本技术条件书仅限于220kVXX变电站工程电流互感器的订货使用。1.2 本技术条件书仅提出最低限度的技术要求,并未对一切技术细节作出规定,亦未充分引述现行有关标准和规范的条文,卖方应保证提供符合本技术条件书及交货时有关现行工业标准的优质产品。1.3 如卖方没有以书面形式对本技术条件书的条文提出异议,则卖方提供的产品应完全满足本技术条件书的要求。1.4 本技术条件书作为订货合同的附件,与合同正文具有同等法律效力。2 .主要标准:所有设备及其

5、备品备件,除本技术条件中规定的技术参数和要求外,其余均应遵循最新版本的国家标准(GB),电力行业标准(DL)和国际单位制(SI),这是对设备的最低要求。如果厂方有自己的标准或规范,应提供标准代号及其有关内容,并须经需方同意后方可采用,但原则上采用更高要求的标准。不仅限于此: GB311. 11997 GB12081997 GB168471997 GB/T72522001 GB/T75952000 GB/T174431998 GB/T135401992 GB/T116041989 GB/T16927. 11997 GB/T41091999 GB/T73541987 JB/T53561991 JB

6、/T70682003 DL/T7272000 DL/T5961996 IEC60044-1: 1996 IEC60815: 1986以下为设备设计、制造及试验所应遵循的国家、行业和企业的标准及规范,但高压输变电设备的绝缘配合电流互感器保护用电流互感器暂态特性技术要求变压器油中溶解气体分析和判断导则运行中变压器油质标准500kV电流互感器技术参数和要求高压开关设备抗地震性能试验高压电器设备无线电干扰测试方法高电压试验技术第1部分一般试验要求高压套管技术条件局部放电测量电流互感器试验导则互感器用金属膨胀器互感器运行检修导则电力设备预防性试验规程电流互感器污秽条件下绝缘子选用导则国家电网公司电力生产

7、设备评估管理办法(生产输电200395号)国家电网公司关于加强电力生产技术监督工作意见(生产输电200329号)国家电网公司预防110(66)kV50OkV互感器事故措施(国家电网生2004461号)所有螺栓、双头螺栓、螺纹、管螺纹、螺栓头和螺母均应遵照ISO及Sl公制标准。3 .设备使用环境条件:表3:设备使用环境条件表序号名称单位买方要求值1海拔高度m不超过10002风速m/s.最大353相对湿度%在25时月平均不高于904环境温度最高气温+45最低气温25(对户外式)5(对户内式)5最大日温差K25.6日照强度W/cm20.1(风速0.5ms).7覆冰厚度mm10.8耐地震能力g地面水平

8、加速度0.25g;地面垂直加速度0.125g。安全系数1.67o按IEC61166进行试验,地震波为正弦波持续时间三个周波。4.系统运行条件:5.1系统额定频率:50Hz5.2系统中性点接地方式:有效接地方式5 .结构型式:5.1 结构型式:正立式。5.2 绝缘介质:充油。5.3 外绝缘型式:瓷质。5.4 密封型式:金属膨胀器微正压全密封。6 .主要技术参数:见表27 .结构要求:7.1 瓷套的伞型、干弧距离、爬电距离等的选择应依据IEC60815的规定伞裙宜选用不等径大小裙,两伞伞裙伸出之差(Pl-P2)不小于15mm,相邻裙间高(三)与大裙伸出长度之比应大于0.9。套管直径较大时,外绝缘应

9、进行直径系数换算。8 .2对油浸式电流互感器要求(1)电流互感器油箱下部应设置放油或取油样用的阀门(能密封取油样的阀门),便于取油或放油。(2)电流互感器应有保证绝缘油与外界空气不接触或完全隔离的装置,如采用金属膨胀器,或其他防油老化措施。金属膨胀器及其防雨罩应为不锈钢材质。(3)电流互感器应装有油面(油位)指示装置。(4)电流互感器应具有良好的密封性能,不允许渗漏油,具体要求见下表。表4:密封性能表额定电压(kV)施加气压(MPa)维持压力时间(h)剩余压力(MPa)说明IlOkV及以上0.160.07带膨胀器产品(5)金属件外表面应具有良好的防腐蚀层,产品端子应符合图样要求。(6)电流互感

10、器应有直径不小于8mm的接地螺栓或其他供接地用的零件(如面积足够且有连接孔的接地板),接地处应有平坦的金属表面,并标有明显的接地符号。(7)电流互感器的二次出线端子螺杆直径不应小于6mm,应用铜或铜合金制成。选用密封和防潮性能良好的浇注结构的二次端子板,并有防转动措施。二次端子间应有放电间隙。当一次额定电流21200A时,一次出线端子应为铜材质的。(8)提供一次绕组和二次绕组端子连接用的全部紧固件。(9)所有端子及紧固件应有良好的防锈镀层,足够的机械强度和保持良好的接触面。电流互感器一次绕组引出端子间应有过电压保护器。(10)末屏应密封良好、接地可靠、便于拆卸。9 .铭牌的要求:所有电流互感器

11、的铭牌至少应标出下列内容:9.1出产地;9.2制造厂名;9.3互感器名称;9.4互感器型号;9.5标准代号;9.6额定一次和二次电流(八);9. 7额定频率及相数;9.8设备种类:户内或户外,如果互感器允许使用在海拔高于IoOOnI的地区,还应标出其允许使用的最高海拔.9.9额定输出及其质应准确级,以及有关的其它附加性能数据;9.10设备最高电压;9.11额定绝缘水平;9. 12额定短时电流:应分别标出额定短时热电流(kA)(方均根值)和额定动稳定电流(kA)(峰值);9.13绝缘耐热等级(A级绝缘不标出);9. 14带有两个二次绕组的互感器,应标明每一绕组的用途和其相应的端子;9.15互感器

12、的总重和油浸式互感器的油重(kg);9.16二次绕组排列示意图(U型、电容型结构);9.17出厂序号;9.18制造年月;9.19外绝缘爬距或爬电比距。9. 20所有数据应牢固地标志在电流互感器本体上或铭牌上。9.工厂监造和检验:10.1 买方根据需要派遣技术人员到互感器制造厂对设备的制造进行检验和监造,见证和监造设备的总装配、型式试验、例行试验、特殊试验、包装和运输。10. 2买方对设备制造进行的检验和监造,并不减轻卖方保证生产质量的责任。10. 3试验10. 3.1例行试验(1)出线端子标志检验。(2)二次绕组对地及绕组间工频耐压试验。(3)二次绕组匝间耐压试验:二次绕组开路,对一次绕组施加

13、频率为40HZ60HZ的电流,当二次绕组两端电压达到4.5kV(峰值)时,应停止增加电流并持续60s。(4)绝缘电阻测量:一次绕组对地,二次绕组对地,一、二次绕组间,二次绕组间,末屏对地。(5)介质损耗因数和电容测量(IOkV和1.1倍相电压下分别试验)。(6) 一次绕组对地及二次绕组的工频耐压试验。(7)末屏的工频耐压试验。(8)工频耐压后介质损耗因数及电容测量。(9)绝缘油性能试验。(10)局部放电测量。(11)误差测定。(12)二次绕组伏安特性试验。(13)二次绕组直流电阻测量。(14)密封试验。10.3.2特殊试验(运行单位可根据设备的技术特点增减试验项目)(1)雷电截波冲击试验。(2

14、)机械强度试验。(3)绝缘热稳定试验:适用于最高电压252kV及以上电流互感器,试验时对互感器施加额定连续热电流和Um3kV直到介质损耗因数达到稳定状态为止,全部试验时间不少于36h,达到稳定的时间至少连续8h,试验时环境温度为5,t-40oCo(4)耐受运输的冲撞试验。10.3.3现场交接试验(1)出线端子标志检验。(2)密封检查。(3)绝缘电阻测量(一次绕组对地,二次绕组对地,一、二次绕组间,二次绕组间,末屏对地)(4)绝缘油性能试验(必要时)。(5)介质损耗因数和电容测量(IOkV电压下)。(6)末屏介质损耗因数和电容测量(3kV电压下)。(7)二次绕组对地及绕组间工频耐压试验。(8)二次绕组直流电阻和伏安特性

展开阅读全文
相关资源
猜你喜欢
相关搜索

当前位置:首页 > 办公文档 > 招标投标

copyright@ 2008-2023 1wenmi网站版权所有

经营许可证编号:宁ICP备2022001189号-1

本站为文档C2C交易模式,即用户上传的文档直接被用户下载,本站只是中间服务平台,本站所有文档下载所得的收益归上传人(含作者)所有。第壹文秘仅提供信息存储空间,仅对用户上传内容的表现方式做保护处理,对上载内容本身不做任何修改或编辑。若文档所含内容侵犯了您的版权或隐私,请立即通知第壹文秘网,我们立即给予删除!