《机械零件的数控加工》课程考核方案.docx

上传人:p** 文档编号:433525 上传时间:2023-08-27 格式:DOCX 页数:3 大小:74.80KB
下载 相关 举报
《机械零件的数控加工》课程考核方案.docx_第1页
第1页 / 共3页
《机械零件的数控加工》课程考核方案.docx_第2页
第2页 / 共3页
《机械零件的数控加工》课程考核方案.docx_第3页
第3页 / 共3页
亲,该文档总共3页,全部预览完了,如果喜欢就下载吧!
资源描述

《《机械零件的数控加工》课程考核方案.docx》由会员分享,可在线阅读,更多相关《《机械零件的数控加工》课程考核方案.docx(3页珍藏版)》请在第壹文秘上搜索。

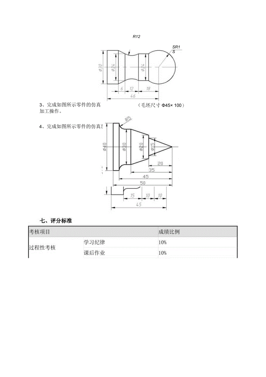
机械零件的数控加工课程考核方案一、考核对象智能制造专业群。二、考核目的通过本课程的考核,使学生掌握数控机床的进阶知识、数控加工工艺、较难的数控加工程序编制的相关知识,掌握数控加工的进阶操作技能,提高学生数控机床的实践操作技能水平。三、考核时间60分钟。四、考核地点乐业楼312机房。五、考核方式本课程采取数控加工仿真操作的方式进行,将班级学生分为两个组,每组不超过30人。由学生随机抽取试题,试题内容为本方案考核内容。六、考核内容2、完成如图所示零件的仿真加工操作。(毛坯尺寸小35X100)R12SR1S(毛坯尺寸45 100)3、完成如图所示零件的仿真加工操作。4、完成如图所示零件的仿真加工操作。(毛坯尺寸45100)仿真加工练习20%软件基本操作10%实践性考核数控编程数控加工报告20%30%总计100%

展开阅读全文
相关资源
猜你喜欢
相关搜索

当前位置:首页 > 汽车/机械/制造 > 数控机床

copyright@ 2008-2023 1wenmi网站版权所有

经营许可证编号:宁ICP备2022001189号-1

本站为文档C2C交易模式,即用户上传的文档直接被用户下载,本站只是中间服务平台,本站所有文档下载所得的收益归上传人(含作者)所有。第壹文秘仅提供信息存储空间,仅对用户上传内容的表现方式做保护处理,对上载内容本身不做任何修改或编辑。若文档所含内容侵犯了您的版权或隐私,请立即通知第壹文秘网,我们立即给予删除!