建筑施工现场安全风险点清单.docx

上传人:p** 文档编号:434640 上传时间:2023-08-27 格式:DOCX 页数:65 大小:276.32KB
下载 相关 举报
建筑施工现场安全风险点清单.docx_第1页
第1页 / 共65页
建筑施工现场安全风险点清单.docx_第2页
第2页 / 共65页
建筑施工现场安全风险点清单.docx_第3页
第3页 / 共65页
建筑施工现场安全风险点清单.docx_第4页
第4页 / 共65页
建筑施工现场安全风险点清单.docx_第5页
第5页 / 共65页
建筑施工现场安全风险点清单.docx_第6页
第6页 / 共65页
建筑施工现场安全风险点清单.docx_第7页
第7页 / 共65页
建筑施工现场安全风险点清单.docx_第8页
第8页 / 共65页
建筑施工现场安全风险点清单.docx_第9页
第9页 / 共65页
建筑施工现场安全风险点清单.docx_第10页
第10页 / 共65页
亲,该文档总共65页,到这儿已超出免费预览范围,如果喜欢就下载吧!
资源描述

《建筑施工现场安全风险点清单.docx》由会员分享,可在线阅读,更多相关《建筑施工现场安全风险点清单.docx(65页珍藏版)》请在第壹文秘上搜索。

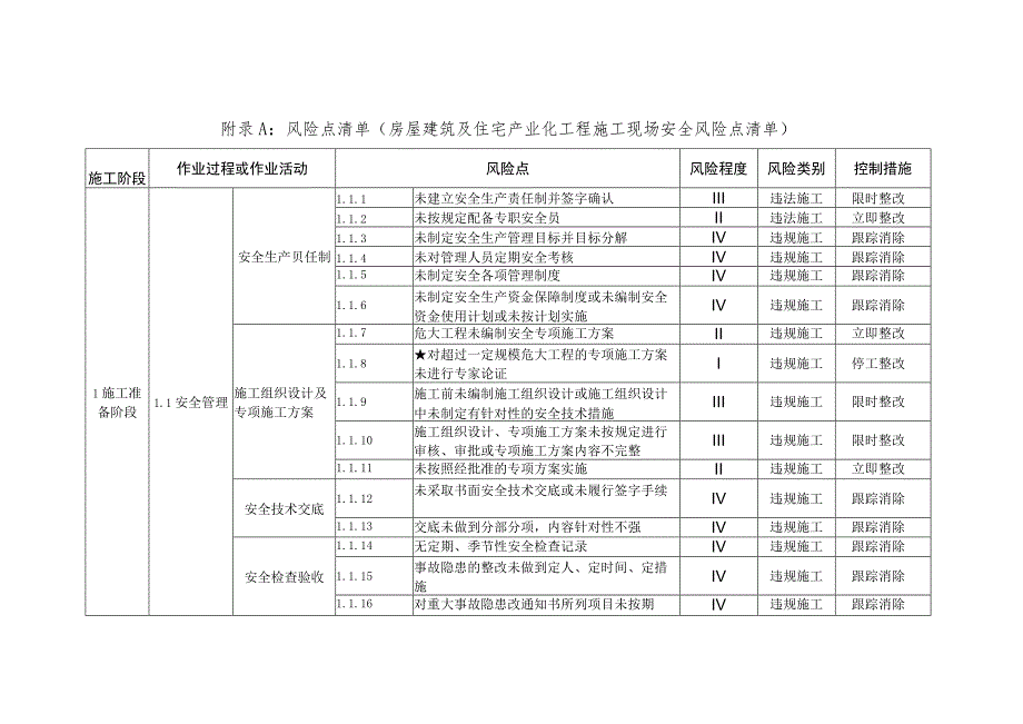
1、附录A:风险点清单(房屋建筑及住宅产业化工程施工现场安全风险点清单)施工阶段作业过程或作业活动风险点风险程度风险类别控制措施1施工准备阶段1.1安全管理安全生产贝任制1.1.1未建立安全生产责任制并签字确认III违法施工限时整改1.1.2未按规定配备专职安全员II违法施工立即整改1.1.3未制定安全生产管理目标并目标分解IV违规施工跟踪消除1.1.4未对管理人员定期安全考核IV违规施工跟踪消除1.1.5未制定安全各项管理制度IV违规施工跟踪消除1.1.6未制定安全生产资金保障制度或未编制安全资金使用计划或未按计划实施IV违规施工跟踪消除施工组织设计及专项施工方案1.1.7危大工程未编制安全专项

2、施工方案II违规施工立即整改1.1.8对超过一定规模危大工程的专项施工方案未进行专家论证I违规施工停工整改1.1.9施工前未编制施工组织设计或施工组织设计中未制定有针对性的安全技术措施III违规施工限时整改1.1.10施工组织设计、专项施工方案未按规定进行审核、审批或专项施工方案内容不完整III违规施工限时整改1.1.11未按照经批准的专项方案实施II违规施工立即整改安全技术交底1.1.12未采取书面安全技术交底或未履行签字手续IV违规施工跟踪消除1.1.13交底未做到分部分项,内容针对性不强IV违规施工跟踪消除安全检查验收1.1.14无定期、季节性安全检查记录IV违规施工跟踪消除1.1.15

3、事故隐患的整改未做到定人、定时间、定措施IV违规施工跟踪消除1.1.16对重大事故隐患改通知书所列项目未按期IV违规施工跟踪消除整改和复查1.1.17未组织对设备、设施等验收II违规施工立即整改1.1.18未按照要求对危大工程验收并公示I违规施工停工整改安全教育1.1.18施工人员未进行三级安全教育和考核II违规施工立即整改1.1.19未对施工人员进行日常安全教育III违规施工限时整改1.1.20施工管理人员、专职安全员未按规定进行年度培训考核III违规施工限时整改应急预案L1.21未制定安全生产应急预案,未建立应急救援组织、配备救援人员III违规施工限时整改L1.22未配置应急救援器材.,未

4、进行应急救援演练III违规施工限时整改分包单位安全管理1.1.23分包单位资质、资格、分包手续不全或失效IV违法施工跟踪消除1.1.24未签定安全生产协议书,签字盖章手续不全III违规施工限时整改1.1.25分包单位未按规定建立安全组织机构、配备安全员II违法施工立即整改1.1.26未对分包单位进行安全教育、交底、检查III违规施工限时整改持证上岗1.1.27项目经理、专职安全员和特种作业人员未持有效证件上岗II违法施工立即整改生产安全事故处理1.1.28生产安全事故未按规定报告III违法施工限时整改1.1.29生产安全事故未按规定进行调查分析、制定防范措施III违法施工限时整改1.1.30未

5、依法为施工作业人员办理保险、未购买安责险III违法施工限时整改安全标志1.1.31施工现场入口处、主要施工区域、危险部位未按规定设置相应的警示标志牌IV违规施工跟踪消除1.1.32未绘制现场安全标志布置图IV违规施工跟踪消除1.1.33未设置重大危险源公示牌IV违规施工跟踪消除1施工准备阶段1.2环境卫生现场围挡1.1.34未设置封闭围挡,围挡高度不足(市区2.5m,一般路段L8m)IV违规施工跟踪消除1.1.35未达到坚固、稳定、整洁、美观IV违规施工跟踪消除封闭管理1.1.36进出口未设置大门、门卫室IV违规施工跟踪消除现场办公与住宿1.1.37地基未处理、夯实IV坍塌跟踪消除1.1.38

6、办公区、生活区与施工作业区、材料存放区未采取隔离措施IV违规施工跟踪消除1.1.39宿舍、办公用房防火等级不符合有关消防安全技术规范要求IV火灾跟踪消除1.1.40在建工程、伙房、库房兼做住宿IV违法施工跟踪消除1.1.41活动房未组织验收IV违规施工跟踪消除1.1.42食堂与厕所、垃圾站、有毒有害场所的距离不符合规范要求W违规施工跟踪消除1.1.43食堂未办理卫生许可证或未办理炊事人员健康证IV违法施工跟踪消除1.1.44食堂使用的燃气罐未单独设置存放间或存放间通风条件不良IV违规施工跟踪消除1.1.45食堂未配备排风、冷藏、消毒、防鼠、防蚊蝇等设施IV违规施工跟踪消除1.1.46不能保证现

7、场人员卫生饮水IV违规施工跟踪消除建筑垃圾建筑垃圾分类1.1.47现场建筑垃圾未按工程渣土、混凝土块、砖瓦碎块和其它等四类进行分类,未设置分类区域和分类标志IV违规施工限时消除农民工工资建筑工人实名1.1.48现场未设置实名制通道、人脸考勤设备、未IV违法施工限时消除管理制设施联网农民工工资支付规范化管理1.1.49现场建筑工人未正常考勤、缺少信息IV违法施工限时消除1.1.50建筑工人实名信息未完善IV违法施工限时消除1.1.51未与在场建筑工人签订劳动合同IV违法施工限时消除1.1.52未在银行开设农民工工资专户IV违法施工限时消除1.1.53未按时对在场农民工发放工资IV违法施工限时消除

8、1.1.54缺少工资保证金缴存信息IV违法施工限时消除1.1.55缺少维权告示牌信息IV违规施工限时消除2施工阶段2.1文明施工扬尘治理扬尘防治2.1.1未落实扬尘防治“六个百分百”措施IV违法施工跟踪消除2.1.2未安装视频监控、扬尘监测系统IV违规施工限时消除2.1.3未设置沉淀池、排水设施或排水不通畅IV违规施工跟踪消除材料管理2.1.4材料存放未采取防火、防锈蚀、防雨措施IV违规施工跟踪消除2.1.5易燃易爆物品未分类储藏在专用库房、未采取防火措施II火灾立即整改2.1.6材料码放不整齐、未标明名称、规格IV违规施工跟踪消除现场防火2.1.7临时用房和作业场所的防火设计不符合规范要求I

9、II火灾限时整改2.1.8消防通道、消防水源的设置不符合规范要求III火灾限时整改2.1.9灭火器材布局、配置不合理或灭火器材失效III火灾限时整改2.1.10电焊、气割等作业防护措施不符合要求III火灾限时整改2.1.11使用明火取暖,工人宿舍内随意使用大功率电器,乱拉、乱接电线III火灾限时整改2.1.12气瓶运输、存放、使用不符合规范要求III火灾限时整改2.1.13未办理动火审批手续或未指定动火监护人员III火灾限时整改2.2临时用电外电防护2.2.1外电线路与在建工程及脚手架、起重机械、场内机动车道之间的安全距离不符合规范要求且未采取防护措施I触电停工整改2.2.2在外电架空线路正下

10、方施工、建造临时设施或堆放材料物品III触电限时整改2.2.3防护设施与外电线路的安全距离及搭设方式不符合规范要求III触电限时整改接地与接零保护系统2.2.4未采用TN-S接零保护系统II触电立即整改2.2.5配电系统未采用同一保护系统III触电限时整改2.2.6保护零线引出位置不符合规范要求III触电限时整改2.2.7电气设备未接保护零线III触电限时整改2.2.8保护零线装设开关、熔断器或通过工作电流III触电限时整改2.2.9工作接地与重复接地的设置、安装及接地装置的材料不符合规范要求III触电限时整改2.2.10工作接地电阻大于4Q,重复接地电阻大于10III触电限时整改2.2.11

11、施工现场起重机、物料提升机、施工升降机、脚手架防雷措施不符合规范要求触电立即整改2.2.12做防雷接地机械上的电气设备,保护零线未做重复接地III触电限时整改2施工阶段2.2临时用电配电线路2.2.13线路及接头不能保证机械强度和绝缘强度III触电限时整改2.2.14线路未设短路、过载保护III火灾限时整改2.2.15线路截面不能满足负荷电流III火灾限时整改2.2.16线路的设施、材料及相序排列、档距、与邻近线路或固定物的距离不符合规范要求IV触电跟踪消除2.2.17未使用符合规范要求的电缆II触电立即整改2.2.18电缆沿地面明设或沿脚手架、树木等敷设或敷设不符合规范要求III触电限时整改

12、配电箱与开关箱2.2.19未采用三级配电、二级漏电保护系统触电立即整改2.2.20固定式设备未使用专用开关箱,未执行“一机、一闸、一漏、一箱”规定III触电限时整改2.2.21箱体结构、箱内电器设置不符合规范要求III触电限时整改2.2.22配电箱工作零线端子板和保护零线端子板的设置、保护零线、工作零线连接不符合规范要求III触电限时整改2.2.23漏电保护器参数不匹配或检测不灵敏III触电限时整改2.2.24配电箱与开关箱电器损坏或进出线混乱III触电限时整改2.2.25箱体未设置系统接线图和分路标记、门、锁,未采取防雨措施III触电限时整改2.2.26箱体安装位置、高度及周边通道不符合规范要求III触电限时整改2.2.27分配电箱与开关箱、开关箱与用电设备的距离不符合规范要求III触电限时整改2.2.28配电箱、开关箱的电源进线端严禁采用插头和插座做活动连接III触电限时整改配电室2.2.29配电室建筑耐火等级未达到三级,未配置适用于电气火灾的灭火器材II火灾立即整改2.2.30配电室、配电装置布设不符合规范要求III火灾限时整改2.2.31配电装置中的仪表、电器元件设置不符合规范要求或损坏III触电限时整改2.2.32备用发电机组未与外电线路进行联锁III触电限时

展开阅读全文
相关资源
猜你喜欢
相关搜索

当前位置:首页 > 建筑/环境 > 安全文明施工

copyright@ 2008-2023 1wenmi网站版权所有

经营许可证编号:宁ICP备2022001189号-1

本站为文档C2C交易模式,即用户上传的文档直接被用户下载,本站只是中间服务平台,本站所有文档下载所得的收益归上传人(含作者)所有。第壹文秘仅提供信息存储空间,仅对用户上传内容的表现方式做保护处理,对上载内容本身不做任何修改或编辑。若文档所含内容侵犯了您的版权或隐私,请立即通知第壹文秘网,我们立即给予删除!