配电箱、柜安装施工工艺(示范文本).docx

上传人:p** 文档编号:444066 上传时间:2023-08-28 格式:DOCX 页数:3 大小:41.06KB
下载 相关 举报
配电箱、柜安装施工工艺(示范文本).docx_第1页
第1页 / 共3页
配电箱、柜安装施工工艺(示范文本).docx_第2页
第2页 / 共3页
配电箱、柜安装施工工艺(示范文本).docx_第3页
第3页 / 共3页
亲,该文档总共3页,全部预览完了,如果喜欢就下载吧!
资源描述

《配电箱、柜安装施工工艺(示范文本).docx》由会员分享,可在线阅读,更多相关《配电箱、柜安装施工工艺(示范文本).docx(3页珍藏版)》请在第壹文秘上搜索。

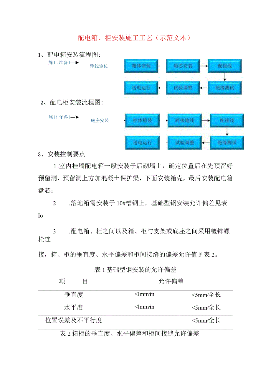
配电箱、柜安装施工工艺(示范文本)1、配电箱安装流程图:施I .准备I弹线定位2、配电柜安装流程图:施I1年备I底座安装3、安装控制要点1 .室内挂墙配电箱一般安装于后砌墙上,确定位置后在先预留好预留洞,预留洞上方加混凝土保护梁,下面安装箱壳,最后安装配电箱盘芯;2 .落地箱需安装于10#槽钢上,基础型钢安装允许偏差见表Io3 .配电箱、柜之间以及箱、柜与支架或底座之间采用镀锌螺栓连接,箱、柜的垂直度、水平偏差和柜间接缝的偏差允许值见表2。表1基础型钢安装的允许偏差项目允许偏差垂直度lmmm5mm全长水平度lmmm5mm全长位置误差及不平行度5mm全长表2箱柜的垂直度、水平偏差和柜间接缝允许偏差项目允许偏差(mm)项目允许偏差(mm)垂直度(每米)1.5水平偏差相邻两盘顶部2成列盘顶部5盘面偏差相邻两盘边1成列盘面5盘间接缝2

展开阅读全文
相关资源
猜你喜欢
相关搜索

当前位置:首页 > 建筑/环境 > 设计及方案

copyright@ 2008-2023 1wenmi网站版权所有

经营许可证编号:宁ICP备2022001189号-1

本站为文档C2C交易模式,即用户上传的文档直接被用户下载,本站只是中间服务平台,本站所有文档下载所得的收益归上传人(含作者)所有。第壹文秘仅提供信息存储空间,仅对用户上传内容的表现方式做保护处理,对上载内容本身不做任何修改或编辑。若文档所含内容侵犯了您的版权或隐私,请立即通知第壹文秘网,我们立即给予删除!