管道施工危险源识别.docx

上传人:p** 文档编号:456271 上传时间:2023-09-01 格式:DOCX 页数:3 大小:52.97KB
下载 相关 举报
管道施工危险源识别.docx_第1页
第1页 / 共3页
管道施工危险源识别.docx_第2页
第2页 / 共3页
管道施工危险源识别.docx_第3页
第3页 / 共3页
亲,该文档总共3页,全部预览完了,如果喜欢就下载吧!
资源描述

《管道施工危险源识别.docx》由会员分享,可在线阅读,更多相关《管道施工危险源识别.docx(3页珍藏版)》请在第壹文秘上搜索。

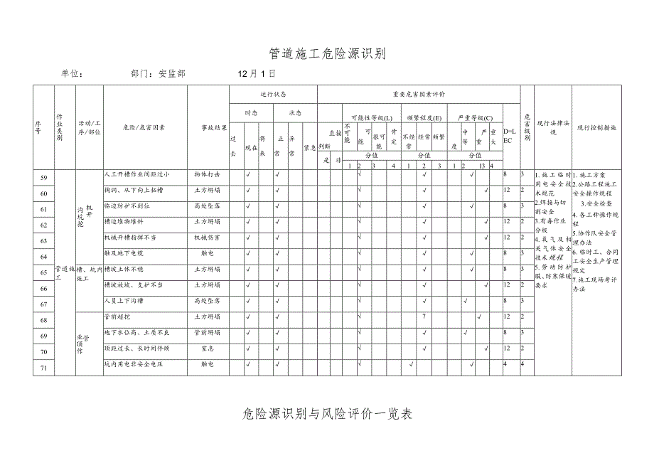
1、管道施工危险源识别单位:部门:安监部12月1日序号作业类别活动/工序/部位危险/危害因素事故结果运行状态重要危害因素评价危害级别现行法律法规现行控制措施时态状态可能性等级(L)频繁程度(E)严重等级(C)D=LEC过去现在将来正常异常紧急直接判断不可能可能很可能肯定不经常经常频繁度中等严重重大是非分值分值分值123412312I3459管道施工机开沟坑挖人工开槽作业间距过小物体打击831 .施工临时用电安全技术规范2 .焊接与切割安全3 .有毒作业分级4 .氧气及相关气体安全技术规程5 .劳动防护服、防寒保暖要求1 .施工方案2 .公路工程施工安全操作规程3 .安全检查4 .各工种操作规程5

2、.协作队安全管理办法6 .临时工、合同工安全生产管理规定7 .施工现场考评办法60掏洞、从下向上拓槽土方坍塌12261临边防护不到位高处坠落8362槽边堆物堆料土方坍塌12263机械开槽指挥不当机械伤害12264触及地下电缆触电8365槽、坑内施工槽坡土体不稳土方坍塌8366槽坡放坡、支护不当土方坍塌12267人员上下沟槽高处坠落8368管业顶作管前超挖土方坍塌712269地下水位高、土质不良管前坍塌8370顶距过长、长时间停顿窒息12271坑内用电非安全电压触电44危险源识别与风险评价一览表序号作业类别活动/工序/部位危险/危害因素事故结果运行状态重要危害因素评价危害级别现行法律法规现行控制

3、措施时态状态可能性等级(L)频繁程度(E)严重等级(C)D=LEC过去现在将来正常异常紧急直接判断不可能可能很可能肯定不经常经常频繁轻度中等严重重大是非分值分值分值123412312I3472管道施工顶管作业油泵高压管松落物体打击831.施工临时用电安全技术规范2.焊接与切割安全3.有毒作业分级4.氧气及相关气体安全技术规程5.劳动防护服、防寒保暖要求1 .施工方案2 .公路工程施工安全操作规程3 .安全检查4 .各工种操作规程5 .协作队安全管理办法6 .临时工、合同工安全生产管理规定7 .施工现场考评办法73顶铁过长或变形物体打击8374防护不到位物体打击8375顶进中顶铁两侧站人物体打击

4、8376附近有煤气天然管线中毒12277坑内吸烟使用明火火灾8378上下投梆物料工具物体打击8379设备缺陷机械伤害8380作业人不佩戴防护用品物体打击、机械伤害8381配枪水安并装式查雨口装人工安装装配式雨水口物体打击8382检查并预支砌块的搬运砌筑物体打击8383施工现场无安全警示标志物体打击78384夜间作业照明不足物体打击44单位:部门:安监部12月1日危险源识别与风险评价一览表序号作业类别活动/工序/部位危险/危害因素事故结果运行状态重要危害因素评价危害级别现行法律法规现行控制措施时态状态可能性等级(L)频繁程度(E)严重等级(C)D=1.EC过去现在将来正常异常紧急直接判断不可能可

5、能很可能肯定不经常经常频繁轻度中等严重重大是非分值分值分值123412312485管道施工起重吊装管道起重臂下站人物体打击831.施工临时用电安全技术规范2.焊接与切割安全3.有毒作业分级4.氧气及相关气体安全技术规程5.劳动防护服、防寒保暖要求1 .施工方案2 .公路工程施工安全操作规程3 .安全检查L各工种操作规程5 .协作队安全管理办法6 .临时工、合同工安全生产管理规定7 .施工现场考评办法86靠近高压线吊装触电8387违反“十不吊”作业物体打击8388指挥不当物体打击78389机具支腿不稳物体打击8390防护装置、设施缺陷物体打击8391钢丝卸卡不合格物体打击8392钢丝绳出现断裂物体打击8393作业人不佩戴防护用品物体打击、机械伤害8394气接业电焊作氧气乙块瓶过近火灾爆炸8395个人防护不当触电、烫伤8396液压阀、压力表顺坏火灾爆炸78397防回火装置失灵爆炸8398无证上岗触电122单位:部门:安监部12月1日

展开阅读全文
相关资源
猜你喜欢
相关搜索

当前位置:首页 > 建筑/环境 > 安全文明施工

copyright@ 2008-2023 1wenmi网站版权所有

经营许可证编号:宁ICP备2022001189号-1

本站为文档C2C交易模式,即用户上传的文档直接被用户下载,本站只是中间服务平台,本站所有文档下载所得的收益归上传人(含作者)所有。第壹文秘仅提供信息存储空间,仅对用户上传内容的表现方式做保护处理,对上载内容本身不做任何修改或编辑。若文档所含内容侵犯了您的版权或隐私,请立即通知第壹文秘网,我们立即给予删除!