道路施工危险源识别与风险评价.docx

上传人:p** 文档编号:456644 上传时间:2023-09-01 格式:DOCX 页数:5 大小:62.44KB
下载 相关 举报
道路施工危险源识别与风险评价.docx_第1页
第1页 / 共5页
道路施工危险源识别与风险评价.docx_第2页
第2页 / 共5页
道路施工危险源识别与风险评价.docx_第3页
第3页 / 共5页
道路施工危险源识别与风险评价.docx_第4页
第4页 / 共5页
道路施工危险源识别与风险评价.docx_第5页
第5页 / 共5页
亲,该文档总共5页,全部预览完了,如果喜欢就下载吧!
资源描述

《道路施工危险源识别与风险评价.docx》由会员分享,可在线阅读,更多相关《道路施工危险源识别与风险评价.docx(5页珍藏版)》请在第壹文秘上搜索。

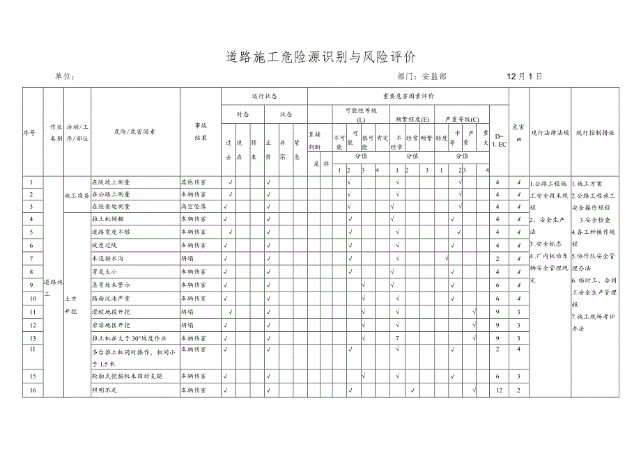
1、道路施工危险源识别与风险评价单位:部门:安监部12月1日序号作业类别活动/工序/部位危险/危害因素事故结果运行状态重要危害因素评价危害m现行法律法规现行控制措施时态状态可能性等级(L)频繁程度(E)严重等级(C)D=1.EC过去现在将来正常异常紧急直接判断不可能可能很可能肯定不经常经常频繁轻度中等严重重大是非分值分值分值123412312341道路施工施工准备在陡坡上测量其他伤害441.公路工程施工安全技术规程2、安全生产法3 .安全标志4 .厂内机动车辆安全管理规定1 .施工方案2 .公路工程施工安全操作规程3 .安全检查4 .各工种操作规程5 .协作队安全管理办法6 .临时工、合同工安全生

2、产管理赧7 .施工现场考评办法2在公路上测量车辆伤害443在险要处测量高空坠落444土方开挖推土机倾翻车辆伤害445道路宽度不够车辆伤害446坡度过陡车辆伤害447未设排水沟坍塌248弯度太小车辆伤害449急弯处未警示车辆伤害6410路面沆洼严重车辆伤害6411滑坡地段开挖坍塌9312岩溶地区开挖坍塌9313推土机在大于30坡度作业车辆伤害7931I多台推土机同时操作,相间小于1.5米车辆伤害2415轮胎式挖掘机未顶好支腿车辆伤害6316照明不足车辆伤害122危险源识别与风险评价一览表单位:部门:安监部12月1日序号作业类别活动/工序/部位危险/危害因素事故结果运行状态重要危害因素评价危害级别

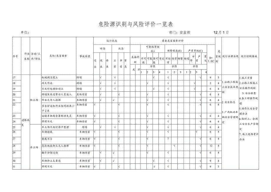
3、现行法律法规现行控制措施时态状态可能性等级(L)频繁程度(E)严重等级(C)D=1.EC过去现在将来正常异常紧急直接判断不可能可能很可能肯定不经常经常频繁轻度中等严重重大是非分值分值分值1234123123417道路施X取土场机械掏没挖土坍塌931 .公路工程施工安全技术规程2 .安全标志3 .厂内机动车辆安全管理规定1 .施工方案2 .公路工程施工安全操作规程3 .安全检查4 .各工种操作规程5 .协作队安全管理办法6 .临时工、合同工安全生产管期定7 .施工现场考评办法18雨天作业坍塌2419不及时处理松动土坍塌6420坍塌区未设警示人员误入其他伤害6421作业无专人指挥车辆伤害6422多

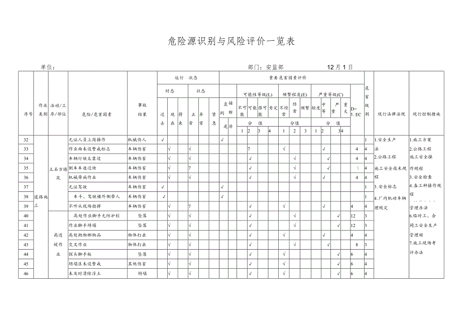
4、台铲运机作业相间距离小于2米车辆伤害6423运输车辆离合器制动失灵车辆伤害6424照明不足车辆伤害6425弃土场弃土场不及时推平整理坍塌6426车辆超载车辆伤害6427装载不匀车辆伤害76428危险地段卸土无人指挥车辆伤害12429翻斗卸顶过快车辆伤害6430车辆卸土太靠边车辆伤害9431照明不足车辆伤害93危险源识别与风险评价一览表单位:部门:安监部12月1日序号作业类别活动/工序/部位危险/危害因素事故结果运行状态重要危害因素评价危害级别现行法律法规现行控制措施时态状态可能性等级(L)频繁程度(E)严重等级(C)D=1.EC过现将正异紧直判接断不可能可能很可能肯定不经常经常频繁轻度中等严重

5、重大去在来常常急是非分值分值分值1234123123432无证人员上岗操作机械伤人11.安全生产1.施工方案33作业面未设警戒标志车辆伤害744法2.公路工程34土石方填筑车辆行驶太靠边车辆伤害442.公路工程施工安全操35倒车车速过快车辆伤害74施工安全技术规程3 .安全标志4 .厂内机动车辆安全管作规程3 .安全检查4 .各工种操作规程5 .协作队安全36机械带病作业车辆伤害4437无证驾驶车辆伤害138道路施工车斗、驾驶楼外侧带人车辆伤害139不听从现场指挥车辆伤害744理规定管理办法40高处作业脚手无防护栏坠落1236.临时工、合41作业脚手坍塌坠落123同工安全生产42高边高处抛物梆物品物体打击44管理顺43坡作交叉作业物体打击837.施工现场考44业探头脚手板坠落64评办法45坍塌区未设警戒其他伤害6446未及时清除浮土坍塌64危险源识别与风险评价一览表单位:部门:安监部12月1日序号作业类别活动/工序/部位危险/危害因素事故结果运行状态重要危害因素评价危害级别现行法律法规现行控制措施时态状态可能性等级(L)频繁程度(E)严重等级(C)D=LEC过去现在将来正常异常紧急直接判断不可能可能很可能肯定不经常经常频繁轻度中等严重重大是非分值分值分值1234123123447道路施X排水沟砌筑搅拌机安全装置失灵机械伤害8

展开阅读全文
相关资源
猜你喜欢
相关搜索

当前位置:首页 > 论文 > 管理论文

copyright@ 2008-2023 1wenmi网站版权所有

经营许可证编号:宁ICP备2022001189号-1

本站为文档C2C交易模式,即用户上传的文档直接被用户下载,本站只是中间服务平台,本站所有文档下载所得的收益归上传人(含作者)所有。第壹文秘仅提供信息存储空间,仅对用户上传内容的表现方式做保护处理,对上载内容本身不做任何修改或编辑。若文档所含内容侵犯了您的版权或隐私,请立即通知第壹文秘网,我们立即给予删除!