切断机床保养标准.docx

上传人:p** 文档编号:461369 上传时间:2023-09-06 格式:DOCX 页数:3 大小:21.23KB
下载 相关 举报
切断机床保养标准.docx_第1页
第1页 / 共3页
切断机床保养标准.docx_第2页
第2页 / 共3页
切断机床保养标准.docx_第3页
第3页 / 共3页
亲,该文档总共3页,全部预览完了,如果喜欢就下载吧!
资源描述

《切断机床保养标准.docx》由会员分享,可在线阅读,更多相关《切断机床保养标准.docx(3页珍藏版)》请在第壹文秘上搜索。

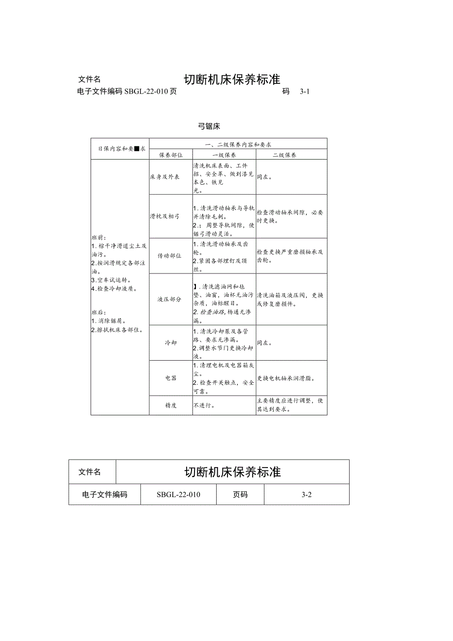
1、文件名切断机床保养标准电子文件编码SBGL-22-010页码3-1弓锯床日保内容和要求一、二级保养内容和要求保养部位一级保养二级保养班前:1 .棕干净滑道尘土及油污。2 .按润滑规定各部注油。3 .空车试运转。4 .检查冷却液质。班后:1 .消除锯屑。2 .擦拭机床各部住。床身及外表清洗机床表面、工件招、安全革、做到漆见本色、铁见光。同左。滑枕及相弓1 .清洗滑动轴承与导轨并清除毛刺。2 .;周整导轨间隙,使锯弓滑动灵活。检查滑动轴承间隙,必要时更换。传动部位1 .清洗滑动轴承及齿轮。2 .紧固各部埋钉及顶丝。检查更换严重磨损轴承及齿轮。液压部分】.清洗滤油网和毡垫、油窗,油杯无油污杂质,油标

2、醒目。2.检查油路,杨通无渗漏。清洗油箱及液压阀,更换或修复磨损件。冷却1 .清洗冷却泵及各管路、要求无渗漏。2 .调整水节门更换冷却液。同左。电器1 .清理电机及电器箱灰尘。2 .检查开关触点,安全可靠。更换电机轴承涧滑脂。精度不进行。主要精度应进行调整,使其达到要求。文件名切断机床保养标准电子文件编码SBGL-22-010页码3-2圆锯床日保内容和要求一、二级保养内容和要求保养部位一级保养二级保养班前:1 .擦拭干净各导轨面尘土及脏物。2 .按洞滑规定各部位加油,检查油位。3 .检查安全防护装置。1.空车试运转。班后:1 .清除催屑。2 .擦拭机床各部外表。机床各部归位。床身及外表1 .清

3、洗机床表面及死角。做到漆见本色铁见光。2 .清除各滑动面刺,并史齐各部手柄球螺丝帽等同左。得刀箱】.调整皮带松紧适当。2.调整楔铁间隙松紧适当。1 .清洗锅刀箱,调整主轴间隙,更换严重磨损件另件。2 .更换新油。夹紧装置检查调整夹紧装量,使之灵活有效。同左。液压部分1 .清洗检查各油路,拆洗滤油网,做到无油污杂质,油标醒目,油路畅通。2 .调整油泵压力使其正箫。1 .清洗油箱、更换新油。2 .清洗检查各阀,如有磨损应进行修复和史换。文件名切断机床保养标准电子文件编码SBGL-22-010页码3-3(续)同上一、二级保养内容和要求保养部位一级保养二级保养冷却1 .检查冷却管路无渗漏。2 .更换冷却液。清洗冷却泵及冷却端。电科1 .清理电器箱、电机灰尘。2 .检查开关触点,安全可靠。清理检查电器箱,更换电机润滑脂.更换必要的电器另件。精度不进行。检查调整安装精度,使其达到要求。

展开阅读全文
相关资源
猜你喜欢
相关搜索

当前位置:首页 > 行业资料 > 国内外标准规范

copyright@ 2008-2023 1wenmi网站版权所有

经营许可证编号:宁ICP备2022001189号-1

本站为文档C2C交易模式,即用户上传的文档直接被用户下载,本站只是中间服务平台,本站所有文档下载所得的收益归上传人(含作者)所有。第壹文秘仅提供信息存储空间,仅对用户上传内容的表现方式做保护处理,对上载内容本身不做任何修改或编辑。若文档所含内容侵犯了您的版权或隐私,请立即通知第壹文秘网,我们立即给予删除!