煤气发电站汽轮机运行规程.docx

上传人:p** 文档编号:462880 上传时间:2023-09-06 格式:DOCX 页数:65 大小:109.87KB
下载 相关 举报
煤气发电站汽轮机运行规程.docx_第1页
第1页 / 共65页
煤气发电站汽轮机运行规程.docx_第2页
第2页 / 共65页
煤气发电站汽轮机运行规程.docx_第3页
第3页 / 共65页
煤气发电站汽轮机运行规程.docx_第4页
第4页 / 共65页
煤气发电站汽轮机运行规程.docx_第5页
第5页 / 共65页
煤气发电站汽轮机运行规程.docx_第6页
第6页 / 共65页
煤气发电站汽轮机运行规程.docx_第7页
第7页 / 共65页
煤气发电站汽轮机运行规程.docx_第8页
第8页 / 共65页
煤气发电站汽轮机运行规程.docx_第9页
第9页 / 共65页
煤气发电站汽轮机运行规程.docx_第10页
第10页 / 共65页
亲,该文档总共65页,到这儿已超出免费预览范围,如果喜欢就下载吧!
资源描述

《煤气发电站汽轮机运行规程.docx》由会员分享,可在线阅读,更多相关《煤气发电站汽轮机运行规程.docx(65页珍藏版)》请在第壹文秘上搜索。

1、煤气发电站汽轮机运行规程汽轮发电机组的主要性能参数1.汽轮机主汽门前蒸汽压力MPa(a)3.43最高3.63最低3.14主汽门前蒸汽温度435最局445最低420主汽门前蒸汽流量t/h99汽轮机额定功率MW25最大功率MW27.5额定工况排汽压力kPa(a)5.9锅炉给水温度104.2冷却水温度20额定工况汽轮机汽耗(计算值)kg/kW.h3.913额定工况汽轮机热耗(计算值)kJ/kW.h11221额定工况汽轮机汽耗(保证值)kg/kW.h4.031额定工况汽轮机热耗(保证值)kJ/kW.h11558额定工况第一级低加抽汽压力Mpa(a)0.033额定工况第一级低加抽汽温度71.6额定工况第

2、二级低加抽汽压力Mpa(a)0.118额定工况第二级低加抽汽温度104.4额定工况第二级低加抽汽量t/h5.34额定工况下除氧器抽汽压力Mpa(a)0.194额定工况下除氧器抽汽温度136.7额定工况下除氧器抽汽量t/h1.444汽轮机转向(从机头向机尾看)顺时针方向汽轮机额定转速r/min3000汽轮机单个转子临界转速r/min1690汽轮机轴承处允许最大振动mm0.03过临界转速时轴承处允许最大振动mm0.10汽轮机中心高(距运转平台)mm900汽轮机本体总重t75汽轮机上半总重(连同隔板上半等)t19汽轮机下半总重(不连同隔板下半等)t21汽轮机转子总重t10.7汽轮机转子转动惯量kg.

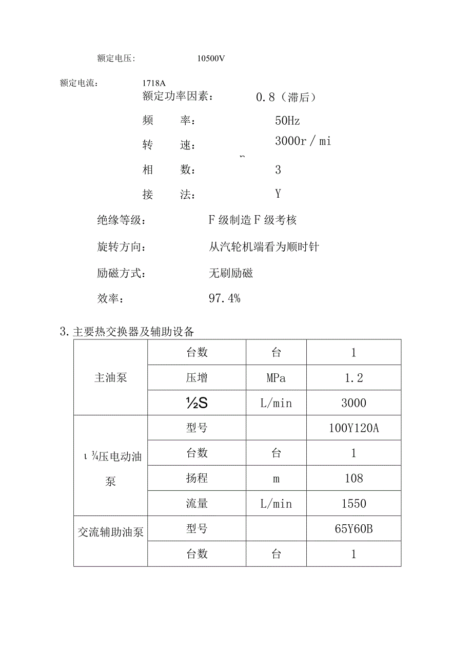
3、m21153汽轮机本体最大尺寸(长X宽X高)mm6563489036852.发电机型号:QFw-25-2A额定工况第一级低加抽汽量t/h5.559额定功率:25000kW10500V额定电压:额定电流:1718A额定功率因素:0.8(滞后)频率:50Hz转速:3000rmin相数:3接法:Y绝缘等级:F级制造F级考核旋转方向:从汽轮机端看为顺时针励磁方式:无刷励磁效率:97.4%3.主要热交换器及辅助设备主油泵台数台1压增MPa1.2SL/min3000压电动油泵型号100Y120A台数台1扬程m108流量L/min1550交流辅助油泵型号65Y60B台数台1扬程m34流量L/min400直流

4、辅助油泵型号65Y60B台数台1扬程m34L/min400注油器(I)台数台1出口油压MPa0.1流量L/min1500注油器(II)台数台1出口油压MPa0.2流量L/min1000冷油器型式YL-40-1台数台2冷却面积m220冷却油量L/min800冷却水量t/h117.5油箱容积m38汽封加热器型式JQ-23-1台数台1传热面积m223冷却水量t/h50凝汽器型号N-2400-4型式分列二道制表面式冷却面积m22400管子材料316管子规格mm250.7无水时净重t35.6水室内最大允许水压MPa0.25凝结水泵型号6N6台数台2扬程mH2O54流量m3/h90低压加热器型号台数台1传

5、热面积m2120管程设计温度165壳程设计温度250管程设计压力MPa1.5壳程设计压力MPa0.4低压加热器型号台数台1传热面积m2120设计温度100管程设计压力MPa1.5壳程设计压力MPa0.1射水抽气器型号CS-25-2工作水压力MPa0.392(绝对)工作水量t/h105抽器气量kg/h7.5射水泵型号IS200-150-400台数台2扬程Hl50流量m3/h1504运行参数控制序号控制点名称单.位指标最高最低联锁说明1主汽门前蒸汽压力MPa3.43-0.293.633.142主汽门前蒸汽温度435+10154454203汽轮机转速r/min3000+303000-304汽轮机额定

6、功率MW255排汽压力MPa-0.087报警,-0.061停机6排汽温度空负荷VlO0,带负荷657汽封压力MPa0.027-0.058冷油器出口油+540-54535温9空冷器出口风温2040402010油箱油位mm-150+10011轴承处振动m60260报警,N150停机12轴向位移mm+1.0,-0.6报警,+1.3,-0.7停机13轴承回油温度65报警,75停机14止推轴承瓦块温度100报警,110停机15支承轴瓦温度100报警,110停机16发电机定子铁芯温度温升V8017润滑油压力MPa0.078-0.14718滤油器压差MPa0.3519热井液位mmN700或WloO报警20射

7、水箱的水温小于2621胀差mm3,-2报警,3.5,-2.5停机22保安油压MPaLO停机润滑油压保护:1、主油泵出口油压低至1.OMPa时报警并联动高压电动油泵;2、低至0.055MPa时报警并联动交流电动油泵;3、低至0.040MPa时报警并联动直流电动油泵;4、低至0.02MPa时发讯停机;5、低至0.015MPa时发讯停止盘车。汽轮机的保护及试验汽轮机启动前的保护试验汽轮机的主机静态保护试验(试验在主蒸汽系统和供热蒸汽系统隔离严密的情况下进行)a)启动高压油泵,危急遮断器挂闸,DEH复位并确认无报警,全开电动主汽门,开自动主汽门至1/3处,开启抽汽逆止阀,进行如下动作:a)手拍危急遮断

8、器,自动主汽门及抽汽阀应迅速关闭。b)在电脑上操作“紧急停机”,自动主汽门及抽汽阀应迅速关闭。油压保护试验a)启动高压油泵。b)投入高压电动油泵联锁,停高压电动油泵,当主油泵出口油压降至LOMPa时高压电动油泵应自行启动。c)投入交流电动油泵联锁,停高压电动油泵,待润滑油压降至0055MPa时,交流油泵应自行启动。d)启动高压电动油泵,停下交流电动油泵,解除交流润滑油泵联锁;投入直流电动油泵联锁,停高压电动油泵,待润滑油压降至0.040MPa时,直流油泵应自行启动。e)投入电动盘车,并将盘车联锁投入;停直流电动油泵,待润滑油压降至0.015MPa时盘车装置应自动停止。f)试验结束后,启动高压电

9、动油泵,停用直流油泵,投上电动盘车,维持机组油循环和盘车运行。联系仪表人员通过模拟信号进行下列保护试验:序号项目单位报警值停机值联锁内容1汽机超速r/min324033002轴向位移mm+1.0,-0.6+1.3,-0.73润滑油压力MPa0.0250.01964凝汽器真空低MPa-0.087-0.061发电机跳闸保护试验b)启动高压电动油泵,将危急遮断器挂闸,全开电动主汽门,开自动主汽门至1/3处。c)联系电气人员合上发电机开关,由电气人员送上发电机主保护故障信号,此时发电机开关应跳闸,自动主汽门、抽汽逆止阀应迅速关闭。d)所有检查试验合格后作好记录,恢复高压电动油泵运行,投入电动盘车装置。

10、汽轮机辅助设备试验凝结水泵的联锁试验a)按“阀门检查卡”检查两台水泵的阀门。b)启动一台凝结水泵,投入水泵联锁;c)就地按运转泵的事故按钮,运行泵停止,备用泵应能自动投入运行;d)用同样方法作另一台泵的联锁试验;e)一切正常后,运转一台凝结水泵,维持热井水位在2/3处。射水泵的联锁试验:a)按“阀门检查卡”检查两台水泵的阀门。b)启动一台射水泵,将另一台水泵投入联锁;c)就地按运转泵的事故按钮,运行泵停止,备用泵应能自动投入运行;d)用同样方法作另一台泵的联锁备用试验;e)一切正常后,停下射水泵。汽轮机启动(冷态滑参数启动)1.总则汽轮机在下列情况下禁止启动或投入运行。调节系统无法维持机组空负

11、荷运行或机组甩负荷后,调速系统不能控制转速。危急保安器动作不正常。自动主汽门、调节汽阀、抽汽逆止阀卡涩及关闭不严时。汽轮机油油质不合格时或主油箱油位低于允许值。主要仪表工作失常,如轴向位移、真空、差胀、转速、润滑油压、主要汽缸金属温度表等。主要汽机保护装置不能正常投入,如轴向位移、超速、低真空、低油压等。高压油泵、交、直流润滑油泵或盘车装置不能正常投入运行。上、下汽缸温差50以上。汽轮机转动部分有明显的磨擦声。2,准备工作a)值班长接到启动汽轮机的命令后,应通知相关人员,做好启动前的一切准备工作。b)检查机组启动环境和准备工作是否妥善、工作场所应整齐清洁。c)检查机组的检修工作已全部结束,保温

12、良好,现场照明充分,符合投运条件。d)准备好必要的操作用具、工具、记录本、抄表纸、操作票及其它试验记录纸。e)水泵、油泵等转动机械设备应完整,盘动转子时应无卡涩现象,轴承润滑油质合格,油量充足。f)主油箱油位正常,油箱底部积水放尽,油温在25以上。g)射水箱加水至正常水位,并应有一定溢流水量。h)按启动检查卡,对各设备、阀门位置进行检查。i)检查各辅机电机绝缘合格,送上电源后,进行联锁试验正常。各电动阀门限位开关应动作正确。j)送上各保护、仪表、报警信号、DEH,热控系统及微机电源,投入各表计。联锁、保护整定值应正确,各种保护、自动控制装置能正常工作。热工、电气各联锁保护开关应在解除位置。k)联系锅炉做好与汽轮机启动有关的准备工作。1)机组大修后启动时,应配合仪表、电气对主、辅机热工联锁保护及自投系统进行试验;机组大小修后或连续运行半年以上,均应利用停机机会,配合热工进行低油压联动试验。m)按汽轮机调节级处下缸内壁温度划

展开阅读全文
相关资源
猜你喜欢
相关搜索

当前位置:首页 > 行业资料 > 能源与动力工程

copyright@ 2008-2023 1wenmi网站版权所有

经营许可证编号:宁ICP备2022001189号-1

本站为文档C2C交易模式,即用户上传的文档直接被用户下载,本站只是中间服务平台,本站所有文档下载所得的收益归上传人(含作者)所有。第壹文秘仅提供信息存储空间,仅对用户上传内容的表现方式做保护处理,对上载内容本身不做任何修改或编辑。若文档所含内容侵犯了您的版权或隐私,请立即通知第壹文秘网,我们立即给予删除!