钻床保养标准.docx

上传人:p** 文档编号:463740 上传时间:2023-09-06 格式:DOCX 页数:5 大小:26.64KB
下载 相关 举报
钻床保养标准.docx_第1页
第1页 / 共5页
钻床保养标准.docx_第2页
第2页 / 共5页
钻床保养标准.docx_第3页
第3页 / 共5页
钻床保养标准.docx_第4页
第4页 / 共5页
钻床保养标准.docx_第5页
第5页 / 共5页
亲,该文档总共5页,全部预览完了,如果喜欢就下载吧!
资源描述

《钻床保养标准.docx》由会员分享,可在线阅读,更多相关《钻床保养标准.docx(5页珍藏版)》请在第壹文秘上搜索。

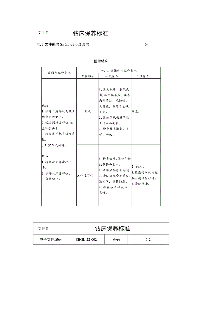
1、文件名钻床保养标准电子文件编码SBGL-22-002页码5-1摇臂钻床日保内容和要求一、二级保养内容和要求保养部位一级保养二级保养班前:1 .擦净外露导轨面及工作台面的尘土。2 .规定洞清各部位.油量符合要求。3 .检查各手柄灵活可靠性。,1.空车试运转。班后:1 .将铁屑全部清扫干净。2 .擦净机床各部位。3 .部件归位。外表1 .清洗机床外表及死角,拆洗各罩盖、要求内外清洁、无锈蚀、无黄袍,漆见本色铁见光。2 .清洗导轨面及清除工作台面毛刺。3 .检查补齐螂钉、手球、手板。同左。主轴进刀箱1 .检查油质、保持良好,油量符合要求。2 .清除主轴修孔毛刺。3 .清洗液压变速系统、滤油网,调整油

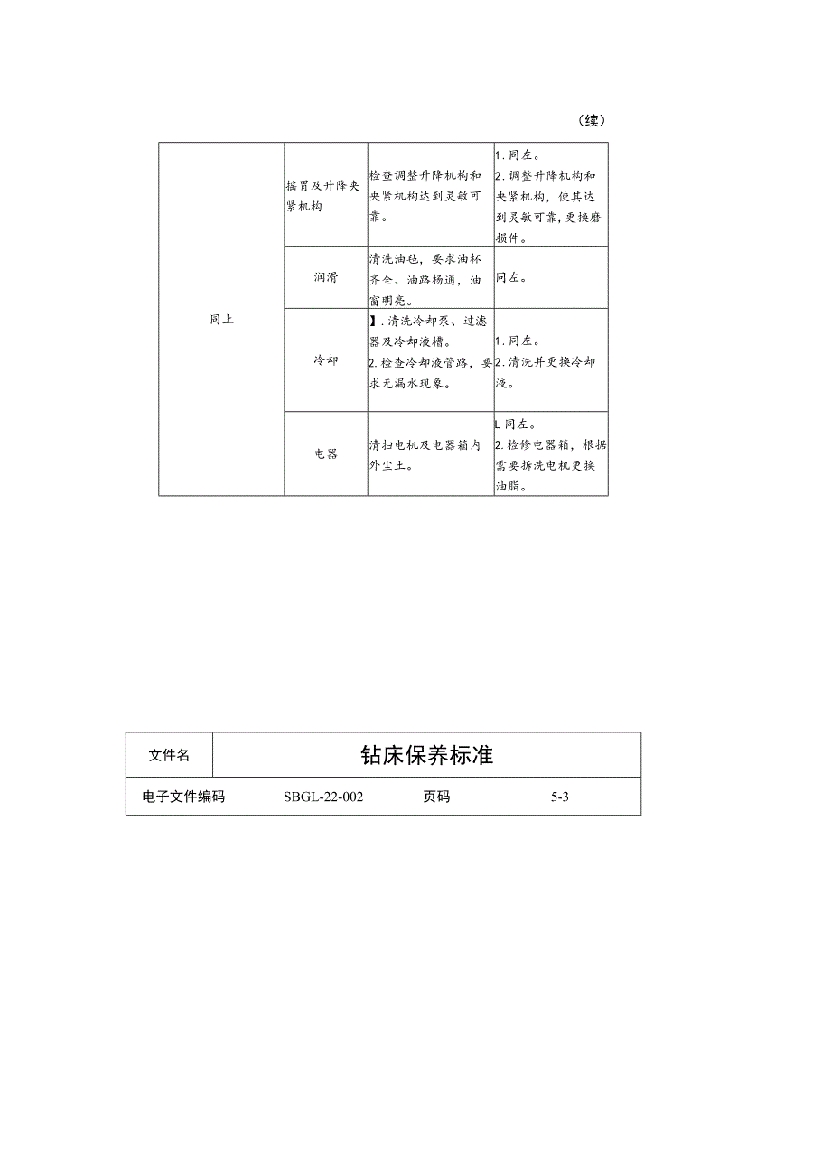
2、压。4 .检查各手柄灵活可靠性。】同左。2.检查传动机构更换必要的磨损件。3.清洗换油。文件名钻床保养标准电子文件编码SBGL-22-002页码5-2(续)同上摇胃及升降夹紧机构检查调整升降机构和央紧机构达到灵敏可靠。1 .同左。2 .调整升降机构和央紧机构,使其达到灵敏可靠,更换磨损件。润滑清洗油毡,要求油杯齐全、油路杨通,油窗明亮。同左。冷却】.清洗冷却泵、过滤器及冷却液槽。2.检查冷却液管路,要求无漏水现象。1 .同左。2 .清洗并更换冷却液。电器清扫电机及电器箱内外尘土。L同左。2.检修电器箱,根据需要拆洗电机更换油脂。文件名钻床保养标准电子文件编码SBGL-22-002页码5-3立式

3、钻床日保内容和要求一、二级保养内容和要求保养部位一级保养二级保养班前:1 .擦净外露导轨面及工作台面的尘土。2 .按规定润滑各部位,油量苻合要求。3 .检查各手柄灵活可靠。4 .空车试运转。班后:1 .将铁屑全部清扫干净。2 .擦净机床各部位。3 .部件归位。外表1 .清洗机床外衣及死角,拆洗各革盖,要求内外清洁、无锈蚀、无黄袍,漆见本色铁见光。2 .清除导轨面及工作台面上的建碰苞刺。3 .检查补齐埋钉、手球、手板。4 .清洗工作台、丝杠、齿条、伞齿轮,要求无油污。同左。主轴进刀箱1 .检查油质,保持良好,油量符合要求。2 .清除主轴锥孔毛刺。3 .检查调整电机皮带,要求松紧适宜。4 .检查各

4、手柄灵活可靠性。1 .同左。2 .检查传动机构,并更换必要的磨损件。3 .清洗换油。文件名钻床保养标准电子文件编码SBGL-22-002页码5-4(续)同上润滑清洁油毡,要求油杯齐全、油路畅通、油窗明亮。同左。冷却1 .清洗冷却泵过滤器及冷却液槽。2 .检查冷却液管路,保持无漏水现象。1 .同左。2 .清洗并更换冷却液。电器清扫电机及电器箱内外尘土。1 .同左。2 .检修电器,根据需要拆洗电机,更换油脂。文件名钻床保养标准电子文件编码SBGL-22-002页码5-5深孔钻床日保内容和要求一、二级保养内容和要求保养部位一级保养二级保养班前:1 .擦净外露导轨面及工作台面的尘土。2 .按规定洞滑各

5、外衣1 .清洗机床外表及死角,拆洗各革盖,要求内外清洁、无锈蚀、无黄袍,漆见本色铁见光。2 .检查补齐螺钉、手球、手柄。3 .清除导轨面毛刺。1 .同左。2 .对导轨面研伤部位进行必要的修复。求。3 .检查各手柄位置。4 .空车试运转。走刀箱、变速箱1 .检查油压,保树良好,油量苻合要求。2 .清除油线、油毡。3 .检查各手柄是否灵活可靠。1 .同左。2 .走刀箱、变速箱整体拆下,清洗换油,检查并更换必要的磨损件。班后:1 .将铁屑全部清扫干净。2 .擦净机床各部位。洞滑冷却1 .清洗过滤器、冷却泵、冷却槽。2 .疏通油路,注入新油。1 .同左。2 .检修涧滑泵、冷却泵,更换必要的磨损件。3.部件归位。电器清扫电机及电器箱内外尘土。1 .同左。2 .检查电器,根据需要拆洗电机更换油脂。

展开阅读全文
相关资源
猜你喜欢
相关搜索

当前位置:首页 > 汽车/机械/制造 > 数控机床

copyright@ 2008-2023 1wenmi网站版权所有

经营许可证编号:宁ICP备2022001189号-1

本站为文档C2C交易模式,即用户上传的文档直接被用户下载,本站只是中间服务平台,本站所有文档下载所得的收益归上传人(含作者)所有。第壹文秘仅提供信息存储空间,仅对用户上传内容的表现方式做保护处理,对上载内容本身不做任何修改或编辑。若文档所含内容侵犯了您的版权或隐私,请立即通知第壹文秘网,我们立即给予删除!