PLC基本技能实操——实训十三 自动售货机控制.docx

上传人:p** 文档编号:469355 上传时间:2023-09-09 格式:DOCX 页数:4 大小:61.93KB
下载 相关 举报
PLC基本技能实操——实训十三 自动售货机控制.docx_第1页
第1页 / 共4页
PLC基本技能实操——实训十三 自动售货机控制.docx_第2页
第2页 / 共4页
PLC基本技能实操——实训十三 自动售货机控制.docx_第3页
第3页 / 共4页
PLC基本技能实操——实训十三 自动售货机控制.docx_第4页
第4页 / 共4页
亲,该文档总共4页,全部预览完了,如果喜欢就下载吧!
资源描述

《PLC基本技能实操——实训十三 自动售货机控制.docx》由会员分享,可在线阅读,更多相关《PLC基本技能实操——实训十三 自动售货机控制.docx(4页珍藏版)》请在第壹文秘上搜索。

1、实训十三自动售货机控制一、实训目的1 .掌握计数器指令的使用及编程2 .掌握自动售货机控制系统的接线、调试、操作3 5 V+OD3OSQ2。RQSQ1O 卬0S1OL2ODo UocoBoAo吻。SDOM1O实训设备序号名称型号与规格数量备注1实训装置THPFSL-1/212实训挂箱A1513导线3号若干4通讯编程电缆SC-091三菱5实训I指导书THPFSL-1/216计算机(带编程软件)1自备四、控制要求1 .总体控制要求:如面板图所示,按Ml、M2、M3按钮,模拟投入货币,YO显示投入的货币的数量,按动“QS”和“CF”按钮分别代表购买“汽水”和“咖啡”。出口处的“E”和“F”表示“汽水

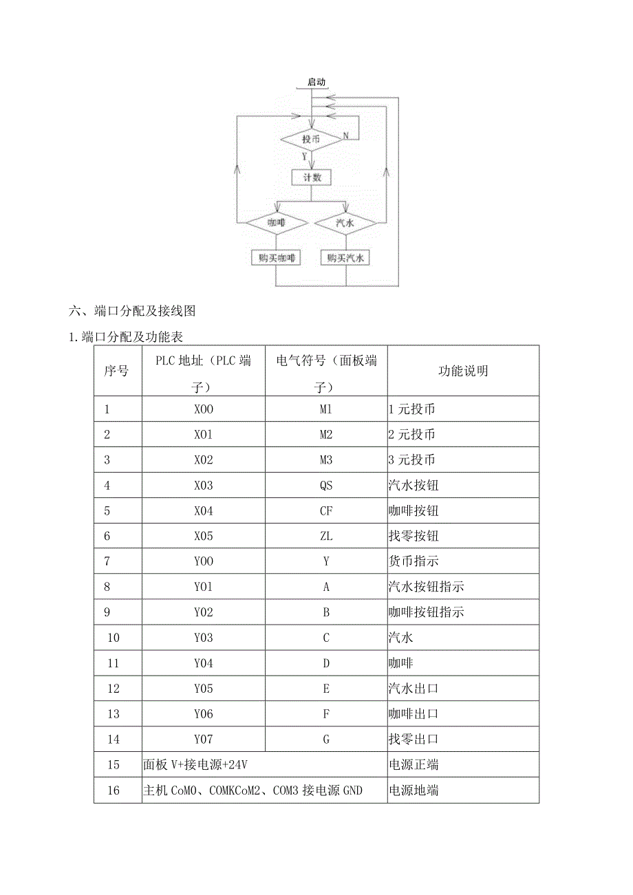
2、”和“咖啡”已经取出。购买后YO显示剩余的货币,按下“ZL”找零按键。2 .按下“Ml”、“M2”、“M3”三个开关,模拟投入1元、2元、3元的货币,投入的货币可以累加起来,通过YO的数码管显示出当前投入的货币总数。3 .售货机内的二种饮料有相对应价格,当投入的货币大于等于其售价时,对应的汽水指示灯C、咖啡指示灯D点亮,表示可以购买。4 .当可以购买时,按下相应的“汽水按钮”或“咖啡按钮”,同时与之对应的汽水指示灯C或咖啡指示灯B点亮。表示已经购买了汽水或咖啡。5 .在购买了汽水或咖啡后,YO显示当前的余额,按下“找零按钮”后,YO显示00,表示已经清零五、功能指令使用及程序流程图1 .计数器

3、指令使用ADDK3DODOJISlS2D加法计数器,将源数据(S1,S2)合并,将合并结果保存到指定的目标软元件D中。-SUBDOK5DO)SlS2D减法计数器,源软元件数据中,S2减去源软元件Sl的数据内容,将合并结果或余数保存到指定的目标软元件D中。2 .程序流程图启动六、端口分配及接线图1.端口分配及功能表序号PLC地址(PLC端子)电气符号(面板端子)功能说明1XOOMl1元投币2XOlM22元投币3X02M33元投币4X03QS汽水按钮5X04CF咖啡按钮6X05ZL找零按钮7YOOY货币指示8YOlA汽水按钮指示9Y02B咖啡按钮指示10Y03C汽水11Y04D咖啡12Y05E汽水

4、出口13Y06F咖啡出口14Y07G找零出口15面板V+接电源+24V电源正端16主机CoM0、COMKCoM2、COM3接电源GND电源地端-rj-,1X1一q.-j-t0R3rsJV(LT-IGND+24VBCDEmo)om1)1m22)3m3456)7COYOCONYOCOMYOYOCOMYOYOYOYOMdM幅XH0M000102Cxxx2. PLC外部接线图1。nn1兀o不/人Q *3兀找零七、操作步骤1 .检查实训设备中器材及调试程序。2 .按照I/O端口分配表或接线图完成PLC与实训模块之间的接线,认真检查,确保正确无误。3 .打开示例程序或用户自己编写的控制程序,进行编译,有错

5、误时根据提示信息修改,直至无误,用SC-09通讯编程电缆连接计算机串口与PLC通讯口,打开PLC主机电源开关,下载程序至PLC中,下载完毕后将PLC的“RUN/ST0P”开关拨至“RUN”状态。4 .按下“1元”、“2元”、“3元”按钮后。YO的数码管显示出当前投入的货币总数。5 .当投入的货币大于等于商品售价时,对应的汽水指示灯C、咖啡指示灯D点亮,表示可以购买。6 .当可以购买时,按下相应的“汽水按钮”或“咖啡按钮”,同时与之对应的汽水指示灯C或咖啡指示灯B点亮。表示已经购买了汽水或咖啡。7 .在购买了汽水或咖啡后,YO显示当前的余额,按下“找零按钮”后,YO显示00,表示已经清零八、实训总结1 .总结计数器指令的使用方法。2 .总结记录PLC与外部设备的接线过程及注意事项。

展开阅读全文
相关资源
猜你喜欢
相关搜索

当前位置:首页 > 汽车/机械/制造 > 电气技术

copyright@ 2008-2023 1wenmi网站版权所有

经营许可证编号:宁ICP备2022001189号-1

本站为文档C2C交易模式,即用户上传的文档直接被用户下载,本站只是中间服务平台,本站所有文档下载所得的收益归上传人(含作者)所有。第壹文秘仅提供信息存储空间,仅对用户上传内容的表现方式做保护处理,对上载内容本身不做任何修改或编辑。若文档所含内容侵犯了您的版权或隐私,请立即通知第壹文秘网,我们立即给予删除!