-大连动车所室外蒸汽管道安装施工方案.docx

上传人:p** 文档编号:472291 上传时间:2023-09-10 格式:DOCX 页数:13 大小:46.97KB
下载 相关 举报
-大连动车所室外蒸汽管道安装施工方案.docx_第1页
第1页 / 共13页
-大连动车所室外蒸汽管道安装施工方案.docx_第2页
第2页 / 共13页
-大连动车所室外蒸汽管道安装施工方案.docx_第3页
第3页 / 共13页
-大连动车所室外蒸汽管道安装施工方案.docx_第4页
第4页 / 共13页
-大连动车所室外蒸汽管道安装施工方案.docx_第5页
第5页 / 共13页
-大连动车所室外蒸汽管道安装施工方案.docx_第6页
第6页 / 共13页
-大连动车所室外蒸汽管道安装施工方案.docx_第7页
第7页 / 共13页
-大连动车所室外蒸汽管道安装施工方案.docx_第8页
第8页 / 共13页
-大连动车所室外蒸汽管道安装施工方案.docx_第9页
第9页 / 共13页
-大连动车所室外蒸汽管道安装施工方案.docx_第10页
第10页 / 共13页
亲,该文档总共13页,到这儿已超出免费预览范围,如果喜欢就下载吧!
资源描述

《-大连动车所室外蒸汽管道安装施工方案.docx》由会员分享,可在线阅读,更多相关《-大连动车所室外蒸汽管道安装施工方案.docx(13页珍藏版)》请在第壹文秘上搜索。

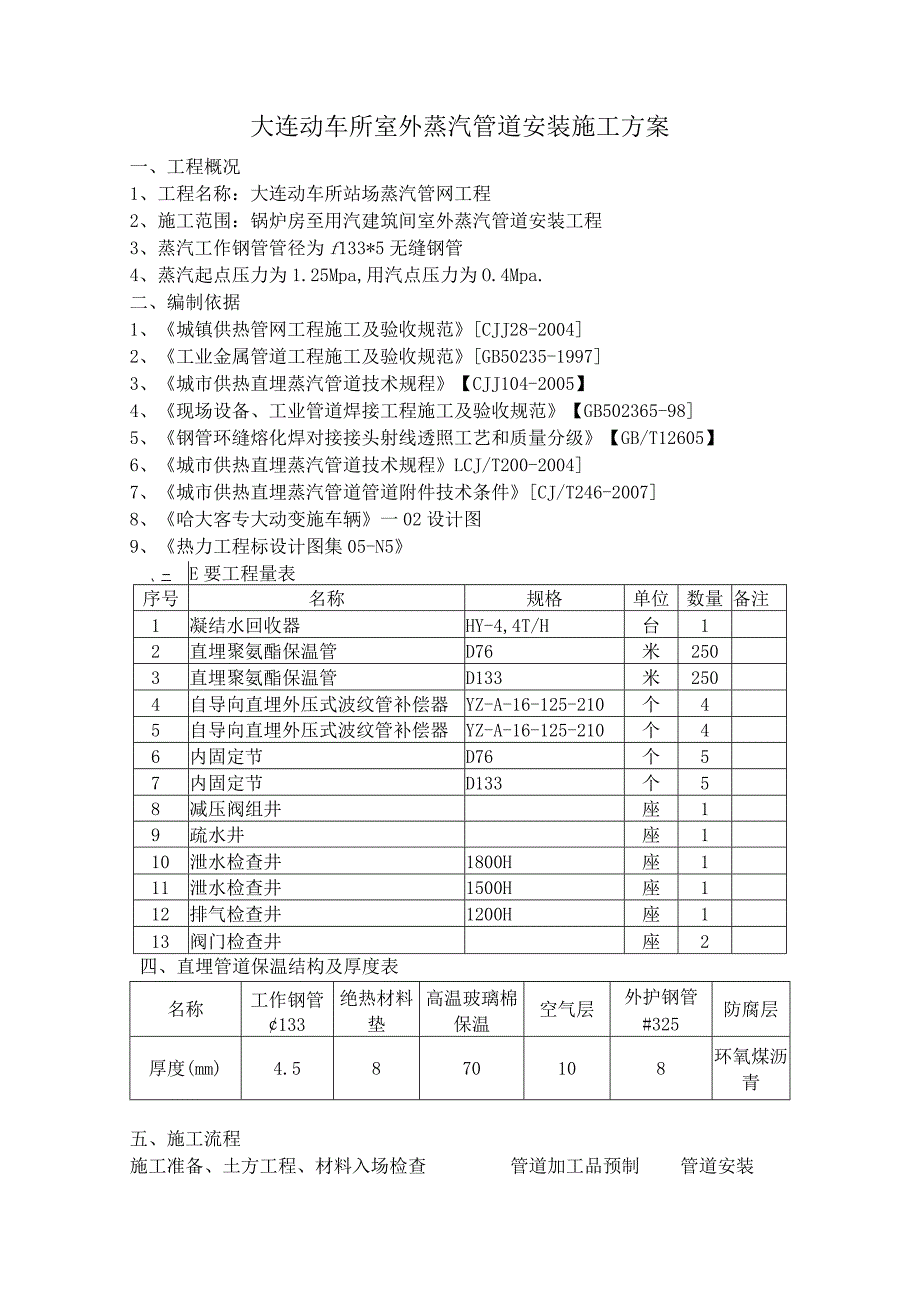
1、大连动车所室外蒸汽管道安装施工方案一、工程概况1、工程名称:大连动车所站场蒸汽管网工程2、施工范围:锅炉房至用汽建筑间室外蒸汽管道安装工程3、蒸汽工作钢管管径为f133*5无缝钢管4、蒸汽起点压力为1.25Mpa,用汽点压力为O.4Mpa.二、编制依据1、城镇供热管网工程施工及验收规范CJJ28-20042、工业金属管道工程施工及验收规范GB50235-19973、城市供热直埋蒸汽管道技术规程【CJJ104-2005】4、现场设备、工业管道焊接工程施工及验收规范【GB502365-985、钢管环缝熔化焊对接接头射线透照工艺和质量分级【GB/T12605】6、城市供热直埋蒸汽管道技术规程LCJ/

2、T200-20047、城市供热直埋蒸汽管道管道附件技术条件CJ/T246-20078、哈大客专大动变施车辆一02设计图9、热力工程标设计图集05-N5、二E要工程量表序号名称规格单位数量备注1凝结水回收器HY-4,4T/H台12直埋聚氨酯保温管D76米2503直埋聚氨酯保温管D133米2504自导向直埋外压式波纹管补偿器YZ-A-16-125-210个45自导向直埋外压式波纹管补偿器YZ-A-16-125-210个46内固定节D76个57内固定节D133个58减压阀组井座19疏水井座110泄水检查井1800H座111泄水检查井1500H座112排气检查井1200H座113阀门检查井座2四、直埋

3、管道保温结构及厚度表名称工作钢管133绝热材料垫高温玻璃棉保温空气层外护钢管#325防腐层厚度(mm)4.5870108环氧煤沥青五、施工流程施工准备、土方工程、材料入场检查管道加工品预制管道安装试验吹扫调试交工5.1.1施工准备(1)熟悉、审查图纸及设计文件,并适时参加设计交底;(2)弄清工程内容、工程量、工作量;(3)编制管程施工技术方案,并组织进行技术交底;(4)准备施工机具及工程设施(5)组织施工队伍,培训人员(含焊工);(6)合理布置施工平面,并按要求平整场地,铺设管路,接通水电及安装设置所需的大型临时设施;(7)管材、管件、阀门等的储备量已打道60%以上,其它材料亦有适当储备,并能

4、陆续进入现场,保证连续施工。5.1.2土方工程(1)蒸汽管道工程的放线与测量前完成定位和高程的测量布点工作,并对基准点采用保护措施,应作出明显标记;施工测量应沿管道线路设置于观测的临时水准点和管道轴线控制桩,应采取保护措施,在管道线路与原有地下管道、电缆及其他构筑物交叉处的地面上设置明显标记;(2)管沟开挖深度按设计图管线标高的要求,深度应超出管底200mm,其他管挖至管底标高;沟槽深度的控制:当挖土深度接近沟槽底标高时,应在沟槽壁上距设计底标高300500mm处,用水准仪布设水平标桩,间距不大于10m,最后挖土时,操作人员可据其拉水平线,用30050Omnl样棒作为清底找平,铲除脚泥的标准。

5、(3)管道沟底开挖宽度宜按下列公式计算:BH=D12(bb2)式中:BH管道沟槽底部的开挖宽度,mmDh管道结构的外缘宽试,mmb管道一侧的工作面宽度,可按下表选用,mmb2管道一侧的支撑厚度,取150200m本工程根据设计图纸及现场情况按以下方法开挖:对成排管(间距1米内)根据各自的深度可以整体开挖,单根管可参照上述公式开挖,本工程的管底深度均在三米以内,地质为岩石和粘土,开挖后可在易坍塌的局部设置支撑,并在有地下水的管沟内设置排水沟,管道连接工作部分可在地面进行,在管沟适当位置设置工作坑,而不必全部设置工作面,因此管沟的开挖宽度可根据现场实际情况调整;表1(管道一侧工作面宽度):单位:mm

6、管道结构的外缘宽度Dh管道一侧的工作面宽度非金属管道金属管5004003005001000.3L%且W80立管垂直度0.5L%且W30成排管道间距15交叉管外壁或隔热后间距20注:L为管子的有效长度(3)焊接材料的牌号、规格要符合设计要求,焊接材料的质量要符合现行国家标准的规定。(4)焊条、焊丝等焊接材料使用前要按照出厂说明书和焊接工艺要求的规定进行烘干,使用过程中保持干燥,焊条的药皮无脱落和裂纹,否则不得使用。(5)焊接工作开始以前要先做焊接工艺评定,工艺评定符合设计要求和规范规定后,焊接工作方可正式进行。(6)施焊焊工必须具有符合施焊位置和施焊材质范围的有效合格证方可施焊。(7)焊口焊接前

7、对其内外表面20mm范围内进行清理,不得有油、水、漆、锈等杂物。(8)在雨、雪和刮风条件下施焊时,焊接部位采取相应的保护措施,防止雨、雪、风对焊接质量造成影响。(9)焊口施焊结束后,及时清理焊口周围的飞溅物和药皮等,焊缝宽度每边不超过坡口边缘2mm,咬边深度不大于0.5mm,表面加强不大于2mm,凹陷不大于0.55mm。(10)焊缝检验对接焊缝应进行1%的射线检验,以11级片为合格。(11)管道支座制作安装采用外滑动内固定形式。(12)管道支座应在管道安装前根据设计需用量集中加工、提前预制。5.1.5 管道试验和管道吹扫(1)管道试验A、水压试验(蒸汽管道试验),试验压力符合图纸设计要求。A)

8、水压试验用介质:清洁水做介质;B)系统注水:应打开管道各高处的排气阀,将空气排尽。待水满后,关闭排气阀和进水阀,用手摇试压泵或电动试压泵加压。C)试验步骤:(八)升压速度不大于250KPamin;(B)升压至试验压力的50%时停压检查;(C)如无异常现象,以每次计压25%缓升至试验压力,停压Iomin;(D)降压至设计压力停压30min检查系统的严密性,以不降压、无泄露,目视无变形。5.1.6 管道安装1) 管道敷设时,管道坡应不小于3%o,疏水装置的放置应严格按图纸要求进行;2) 管道的热补偿采用自然补偿和波纹补偿器相结合的方式;波纹补偿器之间的距离,可按图纸或按管道的伸缩量来确定。3) 水

9、平管段上、阀门、孔板的前侧等易积水处,均安装疏水器式放水阀;4) 水平管段上需采用偏心变径管,且应下侧取平,以利放水;5) 支管必须从主管上部或两侧引出,不能从下部引出;6) 主干线上的疏水器上部必须安装旁通管,且疏水器、旁通阀的安装要便于拆除和维修;7) 补偿器两侧第一支架不得固定,在补偿弯头弯曲起点0.5-1.OM之间,不得设置支架;8) 为了管道运行时保温层不致破坏,管道支座在管道下部设置高度大于保温层厚度的托架;导向支架的导槽河滑托架要有35mm的间隙,导向、滑动支架的中心要和滑托的中心一致,避免给波纹伸缩节造成破坏;9)管道的疏水与排潮,蒸汽管道有坡敷设,低点处设疏水装置,疏水采用上

10、排水保温疏水节,蒸汽管道两侧固定点设置排潮管,蒸汽入户前通过减压和疏水,蒸汽管道高点处设排气,与凝结水管共用排气检查井。10)管道热补偿:直埋管道热补偿采用自导向直埋外压式波纹补偿器,弯头采用补偿弯头,热伸长量按固定点后每米蒸汽管道2.5mm计算。6.确保工程质量的技术组织措施6.1 质量保证体系本公司按以下原则,建立质量保证体系。6.2 质量控制程序6.2.1 原材料的控制:所购的材料、设备必须要有生产许可证、质量保证书、出厂合格证、试验检验报告;加工订货成品、半成品及构件的供应按进度、设计要求标准负责加工订货,同时接受监理、建设单位的监督。6.2.2 施工全过程的质量控制:在施工过程中认真做好原材料控制、工艺流程控制、施工操作控制,加强每道工序的质量管理,对各工序间的交接检验及专业工种之间交接环节的工程质量采取有效措施,加强检查验收,抓好全过程质量管理。6.2.3 加强检查验收制度6.2.3.1 主要材料、半成品、成品、建筑构配件、器具和设备进行现场验收。

展开阅读全文
相关资源
猜你喜欢
相关搜索

当前位置:首页 > 办公文档 > 工作计划

copyright@ 2008-2023 1wenmi网站版权所有

经营许可证编号:宁ICP备2022001189号-1

本站为文档C2C交易模式,即用户上传的文档直接被用户下载,本站只是中间服务平台,本站所有文档下载所得的收益归上传人(含作者)所有。第壹文秘仅提供信息存储空间,仅对用户上传内容的表现方式做保护处理,对上载内容本身不做任何修改或编辑。若文档所含内容侵犯了您的版权或隐私,请立即通知第壹文秘网,我们立即给予删除!