理正岩土计算挡墙过程赵家台穿堤涵洞翼墙稳定计算书-可研.docx

上传人:p** 文档编号:476897 上传时间:2023-09-14 格式:DOCX 页数:18 大小:97.25KB
下载 相关 举报
理正岩土计算挡墙过程赵家台穿堤涵洞翼墙稳定计算书-可研.docx_第1页
第1页 / 共18页
理正岩土计算挡墙过程赵家台穿堤涵洞翼墙稳定计算书-可研.docx_第2页
第2页 / 共18页
理正岩土计算挡墙过程赵家台穿堤涵洞翼墙稳定计算书-可研.docx_第3页
第3页 / 共18页
理正岩土计算挡墙过程赵家台穿堤涵洞翼墙稳定计算书-可研.docx_第4页
第4页 / 共18页
理正岩土计算挡墙过程赵家台穿堤涵洞翼墙稳定计算书-可研.docx_第5页
第5页 / 共18页
理正岩土计算挡墙过程赵家台穿堤涵洞翼墙稳定计算书-可研.docx_第6页
第6页 / 共18页
理正岩土计算挡墙过程赵家台穿堤涵洞翼墙稳定计算书-可研.docx_第7页
第7页 / 共18页
理正岩土计算挡墙过程赵家台穿堤涵洞翼墙稳定计算书-可研.docx_第8页
第8页 / 共18页
理正岩土计算挡墙过程赵家台穿堤涵洞翼墙稳定计算书-可研.docx_第9页
第9页 / 共18页
理正岩土计算挡墙过程赵家台穿堤涵洞翼墙稳定计算书-可研.docx_第10页
第10页 / 共18页
亲,该文档总共18页,到这儿已超出免费预览范围,如果喜欢就下载吧!
资源描述

《理正岩土计算挡墙过程赵家台穿堤涵洞翼墙稳定计算书-可研.docx》由会员分享,可在线阅读,更多相关《理正岩土计算挡墙过程赵家台穿堤涵洞翼墙稳定计算书-可研.docx(18页珍藏版)》请在第壹文秘上搜索。

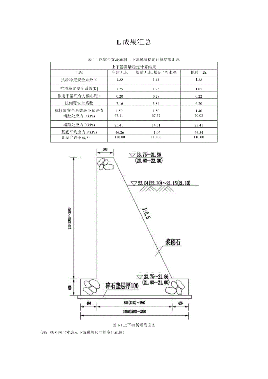
1、1 .成果汇总12 .成果说明32.1 目的与要求32.2 计算依据32.3 计算原则32.4 计算方法32.5 计算方案42.6 主要结论42.7 参考资料43 .计算过程53.1 基本资料53.2 稳定计算54 .计算过程17L成果汇总表1-1赵家台穿堤涵洞上下游翼墙稳定计算结果汇总上下游翼墙稳定计算结果工况完建无水墙前无水,墙后1/3水深地震工况抗滑稳定安全系数K1.551.331.55抗滑稳定安全系数K1.251.251.05作用于基底合力偏心距e0.200.280.22抗倾覆安全系数7.163.846.20抗倾覆安全系数最小允许值1.501.501.40墙趾处应力P(kPa)67.1

2、167.5770.08墙踵处应力P(kPa)25.4114.5125.41基底平均应力P(kPa)46.2641.0446.54地基允许承载力110.00110.00110.00图1-1上下游翼墙剖面图(注:括号内尺寸表示下游翼墙尺寸的变化范围)赵家台穿堤涵洞上下游翼墙结构形式、挡墙高度及填筑材料相同,下游翼墙墙后填土高度小于上游翼墙墙后填土高度,前者挡土稳定性高于后者,因此在本计算书以上游翼墙为代表性翼墙进行翼墙稳定计算,结论:根据计算结果,上下游挡土墙的抗滑稳定系数、抗倾覆安全系数、基底平均应力、基底合力偏心距均满足规范要求。2.成果说明2.1 目的与要求计算目的:通过对赵家台穿堤涵洞上下

3、游翼墙在不同工况下的稳定计算,为分水闸上下游翼墙结构尺寸的确定提供依据。计算要求:根据实际情况结合相应规范选取适当计算方法、公式及参数,准确计算,成果满足相应规范的规定。2.2 计算依据宁晋泊蓄滞洪区建设与管理工程可行性研窕阶段工程地质勘察报告水工挡土墙设计规范(SL379-2007)水工挡土墙设计,管枫年,薛广瑞,王殿印.北京:中国水利水电出版社,1995水工建筑物抗震设计规范(DL5073-2000)闸室基础座落在壤土层上,该土层物理学指标为:天然土重度Y=I9.1kNn,地基承载力特征值fak=l10kPa,粘聚力C=UkPa,内摩擦角9=11。;根据宁晋泊蓄滞洪区建设与管理工程可行性研

4、究阶段工程地质勘察报告,基本地震烈度为Vn级,需要考虑地震影响。2.3 计算原则在各种计算工况下,翼墙平均基底应力不大于地基允许承载力,最大基底应力不大于地基允许承载能力的1.2倍;抗倾覆安全系数大于挡土墙抗倾覆安全系数允许值;沿闸室基底面的抗滑稳定安全系数,基本组合不小于1.25,特殊组合不小于1.05o2.4 计算方法穿堤涵洞上下游翼墙稳定计算利用理正岩土计算5.11版进行计算1 .上下游端基底应力计算采用材料力学偏心受压公式:(2-1)PmJG+6M,ninbLbl3P,na-基底应力最大值,kPa;Pmin基底应力最小值,kPa;G-作用在挡土墙上的全部竖向荷载,kN;M-作用在挡土墙

5、上的全部竖向和水平向荷载对于基础底面垂直水流方向的形心轴的力矩之和,kNm:b挡土墙基底面垂直水流方向的宽度,m;1.一挡土墙基底面顺水流方向的长度,mo2 .抗滑稳定计算KC=嗡(2-2)KC一抗滑稳定安全系数;f-挡土墙基底面与地基之间的摩擦系数;G-作用在挡土墙上的全部竖向荷载,kN:H-作用在挡土墙上的全部水平向荷载,kNo3.地震荷载计算地震荷载计算采用拟静力法,采用水工建筑物抗震设计规范中4.5.9的公式5=%其&%/g(2-3)Fe一作用在质点i的水平向地震惯性力代表值;f一地震作用的效应折减系数,除另有规定外,取f=0.25;Gi-集中在质点i的重力作用标准值;4质点i的动态分

6、布系数,按照水工建筑物抗震设计规范中8.1.3的规定;g重力加速度。2.5 计算方案根据工程实际情况,对作用于建筑物的荷载分为基本组合和特殊组合,选择以下三种工况进行计算。各工况及所包含荷载见表2/工况及荷载组合表。表2-1工况及荷载组合表荷载组合计算工况荷载自重水重静水压力土压力地震荷载基本组合特殊组合工况一工况二工况三完建无水墙前无水,墙后1/3水深地震工况2.6 主要结论经过计算,挡土墙的抗滑稳定系数、抗倾覆安全系数、基底平均应力与墙趾、墙踵基底应力均满足规范要求,具体成果见表1-1赵家台穿堤涵洞翼墙稳定计算成果汇总表。2.7 参考资料(1)水工挡土墙设计规范(SL379-2007)(2

7、)水工挡土墙设计,管枫年,薛广瑞,王殿印.北京:中国水利水电出版社,1995(3)水工建筑物抗震设计规范(DL5073-2000)(4)水工建筑物(第三版),陈德亮.北京:中国水利水电出版社,1995(5)宁晋泊蓄滞洪区建设与管理可行性研究阶段工程地质勘察报告(2010年12月)3 .计算过程3.5 基本资料建筑物等级为V级建筑物;地震设计烈度Vn度;浆砌石重力密度为23kN/m3;水重力密度为9.81kN/m3;上下游翼墙尺寸详见附图;地基平均承载力fak=110kpa;根据地质勘察报告可知,基础底面位于地下水水位以上,基础以上土的重度取天然重度。3.6 稳定计算3.6.1 完建无水上下游翼

8、墙稳定计算墙身尺寸:墙身高:3.100(m)墙顶宽:0.500(m)面坡倾斜坡度:1:0.000背坡倾斜坡度:1:0.500采用1个扩展墙址台阶:墙趾台阶bl:0.400(m)墙趾台阶hl:0.500(m)墙趾台阶与墙面坡坡度相同墙踵台阶b3:0.400(m)墙踵台阶h3:0.500(m)墙底倾斜坡率:0.000:1物理参数:后工砌体容重:23.OOO(kNm3)后工之间摩擦系数:0.400地基土摩擦系数:0.500墙身砌体容许压应力:500.000(kPa)墙身砌体容许剪应力:110000(kPa)墙身砌体容许拉应力:150.000(kPa)墙身砌体容许弯曲拉应力:110.000(kPa)挡

9、土墙类型:一般挡土墙墙后填土内摩擦角:24.000(度)墙后填土粘聚力:O.OOO(kPa)墙后填土容重:19.100(kNm3)墙背与墙后填土摩擦角:12.000(度)地基土容重:19.100(kNm3)修正后地基土容许承载力:110.000(kPa)地基土容许承载力提高系数:墙趾值提高系数:1.200墙踵值提高系数:1.300平均值提高系数:LOOO墙底摩擦系数:0.350地基土类型:土质地基地基土内摩擦角:10.000(度)土压力计算方法:库仑坡线土柱:坡面线段数:1折线序号水平投影长(m)竖向投影长(m)换算土柱数18.0000.0000坡面起始距墙顶距离:0.710(m)地面横坡角度

10、:0000(度)墙顶标高:0.000(m)第1种情况:一般情况土压力计算计算高度为3.100(m)处的库仑主动土压力按实际墙背计算得到:第1破裂角:27.160(度)Ea=34.658Ex=27.099Ey=21.606(kN)作用点高度Zy=0.797(m)因为俯斜墙背,需判断第二破裂面是否存在,计算后发现第二破裂面不存在墙身截面积=4.290(m2)重量=98.670kN(一)滑动稳定性验算基底摩擦系数=0.350滑移力=27.099(kN)抗滑力=42.097(kN)滑移验算满足:Kc=1.5531.250(二)倾覆稳定性验算相对于墙趾点,墙身重力的力臂Zw=1.116(m)相对于墙趾点

11、,Ey的力臂Zx=2.052(m)相对于墙趾点,EX的力臂Zy=0.797(m)验算挡土墙绕墙趾的倾覆稳定性倾覆力矩=21.589(kNm)抗倾覆力矩=154.460(kN-m)倾覆验算满足:KO=7.1551.500(三)地基应力及偏心距验算基础为天然地基,验算墙底偏心距及压应力作用于基础底的总竖向力=120.276(kN)作用于墙趾下点的总弯矩=132.871(kN-m)基础底面宽度B=2.600(m)偏心距e=0.195(m)基础底面合力作用点距离基础趾点的距离Zn=1.105(m)基底压应力:趾部=67.107踵部=25.413(kPa)最大应力与最小应力之比=67.107/25.41

12、3=2.641作用于基底的合力偏心距验算满足:e=0.195=0.250*2.600=0.650(m)墙趾处地基承载力验算满足:压应力=67.107=132.000(kPa)墙踵处地基承载力验算满足:压应力=25.413=143.000(kPa)地基平均承载力验算满足:压应力=46.2601,250(二)倾覆验算安全系数最不利为:组合1(一般情况)抗倾覆力矩=154.460(kN-M),倾覆力矩=21.589(kN-m)o倾覆验算满足:KO=7.1551.500(三)地基验算作用于基底的合力偏心距验算最不利为:组合1(一般情况)作用于基底的合力偏心距验算满足:e=0.195=0.250*2.6

13、00=0.650(m)墙趾处地基承载力验算最不利为:组合1(一般情况)墙趾处地基承载力验算满足:压应力=67.107=132.000(kPa)墙踵处地基承载力验算最不利为:组合1(一般情况)墙踵处地基承载力验算满足:压应力=25.413=143.000(kPa)地基平均承载力验算最不利为:组合1(一般情况)地基平均承载力验算满足:压应力=46.260=110.000(kPa)(四)基础验算不做强度计算。3.6.2 翼墙前无水,墙后1/3水深上下游翼墙稳定计算墙身尺寸:墙身高:3.100(m) 墙顶宽:0.500(m)面坡倾斜坡度:1:0.000 背坡倾斜坡度:1:0.500 采用1个扩展墙址台

14、阶: 墙趾台阶bL0400(m) 墙趾台阶hl:0.500(m) 墙趾台阶与墙面坡坡度相同 墙踵台阶b3: 0.400(m) 墙踵台阶h3: 0.500(m) 墙底倾斜坡率:0.000:1物理参数:用工砌体容重:23.000(kNm3)坛工之间摩擦系数:0.400地基土摩擦系数:0.500墙身砌体容许压应力:500.000(kPa)墙身砌体容许剪应力:110.000(kPa)墙身砌体容许拉应力:150.000(kPa)墙身砌体容许弯曲拉应力:110.000(kPa)挡土墙类型:浸水地区挡土墙墙后填土内摩擦角:24.000(度)墙后填土粘聚力:O.OOO(kPa)墙后填土容重:19.1OO(kNm3)墙背与墙后填土摩擦角:12.000(度)地基土容重:19.100(kNm3)修正后地基土容许承载力:110.000(kPa)地基土容许承载力提高系数:墙趾值提高系数:1.200墙踵值提高系数:1.300平均值提高系数:LOOO墙底摩擦系数:0.350地基土类型:土质地

展开阅读全文
相关资源
猜你喜欢
相关搜索

当前位置:首页 > 建筑/环境 > 设计及方案

copyright@ 2008-2023 1wenmi网站版权所有

经营许可证编号:宁ICP备2022001189号-1

本站为文档C2C交易模式,即用户上传的文档直接被用户下载,本站只是中间服务平台,本站所有文档下载所得的收益归上传人(含作者)所有。第壹文秘仅提供信息存储空间,仅对用户上传内容的表现方式做保护处理,对上载内容本身不做任何修改或编辑。若文档所含内容侵犯了您的版权或隐私,请立即通知第壹文秘网,我们立即给予删除!