质量保证措施-.docx

上传人:p** 文档编号:484247 上传时间:2023-09-18 格式:DOCX 页数:18 大小:90.60KB
下载 相关 举报
质量保证措施-.docx_第1页
第1页 / 共18页
质量保证措施-.docx_第2页
第2页 / 共18页
质量保证措施-.docx_第3页
第3页 / 共18页
质量保证措施-.docx_第4页
第4页 / 共18页
质量保证措施-.docx_第5页
第5页 / 共18页
质量保证措施-.docx_第6页
第6页 / 共18页
质量保证措施-.docx_第7页
第7页 / 共18页
质量保证措施-.docx_第8页
第8页 / 共18页
质量保证措施-.docx_第9页
第9页 / 共18页
质量保证措施-.docx_第10页
第10页 / 共18页
亲,该文档总共18页,到这儿已超出免费预览范围,如果喜欢就下载吧!
资源描述

《质量保证措施-.docx》由会员分享,可在线阅读,更多相关《质量保证措施-.docx(18页珍藏版)》请在第壹文秘上搜索。

1、质量保证措施制订科学先进的施工方案,保证施工的顺利进行;利用完善的质量保证体系,确保质量目标的实现。贯彻“百年大计,质量第一”和预防为主的方针,执行终身负责制的原则,坚持“三检制”的方法,确保工程质量符合中华人民共和国国家建筑工程施工质量验收统一标准(GB503002001)中的标准和其他有关要求。8.1.1、质量保证体系8.L1.L本公司依据GB/T19002-1994idtIS09002;1994标准要求,建立了文件化的质量体系,从而使总公司的质量保证能力满足质量管理和甲方的要求。8.LL2、总公司实行项目法施工,成立中科大洋研发基地工程项目经理部。8.1.1.3、依据总公司程序文件要求,

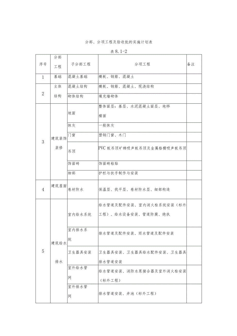
2、确定表8.1-1中科大洋研发基地工程项目经理部质量职责分配表。8.1.1.4,项目质量保证体系,见图8.1-1中科大洋研发基地工程质量体系组织机构图。8.L1.5、工程质量验收规范支持体系,见图8.1-2中科大洋研发基地工程质量验收规范支持体系。8.1.2,创优计划8.1.2.K工程列为公司的重点工程,其质量目标是:“市优”工程。8.1.2.2、为认真贯彻落实我公司承诺的工程质量等级,结合本工程的实际情况,项目部制定了分部、分项工程及验收批的实施计划,以精品工程质量向用户提供满意的建筑产品,实现我公司的质量宗旨。分部、分项工程及验收批的实施计划,见表8.1-2分部、分项工程及验收批的实施计划表

3、。制定本工程主要分项工程质量目标,见表8.1-3。统一标准及各专业工程施工质量验收规范施工工艺检验方法标准评优标准工法、 工艺 标准操作 规程 (企 业标 准)工作 标准(管 理标 准)本验法准基试方标场测法准现检方标建筑 优良 工程 评优 标准图&1-2:工程质量验收规范支持体系示意图分部、分项工程及验收批的实施计划表表8.1-2序号分部工程子分部工程分项工程备注1基础混凝土基础模板、钢筋、混凝土2主体结构混凝土结构模板、钢筋、混凝土、现浇结构砌体结构填充墙砌体3建筑装饰装修地面整体面层:基层、水泥混凝土面层、地移楼面抹灰一般抹灰门窗塑钢门窗、木门吊顶PVC板吊顶矿棉吸声板吊顶及金属格栅吸声

4、板吊顶饰面砖饰面砖粘贴细部护栏与扶手制作与安装4建筑屋面卷材防水保温层、找平层、卷材防水层、细部构造5建筑给水排水室内给水系统给水管道及配件安装、室内消火栓系统安装(标外工程)、给水设备安装、管道防腐、绝执室内排水系统排水管道及配件安装、雨水管道及配件安装卫生器具安装卫生器具安装、卫生器具给水配件安装、卫生器具排水管道安装室外给水管网给水管道安装、消防水泵接合器及室外消火栓安装(标外工程)室外排水管网排水管道安装、井池(标外工程)6建筑电气变配电室变压器安装、成套配电柜、照明配电箱(盘)安装,插接式母线安装、电缆竖井内电缆敷设,电缆头制作、导线连接和线路电气试验,接地装置安装,避雷引下线和变配

5、电室接地干线敷设7建筑电气电气照明安装照明配电箱(盘)安装,电线,电缆导管和线槽敷设,电线、电缆导管和线槽敷线,槽板配线,电缆头制作、导线连接和线路电气试验,普通灯具安装,专用灯具安装,插座、开关,建筑照明通电试运行防雷及接地安装接地装置安装,避雷引下线和变配电室接地干线敷设,建筑物等电位连接,接闪器安装注:以上全部符合中华人民共和国国家标准建筑工程施工质量验收统一标准(GB503002001)中的有关要求。本工程创优计划一览表表8.1-3分部工程名称分项工程名称序号分部名称质量等级序号分项名称质量等级一地基与基础优良12345基础土方基础垫层基础模板基础钢筋基础混凝土优良优良优良优良优良二主

6、体工程优良123钢筋绑扎模板混凝土优良优良优良三地面与楼面优良1通体砖地面、优良工程2彩色釉面砖地面、优良3防滑地砖地面、优良4橡胶软木地板、优良5凝土地面、优良6花岗石地面、优良地砖地面优良1塑钢门窗优良四门窗工程优良2木门优良1屋面找平层优良2层面保温层优良五屋面工程优良3层面防水层优良4水落管安装优良1砌筑优良2外墙面砖优良六装饰工程优良3油漆、涂料优良4吊顶优良5玻璃优良1给水工程优良七给排水工程优良2排水工程优良3卫生洁具安装优良1配管管内穿线优良电气工程优良2开关灯具优良3防雷接地优良8.1.3、质量策划8.1.3.1、全面贯彻公司质量目标:用我们的智慧和行动实现对用户的承诺。8.

7、1.3.2,本工程实施施工项目目标控制。(1)本项目目标控制的主要内容有进度控制、质量控制、成本控制、安全控制等。(2)本工程项目目标控制的任务与方法。表8.1-4控制目标控制任务控制方法进度控制1 .施工顺序合理,衔接关系适当,均衡有节奏施工。2 .实现合同工期。目标控制质量控制1 .分部分项工程达到质量检验评定标准的要求。2 .实现施工组织设计中保证施工质量的技术组织措施和质量等级,保证合同质量目标等级的实现。检查对比法数理统计法方针目标管理成本控制1 .实现施工组织设计的降低成本措施。2 .降低每个分项工程的直接成本。3 .实现公司盈利目标。4 .实现公司利润目标和合同造价。价值工程法估

8、算法安全控制1 .实现施工组织设计的安全规划和措施。2 .控制操作人、操作手段和操作对象,使人的行为安全。3 .保持现场机械设备的安全。4 .控制环境,消除环境危险源。安全检查法因果分析图法8.1.3.3、因其他条件的可能变化采取有效的施工技术措施。针对本工程特殊专业分包单位多,我们从人、机、料、法、环五个方面进行提前制定有效的施工技术措施。预备充足的后备军,施工现场存放备用机械,选用两个以上厂家来提供材料,制定多种施工方案来应对各种不同的情况,制定合理科学的雨期施工措施。8.1.4、质量活动8.1.4.K质量控制程序图&1-3:工程项目质量控制程序示意图1.1.1.1, 全质量保证体系,完善

9、质量管理模式,落实岗位质量责任制和质量否决制为了保证质量目标的实现,必须有健全的质量保证体系和符合项目特点的质量管理模式。为使严格的质量管理贯穿于不断变化的施工全过程,我们根据总公司的质量手册,按照IS09002系列标准建立起了一套有效的质量保证体系,并制定了相应的技术、质量管理制度,最大限度地发挥每个部门、每个岗位和每个人的作用,确保质量保证体系的正常运行,以每个人的工作质量来保证和提高整个工程的质量。形成了在总公司领导下的,以项目经理部为首,总工程师和分项经理中间监控,各部门具体管理的有效体系。实施“分级控制、分层管理”的质量管理模式是创建过程精品的有效的模式保证,但是在每个项目具体运作过

10、程中如何运行,就需要根据具体特点具体落实。将公司的质量管理模式与区县级优质工程的要求有机结合,对于质量管理模式不适应项目管理特点的部分进行修订,形成了一个不断完善的过程。工程质量管理基本的原则是“始于过程,终于过程,重在过程“,所以要把工程质量的过程控制管理放在首位,制定了详细的岗位责任制度,并与考核和奖罚制度挂钩。要求每一道工序、每一个部位都必须是上道工序为下道工序提供精品,并服务于下道工序,把质量责任(横向到边、纵向到底)分解到各个岗位、各个环节、各个工种,做到凡事有章可循,凡事有据可查,凡事有人负责,凡事有人监督。通过全员、全方位、全过程的质量动态管理来保证实实在在的高质量。质量管理工作

11、中,实施质量否决制,以是否达到既定质量目标为考核管理人员的最终依据。8.1.4.3, 图纸会审图纸会审内容为设计是否符合施工技术装备和工程现场条件,是否能满足工期的要求,图纸各部位是否清楚明确,尺寸有无差错或遗漏。各专业图纸之间有无冲突、不妥、不便施工部位。图纸会审过程中提出的问题及其解决办法和决定,由专人负责做好详细记录。8.1.4.4, 施工组织设计、技术方案、技术交底和施工技术资料(1)严格施工组织设计与技术方案的审批工作,工程开工前项目经理部编制施工组织设计经总公司审批后报监理同意实施。对重点分部、分项工程、季节性施工编制详细的施工方案,实施中优化总结,保证施组及方案对工程的指导作用。

12、(2)施工组织设计和方案在定稿前都要召开专题讨论会,充分参考有关部门及特殊专业分包的意见,对方案进行不断的改进和优化;实行方案样板制度,对于比较难确定的地方,我们采用现场试验的办法;保证方案的严肃性,所有方案一旦确定不得随意更改,并组织项目有关人员及特殊专业分包负责人进行方案书面交底。如提出更改必须以书面申请方式报项目技术负责人批准后,以修改方案的形式正式确定;重视方案的现场实施效果和信息反馈,现场实施中,项目的工程协调部指派专人负责在施工组织设计和方案的现场实施中跟踪调查中工作,将方案与现场实施中不一致的情况及时汇报给技术负责人,通过修改方案(有必要时)的方式明确如何解决。对于技术交底的编制

13、,我们要求采用最具有操作性的语言来说明,同时兼具质量教育的职能。我们通过不断探索,形成了作业条件、操作工艺、质量标准、其他注意事项等四部分内容的技术交底模式,并且尽量做到表格化。(3)中科大洋科研楼工程开工之前项目总工程师提前就施工图纸及涉及的施工规范、施工组织设计、施工方案向参加施工的全体管理人员进行交底。分部工程、重要分项工程、特殊部位或新材料、新工艺施工前由技术负责人写出书面技术交底。每个分项工程施工前工长根据施工规范、工艺标准、施工组织设计的要求,以书面形式向施工班组做详细的技术交底。(4)项目经理部配备专职资料员,严格执行北京市建筑安装工程施工技术资料管理规定和我公司的技术资料管理手

14、册,以及合同范围内的资料要求。结合项目特点确立详细的技术资料管理制度,对管理程序职责、如何编制、检查和整改做出了详细的规定。技术资料在收集整理过程中要求完整、真实、准确、数据齐全,无差错,记录及时,字迹清楚,并且与施工进度同步。项目总工程师负责技术资料的审核。技术保证类:项目经理部设专职资料员,负责整个施工期间的总图管理和技术资料收集,整理和归档,确保及时、准确、真实。专业特殊专业分包的技术资料由特殊专业分包方负责收集、整理,项目经理部专职资料员定期检查、指导,竣工前由总包验评、汇总后交甲方。信息传递基本上实行电子文档形式传递,如果需要正式收、发文件,将设专职文件员进行收、发和存档。工程施工期间,总公司专职工程师将每月一次定期检查指导,保证资料完整交圈。图纸列为受控文件,设专人负责收、发,并有记录、标识。设计变更及时反馈到图纸上,做到图纸修改和施工同步,达到竣工

展开阅读全文
相关资源
猜你喜欢
相关搜索

当前位置:首页 > 管理/人力资源 > 质量管理

copyright@ 2008-2023 1wenmi网站版权所有

经营许可证编号:宁ICP备2022001189号-1

本站为文档C2C交易模式,即用户上传的文档直接被用户下载,本站只是中间服务平台,本站所有文档下载所得的收益归上传人(含作者)所有。第壹文秘仅提供信息存储空间,仅对用户上传内容的表现方式做保护处理,对上载内容本身不做任何修改或编辑。若文档所含内容侵犯了您的版权或隐私,请立即通知第壹文秘网,我们立即给予删除!