模板工程施工方案.docx

上传人:p** 文档编号:504805 上传时间:2023-10-02 格式:DOCX 页数:7 大小:88.65KB
下载 相关 举报
模板工程施工方案.docx_第1页
第1页 / 共7页
模板工程施工方案.docx_第2页
第2页 / 共7页
模板工程施工方案.docx_第3页
第3页 / 共7页
模板工程施工方案.docx_第4页
第4页 / 共7页
模板工程施工方案.docx_第5页
第5页 / 共7页
模板工程施工方案.docx_第6页
第6页 / 共7页
模板工程施工方案.docx_第7页
第7页 / 共7页
亲,该文档总共7页,全部预览完了,如果喜欢就下载吧!
资源描述

《模板工程施工方案.docx》由会员分享,可在线阅读,更多相关《模板工程施工方案.docx(7页珍藏版)》请在第壹文秘上搜索。

1、模板工程施工方案15. 4.1工程概述及施工要求本工程模板工程量大,且要求硅的成形质量高,亦即应按普通模板的施工质量来要求。16. 4.2模板材料的选择地下室电梯基坑、承台等均采用砖胎膜,其中单桩和两桩承台采用120砖胎膜,其他承台和底板模板采用240砖胎膜,电梯基坑和集水坑采用370砖胎膜每隔2米设480砖柱,保证豉膜的稳定。主体结构的柱、梁板施工,我们选择18厚优质木胶合板作为模板,配以木杨骨架和钢管支撑的散支散拆模板体系。散装模板下方采用50X50木杨和。48钢管,要求木杨不易变形和脆断。承重支撑材料采用普通钢管脚手架和碗扣脚手架,其他辅助材料包括对拉螺栓、密封泡沫条、胶带、模板清洁剂、

2、脱模剂等。15. 4.3模板的配置和堆放15.4. 3.1模板的配置根据本标段工程特点和模板总工程量。在保证均衡生产、流水作业、保证工期、降低成本的原则下,本工程配40000Hf优质胶合板模板、相应木材、100OT钢管和80000个扣件,1200幅门型架,周转使用。模板配制按以下方法进行:1、按图纸尺寸直接配制模板;2、放大样法配制模板;3、按计算方法配制模板;4、结构表面展开法配制模板。15.4.3.2模板的堆放1、从总平面布置图中规划出专门堆放模板的场地,该场地要求地势高,不易存水,交通方便,有利于防火。2、模板应分类整齐平行堆放,上下块模板之间应用木块垫开,垫块上下应对齐,防止模板受压变

3、形。模板堆放不宜过高,不应失稳。最下一块模板应垫起离地20Omm高,保持通风防止受潮。3、堆放场地搭棚防晒,防止太阳暴晒造成模板变形。4、模板堆放及加工场地应配备灭火工具,操作人员严禁吸烟,应制定严格的管理制度,防止发生火灾。15.4.4模板的安装1、模板安装准备工作(1)由测量组放出模板及预留洞的位置线;(2)柱硅接头在支模前应凿毛并清理干净;(3)按设计的施工方案搭设支撑架;(4)由工程师或工长进行质量和安全技术交底;(5)柱将封模前钢筋应验收完毕。2、模板安装要点(1)柱模板安装必须在钢筋验收以后才能封模。模板底部要安装定位板密封条,以防墙柱烂根。上部必须安装有效的斜拉和支撑以确保硅浇筑

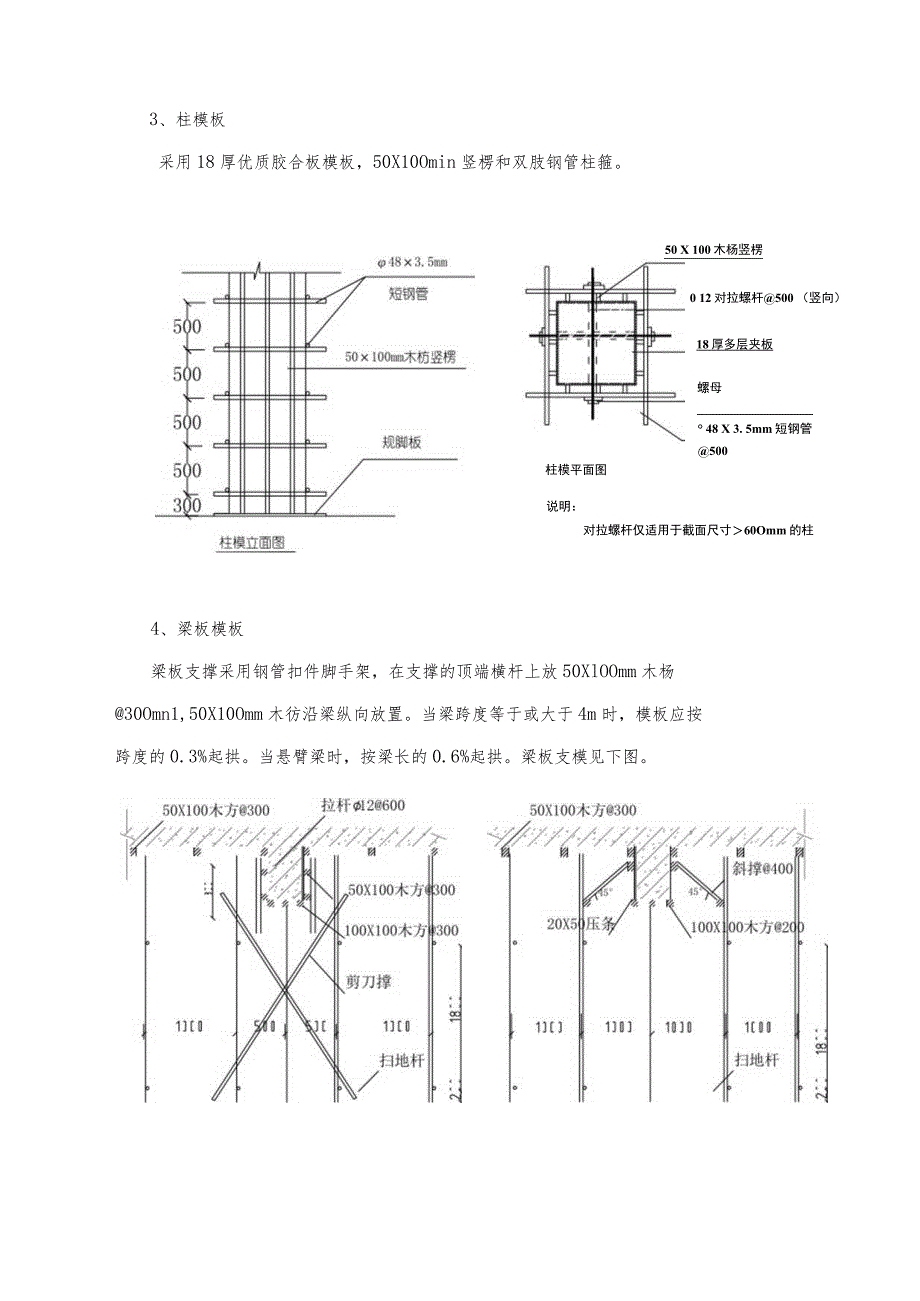
4、时模板的垂直度;(2)柱模板必须按设计要求安装对拉螺栓;(3)梁模板安装应先安装底模,待钢筋绑扎完后再封侧模;当梁高大于600mm时,梁侧模应加对拉螺栓;(4)保证拼缝严密。在杜浇筑过程中派专人看护模板,随时检查模板的支撑情况。3、柱模板采用18厚优质胶合板模板,50X10Omin竖楞和双肢钢管柱箍。50 X 100木杨竖楞0 12对拉螺杆500 (竖向)18厚多层夹板螺母柱模平面图 48 X 3. 5mm短钢管 500说明:对拉螺杆仅适用于截面尺寸60Omm的柱4、梁板模板梁板支撑采用钢管扣件脚手架,在支撑的顶端横杆上放50XlOOmm木杨30Omn1,50X10Omm木彷沿梁纵向放置。当梁

5、跨度等于或大于4m时,模板应按跨度的0.3%起拱。当悬臂梁时,按梁长的0.6%起拱。梁板支模见下图。梁高700的梁模示意图梁高700的梁模示意图5、安装质量要求(1)模板安装必须保证位置准确无误,模板拼健严密,支撑系统牢固可靠,不发生变形和位移。(2)模板安装完毕后,测量人员应对模板位置、垂直度、标高、预埋件及预留洞的位置等进行检查。(3)现浇结构模板的允许偏差应符合以下规定:现浇结构模板允许偏差表项目允许偏差(mm)轴线位移5底模上平面标高5基础5柱、墙、梁+45垂直度全高W5m6全高5m8相邻两板表面高低差2表面平整(2m长度以上)515.4.5模板的拆除1、拆模:在於强度能保证其表面及棱

6、角不因拆除模板而受损伤后,方可拆除模板。2、底模:在硅强度符合下表后,方可拆除模板。拆除模板舲强度表机构类型结构跨度(m)按设计的建强度标准值的百分比计(%)板2502,8758100梁8758100悬臂构件210021003、已拆除模板及其支架的结构,在碎强度符合设计强度等级的要求后,方可承受全部使用荷载;当施工荷载所产生的效应比使用荷载的效应更为不利时,必须经过核算,加设临时支撑。1、拆除后,应及时进行清理,并分类堆放好。15.4.6模板施工质量保证措施1、梁板模板侧模上口横档要用斜撑双面支撑在支柱顶部,有楼板的部位,上口横档要放在板模格栅下。板模与梁模连接处,板模应拼铺到梁侧模外口齐平,

7、避免模板嵌入梁混凝土内,以便拆除。2、柱模板支模前校正钢筋位置,使其不发生偏扭,在柱顶部拉通线,将柱模板位置兜方找中。安装斜撑、吊线找垂直时相邻两片柱模从上端每面吊两点,使线坠到地面,线坠所示两点到柱位置线距离均相等,使柱模不扭向。成排柱子支模前要在地面上弹出柱轴线及柱边通线,然后分别弹出每柱的另一方向轴线,再确定柱的另两条边线,支模时,先立两端柱模,校直与复核位置无误后,顶部拉通线立中间各根柱模。柱距大于3000mm,单独拉四面斜撑,保证每根柱子垂直和位置准确。3、墙模板两片模板之间根据墙厚用短钢筋头焊在对拉螺栓上,以保证墙体厚度一致,防止胀模。有防水要求时,穿墙螺栓要加焊止水片。每层混凝土

8、的浇筑厚度要控制在45050OmnI范围内。只有在混凝土达到L2MPa强度后方可拆除模板。模板根部用砂浆找平塞严,严格控制模板上口标高。4、其它注意事项技术部门针对现场实际情况制定施工工艺,并在实际施工中监督执行情况。工长要监督组织施工,合理安排人力,交叉施工时协调好各工种之间的配合。施工班组要精心施工,做好自检、交接检。5、成品保护模板安装应轻起轻放,不得碰撞已完柱、墙、粱等,以防模板变形和损坏结构。模板安装时不得随意开孔洞;穿墙螺栓通过模板时,应在板缝中加设木条穿过。在模板进行钢筋等焊接工作时,必须用石棉板或薄钢板隔离。拆模时,不得用大锤硬砸或撬杠硬撬,或用力过猛,以免损伤结构和模板;拆下

9、的模板,不得抛掷。拆下的钢模板要及时清除粘结的灰浆,发现脱焊、肋边变形、配件损坏,及时修理:拆下的零星配件应用箱或袋收集。钢模板在使用过程中加强管理,按规格分类堆放,及时涂刷防锈剂。模板工程质量验收标准见下表。项目允许偏差国家标准企业标准轴线位移53模板底标高+54截面尺寸+4、5+3、-4墙、柱梁垂直度65相邻两板表面高低差22表面平整度(2m长度)5115.4.7安全施工措施1、安装模板操作人员戴安全帽,高空作业拴好安全带。2、支模按顺序进行,模板及支撑系统在未固定前,严禁利用拉杆上下人,不准在拆除的模板上进行操作。3、登高作业时,连接件必须放在箱盒或工具袋中,严禁放在模板或脚手板上,扳手

10、等各类工具必须系挂在身上或置放于工具袋内,不得掉落。4、安装墙、柱模板时,随时支撑固定,防止倾覆。5、水平拉杆避免钉在脚手架或脚手板等不稳定的部件上,以防松动、失稳。6、模板根据使用部位加以编号,分型号安排临时堆放场地,根据工艺要求依顺序进行大模板安装就位。7、拆模时,按顺序逐块拆除蝴蝶卡和扣件,避免整体塌落;拆除顶板时,设临时支撑确保安全作业。8、蝴蝶卡等零件、圆钉及木工工具,要装入专用背包或箱中,不得随手乱丢,以免掉落伤人。9、组合钢模板装拆时,上下应有人接应,钢模板应随装拆随转运,不得堆放在脚手架上。10、模板严禁抛掷踩撞,若中途停歇,必须把活动部件固定牢靠。11、高空拆模有专人指挥,并在下面标出作业区,暂停人员通过。12、六级以上大风天,不得安装和拆除模板。13、拆模后起吊模板时,检查所有穿墙螺栓和连接件是否全都拆除,在确无遗漏、模板与墙体完全脱离后,方准起吊。待起吊高度超过障碍物后,方准转臂行车。14、走廊挑粱、阳台梁下面设支柱;拆除墙模板时,支柱保持3层不拆。

展开阅读全文
相关资源
猜你喜欢
相关搜索

当前位置:首页 > 建筑/环境 > 设计及方案

copyright@ 2008-2023 1wenmi网站版权所有

经营许可证编号:宁ICP备2022001189号-1

本站为文档C2C交易模式,即用户上传的文档直接被用户下载,本站只是中间服务平台,本站所有文档下载所得的收益归上传人(含作者)所有。第壹文秘仅提供信息存储空间,仅对用户上传内容的表现方式做保护处理,对上载内容本身不做任何修改或编辑。若文档所含内容侵犯了您的版权或隐私,请立即通知第壹文秘网,我们立即给予删除!