技术交底 --11-2#模板工程-新模板配模.docx

上传人:p** 文档编号:532515 上传时间:2023-10-17 格式:DOCX 页数:2 大小:44.99KB
下载 相关 举报
技术交底 --11-2#模板工程-新模板配模.docx_第1页
第1页 / 共2页
技术交底 --11-2#模板工程-新模板配模.docx_第2页
第2页 / 共2页
亲,该文档总共2页,全部预览完了,如果喜欢就下载吧!
资源描述

《技术交底 --11-2#模板工程-新模板配模.docx》由会员分享,可在线阅读,更多相关《技术交底 --11-2#模板工程-新模板配模.docx(2页珍藏版)》请在第壹文秘上搜索。

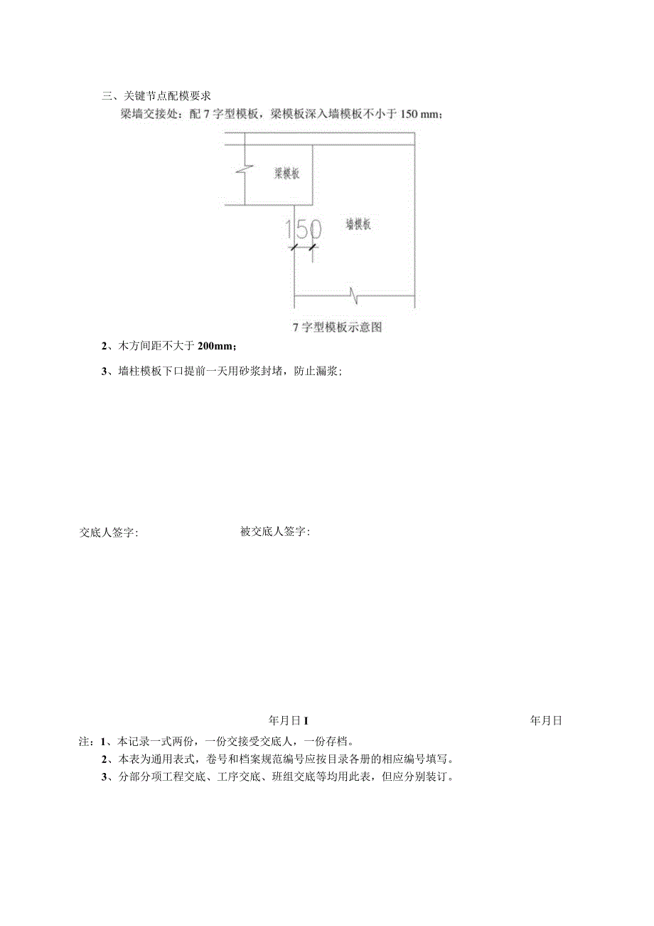
技术交底记录工程名称杭政储出2013(33)号地块项目二标段交底项目模板工程-剪力墙板配模施工图号交底依据:施工组织设计、模板工程施工方案、相关施工及验收规范交底提要:本工程住宅楼标准层层高为2.9m,墙柱模板必须设置5排螺杆。交底内容:一、木模板施工主要采用钢管、扣件、木榜及木胶合板。钢管直径为48mm,壁厚35mm,扣件有对接扣件、旋转扣件和直角扣件。木材采用40X90规格。木模板采用15mm厚1830X915规格的双面覆膜木胶合板。对拉螺杆采用直径14mm的HPB300级圆钢制作,配合山型卡进行加固。二、剪力墙模板螺杆眼排布要求螺杆竖向间距由下到上:220、450、550、650、550、350;横向间距:450;阴角边距:250:悬端边距:150;剪力墙螺杆眼排布示意图三、关键节点配模要求2、木方间距不大于200mm;3、墙柱模板下口提前一天用砂浆封堵,防止漏浆;交底人签字:被交底人签字:年月日I年月日注:1、本记录一式两份,一份交接受交底人,一份存档。2、本表为通用表式,卷号和档案规范编号应按目录各册的相应编号填写。3、分部分项工程交底、工序交底、班组交底等均用此表,但应分别装订。

展开阅读全文
相关资源
猜你喜欢
相关搜索

当前位置:首页 > 建筑/环境 > 设计及方案

copyright@ 2008-2023 1wenmi网站版权所有

经营许可证编号:宁ICP备2022001189号-1

本站为文档C2C交易模式,即用户上传的文档直接被用户下载,本站只是中间服务平台,本站所有文档下载所得的收益归上传人(含作者)所有。第壹文秘仅提供信息存储空间,仅对用户上传内容的表现方式做保护处理,对上载内容本身不做任何修改或编辑。若文档所含内容侵犯了您的版权或隐私,请立即通知第壹文秘网,我们立即给予删除!