道路日常养护管理工作检查表(模板).docx

上传人:p** 文档编号:548437 上传时间:2023-10-26 格式:DOCX 页数:2 大小:18.80KB
下载 相关 举报
道路日常养护管理工作检查表(模板).docx_第1页
第1页 / 共2页
道路日常养护管理工作检查表(模板).docx_第2页
第2页 / 共2页
亲,该文档总共2页,全部预览完了,如果喜欢就下载吧!
资源描述

《道路日常养护管理工作检查表(模板).docx》由会员分享,可在线阅读,更多相关《道路日常养护管理工作检查表(模板).docx(2页珍藏版)》请在第壹文秘上搜索。

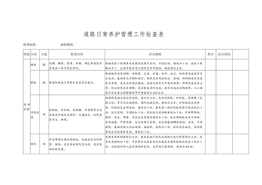
1、道路日常养护管理工作检查表类别分项分值检查内容评分细则得分扣分原因现场管理路面20坑槽、翻浆、裂缝、车辙、拥包等病害是否存在小修不到位情况。路面病害小修保养未处理或处理不及时、不到位的,每处扣1分;存在小修解决不了,应该申报专项工程但没有申报的,每段落扣2分。桥隧20桥梁和隧道日常养护是否符合要求。桥面排水是否顺畅;伸缩缝、支座、护墙、栏杆、标志、标线等设施是否齐全良好;基础有无冲刷和淘空;锥坡是否存在脱空、破损;结构物是否存在受力裂缝,是否采取相应措施;隧道衬砌有无开裂和剥落;照明设施是否正常;标志标线是否清晰;是否配备消防设施;排水设施是否畅通等。以上每处不符合要求的根据情节严重程度扣0.

2、52分。沿线设施10防眩板、护栏板、隔离栅、声屏障等交安设施是否缺失或损坏;交通标志、标线是否齐全、鲜明。路损修复超过规定时效的,每次扪3分;存在防眩板、护栏板、隔离栅(包括立柱)等交安设施倒伏、损坏或缺失的,每处扣2分;护栏板脱皮或锈蚀、防眩板色差明显的,每处扣1分;每发现一段护栏板线型不顺直的扣1分;标志歪倒、污损的扣1分;存在标志遮挡的每处扣1分;声屏障锈蚀、损坏、脱色、掉漆、存在色差现象的每处扣1分;标志牌面板存在污染的,或有起皱、开裂现象、反光效果不良的,标志牌基础螺栓锈蚀、丢失、不紧固的,基础混凝土存在破损、漏筋的,每处扣1分;标线存在缺失、局部脱落或反光效果较差的,每处扪1分。绿

3、化10中分带绿化苗木的枯枝、死树是否及时修剪、拔除;是否存在绿化空白段,是否影响防眩效果。死树未拔除的每处扣3分;苗木未按计划或合同规定进行修剪的扣2分;杂草未清理的扣1分;中分带空白段未及时补植或更换防眩板的发现1处扣1分;边坡绿化伸入波形梁钢护栏内、杂草高于路面的,每处扣0.5分。检查标段:抽检路段:扬尘治理10按照河南省地方标准高速公路扬尘治理要求检查机械、人员配置,路面清扫频率,现场保洁情况(重点检查环城路段)。未按要求配备相关机械和人员扣3分(清扫车应为吸入式湿式);清扫频率、路面冲洗和护栏板清洗频率不符合要求扣2分;有路面扬尘现象的每处扣2分;边沟内或隔离栅内有成堆垃圾未及时清理的

4、每处扣2分;路基排水设施存在积淤、堵塞或毁损的每处扣2分;未及时填写机械清扫记录表或填写不规范的扣1分;路面有明显白色垃圾或积尘的每处扣1分;中央分隔带、路肩或边坡有明显白色垃圾每处扣I分;护栏板污染、不清洁的每处扣0.5分;绿化苗木积尘严重的每处扣0.5分。内部管理内业资料10合同和计量管理未及时签订总承包合同的,扣5分;机械与人员配置不符合合同要求的根据情节严重程度扣25分;小修保养计量资料不齐全,不及时的,每次扣3分。10是否按照季节和结合实际制定可操作性强的日常养护计划,是否按照计划实施;是否按时落实上级整改通知要求;日常巡查、定期检查、专项检查等资料是否齐全并更新及时;路损是否按时限

5、修复,是否建立有台帐。未制定养护计划或计划可操作性差的,扣2分;未在限期内落实上级整改通知要求的,或整改资料不齐全的每次扣3分;巡查检查记录缺少或更新不及时的,扣2分;没有建立路损修道台帐的扣2分,修复时限超出规定的,一次扣1分。项目部建设10项目部建设是否符合要求。驻地标准、布局不符合要求的扣1分;各种标牌、宣传板等不符合规定的扣1分;规章制度不健全、制度未上墙的扣1分;用水用电、消防措施每一项违反安全规定的扣1分;环境脏乱、不整洁的扣0.5分;院内材料等堆放杂乱的扣0.5分。合计得分注:1、每个检查项目最多扣分不超过该项目的分值;2、外业现场查看由检查组随机抽取至少两段,每段不少于1公里,进行集中徒步检查;3、信阳分公司所有辖段高速公路均为日常养护管理检查范围(除徒步检查路段外,以乘车检查和个别点停车检查为主)。

展开阅读全文
相关资源
猜你喜欢
相关搜索

当前位置:首页 > 办公文档 > 工作总结

copyright@ 2008-2023 1wenmi网站版权所有

经营许可证编号:宁ICP备2022001189号-1

本站为文档C2C交易模式,即用户上传的文档直接被用户下载,本站只是中间服务平台,本站所有文档下载所得的收益归上传人(含作者)所有。第壹文秘仅提供信息存储空间,仅对用户上传内容的表现方式做保护处理,对上载内容本身不做任何修改或编辑。若文档所含内容侵犯了您的版权或隐私,请立即通知第壹文秘网,我们立即给予删除!