消防系统操作SOP(新厂0).docx

上传人:p** 文档编号:551152 上传时间:2023-10-27 格式:DOCX 页数:7 大小:194.75KB
下载 相关 举报
消防系统操作SOP(新厂0).docx_第1页
第1页 / 共7页
消防系统操作SOP(新厂0).docx_第2页
第2页 / 共7页
消防系统操作SOP(新厂0).docx_第3页
第3页 / 共7页
消防系统操作SOP(新厂0).docx_第4页
第4页 / 共7页
消防系统操作SOP(新厂0).docx_第5页
第5页 / 共7页
消防系统操作SOP(新厂0).docx_第6页
第6页 / 共7页
消防系统操作SOP(新厂0).docx_第7页
第7页 / 共7页
亲,该文档总共7页,全部预览完了,如果喜欢就下载吧!
资源描述

《消防系统操作SOP(新厂0).docx》由会员分享,可在线阅读,更多相关《消防系统操作SOP(新厂0).docx(7页珍藏版)》请在第壹文秘上搜索。

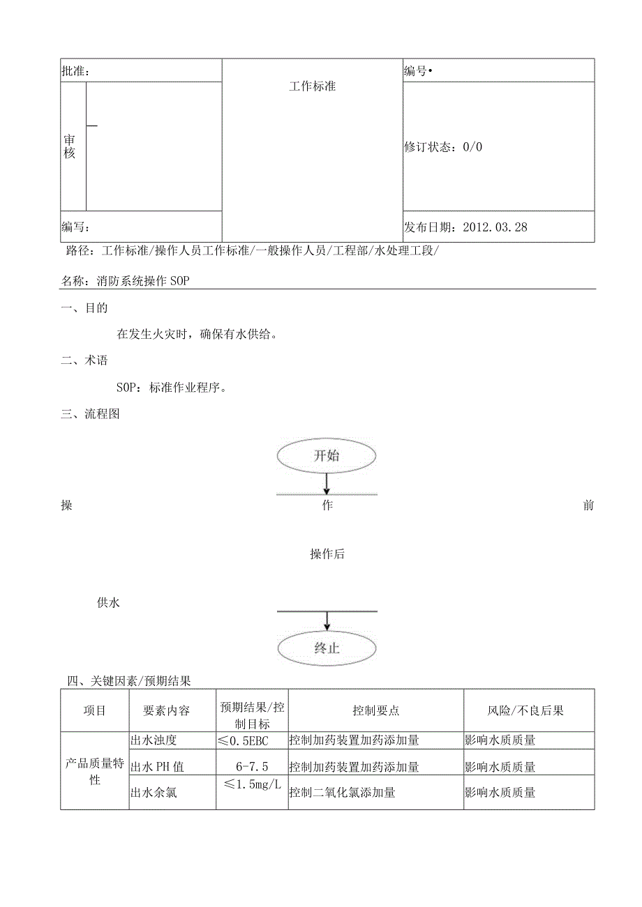
1、批准:工作标准编号审核修订状态:0/0编写:发布日期:2012.03.28路径:工作标准/操作人员工作标准/一般操作人员/工程部/水处理工段/名称:消防系统操作SOP一、目的在发生火灾时,确保有水供给。二、术语S0P:标准作业程序。三、流程图操作前操作后供水四、关键因素/预期结果项目要素内容预期结果/控制目标控制要点风险/不良后果产品质量特性出水浊度0.5EBC控制加药装置加药添加量影响水质质量出水PH值6-7.5控制加药装置加药添加量影响水质质量出水余氯1.5mg/L控制二氧化氯添加量影响水质质量食品安全危害贮水池闲人免进清洗完后水池盖上锁影响水质质量环境因素污水的排放防止污染环境排入下水道

2、,经污水处理站处理影响下水道的堵塞危险源柴油防止点燃使用密封容器贮存,做好标识避免燃烧伤人五、设备示意图及部件编号:消防泵(图1)柴油泵(图2)阀门编号1#水池出水阀门SS0032#水池出水阀门SS004消防泵1#进水阀门SXOOl消防泵1#出水阀门SX002消防泵2#进水阀门SX003消防泵2井出水阀门SX004消防泵3#进水阀门SX005消防泵3#出水阀门SX006消防泵3#排空阀门SX007柴油泵进水阀门SX008柴油泵出水阀门SX009柴油泵排空阀门SXOlO消防管输出阀门SXOllSX012SXO13柴油罐进油阀门SX014柴油罐出油阀门SXO15SXO16六、操作前准备1、常用工具

3、:工具名称数量有效期(周期)型号功用操作及维修工具F型扳手1个一-开启阀门劳动防护用品防腐手套1对-普通防止手被腐蚀安全帽1顶-普通防止头被撞伤清洁用品扫把2把-一清洁地面抹布2块-一清洁水泵2、相关记录:水处理运行记录水处理点检记录表3、安全措施:3.1穿戴好工作服、劳保鞋、安全帽、防护面罩及防腐手套3.3未经允许,泵房严禁外来人员进入,确保消防系统连续恒压供水运作。3.4攀爬或上下楼梯时,要精神集中,两手扶紧。4、准备工作作业内容要点提醒4.1检查水池液位,不能低于1米水位。4.2检查各阀门的开与关处于正常状态。4.3检查水泵的运行状况。4.5各班须按5S的标准搞好责任区域内的清洁卫生并在

4、记录表格上作好记录。4.3水泵的异常状况包括:(1)异响(响声比同时运行水泵的声音大)、异味(烧焦味)、严重振动。(2)严重漏水(漏水呈线状)。七、操作步骤作业内容要点提醒1、操作前1.l开启水池出水阀门SS003SS004消防泵1#进水阀门SXOOl出水阀门SX002消防泵2#进水阀门SX003出水阀门SX004消防泵3#进水阀门SX005出水阀门SX006消防管输出阀门SXOllSX012SXO13(见图1、2、3)本工段所有阀门按顺时针方向全关,逆时针方向全开(特别注明除外)。1.1水池水位不能低于1米,避免影响供水。SX008SX003SXOO5(图1)SX004SX002(图2)2.

5、1报警话筒直通公司大门卫。2、操作后2.1开启消防电箱开关,如处于手动状态,可随便起动任意一台泵运行,供水输出压力为0.5mpa0如处于变频控制状态,时刻恒压供水,确保压力正常,输出压力为04mpa0(见图3)(图3)2.2在停电时,如出现火灾,可开启柴油泵来手动供水2.2.1开启柴油罐出油阀门SX015SXO16(图4)柴油泵进水阀门SX008柴油泵出水阀门SX009用锁匙开启柴油泵,按上按钮,柴油泵起动后,用手渐渐按下加油手柄,压力高低以手柄开度有关。中止时,渐渐按下另一手柄。(图5)启动开关开锁点启动手柄停机手柄(图4)柴油泵电池要密封好(图6),每半个月开启柴油泵一次,做好记录。(图5)(图6)电池柜八、异常及紧急状况的处理异常/紧急状况处理措施特别提醒设备故障阀门损坏更换阀门阀门螺栓松动紧固螺栓健康安全应急环境应急食品安全应急其他应急停水、停电向安环办汇报,如出现火灾状况,启动柴油泵九、相关文件修改状态序号章节号摘要通知单号修改人日期

展开阅读全文
相关资源
猜你喜欢
相关搜索

当前位置:首页 > 建筑/环境 > 绿化工程

copyright@ 2008-2023 1wenmi网站版权所有

经营许可证编号:宁ICP备2022001189号-1

本站为文档C2C交易模式,即用户上传的文档直接被用户下载,本站只是中间服务平台,本站所有文档下载所得的收益归上传人(含作者)所有。第壹文秘仅提供信息存储空间,仅对用户上传内容的表现方式做保护处理,对上载内容本身不做任何修改或编辑。若文档所含内容侵犯了您的版权或隐私,请立即通知第壹文秘网,我们立即给予删除!