二手车整备验收表.docx

上传人:p** 文档编号:561616 上传时间:2023-11-02 格式:DOCX 页数:3 大小:20.01KB
下载 相关 举报
二手车整备验收表.docx_第1页
第1页 / 共3页
二手车整备验收表.docx_第2页
第2页 / 共3页
二手车整备验收表.docx_第3页
第3页 / 共3页
亲,该文档总共3页,全部预览完了,如果喜欢就下载吧!
资源描述

《二手车整备验收表.docx》由会员分享,可在线阅读,更多相关《二手车整备验收表.docx(3页珍藏版)》请在第壹文秘上搜索。

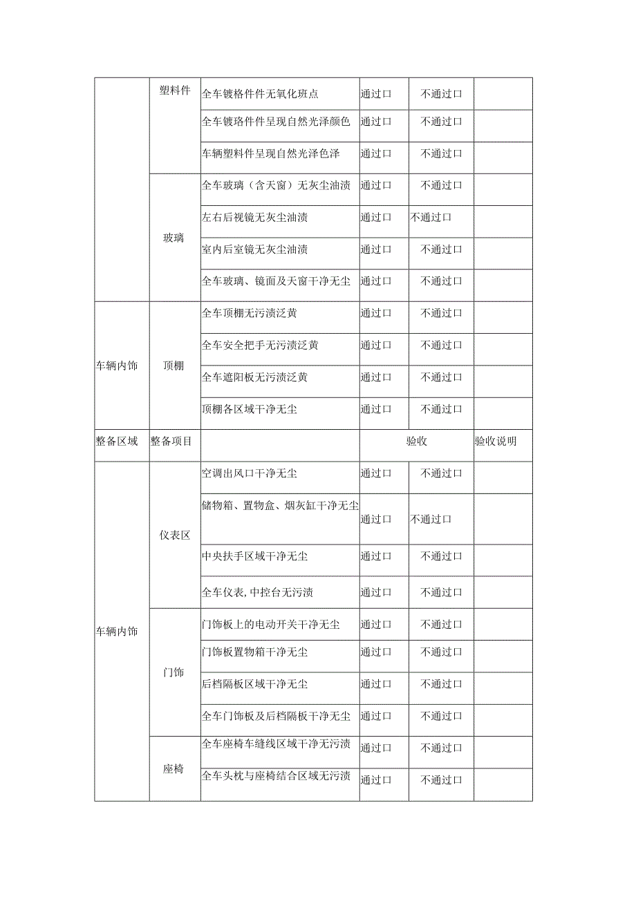
1、二手车整备验收表二手车整备验收表编号:整备区域整备项目验收验收说明机舱区域轮胎全车轮胎胎壁无尘土通过口不通过口全车胎壁干净无尘并附着橡胶护理剂通过口不通过口轮毂全车轮毂无粉尘及油渍、划伤通过口不通过口全车轮毂干净明亮无污渍通过口不通过口机盖机盖上隔音棉无污渍及油渍通过口不通过口机盖上锁扣无污渍及油渍通过口不通过口机盖区域干净无油渍通过口不通过口发动机引擎无油渍及污渍通过口不通过口引擎区域干净并呈现自然光泽通过口不通过口机舱防火墙无油渍及污渍通过口不通过口前纵梁无油渍及污渍通过口不通过口其余各部件无油渍及污渍通过口不通过口引擎机舱内干净无油渍通过口不通过口车身外观漆面车辆饭件无明显划痕或浮凸通过

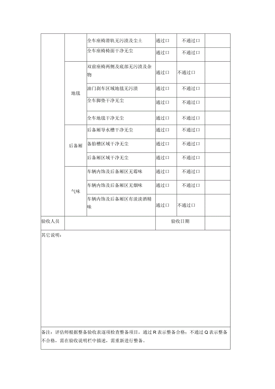
2、口不通过口车辆银件呈现自然光泽漆面通过口不通过口镀信件、车辆外观塑料件无泛白陈旧色泽通过口不通过口塑料件全车镀格件件无氧化班点通过口不通过口全车镀珞件件呈现自然光泽颜色通过口不通过口车辆塑料件呈现自然光泽色泽通过口不通过口玻璃全车玻璃(含天窗)无灰尘油渍通过口不通过口左右后视镜无灰尘油渍通过口不通过口室内后室镜无灰尘油渍通过口不通过口全车玻璃、镜面及天窗干净无尘通过口不通过口车辆内饰顶棚全车顶棚无污渍泛黄通过口不通过口全车安全把手无污渍泛黄通过口不通过口全车遮阳板无污渍泛黄通过口不通过口顶棚各区域干净无尘通过口不通过口整备区域整备项目验收验收说明车辆内饰仪表区空调出风口干净无尘通过口不通过口储

3、物箱、置物盒、烟灰缸干净无尘通过口不通过口中央扶手区域干净无尘通过口不通过口全车仪表,中控台无污渍通过口不通过口门饰门饰板上的电动开关干净无尘通过口不通过口门饰板置物箱干净无尘通过口不通过口后档隔板区域干净无尘通过口不通过口全车门饰板及后档隔板干净无尘通过口不通过口座椅全车座椅车缝线区域干净无污渍通过口不通过口全车头枕与座椅结合区域无污渍通过口不通过口全车座椅滑轨无污渍及尘土通过口不通过口全车座椅椅面干净无尘通过口不通过口地毯双前座椅两侧及底部无污渍及杂物通过口不通过口油门刹车区域地毯无污渍通过口不通过口全车脚垫干净无尘通过口不通过口全车地毯干净无尘通过口不通过口后备厢后备厢导水槽干净无尘通过口不通过口备胎槽区域干净无尘通过口不通过口后备厢区域干净无尘通过口不通过口气味车辆内饰及后备厢区无霉味通过口不通过口车辆内饰及后备厢区无烟味通过口不通过口车辆内饰及后备厢区有淡淡酒精味通过口不通过口验收人员验收日期其它说明:备注:评估师根据整备验收表逐项检查整备项目,通过R表示整备合格;不通过Q表示整备不合格,需在验收说明栏中描述,需重新进行整备。

展开阅读全文
相关资源
猜你喜欢
相关搜索

当前位置:首页 > 研究报告 > 统计年鉴/数据分析

copyright@ 2008-2023 1wenmi网站版权所有

经营许可证编号:宁ICP备2022001189号-1

本站为文档C2C交易模式,即用户上传的文档直接被用户下载,本站只是中间服务平台,本站所有文档下载所得的收益归上传人(含作者)所有。第壹文秘仅提供信息存储空间,仅对用户上传内容的表现方式做保护处理,对上载内容本身不做任何修改或编辑。若文档所含内容侵犯了您的版权或隐私,请立即通知第壹文秘网,我们立即给予删除!