电梯多层次模糊评价方法、电梯安全状况评估报告.docx

上传人:p** 文档编号:567622 上传时间:2023-11-04 格式:DOCX 页数:14 大小:106.62KB
下载 相关 举报
电梯多层次模糊评价方法、电梯安全状况评估报告.docx_第1页
第1页 / 共14页
电梯多层次模糊评价方法、电梯安全状况评估报告.docx_第2页
第2页 / 共14页
电梯多层次模糊评价方法、电梯安全状况评估报告.docx_第3页
第3页 / 共14页
电梯多层次模糊评价方法、电梯安全状况评估报告.docx_第4页
第4页 / 共14页
电梯多层次模糊评价方法、电梯安全状况评估报告.docx_第5页
第5页 / 共14页
电梯多层次模糊评价方法、电梯安全状况评估报告.docx_第6页
第6页 / 共14页
电梯多层次模糊评价方法、电梯安全状况评估报告.docx_第7页
第7页 / 共14页
电梯多层次模糊评价方法、电梯安全状况评估报告.docx_第8页
第8页 / 共14页
电梯多层次模糊评价方法、电梯安全状况评估报告.docx_第9页
第9页 / 共14页
电梯多层次模糊评价方法、电梯安全状况评估报告.docx_第10页
第10页 / 共14页
亲,该文档总共14页,到这儿已超出免费预览范围,如果喜欢就下载吧!
资源描述

《电梯多层次模糊评价方法、电梯安全状况评估报告.docx》由会员分享,可在线阅读,更多相关《电梯多层次模糊评价方法、电梯安全状况评估报告.docx(14页珍藏版)》请在第壹文秘上搜索。

1、附录A(资料性)电梯多层次模糊评价方法电梯多层次模糊评价方法是一种定性与定量相结合的评价方法,首先用层次分析法确定因素集,然后用模糊综合评判确定评判结果。模糊评价法是在层次法之上,两者相结合,对安全评价有着较好的可靠性。A.1建立层次结构模型进行电梯安全风险层次分析,需要分析影响电梯运行安全的所有因素,去除其中的偶然因素和不可抗力因素,选择其中具有必然联系的因素,依据它们与评价目标联系的紧密程度,建立起多层次结构模型,如图AJ所示。电实状等就个况级设备本体使用 管理安全 性E及苗二公仃你身环倬仲蒲等机构 震; 悔如保伟 求刀, li.c ,A.2建立评价集和比较矩阵A.2.1建立评价集分别设立

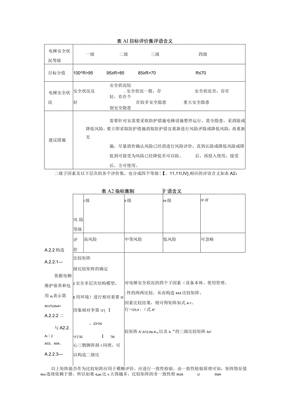
2、电梯安全状况评价集和二级子因素及以下层次的评价集。其中,安全状况评价集设为四级:一级,二级,三级,四级,评价集中各个评语含义如表AL表Al目标评价集评语含义电梯安全状况等级一级二级三级四级目标分值100R9595R8585R70R70电梯安全状况安全状况较安全状况良.安全状况一般,存安全状况差,存在好,存在个好在较多安全隐患重大安全隐患别安全隐患建议措施需要针对安需要采取防护措施电梯设施暂停运行,需全隐患,采消除或降低风险,要立即采取防护措施消取防护措宜重新进行风险评除或降低风险,再重新无施,尽量消价确认风险已经消进行风险评价,直到认除或降低风除或降低到可接受为风险已经降低至可以险。后,再投入

3、使用。接受后,方可使用。二级子因素及以下层次的各个评价集,也分成四个等级【,11,11I,IV,相应的评语含义如表A2:表A2指标集制F语含义A.2.2构造A.2.2.1依据电柳维护保养和包用aij表示第Al=(%)4x4=A.2.2.2二与A2.2.A2AII3,AII4,A.2.2.3风险等级I级II级HI级IV级评价高风险中等风险低风险可忽略比较矩阵级比较矩阵的确定2安全多层次结构模型,E用环境)进行相对重要iX因象相对争第a21。23a24la3“321“34心三鹘牌阵洞1同理,可以构造二级比4115。致性检验对电梯安全状况的四个子因素(设备本体、使用管理、:性的两两比较,从而构造4X

4、4比较矩阵。因素比较结果,则可得矩阵如式A-1。仃=123,4)(式A*较矩阵A”,A12,Ab,A14,以及A“的三级比较矩阵An”以上矩阵能否作为比较矩阵应用于模糊评价,应进行一致性检验。由一致性检验原理可知,矩阵特征值4mx连续依赖于册,所以如果4ttax比n大得越多,比较矩阵的非一致性程IIlclAIJIIIdA度也就越严重,4l对应的标准化特征向量也就越不能真实的反映风险因素之间的关系。因此,对上述矩阵应作相应的一致性检验,以便决定能否接受该比较矩阵。步骤如下:(1)利用MATLAB7.0计算该矩阵的最大特征值4皿和相应的特征向量。(2)计算一致性指标%-t由上述计算可得该矩阵的最大

5、特征值4nax和一致性指标值C=q(1,2),tl查找相应的随机一致性指标RI(RandomIndex),得到平均随机一致性指标RI,由公式CICR=-计算得出一致性比率CR(ConsistentRatiO)如果CReO.10,即认为该判断Rl矩阵不可接受,应作适当修正。如果V0.10,即可以说明上述比较矩阵和指标权重是合理的。A.3权重的确定由该矩阵的最大特征值4nax对应的特征向量(,2fQ当)进行归一化处理可得一级因素权重向量为M1=(Wi,W2,W3,W4)。同理可得二级评价矩阵的权重集为:M21=Wh,Wl2,Wl3,W14,Wi5为1X5矩阵;M22=W21,W22,W23,W24

6、,W25,W26,W27,为1乂7矩阵;M23=W31,W32,W33,W34,为1X4矩阵;M24=W4i,W42,W43,为IX3矩阵;同理可得VI的三级权重。详见表A3和表A4。表A3层次结构模型中的风险因素及权重电梯安全状况等级一级因素权重二级因素二级权重Vl设备本体W1V11机房设备WnV12井道设备W12Vi3轿厢Wi3V14门系统及层站Wi4Vi5安全性Wl5V2用户管理W2Vzi使用单位确定W2IV22管理机构及人员W22V23管理制度和技术档案W23V24维护保养管理W24V25日常巡视和自行检查W25V26安全标识W26V27运行保障W27V3维护保养W3V31维护保养单位

7、W3IV32维护保养人员W32V33维护保养质量W33V34备件保障W34V4使用环境W4V41使用场所W41V42机器设备空间W42V43供配电W43表A4设备本体风险子因素和权重风险因素风险子因素内容二级权重分项评价内容三级权重Vn机房设备WnVlll曳引机WmVll2制动器W112Vll3紧急操作装置Wn3V114电气控制系统W114Viis限速器W115V12井道设备Wi2V121井道内防护W121V122导向系统W122Vi23对重W123V124井道布线W124Vi25底坑设备W125V13轿厢Wi3V131轿厢结构与防护WBlV132轿厢面积WB2V133悬挂装置和补偿装置W13

8、3Vi34轿厢设备W134Vi4门系统及层站W14V141层轿门结构W141V142层轿门运行W142V143层门安全功能W143V144层站设施W144Vis安全性WisV151旋转部件保护WiSlVi52超越端站保护W152Vl53超载保护W153Vl54曳引能力W154V155超速保护W155V156安全回路W1S6A.4模糊评价方法A.4.1风险信息采集进行电梯的安全风险评价的第一步,是安全风险信息采集,即评价人员依据层次模型中规定的风险因素,按设定的等级对评价对象的安全状况给出评价结果。这一过程,本质上说是客观的,但不同的专家对于同一个风险因素在理解上可能并不相同,因此可以采用邀请多

9、位专家参与评价过程,最后结果取平均值,即可得到客观的风险信息。A.4.2构造隶属度矩阵和评价矩阵依据评价人员给出的评价结果,按专家人数取平均值,得到评价矩阵的向量,形成相应的评价矩阵。对于一级风险因素Vl而言,还有子因素的风险因素信息需要收集,因此,需要在此基础上形成二级评价矩阵,将此二级风险评价矩阵隶属度矩阵与对对应的三级权重合成,得到风险因素Vl的5个隶属度矩阵。参见表A5。表A5根据n位专家评价结果形成的隶属度矩阵BgB15和评价矩阵Rn二级隶属矩阵向量三级权重IIIIIIIV风险评价矩阵11-W11.x/?H()=12.5)Wmmmm2m13m14/、/Wii2m2m12211123m

10、i24Rn=,“勺|2叫13机町22町23町24呵31町32见33町34141班42町43叫44k,w15lwI52wI53?154力(式A-2)W113m3m32m133m134Wii4mi4im42m43I11144W11511)15m52m153m54用2=2jXR2(/=1,2,.5)W1112ll11212r213r112i4/一、/(式A-3)W12211122lm222m223m224R12=1121111212rr23,n214机221机222m223机224fn23ifn232加233fn234fn24l加242叫43吗44kw25l加252fn253fn254Wi23111

11、231111232m233m234W124111241111242m243111244Wi25m25im252m253m254813wI3jX与3(/=123,4)W13Im3ll11bl2m31311I314凡3=OnmW3126313w4fn32lf7l322m323,724w3lm332m333幽34k4l加342634344/(式A4)W132m32lT11322m323111324W133m33i111332m33301334W134m3411342m343111344%=吗”W141m4114I2m4B111414恤11砥12砥13砥14、/Wi42ru21111422r11423

12、11424机42164226423424砥31砥32砥33734砥42fn443砥44/(j=1,2,3,4)W43m43皿32m43311434R14=/W144331111432皿33皿34/(式A-5)B15=w15j.R15W11)51m512m513m5i41I网12吗13叫J/W152m5211152211523r11524/(7=1,2,.0)W153m53l01532111533m534ttlS2”52223/Wi54m541IT1542m543m544,w531吗32网33W534nW155m55111552m553m554541砥42砥43W544/Wi56r1156ir11562m563m564,w551吗52,w553W554w561加562吗63W564(式A-6)上表中,11bjk为各个专家给出评价结果的累加,(i,j,k=l,2,.,n且每一行iijk值的和应等于n),表中的风险评价矩阵Ri(i=l,2,3,4)中各个向量是明;与n值的平均值。A.4.3构造评价矩阵将上述隶属度矩阵与对应的权重合成,即可得到一级风险因素VI的评价矩阵,如式A-7:-BXuXRnB2W12XR12R=Bj=WjjXRj=昌“3xR3员?V.4xR4

展开阅读全文
相关资源
猜你喜欢
相关搜索

当前位置:首页 > 建筑/环境 > 房地产

copyright@ 2008-2023 1wenmi网站版权所有

经营许可证编号:宁ICP备2022001189号-1

本站为文档C2C交易模式,即用户上传的文档直接被用户下载,本站只是中间服务平台,本站所有文档下载所得的收益归上传人(含作者)所有。第壹文秘仅提供信息存储空间,仅对用户上传内容的表现方式做保护处理,对上载内容本身不做任何修改或编辑。若文档所含内容侵犯了您的版权或隐私,请立即通知第壹文秘网,我们立即给予删除!