模板工程施工方案.docx

上传人:p** 文档编号:574515 上传时间:2023-11-08 格式:DOCX 页数:5 大小:22.13KB
下载 相关 举报
模板工程施工方案.docx_第1页
第1页 / 共5页
模板工程施工方案.docx_第2页
第2页 / 共5页
模板工程施工方案.docx_第3页
第3页 / 共5页
模板工程施工方案.docx_第4页
第4页 / 共5页
模板工程施工方案.docx_第5页
第5页 / 共5页
亲,该文档总共5页,全部预览完了,如果喜欢就下载吧!
资源描述

《模板工程施工方案.docx》由会员分享,可在线阅读,更多相关《模板工程施工方案.docx(5页珍藏版)》请在第壹文秘上搜索。

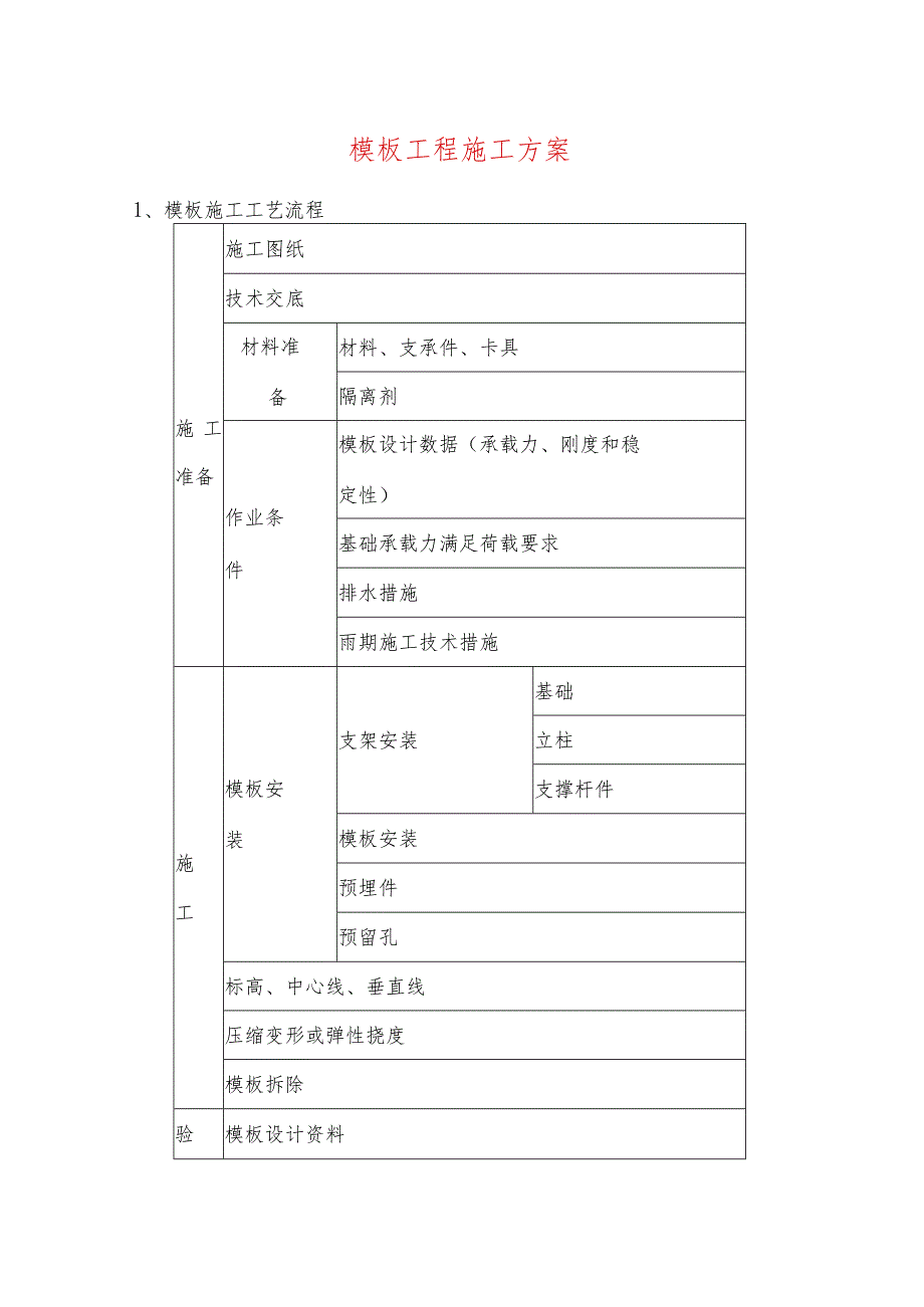
1、模板工程施工方案1、模板施工工艺流程施工准备施工图纸技术交底材料准备材料、支承件、卡具隔离剂作业条件模板设计数据(承载力、刚度和稳定性)基础承载力满足荷载要求排水措施雨期施工技术措施施工模板安装支架安装基础立柱支撑杆件模板安装预埋件预留孔标高、中心线、垂直线压缩变形或弹性挠度模板拆除验模板设计资料收材料预埋件和预留孔洞模板安装的几何尺寸2、模板工程施工要点2.1柱模安装时先在基础面上弹出纵横轴线和四周边线,固定小方盘,在小方盘面调整标高,立柱头板。小方盘一侧要留清扫口,柱高大于3m时应于柱侧留设浇筑口,每隔2m留一道。2.2对于通排柱模板,应先安装两端柱模板,校正固定,拉通线校正中间各柱模板。

2、2.3柱模板宜加柱箍,每隔50cm加设一道钢管环箍。2.4为了便于拆模,柱模板与梁模板连接时,梁模板宜缩短23cm并锯成小斜面。2.5梁跨度大于4m时,梁底板中部应起拱。起拱高度为全跨长度的1/400;悬挑梁板端部起拱高度为全跨长度的l200o2.6楼板模板铺设时,要在两端及接头处钉牢,中间尽量少钉以利拆模。2.7挑模板必须撑牢拉紧,防止向外倾覆,确保安全。2.8上下层模板的钢管立柱,一般应安装在一条竖向中心线上。2.9楼梯模板施工前应先根据实际层高放样,先安装平台梁及基础模板再装楼梯斜梁或梯底模板,然后安装楼梯外帮侧板,外帮侧板应先在其内侧弹出楼梯底板层厚度线,用套板划出踏步侧板位置线,钉好

3、固定踏步侧板的挡木,在现场装钉侧板。2. 10如果楼梯较宽时,沿踏步中间的上面加一至二道的反扶梯基。反扶梯基上端与平台梁外侧板固定,下端与基础外侧板固定撑牢。2. 11梯步高度要匀匀一致,特别要注意最下一步及最上一步的高度,必须考虑到楼地面层粉刷厚度,防止由于粉刷面层厚度不同而形成梯步高度不协调。3、模板的拆除现浇结构的模板及其支架拆除时的混凝土强度,应符合设计要求,当设计无具体要求时,应符合下列规定:3. 1侧模在混凝土强度能保证其表面及棱角不因拆除模板而受到损坏后,方可拆模。3. 2底模在混凝土强度符合下规定时,方可拆除。底模拆除时混凝土强度要求结构类型结构跨度(In)达到设计的混凝土立方

4、体抗压强度标准值的百分率(%)板2N5028三758100梁、拱、8275壳8三100悬挂构件21003. 3己拆除模板及其支架的结构,在混凝土强度符合设计混凝土强度等级的要求后,方可承受全部使用荷载:当施工荷载所产生的效应比使用荷载的效应更为不利时,必须经过核算,并加设临时支撑。拆模时不要用力过猛过急,拆下来的木料要及时运走,整理。3. 4拆模程序一般应是后支的先拆,先支的后拆,先拆除非承重部分,后拆除承重部分。拆除跨度较大的梁下支柱时,应先从跨中开始,分别拆向两端。多层楼板模板支撑的拆除,应按下列要求进行:上层楼板正在浇灌混凝土时,下一层楼板的模板支撑不得拆除,再下一层楼板模板的支柱,仅可

5、拆除一部分,跨度4m及4m以上的梁下均应保留支柱,其间距不得大于3m。3. 5模板要加强保护,拆除后逐块传递下来,不得抛掷,拆下后,即清理干净,板面刷油,按规格分类堆放整齐,以利再用。4、模板工程的质量要求:4. 1模板及其支承结构的材料、质量,应符合规范规定和设计要求。4.2模板及支撑应有足够的强度、刚度和稳定性,并不致发生不允许的下沉与变形,模板的内侧面要平整,接缝严密,不得漏浆。4.3模板安装后应仔细检查各部构件是否牢固,在浇灌混凝土过程中要经常检查,如发现变形、松动等现象,要及时修整加固。4.4现浇整体式结构模板安装的允许偏差,参见下表。现浇结构模板安装的允许偏差项目允许偏差(mm)轴线位置5底模上表面标高5截面内部尺寸基础10桩、墙、梁+4,-5层高垂直度全高W5m6全高5m8相邻两板表面高低差2表面平整度(2m长度上)55、模板体系:模板采用18厚胶合板183091518mm,木楞采用50100mm方木,支撑体系采用48x3标准钢管,梁底钢管立杆间距500mm,板底钢管立杆间距700mm,水平拉杆竖向距离15m,板底木方间距500mm,梁底木方间距300mm,柱模加固500mm间距一道双钢管环箍。

展开阅读全文
相关资源
猜你喜欢
相关搜索

当前位置:首页 > 建筑/环境 > 设计及方案

copyright@ 2008-2023 1wenmi网站版权所有

经营许可证编号:宁ICP备2022001189号-1

本站为文档C2C交易模式,即用户上传的文档直接被用户下载,本站只是中间服务平台,本站所有文档下载所得的收益归上传人(含作者)所有。第壹文秘仅提供信息存储空间,仅对用户上传内容的表现方式做保护处理,对上载内容本身不做任何修改或编辑。若文档所含内容侵犯了您的版权或隐私,请立即通知第壹文秘网,我们立即给予删除!