GZ066 建筑工程识图赛项正式赛卷1.3-建筑模型三维转换试卷-2023年全国职业院校技能大赛赛项正式赛卷.docx

上传人:p** 文档编号:580984 上传时间:2023-11-19 格式:DOCX 页数:2 大小:42.92KB
下载 相关 举报
GZ066 建筑工程识图赛项正式赛卷1.3-建筑模型三维转换试卷-2023年全国职业院校技能大赛赛项正式赛卷.docx_第1页
第1页 / 共2页
GZ066 建筑工程识图赛项正式赛卷1.3-建筑模型三维转换试卷-2023年全国职业院校技能大赛赛项正式赛卷.docx_第2页
第2页 / 共2页
亲,该文档总共2页,全部预览完了,如果喜欢就下载吧!
资源描述

《GZ066 建筑工程识图赛项正式赛卷1.3-建筑模型三维转换试卷-2023年全国职业院校技能大赛赛项正式赛卷.docx》由会员分享,可在线阅读,更多相关《GZ066 建筑工程识图赛项正式赛卷1.3-建筑模型三维转换试卷-2023年全国职业院校技能大赛赛项正式赛卷.docx(2页珍藏版)》请在第壹文秘上搜索。

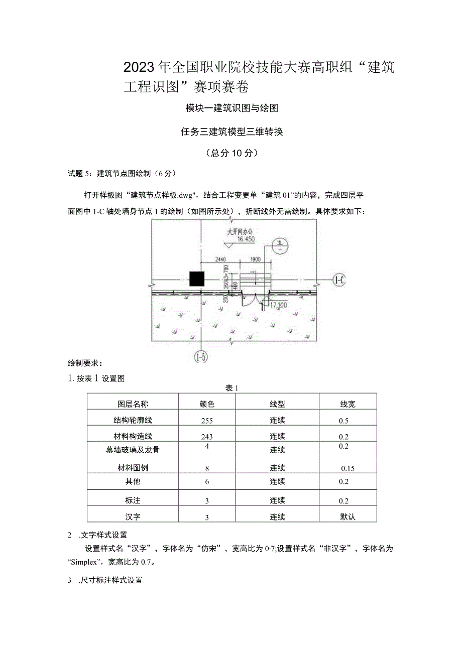
1、2023年全国职业院校技能大赛高职组“建筑工程识图”赛项赛卷模块一建筑识图与绘图任务三建筑模型三维转换(总分10分)试题5:建筑节点图绘制(6分)打开样板图“建筑节点样板.dwg,结合工程变更单“建筑01”的内容,完成四层平面图中1-C轴处墙身节点1的绘制(如图所示处),折断线外无需绘制。具体要求如下:绘制要求:1.按表1设置图层。表1图层名称颜色线型线宽结构轮廓线255连续0.5材料构造线243连续0.2幕墙玻璃及龙骨4连续0.2材料图例8连续0.15其他6连续0.2标注3连续0.2汉字3连续默认2 .文字样式设置设置样式名“汉字”,字体名为“仿宋”,宽高比为07;设置样式名“非汉字”,字体

2、名为“Simplex”,宽高比为0.7。3 .尺寸标注样式设置尺寸标注样式名为“尺寸”。文字样式选用“非汉字”,箭头大小为L2mm,基线间距8三,尺寸界限偏移尺寸线2mm,尺寸界限偏移原点5mm,文字高度3mm,使用全局比例为20。4.其他1)窗台做钢筋混凝土压顶,内外均出挑墙面IoOnlm,厚IoOl三;外窗台铝板面层,坡度3%;厚度8mm;2)面层粉刷厚度按50un绘制;其余(板底、梁等)粉刷按20DInl绘制;3)屋面保护层以上构造如下:20厚成品塑料排水板,凸点向上;1厚土工布一层;500厚种植土;且设置卵石隔离带宽2400nm;4)须标注必要的尺寸和标高,且进行文字注释;5)正确进行

3、材料图例填充。5.绘图比例1:1,出图比例1:20。保存要求:完成绘制任务后,将绘制好的试题5保存在以赛位号命名的文件夹,文件名为“试题5-xxx.dwg”,XXX为赛位号。注:样板图中已设置图层“样板”,该图层已锁定,不得删除不得编辑修改。试题6:建筑节点三维转换(4分)将完成的试题5建筑节点图,在建模软件内创建节点构造模型。模型建立要求:1、建模比例1:10。2、材质要求:须在对应位置贴材质,使用材质名称如下:砖、混凝土、沥青防水卷材。其余材质按软件默认。3、玻璃设置为白色,透明度50%。4、龙骨细节尺寸见下图。玻璃幕墙示意图保存要求:完成绘制任务后,将绘制好的试题6保存在以赛位号命名的文件夹,文件名为“试题6-xxx.Z,XXX为赛位号。

展开阅读全文
相关资源
猜你喜欢
相关搜索

当前位置:首页 > 建筑/环境 > 建筑资料

copyright@ 2008-2023 1wenmi网站版权所有

经营许可证编号:宁ICP备2022001189号-1

本站为文档C2C交易模式,即用户上传的文档直接被用户下载,本站只是中间服务平台,本站所有文档下载所得的收益归上传人(含作者)所有。第壹文秘仅提供信息存储空间,仅对用户上传内容的表现方式做保护处理,对上载内容本身不做任何修改或编辑。若文档所含内容侵犯了您的版权或隐私,请立即通知第壹文秘网,我们立即给予删除!