安全管理计划.docx

上传人:p** 文档编号:605434 上传时间:2023-12-01 格式:DOCX 页数:15 大小:161.44KB
下载 相关 举报
安全管理计划.docx_第1页
第1页 / 共15页
安全管理计划.docx_第2页
第2页 / 共15页
安全管理计划.docx_第3页
第3页 / 共15页
安全管理计划.docx_第4页
第4页 / 共15页
安全管理计划.docx_第5页
第5页 / 共15页
安全管理计划.docx_第6页
第6页 / 共15页
安全管理计划.docx_第7页
第7页 / 共15页
安全管理计划.docx_第8页
第8页 / 共15页
安全管理计划.docx_第9页
第9页 / 共15页
安全管理计划.docx_第10页
第10页 / 共15页
亲,该文档总共15页,到这儿已超出免费预览范围,如果喜欢就下载吧!
资源描述

《安全管理计划.docx》由会员分享,可在线阅读,更多相关《安全管理计划.docx(15页珍藏版)》请在第壹文秘上搜索。

1、安全管理计划一、职业健康安全管理目标序号管理内容管理目标及承诺1安全创优目标现场达到文明优良工程标准2安全管理目标确保实现安全施工管理:无重伤、无死亡、无坍塌、无中毒、无火灾、无重大机械事故、无重大社会影响事件。伤亡事故0;轻伤事故V3%。;0重伤事故;0火险;。环境污染事故、。环境投诉;0管线事故;0食物中毒;0职业健康事故;0政府处罚;二、现场职业健康安全管理组织机构和职责分工1、现场职业健康安全管理组织机构成立以项目经理为组长的安全施工管理机构,在项目监管部门的监管下负责对项目安全施工管理等问题进行决策和管理;设安全环境管理部,全面负责工程的安全生产、文明施工与环境保护管理工作。企业总部

2、安全部门定期对现场施工安全进行大检查,实行施工安全的垂直管理。在此基础上建立以项目经理为首,项目总工程师、安全总监、专职安全员、专业工程师、班组长、施工作业层组成的安全生产管理体系。2、现场职业健康安全管理职责分工项目经理安全责任序号项目经理安全责任1项目经理是项目安全生产第一责任人,对承包项目工程施工中的安全生产负领导责任。2落实施工组织设计、施工方案中各项安全技术要求、严格执行安全技术措施审批制度、施工项目安全交底制度及设备设施交接、验收、使用制度。3严格遵守特殊工种及农民工使用的安全生产管理规定,领导组织职工(含外包队)的各项安全生产教育。4贯彻执行安全生产方针政策、法规利各项规章制度,

3、结合项目工程特点及施工全过程的情况,制定本项目工程各项安全生产管理办法,并监督其实施。5成立以项目经理为组长的安全生产领导小组,根据工程规模和特点设一定数量的专职安全员(不少于职工人数的5%。),明确安全责任和考核指标,支持、指导安全管理人员的工作,专职安全员和特种作业人员必须持证上岗。6组织落实施工组织设计中安全技术措施,组织并监督项目工程施工中安全技术交底制度和设施、设备验收制度的实施。7健全和完善用工管理手续,录用外部劳务队伍必须经公司批准。认真做好自有职工和外部劳务队伍人员上岗安全教育,保证他们的健康与安全。8不折不扣地提取和用好安全技术措施经费,落实各项安全防护措施,实现工地安全指标

4、。9项目经理每周组织一次对施工现场的安全生产检查,发现隐患,及时采取措施解决。对上级提出的安生生产与管理上的问题,要定人、定时间、定措施予以解决。10发生事故,要做好现场保护与抢救工作,及时上报,组织配合事故的调查,及时落实制定的防范措施,认真吸取事故教训。项目总工程师安全责任序号项目总工程师安全责任1贯彻落实安全生产方针政策,严格执行安全技术规程、规范、标准。结合工程项目特点,主持项目工程的安全技术交底。对项目工程施工中的安全生产技术负责。2组织编制施工组织设计,在编制和审查施工方案时,要制定、审查安全技术措施,保护其可行性和针对性,并随时检查、监督、落实。3项目工程应用新材料、新技术、新工

5、艺要及时上报,经批准后方可实施,同时要组织上岗人员的安全技术培训、教育,认真执行相应的安全技术措施与安全操作工艺。4主持安全防护设施和设备的验收,发现不正常情况及时采取措施,严格控制不合标准要求或国家明令淘汰的设施、设备投入使用。5参加安全生产检查,对施工中存在的不安全因素,从技术方面提出整改意见和办法予以消除。6参加、配合因工伤亡及重大未遂事故的调查,从技术上分析事故原因,提出防范措施和意见。7协助项目经理,对项目的安全生产负直接领导责任。8认真落实安全生产的法规、标准、规范及规章制度,定期检查落实情况。9组织实施各项安全技术措施,检查指导安全技术交底与安全设施验收工作。10组织参与每天的现

6、场安全巡视,组织有关人员定期进行安全生产和文明施工检查工作,并对发现的问题组织整改。11加强对项目管理人员的安全教育,提高管理层的安全意识。12发生伤亡事故时,组织抢救人员、保护现场,并及时上报。项目安全总监安全责任序号项目安全总监安全责任1在项目经理的领导下负责项目的安全生产工作,协助项目经理贯彻上级安全生产的指示和规定,检查督促执行。2负责或参与制定项目有关安全生产管理制度、安全技术措施计划和安全技术操作规程,督促落实并检查执行情况。3负责纠正和查处违章指挥、违章操作、违反安全生产纪律的行为和人员;正确分析、判断和处理各种事故隐患,负责组织编制事故安全隐患整改方案,并及时检查整改方案的落实

7、情况;对施工现场存在重大安全隐患的专业性较强的项目,有权下达停工整改决定。4负责组织项目人员的安全意识、安全技术教育和安全考核工作,督促班组进行班前安全教育和岗位安全教育。5负责项目安全设备、防护器材和急救器具的管理。6如发生事故,要正确处理,及时、如实地向上级报告,并保护现场,作好详细记录;参与安全事故的调查和处理。项目专业工程师安全责任序号专业工程师安全责任1认真执行上级有关安全生产的规定,对所管辖班组(含外部劳务队伍)的安全生产负直接领导责任。2认真执行安全技术措施及安全操作规程,针对工程施工任务特点,向班组(包括外部劳务队伍)进行书面安全技术交底,明示本工种操作的危险性,且履行签字手续

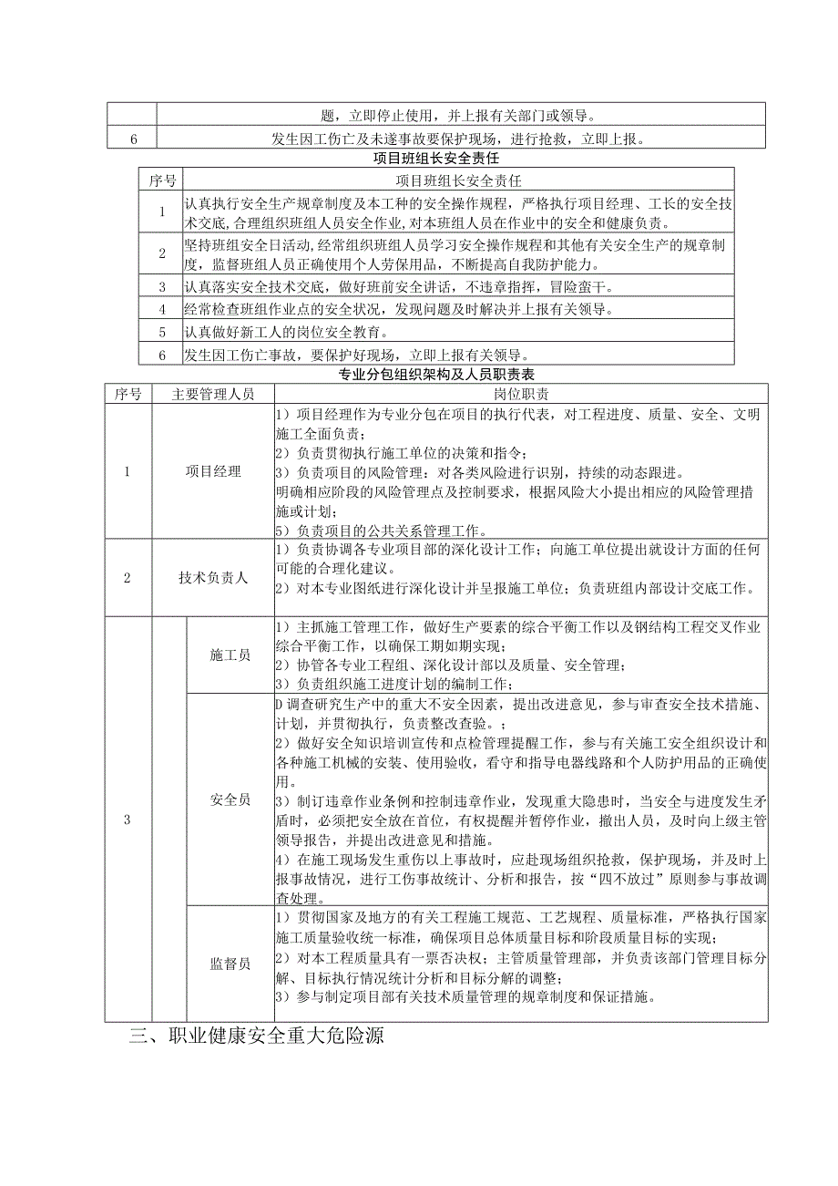
8、,并对规程、措施、交底要求执行情况经常检查,随时纠正违章作业。3经常检查所辖班组(包括外部劳务队伍)作业环境及各种设施、设备的安全状况,发现问题及进纠正解决。对重点、特殊部位施工,必须检查作业人员及各种设施设备是否符合安全要求,严格执行安全技术交底,落实安全技术措施,并监督执行,做到不违章指挥、不强令工人冒险作业。4定期或不定期的组织所辖班组学习操作规程,开展安全教育活动,接受安全部门的安全监督检查,及时解决提出的不安全问题。5对分管工程项目应用的新设备、新材料、新技术和新工艺严格执行申报、审批制度,发现问题,立即停止使用,并上报有关部门或领导。6发生因工伤亡及未遂事故要保护现场,进行抢救,立

9、即上报。项目班组长安全责任序号项目班组长安全责任1认真执行安全生产规章制度及本工种的安全操作规程,严格执行项目经理、工长的安全技术交底,合理组织班组人员安全作业,对本班组人员在作业中的安全和健康负责。2坚持班组安全日活动,经常组织班组人员学习安全操作规程和其他有关安全生产的规章制度,监督班组人员正确使用个人劳保用品,不断提高自我防护能力。3认真落实安全技术交底,做好班前安全讲话,不违章指挥,冒险蛮干。4经常检查班组作业点的安全状况,发现问题及时解决并上报有关领导。5认真做好新工人的岗位安全教育。6发生因工伤亡事故,要保护好现场,立即上报有关领导。专业分包组织架构及人员职责表序号主要管理人员岗位

10、职责1项目经理1)项目经理作为专业分包在项目的执行代表,对工程进度、质量、安全、文明施工全面负责;2)负责贯彻执行施工单位的决策和指令;3)负责项目的风险管理:对各类风险进行识别,持续的动态跟进。明确相应阶段的风险管理点及控制要求,根据风险大小提出相应的风险管理措施或计划;5)负责项目的公共关系管理工作。2技术负责人1)负责协调各专业项目部的深化设计工作;向施工单位提出就设计方面的任何可能的合理化建议。2)对本专业图纸进行深化设计并呈报施工单位;负责班组内部设计交底工作。3施工员1)主抓施工管理工作,做好生产要素的综合平衡工作以及钢结构工程交叉作业综合平衡工作,以确保工期如期实现;2)协管各专

11、业工程组、深化设计部以及质量、安全管理;3)负责组织施工进度计划的编制工作;安全员D调查研究生产中的重大不安全因素,提出改进意见,参与审查安全技术措施、计划,并贯彻执行,负责整改查验。;2)做好安全知识培训宣传和点检管理提醒工作,参与有关施工安全组织设计和各种施工机械的安装、使用验收,看守和指导电器线路和个人防护用品的正确使用。3)制订违章作业条例和控制违章作业,发现重大隐患时,当安全与进度发生矛盾时,必须把安全放在首位,有权提醒并暂停作业,撤出人员,及时向上级主管领导报告,并提出改进意见和措施。4)在施工现场发生重伤以上事故时,应赴现场组织抢救,保护现场,并及时上报事故情况,进行工伤事故统计

12、、分析和报告,按“四不放过”原则参与事故调查处理。监督员1)贯彻国家及地方的有关工程施工规范、工艺规程、质量标准,严格执行国家施工质量验收统一标准,确保项目总体质量目标和阶段质量目标的实现;2)对本工程质量具有一票否决权;主管质量管理部,并负责该部门管理目标分解、目标执行情况统计分析和目标分解的调整;3)参与制定项目部有关技术质量管理的规章制度和保证措施。三、职业健康安全重大危险源序号工序/工作活动危险源可能导致的事故受伤害人员1起重吊装作业钢丝绳与索具不符合要求吊装时构件坍落作业半径内及小现场周边人员司机操作失误吊装时构件坍落作业半径内及小现场周边人员违章指挥、违规操作吊装时构件坍落作业半径

13、内及小现场周边人员起重吊装超载作业吊装时构件坍落作业半径内及小现场周边人员吊装时构件堆放不符合要求构件因堆放不稳引起滑落砸伤作业半径内及小现场周边人员警戒管理不符合要求构件因堆放不稳引起滑落砸伤作业半径内及小现场周边人员司机、起重工无证作业吊装时构件坍落作业半径内及小现场周边人员2高处作业临边与“四口”防护措施缺陷作业工人高空失足或构件工具高处掉落高处临边及地面人员操作平台防护不到位或不符合要求作业工人高空失足或构件工具高处掉落高处临边及地面人员3施工用电违反“一机、一闸、一漏、一箱”触电及引起火灾现场操作人员电线电缆老化、破皮未包扎触电及引起火灾现场操作人员非电工私拉乱接电线触电及引起火灾现

14、场操作人员用其他金属丝代替熔丝触电及引起火灾现场操作人员电缆架设或埋设不符合要求触电及引起火灾现场操作人员灯具金属外壳未接地触电及引起火灾现场操作人员闸刀及插座插头损坏、闸具不符合要求触电及引起火灾现场操作人员不符合“三级配电二级保护”要求导致防护不足触电及引起火灾现场操作人员手持照明未用36V及以下电源供电触电及引起火灾现场操作人员带电作业无人监护触电及引起火灾现场操作人员4消防管量无消防措施、制度或消防设施发生火灾时现场情况无法控制现场操作人员灭火器材配置不合理发生火灾时现场情况无法控制现场操作人员序号工序/工作活动危险源可能导致的事故受伤害人员动火作业管理制度不符合要求易引起火灾现场操作人员四、职业健康安全资源配置计划序号职业健康安全资源名称数量使用特征保管人1安全帽60个符合现行国家和行业规范要求且完好物资管理员2双钩五点式安全带60个符合现行国家和行业规范要求且完好物资管理员3劳保鞋60个符合现行国家和行业规范要求且完好物资管理员4绝缘手套20个符合现行国家和行业规范要求且完好物资管理员5护目镜20个符合现行国家和行业规范要求且完好物资管理员6防坠器60个符合现行国家和行业规范要求且完好物资管理员7灭火器30个符合现行国家和行业规范要求且完好物资管理员8爬梯8个符合现行国家

展开阅读全文
相关资源
猜你喜欢
相关搜索

当前位置:首页 > 办公文档 > 工作计划

copyright@ 2008-2023 1wenmi网站版权所有

经营许可证编号:宁ICP备2022001189号-1

本站为文档C2C交易模式,即用户上传的文档直接被用户下载,本站只是中间服务平台,本站所有文档下载所得的收益归上传人(含作者)所有。第壹文秘仅提供信息存储空间,仅对用户上传内容的表现方式做保护处理,对上载内容本身不做任何修改或编辑。若文档所含内容侵犯了您的版权或隐私,请立即通知第壹文秘网,我们立即给予删除!