空调水系统安装(设备)质量标准及检验方法.docx

上传人:p** 文档编号:607853 上传时间:2023-12-01 格式:DOCX 页数:3 大小:19.83KB
下载 相关 举报
空调水系统安装(设备)质量标准及检验方法.docx_第1页
第1页 / 共3页
空调水系统安装(设备)质量标准及检验方法.docx_第2页
第2页 / 共3页
空调水系统安装(设备)质量标准及检验方法.docx_第3页
第3页 / 共3页
亲,该文档总共3页,全部预览完了,如果喜欢就下载吧!
资源描述

《空调水系统安装(设备)质量标准及检验方法.docx》由会员分享,可在线阅读,更多相关《空调水系统安装(设备)质量标准及检验方法.docx(3页珍藏版)》请在第壹文秘上搜索。

1、空调水系统安装(设备)质量标准及检验方法1检查数量:主控项目1)第1项:按总数抽查10%,且不得少于5件。2)第2项第4项:全数检查。一般项目3)第1项:按总数抽查10%,且不得少于6处。4)第2项第4项:全数检查。5)第5项:按规格、型号抽查10%,且不得少于2个。2质量标准和检验方法:空调水系统安装(设备)质量标准和检验方法类别序号检查项目质量标准单位检验方法及器具主控项目1系统设备与附属设备空调工程水系统的设备与附属设备、管道、管配件及阀门的型号、规格、材质及连接形式应符合设计规定观察检查外观质量,并检查产品质量证明文件、材料进场验收记录2冷却塔的安装冷却塔的型号、规格、技术参数必须符合

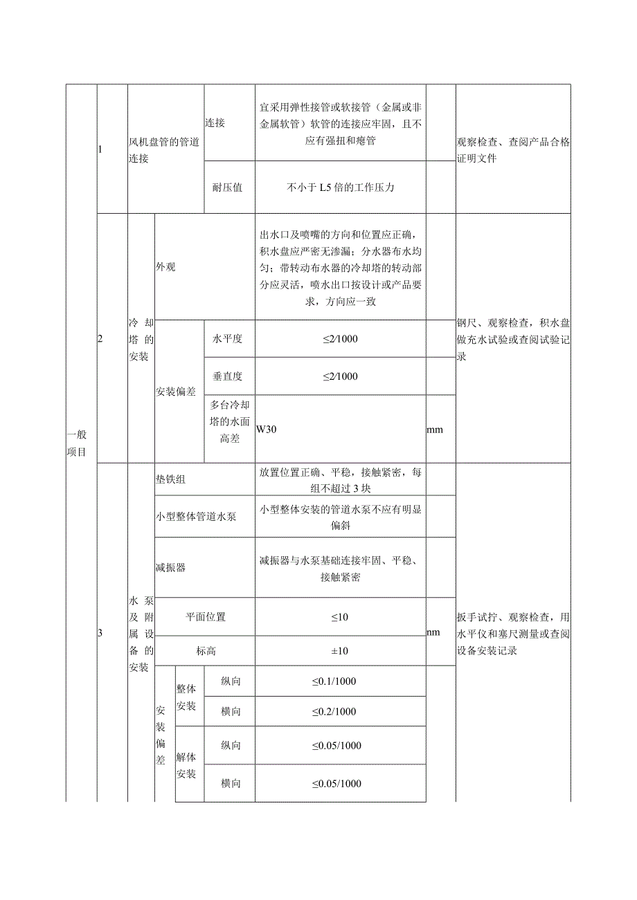
2、设计要求。对含有易燃材料冷却塔的安装,必须严格执行防火安全的规定按图纸核对,监督执行防火规定3水泵安装水泵的规格、型号、技术参数应符合设计要求和产品性能指标。水泵正常连续试运行的时间不应少于2h按图纸核对,实测或查阅水泵试运行记录4其他附属设备的安装水箱、集水缸、分水缸、储冷罐的满水试验或水压试验必须符合设计要求。储冷罐内壁防腐涂层的材质、涂抹质量、厚度必须符合设计或产品技术文件要求,储冷罐与底座必须进行绝热处理钢尺、观察检查,查阅试验记录一般项目1风机盘管的管道连接连接宜采用弹性接管或软接管(金属或非金属软管)软管的连接应牢固,且不应有强扭和瘪管观察检查、查阅产品合格证明文件耐压值不小于L5

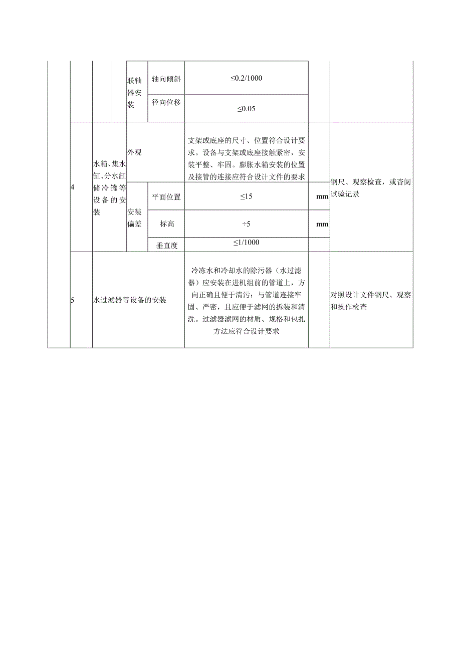
3、倍的工作压力2冷却塔的安装外观出水口及喷嘴的方向和位置应正确,积水盘应严密无渗漏;分水器布水均匀;带转动布水器的冷却塔的转动部分应灵活,喷水出口按设计或产品要求,方向应一致钢尺、观察检查,积水盘做充水试验或查阅试验记录安装偏差水平度21000垂直度21000多台冷却塔的水面高差W30mm3水泵及附属设备的安装垫铁组放置位置正确、平稳,接触紧密,每组不超过3块扳手试拧、观察检查,用水平仪和塞尺测量或查阅设备安装记录小型整体管道水泵小型整体安装的管道水泵不应有明显偏斜减振器减振器与水泵基础连接牢固、平稳、接触紧密平面位置10nm标高10安装偏差整体安装纵向0.1/1000横向0.2/1000解体安装纵向0.05/1000横向0.05/1000联轴器安装轴向倾斜0.2/1000径向位移0.054水箱、集水缸、分水缸、储冷罐等设备的安装外观支架或底座的尺寸、位置符合设计要求。设备与支架或底座接触紧密,安装平整、牢固。膨胀水箱安装的位置及接管的连接应符合设计文件的要求钢尺、观察检查,或杳阅试验记录安装偏差平面位置15mm标高5mm垂直度1/10005水过滤器等设备的安装冷冻水和冷却水的除污器(水过滤器)应安装在进机组前的管道上,方向正确且便于清污;与管道连接牢固、严密,且应便于滤网的拆装和清洗。过滤器滤网的材质、规格和包扎方法应符合设计要求对照设计文件钢尺、观察和操作检查

展开阅读全文
相关资源
猜你喜欢
相关搜索

当前位置:首页 > 行业资料 > 国内外标准规范

copyright@ 2008-2023 1wenmi网站版权所有

经营许可证编号:宁ICP备2022001189号-1

本站为文档C2C交易模式,即用户上传的文档直接被用户下载,本站只是中间服务平台,本站所有文档下载所得的收益归上传人(含作者)所有。第壹文秘仅提供信息存储空间,仅对用户上传内容的表现方式做保护处理,对上载内容本身不做任何修改或编辑。若文档所含内容侵犯了您的版权或隐私,请立即通知第壹文秘网,我们立即给予删除!