空调与通风系统工程质量标准及检验方法.docx

上传人:p** 文档编号:607854 上传时间:2023-12-01 格式:DOCX 页数:2 大小:16.46KB
下载 相关 举报
空调与通风系统工程质量标准及检验方法.docx_第1页
第1页 / 共2页
空调与通风系统工程质量标准及检验方法.docx_第2页
第2页 / 共2页
亲,该文档总共2页,全部预览完了,如果喜欢就下载吧!
资源描述

《空调与通风系统工程质量标准及检验方法.docx》由会员分享,可在线阅读,更多相关《空调与通风系统工程质量标准及检验方法.docx(2页珍藏版)》请在第壹文秘上搜索。

1、空调与通风系统工程质量标准及检验方法1检查数量:主控项目1)空调与通风系统:检查数量为每类机组按总数的20%抽检,且不得少于5台,每类机组不足5台时全部检测。一般项目2)现场设备安装质量检查:传感器,每种类型传感器抽检10%且不少于10台,传感器数量少于10台时全部检查;执行器,每种类型执行器抽检10%且不少于10台,执行器数量少于10台时全部检查;控制箱(柜),各类控制箱(柜)抽检20%且不少于10台,少于10台时全部检查。3)现场设备性能检测:传感器精度测试,按照设计总数的10%进行抽测,且不得少于10个,总数少于10个时全部检测;控制设备及执行器性能测试,包括控制器、电动风阀、电动水阀和

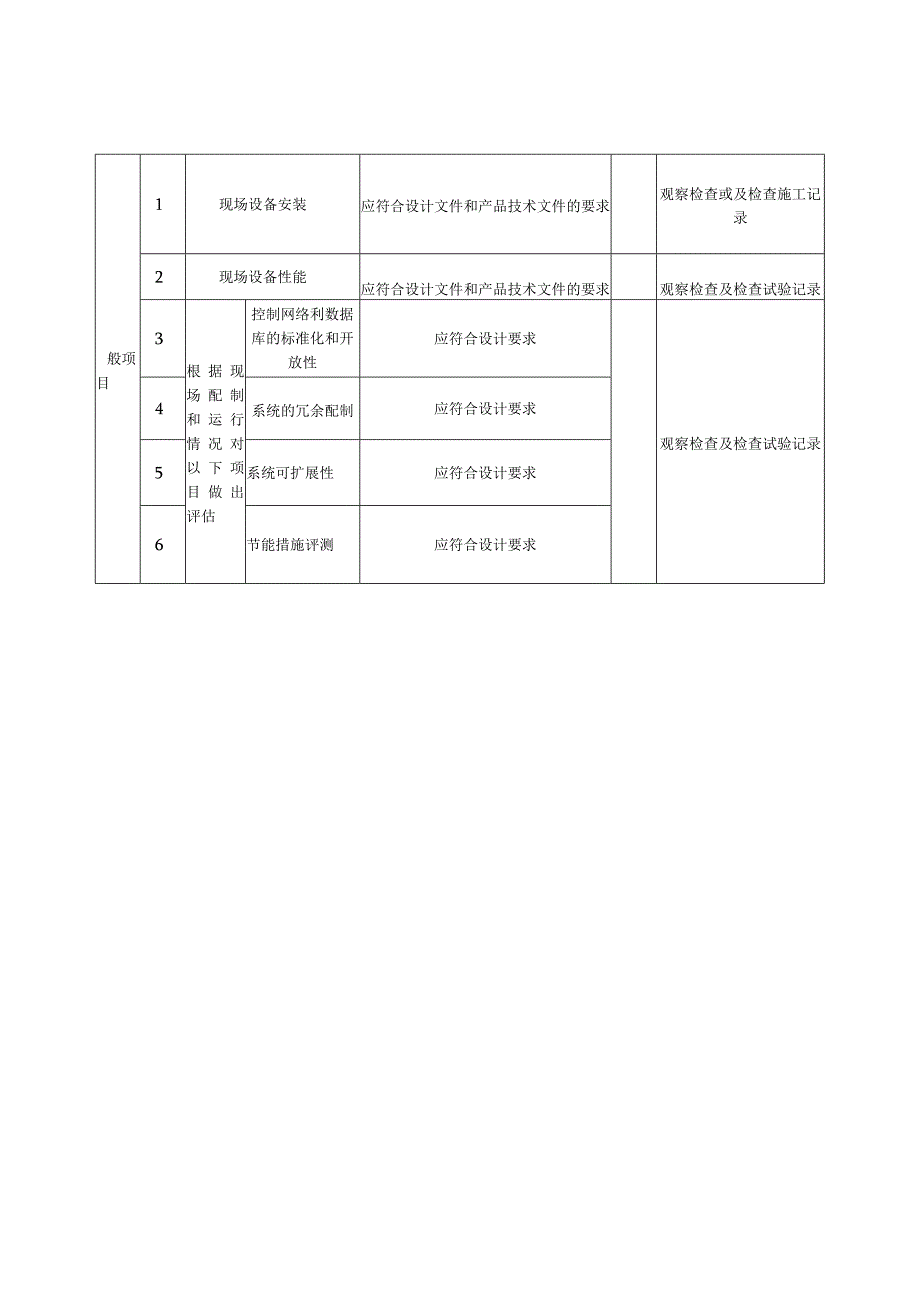
2、变频器等,主要测定设备的有效性、正确性和稳定性;测试核定电动阀在零开度、50%和80%的行程处与控制指令的一致性及响应速度;测试结果测试结果应满足合同技术文件及控制工艺对设备性能的要求;检测为20%抽测,但不得少于5个,设备数量少于5个时全部检测,检测合格率达到100%时为检测合格。4)系统可扩展性,控制器I/O口的备用量不应低于I/O口实际使用量的10%;机柜至少留有10%的卡件安装空间和10%的备用接线端子。2质量标准和检验方法:空调与通风系统工程质量标准和检验方法类序检查项目质量标准单检验方法及器具主控项目1空调与通风系统功能应对空调系统进行温湿度及新风量自动控制、预定时间表自动启停、节能优化控制等功能进行检测;应着重检测系统测控点(温度、相对湿度、压差和压力等)与被控设备稳定性、相应时间和控制效果,并检测设备连锁控制和故障报警的正确性观察检查、现场实际操作及检查施工记录般项目1现场设备安装应符合设计文件和产品技术文件的要求观察检查或及检查施工记录2现场设备性能应符合设计文件和产品技术文件的要求观察检查及检查试验记录3根据现场配制和运行情况对以下项目做出评估控制网络利数据库的标准化和开放性应符合设计要求观察检查及检查试验记录4系统的冗余配制应符合设计要求5系统可扩展性应符合设计要求6节能措施评测应符合设计要求

展开阅读全文
相关资源
猜你喜欢
相关搜索

当前位置:首页 > 建筑/环境 > 给排水/暖通与智能化

copyright@ 2008-2023 1wenmi网站版权所有

经营许可证编号:宁ICP备2022001189号-1

本站为文档C2C交易模式,即用户上传的文档直接被用户下载,本站只是中间服务平台,本站所有文档下载所得的收益归上传人(含作者)所有。第壹文秘仅提供信息存储空间,仅对用户上传内容的表现方式做保护处理,对上载内容本身不做任何修改或编辑。若文档所含内容侵犯了您的版权或隐私,请立即通知第壹文秘网,我们立即给予删除!