空调水系统安装(非金属管道)质量标准及检验方法.docx

上传人:p** 文档编号:608043 上传时间:2023-12-01 格式:DOCX 页数:4 大小:19.72KB
下载 相关 举报
空调水系统安装(非金属管道)质量标准及检验方法.docx_第1页
第1页 / 共4页
空调水系统安装(非金属管道)质量标准及检验方法.docx_第2页
第2页 / 共4页
空调水系统安装(非金属管道)质量标准及检验方法.docx_第3页
第3页 / 共4页
空调水系统安装(非金属管道)质量标准及检验方法.docx_第4页
第4页 / 共4页
亲,该文档总共4页,全部预览完了,如果喜欢就下载吧!
资源描述

《空调水系统安装(非金属管道)质量标准及检验方法.docx》由会员分享,可在线阅读,更多相关《空调水系统安装(非金属管道)质量标准及检验方法.docx(4页珍藏版)》请在第壹文秘上搜索。

1、空调水系统安装(非金属管道)质量标准及检验方法1检查数量:主控项目1)第1项:按总数抽查10%,且不得少于5件。2)第2项第5项:系统全数检查。每个系统管道、部件数量抽查10%,且不得少于5件。3)第6项:系统全数检查。4)第7项、第8项:位置、高度、进出口、手柄方向:抽查5%,且不得少于1个。阀门试验以每批(同牌号、同规格、同型号)数量中抽查20%,且不得少于1个。对于安装在主干管上起切断作用的闭路阀门,全数检查。5)第9项:抽查20%,且不得少于1个。一般项目6)第1项第3项:按总数抽查20%,且不得少于2处。7)第4项:按系统支架数量抽查5%,且不得少于5个。8)第5项、第6项:按规格、

2、型号抽查10%,且不得少于2个。2质量标准和检验方法:空调水系统安装(非金属管道)质量标准和检验方法类别序号检查项目质量标准单位检验方法及器具主控项目1系统的管材与配件验收空调工程水系统的设备与附属设备、管道、管配件及阀门的型号、规格、材质及连接形式应符合设计规定观察检查外观质量,并检查产品质量证明文件、材料进场验收记录2隐蔽管道的验收必须经监理人员验收及认可签证钢尺、观察检查,查阅试验记录、隐蔽工程记录3管道柔性接管的安装不得强行对口连接,与其连接的管道应设置独立支架4系统的冲洗、排污冷热水及冷却水系统应在系统冲洗、排污合格,再循环试运行2h以上,且水质正常后,才能与制冷机组、空调设备相贯通

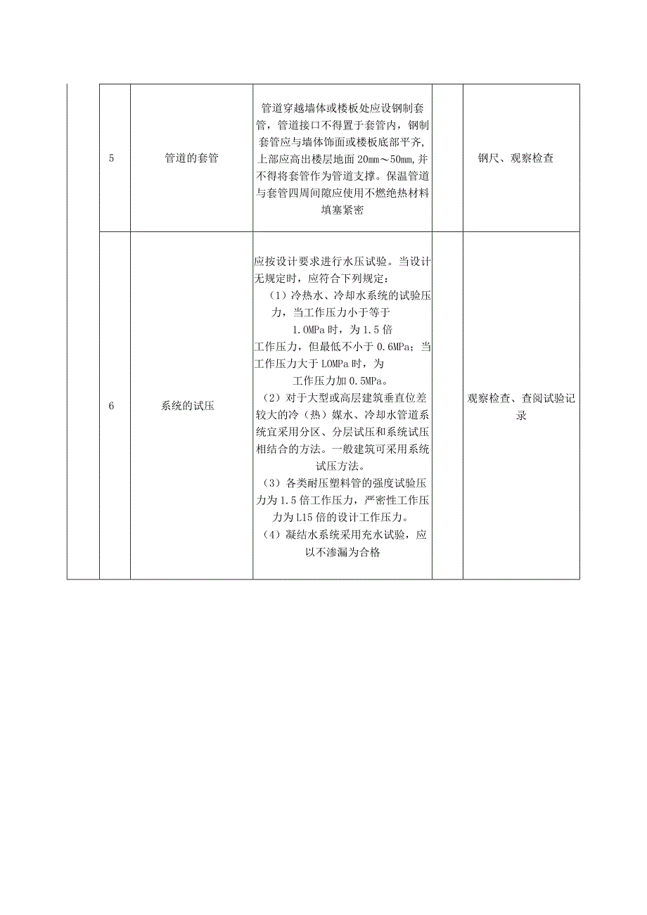
3、5管道的套管管道穿越墙体或楼板处应设钢制套管,管道接口不得置于套管内,钢制套管应与墙体饰面或楼板底部平齐,上部应高出楼层地面20mm50mm,并不得将套管作为管道支撑。保温管道与套管四周间隙应使用不燃绝热材料填塞紧密钢尺、观察检查6系统的试压应按设计要求进行水压试验。当设计无规定时,应符合下列规定:(1)冷热水、冷却水系统的试验压力,当工作压力小于等于1.OMPa时,为1.5倍工作压力,但最低不小于0.6MPa;当工作压力大于LOMPa时,为工作压力加0.5MPa。(2)对于大型或高层建筑垂直位差较大的冷(热)媒水、冷却水管道系统宜采用分区、分层试压和系统试压相结合的方法。一般建筑可采用系统试

4、压方法。(3)各类耐压塑料管的强度试验压力为1.5倍工作压力,严密性工作压力为L15倍的设计工作压力。(4)凝结水系统采用充水试验,应以不渗漏为合格观察检查、查阅试验记录7阀门的试压阀门安装前必须进行外观检查,阀门的铭牌应符合现行国家标准的规定。对于工作压力大于1.OMPa及其在主干管上起到切断作用的阀门,应进行强度和严密性试验,合格后方可使用。其他阀门可不单独进行试验,待在系统试压中检验。强度试验时,试验压力为公称压力的1.5倍,持续时间至少5min,阀门的壳体、填料应无渗漏。严密性试验时,试验压力为公称压力的1.1倍;试验压力在试验持续的时间内应保持不变,时间应符合现行标准的规定,以阀瓣密

5、封面无渗漏为合格按设计图核对、观察检查;查阅试验记录8阀门的安装位置、高度、进出口方向必须符合设计要求,连接应牢固、紧密按设计图核对、观察检查手柄方向在保温管道上的各类手动阀门,手柄均不得向下9管道补偿器安装及固定支架补偿量和安装位置必须符合设计及产品技术文件的要求,并应根据设计计算的补偿量进行预拉伸或预压缩。固定支架的结构形式和固定位置应符合设计要求观察检查,查阅补偿器的预拉伸或预压缩记录般项目1PVC-U管道的安装连接方法应符合设计和产品技术要求的规定钢尺、观察检查,验证产品合格证书和试验记录2PP-R管道的安装连接方法应符合设计和产品技术要求的规定3PB、PEX管道的安装连接方法应符合设计和产品技术要求的规定4管道的支、吊架管道与金属支、吊架之间应有隔绝措施,不可直接接触。当为热水管道时,还应加宽其接触的面积。支、吊架的间距应符合设计和产品技术要求的规定观察检查5阀门的安装阀门安装的位置、进出口方向应正确,并便于操作;连接应牢固、紧密,启闭灵活;成排阀门的排列应整齐、美观,在同一平面上的允许偏差为3mm对照设计文件进行钢尺、观察、操作检查6系统放气阀与排水阀系统最高处及所有可能积聚空气的高点应设置排气阀,在管路最低点应设置排水管及排水阀观察检查

展开阅读全文
相关资源
猜你喜欢
相关搜索

当前位置:首页 > 行业资料 > 国内外标准规范

copyright@ 2008-2023 1wenmi网站版权所有

经营许可证编号:宁ICP备2022001189号-1

本站为文档C2C交易模式,即用户上传的文档直接被用户下载,本站只是中间服务平台,本站所有文档下载所得的收益归上传人(含作者)所有。第壹文秘仅提供信息存储空间,仅对用户上传内容的表现方式做保护处理,对上载内容本身不做任何修改或编辑。若文档所含内容侵犯了您的版权或隐私,请立即通知第壹文秘网,我们立即给予删除!