建筑公司QC小组提高SBS防水卷材铺贴一次合格率成果汇报.docx

上传人:p** 文档编号:615106 上传时间:2023-12-05 格式:DOCX 页数:16 大小:400.04KB
下载 相关 举报
建筑公司QC小组提高SBS防水卷材铺贴一次合格率成果汇报.docx_第1页
第1页 / 共16页
建筑公司QC小组提高SBS防水卷材铺贴一次合格率成果汇报.docx_第2页
第2页 / 共16页
建筑公司QC小组提高SBS防水卷材铺贴一次合格率成果汇报.docx_第3页
第3页 / 共16页
建筑公司QC小组提高SBS防水卷材铺贴一次合格率成果汇报.docx_第4页
第4页 / 共16页
建筑公司QC小组提高SBS防水卷材铺贴一次合格率成果汇报.docx_第5页
第5页 / 共16页
建筑公司QC小组提高SBS防水卷材铺贴一次合格率成果汇报.docx_第6页
第6页 / 共16页
建筑公司QC小组提高SBS防水卷材铺贴一次合格率成果汇报.docx_第7页
第7页 / 共16页
建筑公司QC小组提高SBS防水卷材铺贴一次合格率成果汇报.docx_第8页
第8页 / 共16页
建筑公司QC小组提高SBS防水卷材铺贴一次合格率成果汇报.docx_第9页
第9页 / 共16页
建筑公司QC小组提高SBS防水卷材铺贴一次合格率成果汇报.docx_第10页
第10页 / 共16页
亲,该文档总共16页,到这儿已超出免费预览范围,如果喜欢就下载吧!
资源描述

《建筑公司QC小组提高SBS防水卷材铺贴一次合格率成果汇报.docx》由会员分享,可在线阅读,更多相关《建筑公司QC小组提高SBS防水卷材铺贴一次合格率成果汇报.docx(16页珍藏版)》请在第壹文秘上搜索。

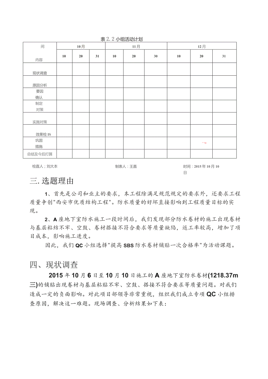
1、丽苑山水沿街透视图+抄硅中核华兴建设有限公司中国核建CHINANUCLEARINDUSTRYHUAXINGCONSTRUCTIONCOMPANYLIMITEDQC成果汇报提高SBS防水卷材铺贴一次合格率中核华兴建设有限公司27管第一QC小组二零一五年十二月间内容10月11月12月102031102030102031现状调查原因分析要因确认制定对策实施对策效果检IS巩固措施M总结及今后打算表2.2小组活动计划检直人;刘大本制表人:王嘉时间:2015年10月10日三.选题理由1、首先是公司和业主的要求,本工程除满足规范规定的要求外,还要求工程质量争创西安市优质结构工程。防水质量的好坏直接影响到工程

2、质量目标的实现。2、A座地下室防水施工一段时间后,我们发现部分防水卷材的施工出现卷材与基层粘结不牢、空鼓、卷材搭接不符合要求等质量缺陷,返工率较高,增加了项目成本,影响施工进度。因此,我们QC小组选择提高SBS防水卷材铺贴一次合格率为活动课题。四、现状调查2015年10月6日至10月10日施工的A座地下室防水卷材(1218.37m三)的铺贴出现卷材与基层粘贴不牢、空鼓、搭接不符合要求等质量问题。对我们造成一定的负面影响。对此项目部领导非常重视,组织我们成立专项QC小组排查原因,解决这一难题。现场调查、分析结果如下表:质量问题卷材与基层粘贴不率卷材空鼓卷材搭接不符合要求卷材接缝不严实其他合计面积

3、(m,)66.187.533.312.85204.7调查人王嘉刘大本张双斌马果胡辉调查时间2015.10.102015.10.20表4.1地下室防水卷材质量问题统计表检查人,刘大本制表人I王嘉时间;2015年10月20日由调查结果可以得出,A座地下室SBS防水卷材铺贴一次通过率仅为83.2%;根据以上问题我们做出了质量问题调查频数统计表。表4.2质量问题调查频数统计表序号质量问题频数频率(%)累计频率(%)1卷材与基层粘贴不牢66.132.332.32卷材空鼓87.542.7753卷材搭接不符合要求33.316.391.34卷材接缝不严实12.86.397.65其他52.41006合计204.

4、7100图41SBS防水卷材铺贴质量问题排列图由排列图可以看出,影响SBS防水卷材铺贴质量的主要问题是卷材与基层粘贴不牢、空鼓、搭接不符合要求,其累计频率高达91.3%,成为解决问题的主要对象。五、目标设定1、目标设定:有效减少卷材与基层粘贴不牢、空鼓、搭接不符合要求的现象,将SBS防水卷材铺贴一次合格率从83.2%提升至95%2、目标设定依据公司质量目标:始终确保质量第一,聚焦于客户满意。本工程列为公司重点形象工程,公司对本次活动给予了大力支持.项目质量要求:防水施工质量是工程创“西安市优质结构的重点,同时也为用户交付一个高品质的产品.结论调查分析:卷材与基层粘贴不牢、空鼓、接缝不严实其累计

5、频率高达91.3%,小组研究分析后认为有信心可以解决该主要问题的85%,这样就可以解决整个质量问题的77.6%,从而使SBS防水卷材铺贴一次合格率达95%以上成为可能。目标可行操作人员原因分析会六、原因分析2015年10月21日,QC小组成员运用头脑风暴法进行多次讨论分析,并以原因分析会的形式广泛听取收集现场操作工人的意见,对SBS防水卷材铺贴质量问题的原因进行了分析,绘制出r原因分析关联图。运用关联图对现状调查表的主要问题进行了分析。得出了9条末端原因。检查人:刘大本制图人:王嘉时间:2015年IO月29日七、要因确认2015年11月110日小组采取分析、调查、验证、试验等方法,对影响SBS

6、防水卷材铺贴质量的末端因素进行了逐条确认。详见下表:表7.1要因确认表序号末端原因确认方法确认情况负责人是否要因1岗前未培训现场检查QC小组育看记录发现,施工人员已经过岗前培训,并考核全部合格,并随机抽杳工人操作技能,均合格马果非要因2无奖罚制度查看记录检查质量管理奖罚制度,确认有防水质量的奖罚制度王嘉非要因3卷材接头污染现场调查现场调杳发现,防水卷材表面干净无污染张双斌非要因4接头搭接长度过短现场调查QC小组现场随机抽查30个接茬处,发现搭接长度在IOCm及以上的只有12处,合格率仅为40%刘大本要因5基层平整度差现场试验QC小组现场用直尺及楔形塞尺随机对30个基面进行测量,发现平整度最大误

7、差20mm最小误差7mm王文改要因6阴阳角未做特殊处理现场调查QC小组现场调查发现,所有阴阳角均未粘贴附加层许磊要因检查人:刘大本制表人:王嘉时间:2015年10月10日序号末端原因确认方法确认情况负责人是否要因7卷材不合格责看记录QC小狙查看取样送检的检验报告显示所有卷材物理性能符合GB50108-2008第4.3.9条的标准要求,且材料合格率为100%刘大本非要因8施工温度不符合要求杳看记录QC小组调取了施工当日的温度记录,发现温度均维持在IOC25C之间,昼夜温差也小于IOP胡辉非要因9基层含水率过高现场调皆根据现场调资发现,基层能全部用肉眼观测到处于基本干燥状态,无积水或者湿润区域许磊

8、非要因检看人:刘大本制表人:王嘉时间:2015年11月10日表8.1对策表序号要因对策目标措施地点完成时间责任人1接头搭接长度过短严格控制搭接接头长度接茬处无一处搭接长度过短1、在对所有防水施工人员进行交底时明确要求,搭接长度不能少于IOcma2.防水施工时,派管理人员加大监督力度,有效控制搭接长度.工地现场2015年12月5日王文改马果2基层平整度差增加基面清理整平力度基面平整误差V4mm,表面平整且无异物1、铺设前应清除基层表面杂物,砂子、石子、残留砂浆等应清理干净.2、表面有凹陷的用水泥砂浆抹平.工地现场2015年11月23日张双斌许磊检查人:刘大本制表人:王嘉时间:2015年11月21

9、日检查人:刘大本制表人:王嘉时间:2015年11月21日序号要因对策目标措施地点完成时间责任人3阴阳角未做特殊处理阴阳角粘贴加强层阴阳角加强层且的铺设率达到100%1、阴阳角采用水泥砂浆抹成圆弧角,阴角最小半径50mrn,阳角最小半径20mmO2、在阴阳角做成圆弧角后,铺粘卷材作加强层,以阴阳角为中心两边宽度均为250mm。工地现场2015年U月25日胡辉刘大本王嘉九、实施对策实施一、严格控制搭接接头长度2015年11月22日,由技术员刘大本给防水施工工人进行现场技术交底,明确强调防水卷材的搭接长度为IoCn1,还制定了严格的检查制度及惩罚制度,制度要求管理人员加强监督,并每天对当天铺设的卷材

10、逐个测量,若当天合格率小于95%,不合格的全部返工,并向防水班组罚款2000元。一一一现场向工人进行交底管理人员随时在场监督结果:通过对搭接长度的严格控制和建立有效的检验制度及奖罚制度,现场卷材接头的搭接长度合格率提高到了100实施二、增加基面清理整平力度1、铺设前应清除基层表面杂物,砂子、石子、残留砂浆等应清理干净。2、表面有凹陷的地方用水泥砂浆抹平。工人清理基层杂物结果:通过加强对铺设防水卷材基面的平整力度,防水卷材整体大面的空鼓率明显减小,大大提高了卷材面与基面粘贴密实的合格率。对己施工完毕的地下室车库防水卷材质量进行检查,统计出卷材空鼓的不合格率降低到了1.2%,合格率提高到了98.8

11、%。实施三、阴阳角粘贴加强层1、基层清理干净以后,在阴阳角用水泥砂浆抹成圆弧角,阴角最小半径50mm,阳角最小半径20mm。2、在阴阳角做成圆弧角后,铺粘卷材作加强层,以阴阳角为中心两边宽度均为250mm。阴阳角的圆弧处理阴阳角加强层处理结果:通过对阴阳角粘贴加强层,阴阳角处卷材空鼓率大大减小,阴阳角处卷材与基面粘贴密实,合格率提高到了100十、效果检查整改前墙上防水整改后墙上防水整改前平面防水整改后平面防水1、对策实施前后状况对比2015年12月10日12月15日,QC小组成员对已施工完毕的地下室车库SBS防水卷材进行质量检查(919.711lj),o质量满足检查指标计为合格,统计完后得出一

12、次合格率达到95.6%。与活动前的质量状况分析对比如下:表10.1活动前后SBS防水卷材施工质量状况分析对比表序号、项目实施对策前实施对策后不合格频数(W)不合格率(%)不合格频数(M)不合格率(%)1卷材与基层粘贴不牢66.15.418.422卷材空鼓87.57.2111.23卷材搭接不符合要求33.32.7004卷材接缝不严实12.81.17.360.85其他S0.43.680.46合计204.716.840.444.4检查人:刘大本制表人:王嘉时间:2015年12月15日2、效果分析(1)从上表中可以看出,改进以后各不合格率有不同程度的降低。(2)SBS防水卷材铺贴一次合格率由活动前的8

13、3.2%提高到了95.6%,本次活动的目标达到了。见PDCA活动前后效果对比柱状图。图10.1PDCA循环前后对比图3、经济效益通过本次QC活动,铺设SBS防水卷材一次合格率大大提高,为SBS防水卷材具有良好的防水效果提供了保证,避免了后期因质量不合格而导致后期修补费用,同时也节省了返工的时间,缩短了工期。整个工程节约卷材7176.56X(95.6%-83.2%)=889.89(m1),为整个工程节约成本889.89X31=27586.59(元)经济效益证明在西安Hfi苑山水项目施工中QC小组活动大大提自了SBS防水卷材的设质量一次合格率.提高了防水施工质景加快了施工进度。整个工程节约卷材7176.56X(95.6%83.)889.89(m),为整个工程节均成本889.89X31=27586.59(元).根据以上分析.提高了SBS防水嚣材铺设质量一次合格辜后,共节约成本27586.59元.华纬科彳!限f司弋5争3月.iy

展开阅读全文
相关资源
猜你喜欢
相关搜索

当前位置:首页 > 办公文档 > 工作总结

copyright@ 2008-2023 1wenmi网站版权所有

经营许可证编号:宁ICP备2022001189号-1

本站为文档C2C交易模式,即用户上传的文档直接被用户下载,本站只是中间服务平台,本站所有文档下载所得的收益归上传人(含作者)所有。第壹文秘仅提供信息存储空间,仅对用户上传内容的表现方式做保护处理,对上载内容本身不做任何修改或编辑。若文档所含内容侵犯了您的版权或隐私,请立即通知第壹文秘网,我们立即给予删除!