市政工程钢筋混凝土管顶管施工技术交底.docx

上传人:p** 文档编号:619390 上传时间:2023-12-06 格式:DOCX 页数:7 大小:67.71KB
下载 相关 举报
市政工程钢筋混凝土管顶管施工技术交底.docx_第1页
第1页 / 共7页
市政工程钢筋混凝土管顶管施工技术交底.docx_第2页
第2页 / 共7页
市政工程钢筋混凝土管顶管施工技术交底.docx_第3页
第3页 / 共7页
市政工程钢筋混凝土管顶管施工技术交底.docx_第4页
第4页 / 共7页
市政工程钢筋混凝土管顶管施工技术交底.docx_第5页
第5页 / 共7页
市政工程钢筋混凝土管顶管施工技术交底.docx_第6页
第6页 / 共7页
市政工程钢筋混凝土管顶管施工技术交底.docx_第7页
第7页 / 共7页
亲,该文档总共7页,全部预览完了,如果喜欢就下载吧!
资源描述

《市政工程钢筋混凝土管顶管施工技术交底.docx》由会员分享,可在线阅读,更多相关《市政工程钢筋混凝土管顶管施工技术交底.docx(7页珍藏版)》请在第壹文秘上搜索。

1、钢5混凝土管顶管施工1.7.1适用范围适用于钢筋混凝土管顶管施工。1.7.2施工准备1.7.2.1技术准备1测量交接桩完成,并对控制点、坐标点、水准点进行校测,拴桩、补桩等工作已完成。2.顶管施工前,己认真审核图纸,组织图纸会审。编制施工方案,报有关单位审批,并做好技术交底。3.通过沿线调查研究,结合现场地形及交通运输、水源、电源、排水条件,己制定出相应的技术措施。1.7.2.2材料要求1.钢筋混凝土成品管材:分为钢筋混凝土企口管和双插口式两种,其品种、规格、外观质量、强度等级必须符合设计要求,并具有出厂合格证及试验报告单。2.橡胶垫应符合设计耍求,具有出厂合格证。3.其他材料:钢套环、密封胶

2、、油麻、石棉、膨胀剂、水泥(少量)等,其质量应符合有关规定要求,水泥、膨胀剂应有产品合格证和出厂检验报告,进场后应取样试验合格。1.7.2.3机具设备1.主要设备:顶镐、液压油泵、卷扬机、滑轮、压浆泵、电焊机、气焊设备等。2.辅助设备:吊管架、工作平台、棚架、触变泥浆设备、横铁、立铁、顶铁、导轨、测量仪器等。3.工具:铁锹、水平尺、钢尺、锤球、小线、出土小车等。1.7.2.4作业条件1.施工占地范围内拆迁到位,地卜管线已查明,并采取改移或加固措施,地上、地卜障碍物清理完2.临时道路畅通,场地平整,水、电己安装完毕.3.施工管线低于地下水位时,施工降水应低于开挖面0.5m以下。1.7.3施工工艺

3、1.7.3,1工艺流程I触变泥浆II测量放线If反作竖井开挖Ifl后背安装If欣客硝fif两fI管道接口I1.7.3.2操作工艺1.测量放线(1)应依据设计图纸进行测量放线,做好测量所需各项数据内业的收集、计算、复核工作(2)对原交桩进行复核测吊:,原测桩有遗失或变位时,应补桩校正。(3)测定管道中心线时,应在起点、终点、平面折点、竖向折点及其他控制点测设中心桩,并应在工作坑外适当位置设置栓桩。(4)测定中心桩时,应用测距仪或钢尺测量桩的水平距离。2.工作竖井开挖(1)顶管工作竖井位置的选定,应符合下列要求:1)一般宜选在设计图中管道的检查井室位置。2)工作坑处应便于设备、材料运输及下管、出土

4、、排水,并具备有少量堆放管材及暂存土的场地。3)单向顶进,顶管段两端条件相近时,工作坑宜选在管线下游。4)工作竖井距铁路路基、公路路基较近时,必须保证足够的安全距离或有采取加固措施的条件。5)工作竖井应选择在地下管线较少部位。(2)顶管工作竖井的开挖断面,应根据检查井尺寸、工作面宽度、现场环境、土质、挖深、地下水位及支撑材料规格、管径、管长、顶管机具设备规格、顶力、下管及出土方法等条件确定。(3)工作竖井的支撑应根据开挖断面、挖深、土质条件、地下水状况及总顶力等进行施工设计,确定支撑形式,且符合下列要求:1)工作竖井支撑宜形成封闭式框架,矩形工作竖井四角应设斜撑。2)支护应根据场地环境采用钢木

5、支护、喷锚混凝土支护等方法。3)有地下水时,根据管道埋深、土质类型、地下水深,采用轻型井点或管井降水方法。(4)工作竖井应有足够的工作面,竖井底尺寸应按下式计算:底宽B=D+2S+2C(1-7)底长L=L+L+L+L,+L(1-8)式中;B工作竖井底宽(m):1.-工作竖井底长(m):S管两侧操作宽度(m),一般为每侧1.2m1.6m;C撑板厚度(m),一般采用O.2m;Di管外径(In);1.1-管子顶进后,尾部压在导轨上的最小长度,顶钢筋混凝土管取0.3In0.6m;机械挖土、挤压出土及管前使用其他工具管时,工具管长度如大于上述铺轨长度的要求,LI应取工具管长度;1.-管节长度5);1.3

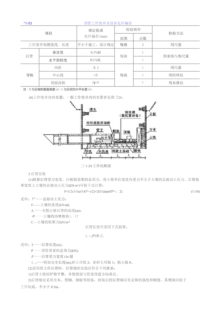
6、出土工作间长度,根据出土工具而定,宜为1.0m1.8m;1.i-液压油缸长度(m):1.后背所占工作竖井长度,包括横木、立铁、横铁,取0.85m。工作竖井深度应符合下式:H-h+hz+hs(l-9)lL=h+h式无基础及垫层时)式中:Hl-顶进竖井地面至竖井底的深度(m);hi-接受竖井地面至竖井底的深度(m);hz-管道外缘底部至导轨底面的高度(m);%-基础及其垫层的厚度,不应小于该处井室的基础及垫层厚度(m)。(5)顶管工作竖井及设备允许偏差见表1-53*1-53顶管工作竖井及设各允许偏差项目规定值或允许偏差(mm)检验频率检验方法范围点数工作竖井每侧宽度、长度不小于施工、设计规定每座2

7、用尺量后背垂直度0.1%H每座1用垂线与角尺量水平拐转度0.1JL1导轨内距土2每座1用尺量中心线31用经纬仪顶面高程0j+31用水准仪注:H为后背的垂直高度(m):L为后背的水平长度(m).(6)工作竖井内的布置:一般工作竖井内的布置参见图24。三1-24工作坑断面3.后背安装(1)核算后背受力宽度,应根据需要的总顶力,使土壁单位宽度内受力不大于土壤的总被动土压力。后背每米宽度上土壤的总被动土压力(kN/m2)可按下式计算:P=I/2r2tan2(450+2)+2Gtan(450+。2)(1-10)式中:尸总被动土压力:F土壤的重度(kN/nd;一一天然土壁后背的高度(m);一一土壤的内摩擦

8、角(。)?C土壤的粘聚力(kN/m*后背长度可采用下式核算:1.=JPlB+乙式中:2一一后背长度(m);P一一顶管需要的总顶力(kN):B一一后背受力宽度Gn储1.a附加安全长度(m),砂土可取2;亚砂土可取1;粘土取0。(2)采用原土作后背时,后背墙的安装应符合下列要求:1)后背土壁应铲修平整,并使壁面与管道顶进方向垂宜。2)后背墙宜采用方木、型钢、钢板等组装,组装后的后背墙应有足够的强度和刚度,其埋深应低于工作坑底,不小于0.5m。3)后背土体壁面应与后背墙紧贴,孔隙应用砂石料填塞密实。4)根据后背施工设计安装后背,紧贴土体的后背材料,如型钢、预制后背、方木等应横放,在其前面放置立铁,立

9、铁前放置横铁。(3)当无原土作后背时,应采用结构简单、稳定可靠、就地取材、拆除方便的人工后背墙;利用已完成顶进的管段作后背时,顶力中心宜与已完工管道中心重合,顶力应小于已顶完管道的抗顶力,后背钢板与管口间应垫缓冲材料-,保护管口不受损伤。4.设备安装(1)导轨安装应符合下列要求:1)导轨应选用钢质材料制作,宜根据管材质量选配钢轨作导轨。2)应在检验合格的基础上安装枕铁或枕木,在检验合格的枕铁或枕木上安装导轨。3)当工作竖井底有水、土侦松软、管径较大时,应浇筑水泥混凝土基础,将枕铁或枕木埋设于混凝土中。宜结合管道基础设计,确定混凝土面的高程及宽度,水泥混凝土基础的宽度宜比管径大400m,厚度可采

10、用20OmnI300mm,混凝土基础顶面应低于枕快或枕木面IOmm20mm。4)当工作竖井底无水,土质坚实,可挖土槽埋设枕铁或枕木。枕铁或枕木长度宜采用2m3m,宜比导轨外缘两边各长出200Inm300mm,其埋设间距可根据管重、顶力和土质选取40Omm800mm5)枕铁宜用型钢制成,并附有固定导轨的特制螺栓,枕铁应直顺、平整;采用枕木时,截面不小于150mm150mm。6)两根导轨应顺直,两根导轨的内距按下式计算:A-2Wr)ha)(h加式中:4-两导轨中距(Inm);4一两导轨上部的净距(mm):a导轨的上顶宽度(mm);D管外径(nun);力一导轨高度(mm):e管外底距枕铁(枕木)面的

11、距离(一般为IOnInl25mm)。(2)导轨及枕铁安装质量应符合下列规定:1)枕铁或枕木的安装高程宜低于管外底高程Iomm20mm,间距均匀,其铺装纵坡应与管道纵坡一致。2)两根导轨应直顺、平行、等高,导轨安装牢固,其纵坡与管道设计坡度致。3)导轨高差允许偏差2mm,导轨内距允许偏差为士2un;中心线允许偏差为3mm,顶面高程允许偏差为Omm3mm。(3)工作平台安装应符合下列要求:D应在顶管工作坑开挖与支护完成后进行.2)工作平台承重主梁应根据静载、活载及其他附加荷载计算选用,主梁两端伸出工作坑壁外不得小于1.2m。3)平台口的长度和宽度各大于管节长度及管外壁0.8m.4)根据起吊设备能力

12、及吊重核算起重架;支搭于工作平台上的起重架宜与防雨、雪棚架结合成一体,并安装牢固。5)工作坑上的平台孔口必须安装护栏,上下人处设置牢固的爬梯。(4)顶铁安装应符合下列要求:1)应有足够的刚度,无歪斜扭曲现象,顶铁上宜有锁定装置,顶铁单块旋转时应能保持稳定。2)顶铁宜采用铸铁成型或型钢焊接成型.3)顶铁放置在管道两侧,且顶铁中心线应与管道中心线平行、对称宜顺;顶铁与导轨和顶铁之间的接触面不得有泥土、油污。4)更换顶铁时,应先使用长度大的顶铁,以减少顶铁连接数量;顶铁的允许连接长度,应根据顶铁的截面尺寸确定。当采用顶铁截面为20OmnlX30Omm时,单行顺向使用的长度不得大于L5m;双行使用的长

13、度不得大于2.5m,且应在中间加横向顶铁相连.5)顶铁与管口之间应采用缓冲材料衬垫。在顶力作用下,管节承压面应力接近其设计顶镐压力强度时,应采用U形或环形顶铁等措施,减少管节承压面应力。(5)顶进设备安装1)安装前应对高压油泵、液压油缸、液压管路控制系统、顶铁和压力表标定等进行检查,设备完好,方可安装.2)应根据顶管竖井的施工设计,安装高压油泵、管路及控制系统。油泵宜设置在液压油缸附近:油管应直顺、转角少:油泵应与液压汕缸相匹配,并应有备用油泵。3)液压油缸的油路应并联,每台液压油缸应有进油、退油的控制系统。4)液压油缸的着力中心宜位于管子总高的1/4左右处,且不小于组装后背高度的1/3。5)

14、使用一台液压油缸时,其平面中心应与管道中心线一致,使用多台液压油缸时,各液压油缸中心线应与管道中心线对称。6)多台液压油缸宜配置油缸台架,且应使油缸布置对称。7)千斤顶的安装高程,般宜使千斤顶的着力点位于管端面垂直直径的1/4左右处。(6)顶进设备成车运行应符合下列要求:1)设备试车运行及顶进时,工作人员不得在顶铁上方及侧面停留,并应随时观察顶铁有无异常迹象。2)顶进开始时,应缓慢进行,待各接触部位密合后,再按正常顶进速度顶进.3)顶进中若发现油压突然增高,应立即停止顶进,检查原因并经过处理后,方可继续顶进。4)液压油缸活塞退回时,油压不得过大,速度不得过快。(7)顶管单元长度应根据设计要求的

15、井室位置、地面运输与开挖工作坑的条件、顶管需要的顶力、后背与管口可能承受的顶力,以及支持性技术措施等因素综合确定。宜减少顶管工作坑设置数量。当穿越构筑物或河道时,应根据穿越长度,确定顶管单元长度。(8)顶管的顶力计算总顶力经验公式(钢筋混凝土管):P=GL(1-13)式中:P一一计算总顶力(kN);G一一管子单位长度管体自重(kN/m);1.-顶进管总长度(m):n土质系数。当土质为粘土及天然含水量较小的亚粘土,管前挖土能形成土拱者,n可取1.52。当土质为密实的砂土及含水量较大的亚粘土,管前挖土不易形成土拱,但塌方尚不严重时,n可取35.管道顶进(1)顶进前应检查下列内容,确认条件具备时方可顶进。1)全部设备经过检查,并经试运转确认正常:导轨的中心线、坡度、高程符合设计规定;2)己具备防止流动性土或地下

展开阅读全文
相关资源
猜你喜欢
相关搜索

当前位置:首页 > 建筑/环境 > 设计及方案

copyright@ 2008-2023 1wenmi网站版权所有

经营许可证编号:宁ICP备2022001189号-1

本站为文档C2C交易模式,即用户上传的文档直接被用户下载,本站只是中间服务平台,本站所有文档下载所得的收益归上传人(含作者)所有。第壹文秘仅提供信息存储空间,仅对用户上传内容的表现方式做保护处理,对上载内容本身不做任何修改或编辑。若文档所含内容侵犯了您的版权或隐私,请立即通知第壹文秘网,我们立即给予删除!